Movatterモバイル変換


[0]ホーム

URL:


CN103885367A - Pumping unit intelligent control system and method based on optimal stroke frequency identification - Google Patents

Pumping unit intelligent control system and method based on optimal stroke frequency identification
Download PDF

Info

Publication number
CN103885367A
CN103885367ACN201410129431.8ACN201410129431ACN103885367ACN 103885367 ACN103885367 ACN 103885367ACN 201410129431 ACN201410129431 ACN 201410129431ACN 103885367 ACN103885367 ACN 103885367A
Authority
CN
China
Prior art keywords
pumping unit
frequency
intelligent
jig frequency
power consumption
Prior art date
Legal status (The legal status is an assumption and is not a legal conclusion. Google has not performed a legal analysis and makes no representation as to the accuracy of the status listed.)
Granted
Application number
CN201410129431.8A
Other languages
Chinese (zh)
Other versions
CN103885367B (en
Inventor
张春波
张宝军
张吉波
Current Assignee (The listed assignees may be inaccurate. Google has not performed a legal analysis and makes no representation or warranty as to the accuracy of the list.)
DONGYING ORIENTSUN ELECTRIC Co Ltd
Original Assignee
DONGYING ORIENTSUN ELECTRIC Co Ltd
Priority date (The priority date is an assumption and is not a legal conclusion. Google has not performed a legal analysis and makes no representation as to the accuracy of the date listed.)
Filing date
Publication date
Application filed by DONGYING ORIENTSUN ELECTRIC Co LtdfiledCriticalDONGYING ORIENTSUN ELECTRIC Co Ltd
Priority to CN201410129431.8ApriorityCriticalpatent/CN103885367B/en
Publication of CN103885367ApublicationCriticalpatent/CN103885367A/en
Application grantedgrantedCritical
Publication of CN103885367BpublicationCriticalpatent/CN103885367B/en
Activelegal-statusCriticalCurrent
Anticipated expirationlegal-statusCritical

Links

Images

Classifications

Landscapes

Abstract

Provided are a pumping unit intelligent control system and method based on optimal stroke frequency identification. The pumping unit intelligent control system comprises an intelligent system and a by-pass system, wherein the intelligent system is composed of a special frequency converter for a pumping unit, a direct current reactor and an intelligent control card. The intelligent system detects instantaneous voltage and instantaneous current of a motor through current of the frequency converter and a voltage detecting circuit, instantaneous power (including negative power) of the motor is calculated, and the instantaneous power is transmitted to the intelligent control card in a communication mode. The intelligent control card conducts data processing on the instantaneous power to obtain stroke frequency power consumptions. Stroke frequency power consumptions of the pumping unit under different stroke frequencies are detected, an optimal stroke frequency and a corresponding stroke frequency power consumption are calculated through an optimal stroke frequency identification mathematic model based on liquid production capacity maximization, and self-learning of the working condition of an oil well is completed. The intelligent control card controls the frequency converter to operate at the frequency corresponding to the optimal stroke frequency, the change situation of the stroke frequency power consumption is detected in real time, closed-loop control is conducted on the pumping unit, the underground liquid supplying situation is tracked, and supplying and mining balance, production increment, efficiency increment, energy saving and consumption reduction are achieved.

Description

A kind of intelligent controlling system for beam-pumping unit and method based on optimum jig frequency identification
Technical field
The control technology field that the present invention relates to recover the oil, is specifically related to intelligent controlling system for beam-pumping unit and method based on optimum jig frequency identification.
Background technology
Traditional oil well flows into theory to be thought, sand face pressure is lower, and drawdown pressure is larger, and oilwell produced fluid amount is larger.So the lower pump of general oil well is to perforation top, even stage casing, causes that working fluid level is low, stream forces down, pump degree of filling is low, affects pump efficiency, production fluid amount and recovery ratio.A large amount of practice and research both at home and abroad shows, in the time that stream pressure drop is low to moderate saturation pressure below, gas can be separated from crude oil, forms oil gas phase mixed liquor or oil gas water mixed liquor, and liquid phase stream kinetic force is reduced, stratum osmotic resistance increase.In the time that stream forces down in saturation pressure and reduces gradually, production fluid amount slows down to there is maximal value flex point from raising, and then reduces gradually.It is the minimum limit of bottomhole flowing pressure that oil well stream is pressed that the stream that production fluid amount maximum point is corresponding is pressed.When oil well is produced below minimum limit of bottomhole flowing pressure, power consumption can increase, and production fluid amount can decline.
The oil recovery present situation in oil field is that a large amount of producing wells is depressed work at the stream lower than minimum limit of bottomhole flowing pressure, and pump efficiency and system effectiveness are low, affect production fluid amount and recovery ratio, and output gas oil ratio is high, ties Que and shakes out serious.Solution mainly contains 2 points: one, adjust the lower pump degree of depth, control stream and be pressed in rational scope; Two, regulate swabbing parameter, control stream and be pressed in optimum value, improve pump degree of filling and pump efficiency, reach for adopting balance.
After sucker rod pump stroke, pump footpath and lower pump Depth determination, jig frequency is the key parameter that determines pump discharge opeing ability.When sand pressure is stablized, jig frequency is higher, and working fluid level is lower, pump degree of filling is lower, sand face pressure is lower, power consumption is higher.And production fluid amount and sand face pressure existence function relation, i.e. IPR curve, sand face pressure exists optimum value to make production fluid amount maximum.The factors such as the saturation pressure of the optimum value of sand face pressure and sand pressure, oil-water ratio and oil are relevant, have time variation.The Based Intelligent Control of oil pumper is by perception underground working, determines that optimum jig frequency adapts with it, and follows the tracks of the automatic adjusting stroke frequency of variation of underground working, and oil well is worked all the time under optimum jig frequency, reaches supply and discharge balance and the maximized object of production fluid amount.
Because the real-time testing cost of production fluid amount is high, accuracy extreme difference, the control of current oil pumper is the detection of the detection based on merit figure and working fluid level mainly, to realize the control of permanent pump degree of filling and the control of perpetual motion liquid level.Owing to there is not definite relation in pump degree of filling and working fluid level and production fluid amount, so can only by rule of thumb, control weak effect, also poor to the adaptability of different oil wells, be subject to the impact of sensor cost and stability, this technology is on the one hand failed large scale application always simultaneously.Such control can only be named closed-loop control, but not Based Intelligent Control.
Control program based on energy consumption of electrical machinery is because testing cost is low, and good stability, is the new direction of research in recent years.Very many owing to affecting the factor of energy consumption of electrical machinery, comprise and promote the ineffective energy consumptions such as the available energy dissipation of liquid and the loss of electric machine, mechanical drive loss, frictional dissipation, sucker rod deformation loss, hydraulic slip loss, generally believe that the quantitative relationship of setting up between oilwell produced fluid amount and energy consumption of electrical machinery is impossible, so most research is not all deeply gone down.
In the application of frequency converter on oil pumper, owing to there being electric phenomenon, and frequency converter is originally from storing and discharge this part energy, can cause DC side superpotential fault.Traditional solution has three kinds: the one, and the method for employing dynamic braking, consumes the energy that falls to generate electricity with resistance, and this mode cost is relatively low, but waste electric energy; The 2nd, feedback mode, the controllable rectifier bridge by feedback unit or four-quadrant frequency converter is by electric energy feedback electrical network, and this mode cost is very high, also more serious to the harmonic effects of electrical network, is not suitable for applying; The 3rd, adopt common DC bus mode, energy is passed to other load and use, this mode cost is low, also energy-conservation, but uses and have limitation in most occasion.
Summary of the invention
The present invention be directed to the problem that prior art exists, a kind of intelligent controlling system for beam-pumping unit and method based on optimum jig frequency identification is provided, calculate the jig frequency power consumption of oil pumper by detecting the instantaneous power of motor, and the power consumption that proposes first maximum production fluid jig frequency changes judgment criterion, the intelligence oil pumping that adopts software controlling technique and frequency conversion control technique to realize oil pumper is controlled, and reaches and increases production and improves productivity and energy-saving and cost-reducing object.
Technical scheme of the present invention
A kind of intelligent controlling system for beam-pumping unit based on optimum jig frequency identification, formed by the intelligent system take special converter for pumping unit as core and bypath system two parts, the special converter for pumping unit input and output side of intelligent system is connecting circuit isolating switch and contactor respectively, bypath system comprises power circuit breaker, contactor and electrothermal relay, wherein: in intelligent system, also comprise intelligent control card and direct current reactor, and the expansion card that intelligent control card is special converter for pumping unit, its hardware is Single Chip Microcomputer (SCM) system, adopt communication modes swap data with special converter for pumping unit, direct current reactor is connected with the DC side of special converter for pumping unit, the output of special converter for pumping unit and bypath system are by contactor electrical interlocks.
Control method according to the aforementioned intelligent controlling system for beam-pumping unit based on optimum jig frequency identification is: the instantaneous power that detects motor by special converter for pumping unit self, that every phase voltage instantaneous value that instantaneous power is exported by frequency converter is added repeatedly with the product of the current instantaneous value of corresponding phase and try to achieve, jig frequency energy consumption is divided by and is tried to achieve by the mean value of instantaneous power and running frequency; The multi-group data that the oil-well motor jig frequency power consumption recording by the self study of Based Intelligent Control card control frequency converter changes with jig frequency; The definite optimum jig frequency identification model of mathematical model changing with jig frequency according to available energy dissipation and ineffective energy consumption in motor power consumption, tries to achieve optimum jig frequency corresponding to maximum production fluid amount; Then record motor actual power consumption that optimum jig frequency is corresponding as benchmark power consumption set-point, jig frequency is carried out to Intelligent closed-loop control, the variation of real-time follow-up down-hole fluid supply capacity, thus keep best sand face pressure, production fluid amount is maximized.Due to the time variation of oil well condition, intelligent system is carried out the self study meeting timing of hole condition, to adapt to the variation of hole condition.
The control method of the above-mentioned intelligent controlling system for beam-pumping unit based on optimum jig frequency identification further comprises:
Based Intelligent Control card control special converter for pumping unit respectively moves the time of setting at 50Hz, 40Hz, 30Hz, 20Hz, down-hole working fluid level is reached after stable state, records the stable state jig frequency power consumption of oil pumper in the time of these characteristic frequency point operations, is designated as W50, W40, W30, W20, the special converter for pumping unit running frequency f that optimum jig frequency is corresponding0can be asked for by the optimum jig frequency identification model of following formula:
f0=10×(4W20-11W30+10W40-3W50)/(W20-3W30+3W40-W50)
Control oil pumper at f0the time chien shih down-hole working fluid level that operation is set reaches after stable state, records corresponding jig frequency power consumption and is benchmark jig frequency power consumption set-point Wf0.
Recording benchmark jig frequency power consumption set-point Wf0after at interval of within 5-15 minute, surveying once in real time jig frequency power consumption value, with the given power consumption comparison of benchmark, if 0.5-1.5Hz frequency raises bigger than normal, the 0.5-1.5Hz frequency that reduces less than normal, if quite running frequency is not adjusted, realize the real-Time Tracking Control to down-hole fluid supply capacity, frequency adjustment range is f0± 5Hz.
System of the present invention is in universal frequency converter, to implant intelligent control software, does not need additional any aboveground and downhole sensor, does not also need to input any raw data of oil pumper and oil well, can complete the self-adapting intelligent control to oil pumper.Apply this technology make the intelligent control system of oil pumper with low cost, reliable and stable, increase production and improve productivity and energy conservation and consumption reduction effects significantly improve, solved a core difficult problem for oil well intelligent control, have extraordinary application value.Method core of the present invention is to go forward side by side after line number Epidemiological Analysis by the each several part energy consumption modeling to pumping production system, has found the judgment criterion of optimum jig frequency.Optimum jig frequency is corresponding with the minimum limit of bottomhole flowing pressure that oil well flows into equation curve (IPR curve), thereby has realized the control of maximum production fluid amount.
The built-in distinctive overvoltage of direct current regulator control software engineering of special converter for pumping unit of the present invention in addition, make frequency converter have the function of tracing motor rotation speed operation, can effectively suppress the electric phenomenon that falls of oil pumper, can guarantee that without braking and feedback component frequency converter normally moves, make cost further decline compared with adopting dynamic braking or regenerative braking of intelligent system, power savings obvious raising compared with adopting braking resistor mode, system architecture is further simplified, and reliability further improves.
Accompanying drawing explanation
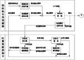
Accompanying drawing 1 is components of system as directed structure diagram of the present invention;
Accompanying drawing 2 is control flow charts of the inventive method part.
In figure, 1-three-phase supply, 2-converter power supply isolating switch, 3-bypass supply isolating switch, 4-special converter for pumping unit, 5 intelligent control cards, 6-frequency converter output contactor, 7-frequency converter direct current reactor, 8-ground connection, 9-bypass contactor, 10-bypass electrothermal relay, the output of 11-motor, 12 – motor.
Specific embodiment
The embodiment that carries out installation test below by applicant in August, 2013 on the G04-10-20 rod-pumped well of one ore deposit one team of Shengli Oil Field Gu Dong oil recovery factory is further illustrated.
1, original hole condition
G04-10-20 rod-pumped well is joined walking-beam pumping unit, and motor is the two power threephase asynchronouses of 18.5/11KW double speed, rated voltage 380V.2.2 beats/min of beam-pumping unit jig frequencies, 3 meters of strokes, pump footpath 44mm, pump is hung 1247m, suction inlet degree of depth 1267.36m, dark 1324m in oil reservoir.Beam-pumping unit jig frequency has been adjusted to minimum value, without lowering space.Working fluid level is low, and oil pump degree of filling is low.Sand face pressure is low, and crude oil deaeration is serious, poor fluidity.Oil well daily fluid production rate is low, and ton liquid unit consumption is high.
By reference to the accompanying drawings 1, what this embodiment adopted is 22KW oil pumper special intelligent frequency converter (model is V560-4T0220), configuration intelligent control card (model is APV-F301) and direct current reactor (model is DCL-0050).Formed by the intelligent system take special converter for pumping unit as core and bypath system two parts.Intelligent system comprises special converter for pumping unit 4 intelligent control cards 5 and direct current reactor 7, special converter for pumping unit 4 input and output sides connecting circuit isolating switch 2 and the contactor 6 respectively of intelligent system, bypath system comprises power circuit breaker 3, contactor 9 and electrothermal relay 10.Wherein: and intelligent control card 5 expansion card that is special converter for pumping unit, its hardware is Single Chip Microcomputer (SCM) system, adopts communication modes swap data, without I/O interface with special converter for pumping unit; Direct current reactor 7 is connected with the DC side of special converter for pumping unit.The output of special converter for pumping unit and bypath system, by contactor (6 and 9) electrical interlocks, protect motor, intelligent system and bypath system all to have power circuit breaker 2 and 3 when the electrothermal relay 10 in bypath system moves for bypass.
With reference to accompanying drawing 2, control method according to the aforementioned intelligent controlling system for beam-pumping unit based on optimum jig frequency identification is: the instantaneous power that self detects motor by special converter for pumping unit 4, that every phase voltage instantaneous value that instantaneous power is exported by frequency converter is added repeatedly with the product of the current instantaneous value of corresponding phase and try to achieve, jig frequency energy consumption is divided by and is tried to achieve by the mean value of instantaneous power and running frequency.Control by intelligent control card 5 multi-group data that oil-well motor jig frequency power consumption that frequency converter 4 self studies record changes with jig frequency.And the definite optimum jig frequency identification model of mathematical model changing with jig frequency according to available energy dissipation and ineffective energy consumption in motor power consumption, try to achieve optimum jig frequency corresponding to maximum production fluid amount.Then record motor actual power consumption that optimum jig frequency is corresponding as benchmark power consumption set-point, jig frequency is carried out to Intelligent closed-loop control, the variation of real-time follow-up down-hole fluid supply capacity, thus keep best sand face pressure, production fluid amount is maximized.Due to the time variation of oil well condition, intelligent system is carried out the self study meeting timing of hole condition, to adapt to the variation of hole condition.
The core of the method is to go forward side by side after line number Epidemiological Analysis by the each several part energy consumption modeling to pumping production system, has found the judgment criterion of optimum jig frequency.Optimum jig frequency is corresponding with the minimum limit of bottomhole flowing pressure that oil well flows into equation curve (IPR curve), thereby has realized the control of maximum production fluid amount.
Intelligent control card 5 is controlled special converter for pumping unit 4 and respectively moves at 50Hz, 40Hz, 30Hz, 20Hz the time of setting, and down-hole working fluid level is reached after stable state, records the stable state jig frequency power consumption of oil pumper in the time of these characteristic frequency points operations, is designated as W50, W40, W30, W20.The frequency converter running frequency f that optimum jig frequency is corresponding0can be asked for by the optimum jig frequency identification model of following formula:
f0=10×(4W20-11W30+10W40-3W50)/(W20-3W30+3W40-W50)
Control oil pumper at f0the time chien shih down-hole working fluid level that operation is set reaches after stable state, records corresponding jig frequency power consumption and is benchmark jig frequency power consumption set-point Wf0.Above process has completed the self study process of rod-pumped well.Self study process is by start and start by set date mode trigger first.
Thereafter jig frequency power consumption value is in real time surveyed once at interval for 10 minutes, and with the given power consumption comparison of benchmark, 0.5Hz frequency raises if bigger than normal, the 0.5Hz frequency that reduces less than normal, if quite running frequency is not adjusted, realize the real-Time Tracking Control to down-hole fluid supply capacity, frequency adjustment range is f0± 5Hz.When frequency is adjusted, Wf0also can follow automatic adjustment, to adapt to the real-time fluctuation of minimum limit of bottomhole flowing pressure.
2, test process and result
Installing before this intelligent controlling system for beam-pumping unit, day power consumption, the daily fluid production rate of the oil well to power frequency operation are carried out to record, and adopt oil well integral test system to measure casing pressure and working fluid level.
Install after this intelligent controlling system for beam-pumping unit, by automatic change beam-pumping unit jig frequency, oil well is carried out to hole condition self study, automatic searching up till now optimum frequency converter running frequency is 22.5Hz, corresponding jig frequency is 1 time, after measuring jig frequency power consumption now and follow the tracks of down-hole fluid supply capacity and change automatic adjusting stroke frequency.Under intellectual status, stable operation was carried out survey record to the instrument with same and measuring method to day power consumption, daily fluid production rate, casing pressure and the working fluid level of oil well after three days.
Convert out sand face pressure according to well data, working fluid level and casing pressure, and according to day power consumption, daily fluid production rate calculate a ton liquid power consumption.Test result is as shown in the table.
Oil well condition test result deck watch when power frequency and intelligent operation
Figure BDA0000485504370000091
3, test result evaluation
This intelligent controlling system for beam-pumping unit is by dynamically adjusting motor speed, and good to the inhibition of falling generating operation mode of oil pumper, pumping-unit motor there will not be electric phenomenon, and frequency converter does not need to configure dynamic braking assembly or feedback unit just can reliability service.This technology can reduce equipment investment cost, can improve again electric energy service efficiency.This intelligent controlling system for beam-pumping unit of while adds feedback unit to the harmonic pollution of electrical network than common frequency converter to be reduced greatly.
This intelligent controlling system for beam-pumping unit is realized Based Intelligent Control by the energy consumption Changing Pattern of oil well production.Do not need additional any sensor, self study and autotracking function by self just can be carried out to oil well the Intelligent closed-loop control of automatic optimal, self-adaptation operating mode, optimizing is accurately followed the tracks of in time, it is the intelligent much progress of controlling of oil pumper, not only reduce testing cost, also the stability and the reliability that have improved system, oil well production remains on optimum condition.
Test result shows, the degree of filling of down-hole oil pump raising after intelligent operation, and working fluid level rises, and the working submergence of oil pump improves, and casing pressure reduces explanation crude oil deoxidation minimizing; Sand face pressure returns to more satisfactory state by lower value, and oil well daily fluid production rate raises 17.7% simultaneously, meets IPR production fluid rule; Day, power consumption declined 44.2% with a ton liquid unit consumption, and energy-saving effect is remarkable.
To sum up, this intelligent controlling system for beam-pumping unit is integrated detection, Based Intelligent Control and driving, simple in structure being easy to safeguarded, Based Intelligent Control is respond well, the consumption reduction that increases production and improves productivity is effective, can suppress motor and fall to generate electricity, and performance and price more in the past intelligent frequency-conversion system is improved largely, Installation and Debugging and maintenance are simplified greatly, are adapted at preferably promoting the use of in oil pump energy-saving and intellectualized reconstruction.
This intelligent controlling system for beam-pumping unit did a large amount of test and applications at the oil well of long celebrating oil field, Shengli Oil Field, Daqing oil field and Yanchang Oilfield, the search result of optimum jig frequency is accurate, that repeatedly searches is reproducible, all can adapt to well the oil well of different well ' s conditions, increasing production and saving power successful, pump efficiency and system effectiveness obviously improve.The inhibition of generating electricity is good, and power savings specific energy consumption mode improves 5~10%.

Claims (4)

1. the intelligent controlling system for beam-pumping unit based on optimum jig frequency identification, formed by the intelligent system take special converter for pumping unit as core and bypath system two parts, the special converter for pumping unit input and output side of intelligent system is connecting circuit isolating switch and contactor respectively, bypath system comprises power circuit breaker, contactor and electrothermal relay, it is characterized in that: in intelligent system, also comprise intelligent control card and direct current reactor, and the expansion card that intelligent control card is special converter for pumping unit, its hardware is Single Chip Microcomputer (SCM) system, adopt communication modes swap data with special converter for pumping unit, direct current reactor is connected with the DC side of special converter for pumping unit, the output of special converter for pumping unit and bypath system are by contactor electrical interlocks.
2. according to the control method of the intelligent controlling system for beam-pumping unit based on optimum jig frequency identification described in claims 1, it is characterized in that: the instantaneous power that detects motor by special converter for pumping unit self, that every phase voltage instantaneous value that instantaneous power is exported by frequency converter is added repeatedly with the product of the current instantaneous value of corresponding phase and try to achieve, jig frequency energy consumption is divided by and is tried to achieve by the mean value of instantaneous power and running frequency; The multi-group data that the oil-well motor jig frequency power consumption recording by the self study of Based Intelligent Control card control frequency converter changes with jig frequency; The definite optimum jig frequency identification model of mathematical model changing with jig frequency according to available energy dissipation and ineffective energy consumption in motor power consumption, tries to achieve optimum jig frequency corresponding to maximum production fluid amount; Then record motor actual power consumption that optimum jig frequency is corresponding as benchmark power consumption set-point, jig frequency is carried out to Intelligent closed-loop control, the variation of real-time follow-up down-hole fluid supply capacity, thus keep best sand face pressure, production fluid amount is maximized.
3. according to the control method of the intelligent controlling system for beam-pumping unit based on optimum jig frequency identification described in claims 2, it is characterized in that: Based Intelligent Control card control special converter for pumping unit respectively moves the time of setting at 50Hz, 40Hz, 30Hz, 20Hz, down-hole working fluid level is reached after stable state, record the stable state jig frequency power consumption of oil pumper in the time of these characteristic frequency point operations, be designated as W50, W40, W30, W20, the special converter for pumping unit running frequency f that optimum jig frequency is corresponding0can be asked for by the optimum jig frequency identification model of following formula:
f0=10×(4?W20-11?W30+10?W40-3?W50)/(W20-3?W30+3?W40-W50)
Control oil pumper at f0the time chien shih down-hole working fluid level that operation is set reaches after stable state, records corresponding jig frequency power consumption and is benchmark jig frequency power consumption set-point Wf0.
4. according to the control method of the intelligent controlling system for beam-pumping unit based on optimum jig frequency identification described in claims 3, it is characterized in that: recording benchmark jig frequency power consumption set-point Wf0after at interval of within 5-15 minute, surveying once in real time jig frequency power consumption value, with the given power consumption comparison of benchmark, if 0.5-1.5Hz frequency raises bigger than normal, the 0.5-1.5Hz frequency that reduces less than normal, if quite running frequency is not adjusted, realize the real-Time Tracking Control to down-hole fluid supply capacity, frequency adjustment range is f0± 5Hz.
CN201410129431.8A2014-04-012014-04-01A kind of intelligent controlling system for beam-pumping unit based on optimum jig frequency identification and methodActiveCN103885367B (en)

Priority Applications (1)

Application NumberPriority DateFiling DateTitle
CN201410129431.8ACN103885367B (en)2014-04-012014-04-01A kind of intelligent controlling system for beam-pumping unit based on optimum jig frequency identification and method

Applications Claiming Priority (1)

Application NumberPriority DateFiling DateTitle
CN201410129431.8ACN103885367B (en)2014-04-012014-04-01A kind of intelligent controlling system for beam-pumping unit based on optimum jig frequency identification and method

Publications (2)

Publication NumberPublication Date
CN103885367Atrue CN103885367A (en)2014-06-25
CN103885367B CN103885367B (en)2016-04-06

Family

ID=50954318

Family Applications (1)

Application NumberTitlePriority DateFiling Date
CN201410129431.8AActiveCN103885367B (en)2014-04-012014-04-01A kind of intelligent controlling system for beam-pumping unit based on optimum jig frequency identification and method

Country Status (1)

CountryLink
CN (1)CN103885367B (en)

Cited By (13)

* Cited by examiner, † Cited by third party
Publication numberPriority datePublication dateAssigneeTitle
CN106527123A (en)*2015-09-112017-03-22台达电子工业股份有限公司control method for automatically adjusting frequency of stroke
CN108086965A (en)*2017-12-302018-05-29西安石油大学Oil pumping control system and method based on hydrodynamic face and casing pressure
CN108999599A (en)*2018-09-202018-12-14山东奥卓电气科技发展有限公司A kind of energy-saving control device and its control method of pumping unit
CN109388094A (en)*2017-08-042019-02-26台达电子工业股份有限公司Control system of oil pumping unit
CN109681154A (en)*2018-11-122019-04-26西安艾贝尔科技发展有限公司A kind of oil well optimal control management system, method and oil pumping unit frequency conversion control method
CN111749680A (en)*2020-07-012020-10-09浙江都美电气技术股份有限公司Working fluid level automatic control method, equipment and system
CN112523730A (en)*2019-09-182021-03-19北京国双科技有限公司Pumping unit stroke frequency screening method, machine learning model obtaining method and related device
CN112989686A (en)*2019-12-132021-06-18北京国双科技有限公司Method for constructing pump diameter determination model, and method and device for determining pump diameter
CN113107432A (en)*2021-05-192021-07-13东北大学 A kind of automatic control method of pumping well
CN114109313A (en)*2021-11-152022-03-01西安交通大学 A kind of intelligent control method and system of digital pumping unit based on double step method
CN114645694A (en)*2022-05-232022-06-21山东胜信石油装备有限公司Vertical oil pumping machine capable of automatically adjusting stroke frequency and balancing
CN114718514A (en)*2021-01-062022-07-08中国石油化工股份有限公司Beam-pumping unit direct current bus group control algorithm based on power weighted prediction
CN115263252A (en)*2022-08-162022-11-01厦门钨业股份有限公司 An indirect pumping control method and system for a pumping unit

Citations (6)

* Cited by examiner, † Cited by third party
Publication numberPriority datePublication dateAssigneeTitle
AU2003204732A1 (en)*2003-06-162005-01-06Boart Longyear Co.Continuous feed drilling system
CN2854136Y (en)*2005-11-292007-01-03王洪亮Intelligent benefit-increasing controller of beam-pumping unit
CN201433746Y (en)*2009-05-312010-03-31深圳市四方节能设备有限公司Constant working fluid level control structure of beam pumping unit
CN102865053A (en)*2011-07-042013-01-09中国石油天然气股份有限公司Method and device for judging optimal stroke frequency of oil pumping unit
CN203338050U (en)*2013-06-252013-12-11大庆大华宏业石油工程技术有限公司Variable frequency intelligent control system for oil pumping machine
CN203773281U (en)*2014-04-012014-08-13东营东日电气有限公司Oil pumping machine intelligent control system based on optimum jig frequency identification

Patent Citations (6)

* Cited by examiner, † Cited by third party
Publication numberPriority datePublication dateAssigneeTitle
AU2003204732A1 (en)*2003-06-162005-01-06Boart Longyear Co.Continuous feed drilling system
CN2854136Y (en)*2005-11-292007-01-03王洪亮Intelligent benefit-increasing controller of beam-pumping unit
CN201433746Y (en)*2009-05-312010-03-31深圳市四方节能设备有限公司Constant working fluid level control structure of beam pumping unit
CN102865053A (en)*2011-07-042013-01-09中国石油天然气股份有限公司Method and device for judging optimal stroke frequency of oil pumping unit
CN203338050U (en)*2013-06-252013-12-11大庆大华宏业石油工程技术有限公司Variable frequency intelligent control system for oil pumping machine
CN203773281U (en)*2014-04-012014-08-13东营东日电气有限公司Oil pumping machine intelligent control system based on optimum jig frequency identification

Cited By (21)

* Cited by examiner, † Cited by third party
Publication numberPriority datePublication dateAssigneeTitle
CN106527123A (en)*2015-09-112017-03-22台达电子工业股份有限公司control method for automatically adjusting frequency of stroke
CN106527123B (en)*2015-09-112019-05-10台达电子工业股份有限公司Control method for automatically adjusting frequency of stroke
CN109388094A (en)*2017-08-042019-02-26台达电子工业股份有限公司Control system of oil pumping unit
CN108086965A (en)*2017-12-302018-05-29西安石油大学Oil pumping control system and method based on hydrodynamic face and casing pressure
CN108086965B (en)*2017-12-302023-05-12西安石油大学 Oil pumping control system and method based on dynamic liquid level and casing pressure
CN108999599A (en)*2018-09-202018-12-14山东奥卓电气科技发展有限公司A kind of energy-saving control device and its control method of pumping unit
CN109681154A (en)*2018-11-122019-04-26西安艾贝尔科技发展有限公司A kind of oil well optimal control management system, method and oil pumping unit frequency conversion control method
CN112523730A (en)*2019-09-182021-03-19北京国双科技有限公司Pumping unit stroke frequency screening method, machine learning model obtaining method and related device
CN112989686A (en)*2019-12-132021-06-18北京国双科技有限公司Method for constructing pump diameter determination model, and method and device for determining pump diameter
CN112989686B (en)*2019-12-132023-12-26北京国双科技有限公司Pump diameter determination model construction method, pump diameter determination method and device
CN111749680A (en)*2020-07-012020-10-09浙江都美电气技术股份有限公司Working fluid level automatic control method, equipment and system
CN114718514B (en)*2021-01-062024-05-17中国石油化工股份有限公司 DC bus group control algorithm for oil pumping units based on power weighted prediction
CN114718514A (en)*2021-01-062022-07-08中国石油化工股份有限公司Beam-pumping unit direct current bus group control algorithm based on power weighted prediction
CN113107432B (en)*2021-05-192022-03-25东北大学Automatic control method for oil pumping well
CN113107432A (en)*2021-05-192021-07-13东北大学 A kind of automatic control method of pumping well
CN114109313A (en)*2021-11-152022-03-01西安交通大学 A kind of intelligent control method and system of digital pumping unit based on double step method
CN114109313B (en)*2021-11-152022-09-23西安交通大学Digital oil pumping unit intelligent control method and system based on double stepping method
CN114645694B (en)*2022-05-232022-07-19山东胜信石油装备有限公司Vertical oil pumping machine capable of automatically adjusting stroke frequency and balancing
CN114645694A (en)*2022-05-232022-06-21山东胜信石油装备有限公司Vertical oil pumping machine capable of automatically adjusting stroke frequency and balancing
CN115263252A (en)*2022-08-162022-11-01厦门钨业股份有限公司 An indirect pumping control method and system for a pumping unit
CN115263252B (en)*2022-08-162025-02-28厦门钨业股份有限公司 Intermittent pumping control method and system for oil pumping unit

Also Published As

Publication numberPublication date
CN103885367B (en)2016-04-06

Similar Documents

PublicationPublication DateTitle
CN103885367B (en)A kind of intelligent controlling system for beam-pumping unit based on optimum jig frequency identification and method
CN201307238Y (en)Intelligent detection and control system for rod-pumped wells
MX2007002252A (en)Pump jack apparatus and pumping method.
CN104570991A (en)Indicator diagram-based pumping unit regulation and control method
CN101900153A (en) Energy-saving hydraulic power source driven by permanent magnet servo motor
CN101661282A (en)Wireless intelligent oil engine energy-saving control equipment
CN107237615B (en) An optimal control method for running speed of beam pumping unit based on polished rod load
CN104373120A (en)Control system and control method of logging drilling sidewall coring tool
CN105007022A (en)Frequency-conversing compensating and energy saving control apparatus of oil pumping unit in oil fields
CN203164663U (en)Intelligent protection device for oil extraction equipment
CN108166950B (en)Beam-pumping unit and energy-saving control method for beam-pumping unit
CN204906247U (en)Frequency conversion compensation energy -saving control device of oil field beam -pumping unit
CN101673093A (en)Intelligent variable frequency control system of oil extractor
CN203773281U (en)Oil pumping machine intelligent control system based on optimum jig frequency identification
CN101294484B (en)Oil pumping equipment controlled with single stroke machine pump
CN103982161A (en)Intelligent double-speed oil production control device
CN203879465U (en)Novel energy-saving beam-pumping unit
CN105239966B (en)Method for selecting oil well lifting process
CN203570276U (en)Intermittent oil pumping control system
CN204327064U (en)A kind of four parameter automatic bit feed systems being applied to oil-well rig
CN203261046U (en)Efficiency-enhancing and energy-saving device for oil pumping unit in oil field
CN101169263A (en)Pendulum type balance intelligent control pumping unit
CN103573219B (en)A kind of oil pumper automatic frequency-conversion device and method
Xiangqian et al.Research on intelligent frequency conversion control system of pumping unit with auto-adapted function
CN113296464A (en)Digital visual operation system based on oil field workover machinery operation

Legal Events

DateCodeTitleDescription
C06Publication
PB01Publication
C10Entry into substantive examination
SE01Entry into force of request for substantive examination
C14Grant of patent or utility model
GR01Patent grant

[8]ページ先頭

©2009-2025 Movatter.jp