Movatterモバイル変換


[0]ホーム

URL:


CN103792872A - Monitoring device used for surge protector, surge protector and medical device - Google Patents

Monitoring device used for surge protector, surge protector and medical device
Download PDF

Info

Publication number
CN103792872A
CN103792872ACN201210434605.2ACN201210434605ACN103792872ACN 103792872 ACN103792872 ACN 103792872ACN 201210434605 ACN201210434605 ACN 201210434605ACN 103792872 ACN103792872 ACN 103792872A
Authority
CN
China
Prior art keywords
surge protector
supervising device
power
signal
control unit
Prior art date
Legal status (The legal status is an assumption and is not a legal conclusion. Google has not performed a legal analysis and makes no representation as to the accuracy of the status listed.)
Granted
Application number
CN201210434605.2A
Other languages
Chinese (zh)
Other versions
CN103792872B (en
Inventor
段智军
邱佳萌
Current Assignee (The listed assignees may be inaccurate. Google has not performed a legal analysis and makes no representation or warranty as to the accuracy of the list.)
Siemens Shanghai Medical Equipment Ltd
Original Assignee
Siemens Shanghai Medical Equipment Ltd
Priority date (The priority date is an assumption and is not a legal conclusion. Google has not performed a legal analysis and makes no representation as to the accuracy of the date listed.)
Filing date
Publication date
Application filed by Siemens Shanghai Medical Equipment LtdfiledCriticalSiemens Shanghai Medical Equipment Ltd
Priority to CN201210434605.2ApriorityCriticalpatent/CN103792872B/en
Publication of CN103792872ApublicationCriticalpatent/CN103792872A/en
Application grantedgrantedCritical
Publication of CN103792872BpublicationCriticalpatent/CN103792872B/en
Activelegal-statusCriticalCurrent
Anticipated expirationlegal-statusCritical

Links

Images

Landscapes

Abstract

The application discloses a monitoring device used for a surge protector. The monitoring device includes: at least one acquisition module (2); a microprogram control unit (3) which stores data of an abnormal condition; a power-supply module (1) capable of continuing to supply power to the microprogram control unit after the power failue of the device so as to make the monitoring device have enough time to record an instantaneous state; and an output unit (4). When the device is powered on again, the microprogram control unit (3) performs self-detection on the state of the surge protector when the power failure happens and historical abnormal states of the surge protector so as to perform output signal processing. As long as it is detected that disabler of the protector happens at the last power failure or historical record also records fault information, fault signals are output to the output unit (4). The application also discloses the surge protector which includes the monitoring device, and a medical device.

Description

For supervising device, Surge Protector and the Medical Devices of Surge Protector
Technical field
The present invention relates to a kind of Surge Protector technical field, relate in particular to a kind of supervising device for Surge Protector, a kind of Surge Protector and a kind of Medical Devices that comprise this Surge Protector.
Background technology
Due to short circuit, electrical source exchange, the large-scale reasons such as startup or thunder and lightning of starting, in loop or communication line, may produce suddenly peak current or voltage, i.e. surge.Therefore, Surge Protector is extensively installed in electronic equipment, instrument and meter and communication line, effectively to absorb the huge energy of burst, is avoided surge to produce infringement to equipment.After the impact that is subject to surge, although can provide protection for equipment, Surge Protector self the especially main unit of Surge Protector may burn out.Therefore, as the validity of the Surge Protector of safety convenience instrument, know that in time whether Surge Protector can also work or whether soon lose efficacy is very important, otherwise equipment just may be in losing de-protected precarious position for guaranteeing.
But in reality, the Surge Protector sometimes using has burnt out or has been about to and burn out owing to having experienced moment surge, Surge Protector has been lost defencive function, is still used continuing if do not perceiveed, and result usually causes producing device security accident.Thereby, the state of Surge Protector is carried out to Real-Time Monitoring and be extremely necessary, fully solve that Surge Protector has been lost defencive function but do not awared this problem.
Summary of the invention
In view of this; the embodiment of the present invention has proposed a kind of supervising device for Surge Protector; in order to more reliably the state of Surge Protector is carried out to Real-Time Monitoring; abnomal condition is done to historical record, thereby effectively eliminate that Surge Protector has been lost defencive function but still continuing to use such defect.The embodiment of the present invention also will propose a kind of Surge Protector, in order to eliminate that Surge Protector has been lost defencive function but still continuing to use such defect.The embodiment of the present invention also will propose a kind of Medical Devices that comprise this Surge Protector.
According to one embodiment of the invention, a kind of supervising device for a Surge Protector is provided, comprising:
At least one acquisition module, for gathering the signal of reflection Surge Protector duty;
A microprogram control unit, judges for the signal that acquisition module is gathered, and the data that are judged as abnomal condition are stored, and for record the momentary status of Surge Protector after this supervising device power down;
A power module can continue as microprogram control unit power supply is provided after this supervising device power down, makes microprogram control unit have time enough to record the momentary status of Surge Protector; With
An output unit, for exporting the signal from microprogram control unit;
Wherein, in the time that supervising device powers on again; microprogram control unit can self check the historical record of the instantaneous state of Surge Protector and the abnomal condition of Surge Protector when last power down; and self check on once when power down the instantaneous state of Surge Protector be disabler or historical record while having recorded warning or failure message, output alarm or fault-signal are to output unit.
According to a kind of embodiment, described power module can continue as microprogram control unit after device looses power provides 200ms to be at least preferably the power supply of 300ms.
Alternatively, the signal of described acquisition module collection is at least one in temperature, magnetic, light, infrared ray and electric power.
According to a kind of embodiment, the pick-up transducers of described acquisition module is T-shaped thermopair.
Preferably, microprogram control unit, power module, output unit and the acquisition module except pick-up transducers are integrated in a control printed circuit board (PCB) (PCB).
Alternatively, the data of described abnomal condition and instantaneous state are write a nonvolatile memory by described microprogram control unit.
According to a kind of embodiment, also comprise at least one relay, described microprogram control unit triggers described relay to pass through output unit output signal.
According to another embodiment of the present invention, a kind of Surge Protector is also provided, comprise a main unit, it is characterized in that, also comprise above-mentioned any supervising device.
Alternatively, described supervising device is installed in the housing of Surge Protector.
Alternatively, the part of described supervising device except the pick-up transducers of acquisition module can embed in the control circuit of an equipment.
Alternatively, the main unit of this Surge Protector comprises one or more in voltage dependent resistor (VDR), inhibition diode, gas-discharge tube, discharging gap and power choke coil.
According to further embodiment of this invention, a kind of Medical Devices are provided, comprise a power distribution system, a Surge Protector as above is installed in this power distribution system.
Preferably, described output unit offers warning or fault-signal the control center of Medical Devices.
Preferably, described Medical Devices further comprise a contactor, for disconnect the primary power of Medical Devices according to the warning of output unit or fault-signal.
The supervising device circuit of the embodiment of the present invention is simple, can monitor in real time Surge Protector state, and warning and the fault-signal control center to the equipment of employing Surge Protector is provided automatically.And, the supervising device of the embodiment of the present invention can be recorded in the abnomal condition of the Surge Protector gathering while thering is no power down, and after device looses power, record the momentary status of Surge Protector, simultaneously can be after device looses power preservation state information automatically, when being conducive to equipment and restarting again, according to information recording, the function of Surge Protector is detected automatically, thereby judge whether Surge Protector had lost efficacy or be about to lose efficacy, therefore the embodiment of the present invention can fully be monitored the abnomal condition that Surge Protector at any time occurs, thereby can be safer, realize exactly the defencive function of Surge Protector.
Accompanying drawing explanation
To, by describing the preferred embodiments of the present invention in detail with reference to accompanying drawing, the person of ordinary skill in the art is more clear that above-mentioned and other feature and advantage of the present invention below, in accompanying drawing:
Fig. 1 schematically shows the schematic diagram of the embodiment of the present invention for the supervising device of Surge Protector.
Fig. 2 illustrates the schematic diagram of a kind of embodiment of embodiment of the present invention Surge Protector and supervising device thereof.
Fig. 3 and Fig. 4 are respectively the schematic diagram that two kinds of embodiment of the Surge Protector of the supervising device of the embodiment of the present invention are installed.
Embodiment
For making the object, technical solutions and advantages of the present invention clearer, the present invention is described in more detail by the following examples.
Fig. 1 schematically shows the schematic diagram of the embodiment of the present invention for the supervising device of Surge Protector.As seen from the figure, the supervising device for Surge Protector of the embodiment of the present invention comprises four elementary cells,i.e. power module 1, at least oneacquisition module 2, microprogram control unit (MCU) 3 and an output unit 4.Be equipped with the Surge Protector of the supervising device of the embodiment of the present invention can be installed on various device, such as Medical Devices, communication apparatus etc.
Illustrate function and the operation of each elementary cell below.
Power module 1 for example, can continue as MCU 3 power supply is provided after supervising device power down (equipment power down due to surge of Surge Protector is installed, causes supervising device power down), makes MCU 3 have time enough to record the momentary status of Surge Protector.For example,power module 1 can continue asMCU 3 after power down provides the power supply of at least 200 milliseconds (ms), and the time of power supply can be selected in the scope of 200ms-600ms, is preferably 300ms.
Which kind of signal is at least one in the signals such asacquisition module 2 collecting temperatures, magnetic, light, infrared ray and electric power, specifically adopt to select according to specific needs and design.The pick-up transducers ofacquisition module 2 can sensing the signal of reflection Surge Protector duty, preferred arrangements is in Surge Protector inside.For example, pick-up transducers is selected common T-shaped thermopair, and temperature range is 0-300 ℃.And MCU 3 receives the temperature signal of this thermopair in real time.
MCU 3 is for gathered data are processed and judged, and the data that are judged as abnomal condition are stored.MCU 3 also for recording the momentary status of Surge Protector after this supervising device power down.
More particularly,MCU 3 processes gathered signal, judges, and export real-time status information to gathering the signal coming.For example, establishing the temperature variable collecting is T, in the time of 50 ℃ <T<80 ℃, is judged as the data of abnomal condition, byoutput unit 4 output alarm signals; In the time of T≤50 ℃, be judged as the data of normal condition; And in the time of T >=80 ℃, the data that are judged as abnomal condition have broken down, output alarm or fault-signal simultaneously.For the criterion of gathered signal, can stipulate according to the concrete condition of the position relationship between detected object, the sensor adopting and different components, this is that those skilled in the art are just confirmable by conventional method.
MCU 3 can also carry out data recording;; be recorded in the abnomal condition of the Surge Protector gathering when supervising device does not have power down; for example warning, failure message; and after supervising device power down, record the momentary status of Surge Protector, and these are recorded to write non-volatile memory (the ROM (read-only memory) EPROM of for example erasable programming) and preserve.
In the time that equipment powers on again, MCU 3 can self check the historical record of the instantaneous state of Surge Protector and the abnomal condition of Surge Protector when last power down, thereby carry out output signal processing.For example, for the last power down of equipment, the instantaneous state that self-detection result is Surge Protector is that function did not lose efficacy, andMCU 3 does not export fault-signal so.If after power down last time; no matter whether get rid of high voltage surge fault; while needing only self check to last power down, the instantaneous state of Surge Protector is disabler; or self check has been recorded warning or failure message to historical record; soMCU 3 with regard to output alarm or fault-signal to outputunit 4;output unit 4 is exported from the warning ofMCU 3 or fault-signal; thereby can avoid Surge Protector to lose efficacy but not known; and still continue to use such situation, guarantee to utilize safely and reliably Surge Protector protection equipment.
Output unit 4 is exported from the warning ofMCU 3 and breakdown switch amount signal, for warning.Further,output unit 4 can also provide signal driver external protector simultaneously.For example,output unit 4 can offer signal the control center of equipment.In addition, can also drive a contactor to carry out the primary power of direct off device, to report to the police or to provide reliable safeguard protection to equipment fault in the situation that.
There is following shortcoming in some traditional Surge Protector: 1. duty cannot be monitored in real time; 2. after device looses power, Surge Protector can not record momentary status, and can not record the disablement signal that Surge Protector has produced, thereby in the time that equipment starts again, cannot judge whether to continue use equipment according to history information.
From the above-mentioned description for the supervising device of Surge Protector to the embodiment of the present invention, this supervising device circuit is simple, can monitor in real time Surge Protector state, automatically provides warning and fault-signal to device systems control center.
And, this supervising device can be recorded in the abnomal condition of the Surge Protector gathering while thering is no power down, and after device looses power, record the momentary status of Surge Protector, simultaneously can be after device looses power preservation state information automatically, when being conducive to equipment and restarting again, according to information recording, the function of Surge Protector is detected automatically, judge thus whether Surge Protector had lost efficacy or be about to lose efficacy, therefore the embodiment of the present invention can fully be monitored the abnomal condition that Surge Protector at any time occurs, thereby can be safer, realize exactly the defencive function of Surge Protector.
The supervising device of the embodiment of the present invention and there is the reliably protecting effect that the Surge Protector of this supervising device can play and have great importance for electronic equipment and communication line etc.; such as in field of medical; very high for the safe requirement of transmission of electricity, supervising device of the present invention and Surge Protector are installed can be greatly strengthened equipment safety coefficient.
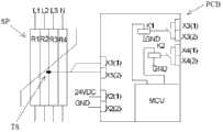
Fig. 2 illustrates the schematic diagram of the embodiment of the present invention for a kind of embodiment of Surge Protector and supervising device thereof.The control printed circuit board (PCB) that the main unit SP that is Surge Protector in illustrated left side is supervising device on illustrated right side.Wherein, the main unit SP of this Surge Protector can comprise one or more in voltage dependent resistor (VDR), inhibition diode, gas-discharge tube, discharging gap and power choke coil.
The SP of main unit shown in figure comprises four voltage dependent resistor (VDR) R1, R2, R3 and R4, and these four voltage dependent resistor (VDR)s are connected to the four line L1, L2, L3 and the N that are connected with three-phase electricity.The function of main unit SP is in the time of circuit input instantaneous pressure or device interior lc circuit generation high pressure, makes high pressure be connected to the earth, avoids high pressure access arrangement, thus protection equipment.In diagram, temperature sensor TS is positioned over to the longitudinal inwall contiguous with R3 of R2, this temperature sensor TS is for example T-shaped thermopair.
Printed circuit board (PCB) is with a MCU.Interface X1(comprises X1 (1) and X1 (2)) be connected thermopair TS and collection signal t; X2(comprises X2 (1) and X2 (2)) be power module; connect 24V direct supply; in the time of equipment and supervising device power down, continue as MCU the power supply that is no less than 300ms is provided; X3 and X4 are output unit; wherein X3(comprises X3 (1) and X3 (2)) report to the police and export for Surge Protector, X4(comprises X4 (1) and X4 (2)) be the output of Surge Protector fault.For example, in the time of 50 ℃ <T<80 ℃, MCU trigger relay K1, by X3 output alarm signal; And in the time of T >=80 ℃, MCU trigger relay K2, exports fault-signal by X4.In addition, X4 can connect one group drive signal to contactor or other topworks to cut off primary power.
In the time of power down or device shutdown; MCU can preserve the up-to-date warning of Surge Protector and error condition automatically; make equipment can carry out the automatic detection to warning and fault-signal to Surge Protector state in the time restarting, avoided continuing to use and cause serious accident after protector inefficacy.For example, in the time being applied to the power distribution system (PDS) of CT, in the time of device start, can be according to information to this power distribution system function self check.
Warning and rub-out signal can inform equipment control center in real time, and the requirement according to equipment to power protection and relevant product standard are carried out fault handling.For example; in the time being applied to the power distribution system of CT; when electrical network produces instantaneous pressure and disconnected while producing reverse instantaneous pressure mutually; this protector can feed back to information CT system in real time; CT system is by the protection of being correlated with according to signal; these information recordings are got off, so that product repairing simultaneously.
Fig. 3 and 4 is respectively the schematic diagram that two kinds of embodiments of the Surge Protector of the supervising device of the embodiment of the present invention are installed, and wherein still carries out exemplary illustration with the Surge Protector of voltage dependent resistor (VDR) form.
As shown in Figure 3, an annex using the control printing board PCB of embodiment of the present invention supervising device as Surge Protector is installed in the housing of Surge Protector, thereby monitoring function is embedded into the inside of Surge Protector.
Fig. 4 illustrates the another kind of collocation form of embodiment of the present invention supervising device.In this collocation form; Surge Protector provides signal (for example temperature) output interface X1(to comprise X1 (1) and X1 (2)); the control circuit the inside that the function (part except the pick-up transducers of acquisition module of described supervising device) of controlling printing board PCB is embedded to an equipment, wherein this equipment is provided with above-mentioned surge ripple protector.
Although Surge Protector is explanation acquisition module as an example of voltage dependent resistor (VDR) example in the illustrated embodiment of Fig. 2-4, those skilled in the art should know, and adopt other acquisition module to gather the signals such as magnetic, light, infrared ray, electric power.
The embodiment of the present invention also provides a kind of Medical Devices, such as CT equipment, MRI equipment or X-ray machine etc.This Medical Devices comprise a power distribution system, and a Surge Protector as above is installed in this power distribution system.
As mentioned above, theoutput unit 4 of supervising device can will be reported to the police or fault-signal offers the control center of Medical Devices.
Medical Devices can further include a contactor, for disconnect the primary power of Medical Devices according to the warning ofoutput unit 4 or fault-signal.
Above to the supervising device for Surge Protector of the present invention and adopt the preferred implementation of the Surge Protector of this supervising device to be illustrated; as mentioned above; specific features for supervising device of the present invention and Surge Protector can carry out specific design according to the effect of the feature of above-mentioned disclosure as shape, size, and these designs are all that those skilled in the art can realize.In addition, those skilled in the art can also combine and change the feature of the various embodiments of above-mentioned disclosure, are as the criterion with the object that realizes the present invention.
The application discloses a kind of supervising device for Surge Protector, comprising: at least one acquisition module; A microprogram control unit, to the data processing and the judgement that gather, to the data storage of abnomal condition; Power module of power-supply system can continue as microprogram control unit power supply is provided, so that it has time enough to record momentary status after device powers down power down; With an output unit.Microprogram control unit carries out data recording,, is recorded in the abnomal condition gathering while thering is no power down that is, records the momentary status of Surge Protector after device looses power, and these records are write to EPROM preservation.In the time that equipment powers on again; the state of Surge Protector and the historical abnomal condition of Surge Protector when the last power down of microprogram control unit self check; thereby carry out output signal processing; protector disabler when as long as the last last power-off power down is arrived in self check; or historical record has recorded failure message, so just export fault-signal to output unit.Disclosed herein as well is a kind of Surge Protector and a kind of Medical Devices that comprise described supervising device.
The foregoing is only preferred embodiment of the present invention, in order to limit the present invention, within the spirit and principles in the present invention not all, any modification of doing, be equal to replacement, improvement etc., within all should being included in protection scope of the present invention.

Claims (12)

CN201210434605.2A2012-11-022012-11-02For the supervising device of Surge Protector, Surge Protector and armariumActiveCN103792872B (en)

Priority Applications (1)

Application NumberPriority DateFiling DateTitle
CN201210434605.2ACN103792872B (en)2012-11-022012-11-02For the supervising device of Surge Protector, Surge Protector and armarium

Applications Claiming Priority (1)

Application NumberPriority DateFiling DateTitle
CN201210434605.2ACN103792872B (en)2012-11-022012-11-02For the supervising device of Surge Protector, Surge Protector and armarium

Publications (2)

Publication NumberPublication Date
CN103792872Atrue CN103792872A (en)2014-05-14
CN103792872B CN103792872B (en)2017-03-08

Family

ID=50668663

Family Applications (1)

Application NumberTitlePriority DateFiling Date
CN201210434605.2AActiveCN103792872B (en)2012-11-022012-11-02For the supervising device of Surge Protector, Surge Protector and armarium

Country Status (1)

CountryLink
CN (1)CN103792872B (en)

Cited By (4)

* Cited by examiner, † Cited by third party
Publication numberPriority datePublication dateAssigneeTitle
CN105549510A (en)*2015-12-312016-05-04天津鑫源达泰建筑工程有限公司Monitoring system of surge protection device
WO2018114202A1 (en)*2016-12-202018-06-28Siemens AktiengesellschaftArrangement and method for monitoring the state of a surge arrester
CN109917218A (en)*2019-04-302019-06-21深圳开立生物医疗科技股份有限公司Power-on and power-off test macro, method and the electrical equipment of electrical equipment
CN110301822A (en)*2018-03-272019-10-08佛山市顺德区美的饮水机制造有限公司Water dispenser and its fault detection method and device

Citations (6)

* Cited by examiner, † Cited by third party
Publication numberPriority datePublication dateAssigneeTitle
EP1022837A2 (en)*1999-01-222000-07-26Zymax International LimitedSurge protector
CN200941243Y (en)*2005-12-232007-08-29广西地凯科技有限公司Radio remote monitoring system
CN101064430A (en)*2007-05-082007-10-31桂林工学院Intelligent power arrester
CN101102041A (en)*2006-07-072008-01-09王勇 Surge protector with self-monitoring function
CN201887465U (en)*2010-12-222011-06-29上海雷迅防雷技术有限公司Intelligent surge protector with line monitoring function
CN202050230U (en)*2010-12-292011-11-23孙巍巍Surge protector with monitoring function

Patent Citations (6)

* Cited by examiner, † Cited by third party
Publication numberPriority datePublication dateAssigneeTitle
EP1022837A2 (en)*1999-01-222000-07-26Zymax International LimitedSurge protector
CN200941243Y (en)*2005-12-232007-08-29广西地凯科技有限公司Radio remote monitoring system
CN101102041A (en)*2006-07-072008-01-09王勇 Surge protector with self-monitoring function
CN101064430A (en)*2007-05-082007-10-31桂林工学院Intelligent power arrester
CN201887465U (en)*2010-12-222011-06-29上海雷迅防雷技术有限公司Intelligent surge protector with line monitoring function
CN202050230U (en)*2010-12-292011-11-23孙巍巍Surge protector with monitoring function

Cited By (4)

* Cited by examiner, † Cited by third party
Publication numberPriority datePublication dateAssigneeTitle
CN105549510A (en)*2015-12-312016-05-04天津鑫源达泰建筑工程有限公司Monitoring system of surge protection device
WO2018114202A1 (en)*2016-12-202018-06-28Siemens AktiengesellschaftArrangement and method for monitoring the state of a surge arrester
CN110301822A (en)*2018-03-272019-10-08佛山市顺德区美的饮水机制造有限公司Water dispenser and its fault detection method and device
CN109917218A (en)*2019-04-302019-06-21深圳开立生物医疗科技股份有限公司Power-on and power-off test macro, method and the electrical equipment of electrical equipment

Also Published As

Publication numberPublication date
CN103792872B (en)2017-03-08

Similar Documents

PublicationPublication DateTitle
KR102538374B1 (en)Apparatus and Method for Auto Re-Closing of Control Box of Electric Vehicle Charging Cable
CN104810924B (en)Intelligent substation circuit redundancy protecting networking mode implementation method
CN103792872A (en)Monitoring device used for surge protector, surge protector and medical device
CN104392757A (en)DCS for nuclear power station
CN109167342A (en)Lightning protection monitoring device
KR101332304B1 (en)surge protecting system for energy storage apparatus and method therefor
CN111948575A (en)Current transformer secondary side neutral line disconnection detection method and device
CN105549510A (en)Monitoring system of surge protection device
CN104269811B (en)A kind of system for being used for electric power protection and fire-fighting
CN105375436A (en)Automatic cutoff protection apparatus and method for overtime operation of neutral-point resistor cabinet
CN106813342B (en)Control method of infrared humidifying device and infrared humidifying device
CN210327005U (en)Leading protection device of voltage transformer
CN114720902A (en)Direct-current power supply fault rapid isolation system for transformer substation
CN106329464A (en)Breaker with fault distinguish indication
CN110021884A (en)Prevent high-tension switch cabinet from burning the device of cabinet
CN111525690A (en)Intelligent system capable of monitoring and controlling power grid state in real time
CN223363903U (en) A UPS remote monitoring system
CN104464783A (en)Car-mounted memory card interface short-circuit protection device
CN110211320A (en)High-tension cable ground line anti-theft device and method based on induced voltage principle
CN222928301U (en)DC brushless motor system
CN222016187U (en) Lead wire protection device
CN219204081U (en)Alarm circuit and device of generator
CN110021883A (en)Prevent high-tension switch cabinet from burning the method for cabinet
CN108173466A (en)A kind of motor drive control method and its system
CN204517367U (en)A kind of surge protector supervising device

Legal Events

DateCodeTitleDescription
C06Publication
PB01Publication
C10Entry into substantive examination
SE01Entry into force of request for substantive examination
C14Grant of patent or utility model
GR01Patent grant

[8]ページ先頭

©2009-2025 Movatter.jp