Movatterモバイル変換


[0]ホーム

URL:


CN103630862A - Non-standard square coil for magnetic field immunity test and calibrating method and calibrating system of non-standard square coil - Google Patents

Non-standard square coil for magnetic field immunity test and calibrating method and calibrating system of non-standard square coil
Download PDF

Info

Publication number
CN103630862A
CN103630862ACN201310590736.4ACN201310590736ACN103630862ACN 103630862 ACN103630862 ACN 103630862ACN 201310590736 ACN201310590736 ACN 201310590736ACN 103630862 ACN103630862 ACN 103630862A
Authority
CN
China
Prior art keywords
magnetic field
calibration
standard square
square coil
coil
Prior art date
Legal status (The legal status is an assumption and is not a legal conclusion. Google has not performed a legal analysis and makes no representation as to the accuracy of the status listed.)
Pending
Application number
CN201310590736.4A
Other languages
Chinese (zh)
Inventor
刘易勇
冯建强
吴玲
姜楠
Current Assignee (The listed assignees may be inaccurate. Google has not performed a legal analysis and makes no representation or warranty as to the accuracy of the list.)
China XD Electric Co Ltd
Xian High Voltage Apparatus Research Institute Co Ltd
Original Assignee
China XD Electric Co Ltd
Xian High Voltage Apparatus Research Institute Co Ltd
Priority date (The priority date is an assumption and is not a legal conclusion. Google has not performed a legal analysis and makes no representation as to the accuracy of the date listed.)
Filing date
Publication date
Application filed by China XD Electric Co Ltd, Xian High Voltage Apparatus Research Institute Co LtdfiledCriticalChina XD Electric Co Ltd
Priority to CN201310590736.4ApriorityCriticalpatent/CN103630862A/en
Publication of CN103630862ApublicationCriticalpatent/CN103630862A/en
Pendinglegal-statusCriticalCurrent

Links

Images

Landscapes

Abstract

Translated fromChinese

本发明的目的在于提供一种磁场抗扰度试验的非标准方形线圈,能够满足高压电器实现“浸入法”的校准要求和操作要求,同时还提供对其进行校准的校准方法和校准系统。其校准系统包括磁场产生回路,以及电流监测回路和/或磁场检测回路;其校准方法包括对非标准方形线圈的线圈因数的校准步骤;对非标准方形线圈的磁场均匀域的校准步骤;对非标准方形线圈的最大馈入电流的校准步骤;其非标准方形线圈,采用3匝边长为3米的铜芯线缆,由所述的校准方法校准合格。通过不同回路的设置和组合得到的校准系统,利用校准方法实现了对非标准方形线圈关键参数的校准和评价,尤其是能够客观的反应非标准方形线圈线圈因数和磁场均匀域,填补了行业的空白。

Figure 201310590736

The purpose of the present invention is to provide a non-standard square coil for magnetic field immunity test, which can meet the calibration requirements and operation requirements of high-voltage electrical appliances to realize the "immersion method", and also provide a calibration method and a calibration system for calibrating it. Its calibration system includes a magnetic field generation circuit, and a current monitoring circuit and/or a magnetic field detection circuit; its calibration method includes a calibration step for the coil factor of a non-standard square coil; a calibration step for a uniform magnetic field of a non-standard square coil; Calibration steps for the maximum feeding current of the standard square coil; the non-standard square coil uses a copper core cable with 3 turns and a side length of 3 meters, and is qualified by the calibration method described. The calibration system obtained through the setting and combination of different loops uses the calibration method to realize the calibration and evaluation of the key parameters of non-standard square coils, especially the ability to objectively reflect the coil factor and magnetic field uniformity of non-standard square coils, filling the gap in the industry blank.

Figure 201310590736

Description

The non-standard square coil of magnetic field immunity experiment and calibration steps and calibration system
Technical field
The present invention relates to EMC test technical field, when particularly High-Voltage Electrical Appliances are tested, the non-standard square coil of magnetic field immunity experiment and calibration steps and calibration system.
Background technology
Magnetic field immunity experiment is one of main contents of High-Voltage Electrical Appliances (especially intelligent high-pressure equipment) EMC test project, and EMC test has been included national compulsory authentication category in.Magnetic field generator (comprising power frequency magnetic field generator, pulsed magnetic generator and damped oscillation magnetic field generator) is the main standard device of implementing magnetic field immunity experiment, the coil of this standard configuration is all that the length of side is the square coil of a meter both at home and abroad at present, is called standard coil.In standard coil efficiency test region for long * wide * high≤0.6 meter * 0.6 meter * 0.5 meter, that but the High-Voltage Electrical Appliances physical dimension that comprises high-tension switch gear and electronic mutual inductor etc. is generally is long * wide * high=and 1.8 meters * 1.8 meters * 2.0 meters, therefore standard coil cannot carry out magnetic field immunity experiment to High-Voltage Electrical Appliances by " immersed method ", and " the type approval test method of the immersed method ”Shi world and the unique approval of national standard.
This just need to manufacture and design the off-gauge large-scale square coil that is applicable to High-Voltage Electrical Appliances, and coil is calibrated, then designs or select the current feedback circuit of coupling, and combination is met the magnetic field immunity to interference system of High-Voltage Electrical Appliances special requirement.But in prior art, the calibration steps to non-standard square coil not, especially calibration steps and the calibration system to two important parameters in the even territory of the coil factor except maximum feed-in electric current and magnetic field, cannot guarantee the accuracy of the calibration of non-coil, also make follow-up test accuracy greatly reduce, even cannot carry out, so in prior art, not adopt non-standard square coil, by " immersed method ", High-Voltage Electrical Appliances are carried out to magnetic field immunity experiment.
Summary of the invention
The object of the present invention is to provide the non-standard square coil of a kind of magnetic field immunity experiment, can meet alignment requirements and operation requirements that High-Voltage Electrical Appliances are realized " immersed method ", calibration steps and calibration system that it is calibrated are also provided simultaneously.
The present invention is achieved through the following technical solutions:
The calibration system of the non-standard square coil of magnetic field provided by the invention immunity experiment, comprises generation loop, magnetic field, and current monitoring loop and/or magnetic field detection loop; Described generation loop, magnetic field comprises current feedback circuit, and for being connected in series the connecting line of current feedback circuit and non-standard square coil; Described current monitoring loop comprises the current probe being arranged on current feedback circuit outgoing side output terminal connecting line, and the oscillograph that is connected with current probe output terminal of input end; Described magnetic field detection loop comprises the magnet field probe being arranged in the field region that non-standard square coil forms, and the magnetic field receiving trap that is connected with magnet field probe output terminal of input end.
Preferably, also comprise computing machine and be arranged on the self-checking device in computing machine; Computing machine is connected with the calibration device that comprises current feedback circuit and oscillograph and/or magnetic field receiving trap by programmed bus respectively.
Further, described self-checking device comprises the input media for setting program and calibration parameter, for selecting to calibrate the program matching device of flow process, for controlling the presetting apparatus of calibration device, for reading the data fetch device of calibration device raw data, for the data processing equipment that raw data carried out to computing and carried out accordance contrast with calibration parameter according to program setting, for the calibration output unit that raw data and comparing result are exported.
The calibration steps of the non-standard square coil of magnetic field provided by the invention immunity experiment, the calibration system based on described in any one scheme in above technical scheme, comprises the steps,
Calibration steps to the coil factor of non-standard square coil; Selection comprises the calibration system in generation loop, magnetic field and current monitoring loop and magnetic field detection loop, by generation loop, magnetic field to non-standard square coil feed-in electric current and produce magnetic field,oscillograph 7 in current monitoring loop obtains the electric current I on non-standard square coil, magneticfield receiving trap 9 in magnetic field detection loop obtains the magnetic field intensity H in non-standard square coil, obtains the coil factor CF of non-standard square coil according to formula CF=H/I;
Calibration steps to the even territory, magnetic field of non-standard square coil;
Calibration steps to the maximum feed-in electric current of non-standard square coil.
Preferably, calibration steps to the coil factor of non-standard square coil, the current feedback circuit input power current in generation loop, magnetic field is calibrated respectively under a plurality of magnetic field intensity grades, under each magnetic field intensity grade, get a plurality of calibration values, average and obtain the calibration value of coil factor.
Further, magnetic field intensity grade comprises 10A/m, 30A/m, 100A/m, 300A/m and five grades of 1000A/m, at least 10 calibration values of calibration under each magnetic field intensity grade.
Further, calibration steps to the even territory, magnetic field of non-standard square coil comprises, electric current under non-standard square coil difference feed-in different magnetic field strength grade, take non-standard square coil plane geometry center is reference point, determine the field region of non-standard be no more than ± 3dB of square coil internal magnetic field intensity, choose the calibration point in field region, each calibration point is averaged after repeatedly calibrating as the magnetic field intensity of this point, obtains the calibration value in even territory, magnetic field by contrast between calibration point magnetic field intensity.
Further again, calibration point comprises non-standard square coil plane geometry central point, and the calibration point in even territory, at least 12 non-standard square coil magnetic field, at least 10 values of each calibration point calibration.
Preferably, the calibration steps of the maximum feed-in electric current of non-standard square coil is comprised, power current effective value when calibration produces 1000A/m power frequency magnetic field, and/or calibrate the pulse current value while producing 1000A/m pulsed magnetic field.
The non-standard square coil of magnetic field provided by the invention immunity experiment, adopts copper core cable, and the length of side is 3 meters, and the number of turn is 3 circles, qualified by the calibration steps calibration described in above any one technical scheme.
Compared with prior art, the present invention has following useful technique effect:
Calibration system of the present invention has realized the calibration of non-standard square coil key parameter and evaluation by setting and the combination of different circuit, especially can objectively react the even territory of non-standard square coil coil factor and magnetic field, fill up the blank of industry, for the calibration of non-standard square coil provides, detected basis.
Further, by the self-checking device being connected with calibration device respectively in computing machine, realization is to the input of program, selection and control, and automatically completing the collection of data, processing and output, avoided the stochastic error that also repeatedly regulates calibration device to introduce because of hand computation, improve work efficiency, simplified process of the test and operation, guaranteed calibrating quality.
Calibration steps of the present invention, by the calibration to coil factor, even territory, magnetic field and maximum feed-in electric current respectively, thereby whether the non-standard square coil of objective appraisal can be used in the immunity experiment in High-Voltage Electrical Appliances magnetic field comprehensively, avoided the deviation of bringing after only calibrating by maximum feed-in electric current.
Further, the calibration steps by averaging after repeatedly calibrating under different magnetic field strength grade, can reduce the impact of test error on result, obtains more accurately the calibration value of coil factor; And utilize the division of concrete scope, guaranteed the comprehensive coverage of test, and rational data operation quantity, when guaranteeing precision, guaranteed test efficiency.
Further, according to the requirement of test standard, determine the calibration steps in even territory, magnetic field, with the field region of ± 3dB, be limited, by multiple spot, calibrated the step being averaged respectively, realized the accurate calibration to even territory, magnetic field.And utilize the division of concrete scope and the selection of calibration point, make can reflect by the calibration of limited calibration point the calibration situation in the even territory of global magnetic field.
Further, power current effective value while needing calibration to produce 1000A/m magnetic field by test standard requirement, pulse current value during 1000A/m pulsed magnetic field, has also just met the latter as long as meet the former, therefore can only to the former, calibrate, dirigibility and the adaptability of test are large.
The non-standard square coil of the present invention, the fan-out capability of the current feedback circuit being mated requires low, and coil weight is light, and current-carrying is stable, and with low cost, processing and fabricating is simple.
Accompanying drawing explanation
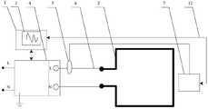
Fig. 1 is the structure connection layout of the maximum feed-in electric current of embodiment of the present invention alignment system calibration.
Fig. 2 is the structure connection layout of embodiment of the present invention alignment system calibration coil factor calibration.
Fig. 3 is the structure connection layout of embodiment of the present invention alignment system calibration magnetic field even territory calibration; Wherein a is calibration wiring diagram, and b is calibration point distribution plan.
Fig. 4 is the structure connection layout of the maximum feed-in electric current of embodiment of the present invention alignment system automatic calibration.
Fig. 5 is the structure connection layout in embodiment of the present invention alignment system automatic calibration coil factor and/or even territory, magnetic field.
Fig. 6 is the structural representation of non-standard square coil in the embodiment of the present invention.
In figure: 1 is computing machine, 2 is non-standard square coil, and 3 is self-checking device, and 4 is current feedback circuit, 5 is current probe, and 6 is connecting line, and 7 is oscillograph, and 8 is magnet field probe, 9 is magnetic field receiving trap, and 10 is frontier point, point centered by 11, and 12 is programmed bus.
Embodiment
Below in conjunction with specific embodiment, the present invention is described in further detail, and the explanation of the invention is not limited.
The calibration system of the non-standard square coil of magnetic field of the present invention immunity experiment, comprises generation loop, magnetic field, and current monitoring loop and/or magnetic field detection loop; Described generation loop, magnetic field comprisescurrent feedback circuit 4, and for being connected in series the connectingline 6 ofcurrent feedback circuit 4 andnon-standard square coil 2; Described current monitoring loop comprises thecurrent probe 5 being arranged oncurrent feedback circuit 4 outgoing side outputterminal connecting lines 6, and theoscillograph 7 that is connected withcurrent probe 5 output terminals of input end; Described magnetic field detection loop comprises themagnet field probe 8 being arranged in the field region that non-standardsquare coil 2 forms, and the magneticfield receiving trap 9 that is connected withmagnet field probe 8 output terminals of input end.Wherein, connecting line preferably adopts twisted-pair feeder or the concentric cable that is no more than 3 meters.
In this preferred embodiment, in order to realize automatic calibration, also comprisecomputing machine 1 and be arranged on the self-checkingdevice 3 incomputing machine 1;Computing machine 1 is connected with the calibration device that comprisescurrent feedback circuit 4 andoscillograph 7 and/or magneticfield receiving trap 9 by programmedbus 12 respectively.Wherein, self-checking device 3 comprises for setting the input media of calibration process program and calibration parameter, for selecting to calibrate the program matching device of flow process, for controlling the presetting apparatus of calibration device, for reading the data fetch device of calibration device raw data, for the data processing equipment that raw data is carried out to computing and carried out accordance contrast with calibration parameter according to calibration flow process program setting, for the calibration output unit that raw data and comparing result are exported.
Wherein, by input media, the needed various parameters of calibration can be set, comprise the standard of power current generator parameter, oscillograph parameter, calibrating element parameter (as current probe, magnet field probe etc.), calibration institute foundation etc.
Pass through presetting apparatus, can realize the programmed control to calibration device, and can the compatible same quasi-instrument of main flow both at home and abroad, comprise that control bus storehouse (compatible bus has RS-232, GPIB, USB and LAN etc.), oscillograph Driver Library (polytype oscillograph such as compatible Agilent, Tektronics and Lecroy), power current generator Driver Library products such as () compatible Switzerland TESEQ, Switzerland EM TEST, distant places, Ling Shi, Hangzhou, Shanghai, instrument exchange and control (adopting IVI-COM software engineering to realize the exchange of above-mentioned instrument); And the control to programmable instrument.
By program matching device, realization is to the selection of calibration process correlated activation and configuration, comprise that (selection adopts the calibration circuit shown in Fig. 4 or Fig. 5 to calibration line configuring, and dispose related parameter), the configuration (startup calibration process, completes calibration activities) of calibration flow process configuration (as current class or magnetic field grade and the calibration sequence of needs calibration) and calibration process.
By data fetch device, data processing equipment and calibration output unit, realization is processed according to calibration process program the data that obtain in calibration process, to the magnet field probe extracting and oscillograph data, according to related standards, carry out accordance comparison, finally formation meets raw readings or the form of specific format requirement and exports.
The calibration steps of the non-standard square coil of magnetic field of the present invention immunity experiment, the calibration system based on described in above preferred embodiment describes, comprises the steps,
Calibration steps to the coil factor of non-standard square coil; Selection comprises the calibration system in generation loop, magnetic field and current monitoring loop and magnetic field detection loop, by generation loop, magnetic field to non-standard square coil feed-in electric current and produce magnetic field,oscillograph 7 in current monitoring loop obtains the electric current I on non-standard square coil, magneticfield receiving trap 9 in magnetic field detection loop obtains the magnetic field intensity H in non-standard square coil, obtains the coil factor CF of non-standard square coil according to formula CF=H/I; Wherein, the m of coil factor unit-1, the A/m of magnetic field intensity unit, chemic A.Calibration steps to the even territory, magnetic field of non-standard square coil.Calibration steps to the maximum feed-in electric current of non-standard square coil.
Wherein, calibration steps to the coil factor of non-standard square coil, thecurrent feedback circuit 4 input power currents in generation loop, magnetic field are calibrated respectively under a plurality of magnetic field intensity grades, under each magnetic field intensity grade, get a plurality of calibration values, average and obtain the calibration value of coil factor.Magnetic field intensity grade comprises 10A/m, 30A/m, 100A/m, 300A/m and five grades of 1000A/m, at least 10 calibration values of calibration under each magnetic field intensity grade.
Calibration steps to the even territory, magnetic field of non-standard square coil comprises, electric current under non-standard square coil difference feed-in different magnetic field strength grade, take non-standard square coil plane geometry center is reference point, determine the field region of non-standard be no more than ± 3dB of square coil internal magnetic field intensity, choose the calibration point in field region, each calibration point is averaged after repeatedly calibrating as the magnetic field intensity of this point, obtains the calibration value in even territory, magnetic field by contrast between calibration point magnetic field intensity.As figure calibration point comprises non-standard square coil plane geometry central point, and the calibration point in even territory, at least 12 non-standard square coil magnetic field, at least 10 values of each calibration point calibration.
Calibration steps to the maximum feed-in electric current of non-standard square coil comprises, power current effective value when calibration produces 1000A/m power frequency magnetic field, and/or calibrate the pulse current value while producing 1000A/m pulsed magnetic field.
Concrete, as shown in Figure 1, to maximum feed-in correcting current, configuration generation loop, magnetic field and current monitoring loop, the current class ofcurrent feedback circuit 4 is set, fromoscillograph 7, read the voltage parameter monitoring, be multiplied by the no-load voltage ratio ofcurrent probe 5, obtain the maximum feed-in electric current in actualnon-standard square coil 2.
As shown in Figure 2, to the calibration of coil factor, configuration generation loop, magnetic field and current monitoring loop and magnetic field detection loop, draw field strength values H by magneticfield receiving trap 9, byoscillograph 7 read current I, according to formula CF=H/I, obtain the coil factor CF of non-standard square coil.Current feedback circuit 4 input power currents in generation loop, magnetic field, a plurality of magnetic field intensity grades under calibrate respectively, comprising 10 calibration values under 10A/m, 30A/m, 100A/m, 300A/m and five magnetic field intensity grades of 1000A/m, average and obtain the calibration value of coil factor.
As shown in Figure 3 a, to magnetic field even territory calibration, configuration generation loop, magnetic field and magnetic field detection loop, current monitoring loop as required selectivity configures, and obtains the field strength values of each calibration point by magneticfield receiving trap 9; As shown in Figure 3 b, whenmagnet field probe 8 is arranged, except central point as areference point 11, also need to detect 12 calibration points in even territory, magnetic field, this preferred embodiment take A-L totally 12 frontier points that are positioned at even territory, magnetic field calibrate as example, shown in figure for a cubical summit in non-standard square coil be positioned at the sideline mid point of coil plane, each calibration point duplicatedetection 10 times, and using mean value as the magnetic field intensity of this point, do homogeneity judgement.
The non-standard square coil of magnetic field of the present invention immunity experiment, adopts copper core cable, and the length of side is 3 meters, and the number of turn is 3 circles, qualified by above-described calibration steps calibration.
Wherein, grow * wide * height of maximum physical dimension according to High-Voltage Electrical Appliances magnetic field immunity to interference test product=1.8 meters * 1.8 meters * 2.0 meters, again according to the characteristic distributions of coil internal magnetic field, meeting under the condition of 3dB principle, the non-standard square coil length of side is 3 meters, single turn square coil for 3 meters of length of sides, according to Distribution of Magnetic Field theory, calculate, its CF is about 0.3, as produce 1000A/m power frequency magnetic field or the 1000A/m pulsed magnetic field of standard code, need the power current of about 3400Arms or the pulse current of 3400A, this fan-out capability tocurrent feedback circuit 4 requires very high, nor be beneficial to the cost of controllingcurrent feedback circuit 4, therefore adopt multiturn coil to reduce the output power of generator, for balancing coil weight and the requirement of generator output current, be designed to three circles.According to getting optimal value under the restriction of current-carrying and weight, calculate, select the copper core cable of 70mm2.

Claims (10)

Translated fromChinese
1.磁场抗扰度试验的非标准方形线圈的校准系统,其特征在于,包括磁场产生回路,以及电流监测回路和/或磁场检测回路;所述的磁场产生回路包括电流发生器(4),以及用于串接电流发生器(4)与非标准方形线圈(2)的连接线(6);所述的电流监测回路包括设置在电流发生器(4)输出侧输出端连接线(6)上的电流探头(5),以及输入端与电流探头(5)输出端连接的示波器(7);所述的磁场检测回路包括设置在非标准方形线圈(2)形成的磁场区域内的磁场探头(8),以及输入端与磁场探头(8)输出端连接的磁场接收装置(9)。1. The calibration system of the non-standard square coil for the magnetic field immunity test is characterized in that it includes a magnetic field generation circuit, and a current monitoring circuit and/or a magnetic field detection circuit; the magnetic field generation circuit includes a current generator (4), And the connection wire (6) used to connect the current generator (4) and the non-standard square coil (2) in series; the current monitoring circuit includes the connection wire (6) set at the output end of the current generator (4) output side The current probe (5) on the top, and the oscilloscope (7) whose input end is connected to the output end of the current probe (5); the magnetic field detection circuit includes a magnetic field probe set in the magnetic field area formed by the non-standard square coil (2) (8), and a magnetic field receiving device (9) whose input end is connected to the output end of the magnetic field probe (8).2.根据权利要求1所述的磁场抗扰度试验的非标准方形线圈的校准系统,其特征在于,还包括计算机(1)以及设置在计算机(1)内的自动校准装置(3);计算机(1)分别通过程控总线(12)与包括电流发生器(4)以及示波器(7)和/或磁场接收装置(9)的校准器件连接。2. The calibration system of non-standard square coils for magnetic field immunity test according to claim 1, characterized in that it also includes a computer (1) and an automatic calibration device (3) installed in the computer (1); the computer (1) Connect with the calibration devices including the current generator (4), oscilloscope (7) and/or magnetic field receiving device (9) respectively through the program control bus (12).3.根据权利要求2所述的磁场抗扰度试验的非标准方形线圈的校准系统,其特征在于,所述的自动校准装置(3)包括用于设定程序和校准参数的输入装置,用于选择校准流程的程序选配装置,用于控制校准器件的程序控制装置,用于读取校准器件原始数据的数据读取装置,用于根据程序设定将原始数据进行运算并与校准参数进行符合性对比的数据处理装置,用于将原始数据和对比结果进行输出的校准输出装置。3. The calibration system of non-standard square coils for magnetic field immunity test according to claim 2, characterized in that, the automatic calibration device (3) includes an input device for setting programs and calibration parameters, which can be used to The program matching device for selecting the calibration process, the program control device for controlling the calibration device, the data reading device for reading the original data of the calibration device, and the calculation of the original data according to the program setting and the calibration parameters The data processing device for compliance comparison is a calibration output device for outputting original data and comparison results.4.磁场抗扰度试验的非标准方形线圈的校准方法,其特征在于,基于权利要求1-3中任意一项所述的校准系统,包括如下步骤,4. the calibration method of the non-standard square coil of magnetic field immunity test, it is characterized in that, based on the calibration system described in any one of claim 1-3, comprises the steps,对非标准方形线圈的线圈因数的校准步骤;选择包括磁场产生回路以及电流监测回路和磁场检测回路的校准系统,由磁场产生回路向非标准方形线圈馈入电流并产生磁场,由电流监测回路中的示波器(7)得到非标准方形线圈上的电流I,由磁场检测回路中的磁场接收装置(9)得到非标准方形线圈内的磁场强度H,根据公式CF=H/I得到非标准方形线圈的线圈因数CF;Calibration steps for the coil factor of non-standard square coils; select a calibration system including a magnetic field generation circuit, a current monitoring circuit, and a magnetic field detection circuit. The magnetic field generation circuit feeds current to the non-standard square coil and generates a magnetic field, and the current monitoring circuit The oscilloscope (7) obtained the current I on the non-standard square coil, the magnetic field strength H in the non-standard square coil was obtained by the magnetic field receiving device (9) in the magnetic field detection circuit, and the non-standard square coil was obtained according to the formula CF=H/I The coil factor CF;对非标准方形线圈的磁场均匀域的校准步骤;Calibration steps for the uniform domain of the magnetic field of non-standard square coils;对非标准方形线圈的最大馈入电流的校准步骤。Calibration procedure for maximum feed current for non-standard square coils.5.根据权利要求4所述的磁场抗扰度试验的非标准方形线圈的校准方法,其特征在于,所述的对非标准方形线圈的线圈因数的校准步骤,由磁场产生回路中的电流发生器(4)输入工频电流,在多个磁场强度等级下分别进行校准,每个磁场强度等级下取多个校准值,取平均值得到线圈因数的校准值。5. the calibration method of the non-standard square coil of magnetic field immunity test according to claim 4, is characterized in that, described calibration step to the coil factor of non-standard square coil, produces the electric current in the loop by magnetic field The device (4) inputs the power frequency current, and calibrates under multiple magnetic field strength levels respectively, and takes multiple calibration values under each magnetic field strength level, and takes the average value to obtain the calibration value of the coil factor.6.根据权利要求5所述的磁场抗扰度试验的非标准方形线圈的校准方法,其特征在于,所述的磁场强度等级包括10A/m、30A/m、100A/m、300A/m和1000A/m五个等级,每个磁场强度等级下校准至少10个校准值。6. the calibration method of the non-standard square coil of magnetic field immunity test according to claim 5, is characterized in that, described magnetic field intensity level comprises 10A/m, 30A/m, 100A/m, 300A/m and There are five levels of 1000A/m, and at least 10 calibration values are calibrated under each level of magnetic field strength.7.根据权利要求5或6所述的磁场抗扰度试验的非标准方形线圈的校准方法,其特征在于,所述的对非标准方形线圈(2)的磁场均匀域的校准步骤包括,在非标准方形线圈(2)分别馈入不同磁场强度等级下的电流,以非标准方形线圈(2)平面几何中心为参考点,确定非标准方形线圈(2)内磁场强度不超过±3d的磁场区域,选取磁场区域内的校准点,每个校准点多次校准后取平均值做为该点的磁场强度,通过校准点磁场强度之间对比得到磁场均匀域的校准值。7. The method for calibrating the non-standard square coil of the magnetic field immunity test according to claim 5 or 6, characterized in that, the calibration step for the uniform domain of the magnetic field of the non-standard square coil (2) includes, in The non-standard square coil (2) is respectively fed with currents under different magnetic field strength levels, and the non-standard square coil (2) plane geometric center is used as the reference point to determine the magnetic field within the non-standard square coil (2) whose magnetic field strength does not exceed ±3d Area, select the calibration points in the magnetic field area, take the average value of each calibration point after multiple calibrations as the magnetic field strength of the point, and obtain the calibration value of the uniform magnetic field by comparing the magnetic field strengths of the calibration points.8.根据权利要求7所述的磁场抗扰度试验的非标准方形线圈的校准方法,其特征在于,所述的校准点包括非标准方形线圈(2)平面几何中心点(11),以及至少12个非标准方形线圈磁场均匀域内的校准点,每个校准点校准至少10个值。8. The method for calibrating a non-standard square coil for magnetic field immunity test according to claim 7, characterized in that said calibration points include the plane geometric center point (11) of the non-standard square coil (2), and at least 12 calibration points in the uniform domain of the non-standard square coil magnetic field, each calibration point calibrates at least 10 values.9.根据权利要求4所述的磁场抗扰度试验的非标准方形线圈的校准方法,其特征在于,所述的对非标准方形线圈(2)的最大馈入电流的校准步骤包括,校准产生1000A/m工频磁场时的工频电流有效值,和/或校准产生1000A/m脉冲磁场时的脉冲电流值。9. The method for calibrating a non-standard square coil for magnetic field immunity test according to claim 4, characterized in that, the step of calibrating the maximum feeding current of the non-standard square coil (2) includes that the calibration generates The effective value of the power frequency current when the power frequency magnetic field is 1000A/m, and/or the pulse current value when the 1000A/m pulse magnetic field is calibrated.10.磁场抗扰度试验的非标准方形线圈,其特征在于,采用铜芯线缆,边长为3米,匝数为3匝,由权利要求4-9中任意一项所述的校准方法校准合格。10. The non-standard square coil of magnetic field immunity test is characterized in that, adopts copper core cable, side length is 3 meters, and number of turns is 3 turns, by the calibration method described in any one of claim 4-9 Calibration passed.
CN201310590736.4A2013-11-192013-11-19Non-standard square coil for magnetic field immunity test and calibrating method and calibrating system of non-standard square coilPendingCN103630862A (en)

Priority Applications (1)

Application NumberPriority DateFiling DateTitle
CN201310590736.4ACN103630862A (en)2013-11-192013-11-19Non-standard square coil for magnetic field immunity test and calibrating method and calibrating system of non-standard square coil

Applications Claiming Priority (1)

Application NumberPriority DateFiling DateTitle
CN201310590736.4ACN103630862A (en)2013-11-192013-11-19Non-standard square coil for magnetic field immunity test and calibrating method and calibrating system of non-standard square coil

Publications (1)

Publication NumberPublication Date
CN103630862Atrue CN103630862A (en)2014-03-12

Family

ID=50212113

Family Applications (1)

Application NumberTitlePriority DateFiling Date
CN201310590736.4APendingCN103630862A (en)2013-11-192013-11-19Non-standard square coil for magnetic field immunity test and calibrating method and calibrating system of non-standard square coil

Country Status (1)

CountryLink
CN (1)CN103630862A (en)

Cited By (3)

* Cited by examiner, † Cited by third party
Publication numberPriority datePublication dateAssigneeTitle
CN106443251A (en)*2016-09-192017-02-22武汉大学 A method for detecting pulsed magnetic field immunity of high-voltage wireless power supply system
CN107102248A (en)*2017-05-092017-08-29普冉半导体(上海)有限公司A kind of wafer adds magnetic tester device and its method of testing
CN108152783A (en)*2017-12-082018-06-12南京南瑞继保电气有限公司A kind of power frequency magnetic field noise immunity test method based on frequency departure

Citations (2)

* Cited by examiner, † Cited by third party
Publication numberPriority datePublication dateAssigneeTitle
WO2012003492A2 (en)*2010-07-022012-01-05Belkin International, Inc.Systems and methods for measuring electrical power usage in a structure and systems and methods of calibrating the same
CN102890257A (en)*2012-10-172013-01-23中国西电电气股份有限公司Calibration system and calibration method for power frequency magnetic field noise immunity generator

Patent Citations (2)

* Cited by examiner, † Cited by third party
Publication numberPriority datePublication dateAssigneeTitle
WO2012003492A2 (en)*2010-07-022012-01-05Belkin International, Inc.Systems and methods for measuring electrical power usage in a structure and systems and methods of calibrating the same
CN102890257A (en)*2012-10-172013-01-23中国西电电气股份有限公司Calibration system and calibration method for power frequency magnetic field noise immunity generator

Non-Patent Citations (2)

* Cited by examiner, † Cited by third party
Title
韩保等: "工频磁场抗扰度试验装置校准的研究", 《电子测量技术》, vol. 36, no. 8, 31 August 2013 (2013-08-31), pages 108 - 110*
黄文广: "工频磁场测试系统分析及其感应线圈的设计", 《医疗设备》, vol. 23, no. 11, 31 December 2010 (2010-12-31), pages 13 - 15*

Cited By (3)

* Cited by examiner, † Cited by third party
Publication numberPriority datePublication dateAssigneeTitle
CN106443251A (en)*2016-09-192017-02-22武汉大学 A method for detecting pulsed magnetic field immunity of high-voltage wireless power supply system
CN107102248A (en)*2017-05-092017-08-29普冉半导体(上海)有限公司A kind of wafer adds magnetic tester device and its method of testing
CN108152783A (en)*2017-12-082018-06-12南京南瑞继保电气有限公司A kind of power frequency magnetic field noise immunity test method based on frequency departure

Similar Documents

PublicationPublication DateTitle
CN106405473B (en)Radiation immunity electromagnetic compatibility testing system and method suitable for high-voltage metering equipment
CN102353843B (en)Frequency sweeping test method for measuring power frequency ground resistance of grounding device and test instrument for frequency sweeping test method
CN104569897B (en)A kind of electronic current mutual inductor check system based on standard Rogowski coil
CN205539262U (en)Test fixture and testing arrangement of multistation
CN108957140B (en)Loop impedance measurement system and method with wide dynamic range
CN104569903A (en)Automatic test system and test method
CN102928705A (en)Voltage transformer error test power frequency resonance step-up automatic test method in GIS (geographic information system)
CN103630862A (en)Non-standard square coil for magnetic field immunity test and calibrating method and calibrating system of non-standard square coil
CN102890257B (en)Power frequency magnetic field immunity to interference generator calibration system and calibration steps
CN113325352B (en)Calibration method and system for transient current measurement sensor
CN110726963A (en)System and method for verifying transient characteristics of direct current transformer
CN102298131B (en)Method and apparatus for measuring harmonic characteristic of current transformer
CN113030622A (en)Self-calibration-based automatic testing device for comprehensive characteristics of mutual inductor
CN105372617A (en)Three-phase capacitor type voltage transformer error integral verification method
Do et al.Novel grid impedance measurement setups in electrical power systems
CN102866378B (en)Voltage or current transformer on-line test device and voltage or current transformer on-line test method
CN107561368B (en)Measurement system and measurement method for broadband impedance characteristics of large-scale power equipment
CN103871523A (en)Nuclear power plant control rod position measurement method
CN202351421U (en)Error detection device for current transformer
CN105301551A (en)Watt-hour meter calibration device and method outputting current under 1mA
CN202886585U (en)On-line test device for voltage/current transformer
CN107677897A (en) A high-frequency transformer common-mode noise and conducted radiation test method
CN204177954U (en) An Integral Error Verification System of 35kV High Voltage Electric Energy Metering Device
CN106199486A (en)A kind of measurement system of power meter temperature impact test
CN203117414U (en)Alternating-current large-current checking system of current transformer

Legal Events

DateCodeTitleDescription
PB01Publication
PB01Publication
C10Entry into substantive examination
SE01Entry into force of request for substantive examination
C02Deemed withdrawal of patent application after publication (patent law 2001)
WD01Invention patent application deemed withdrawn after publication

Application publication date:20140312


[8]ページ先頭

©2009-2025 Movatter.jp