



技术领域technical field
本发明属于自由空间可见光(FSO)通信领域,特别涉及USB接口LED可见光串行通信系统的设计。The invention belongs to the field of free space visible light (FSO) communication, in particular to the design of a USB interface LED visible light serial communication system.
背景技术Background technique
LED体积小、功率低、使用寿命长。它亮度高,热量低,坚固耐用。相比传统照明灯珠,LED拥有更省电、耐用、环保等突出特点。大功率LED其光效已超前三代光源。除了一般的优点,大功率LED工作电流更大,亮度也更高,点亮时间为纳秒级别。这些特点都使得大功率LED成为可见光通信光源的选择之一。LEDs are small in size, low in power and long in service life. It is bright, low heat, and durable. Compared with traditional lighting lamp beads, LED has more prominent features such as more power saving, durability, and environmental protection. The luminous efficiency of high-power LEDs has surpassed three generations of light sources. In addition to the general advantages, high-power LEDs have higher operating currents, higher brightness, and a lighting time of nanoseconds. These characteristics make high-power LED one of the choices of light source for visible light communication.
光纤宽带已开始进入居民家庭。作为光通信的主流,光纤通信已较成熟。但室内可见光通信尚处于初期研究。由于LED光源具有良好的线性度,很多研究者已用LED做出很多FSO的研究成果,包括大量理论仿真以及部分实验结果。Fiber-optic broadband has begun to enter households. As the mainstream of optical communication, optical fiber communication is relatively mature. However, indoor visible light communication is still in the initial stage of research. Due to the good linearity of the LED light source, many researchers have used LEDs to make a lot of FSO research results, including a large number of theoretical simulations and some experimental results.
无论如何,LED的可见光照明通信应用已获得实验证实。人们集中于使用LED阵列和PD阵列来提高传输速率和通信质量。这些系统设计的目的是尽可能提高带宽。但其系统结构较复杂,应用的可移植性和选择性不佳。In any case, the visible light illumination communication application of LED has been experimentally confirmed. People are focusing on using LED arrays and PD arrays to improve the transmission rate and communication quality. These systems are designed to maximize bandwidth as much as possible. But its system structure is more complicated, and the portability and selectivity of application are not good.
发明内容Contents of the invention
针对上述问题,本发明提供的一种USB接口LED可见光串行通信装置及其系统,基于将光收发模块分别和电脑接口转换电路耦合,利用USB接口的热插拔性,使得光接收、发送模块可快捷的连接至电脑,实现两台或多台电脑间异步通信,进行小文件传输,传输文件格式不限,从而提供一种装置及系统结构简单,具有较佳的应用可移植性和选择性。同时,LED灯可进行照明,闪烁频率高于人眼极限频率。In view of the above problems, a USB interface LED visible light serial communication device and its system provided by the present invention are based on coupling the optical transceiver module with the computer interface conversion circuit respectively, and utilizing the hot-swappability of the USB interface to make the optical receiving and transmitting modules It can be quickly connected to a computer, realize asynchronous communication between two or more computers, and perform small file transfer, and the format of the transfer file is not limited, thus providing a device and system with simple structure, better application portability and selectivity . At the same time, LED lights can be used for lighting, and the flickering frequency is higher than the limit frequency of human eyes.
为实现上述目的,本发提供了一种便捷USB接口LED可见光串行通信装置及其系统可以使用以下设计方案:In order to achieve the above purpose, the present invention provides a convenient USB interface LED visible light serial communication device and its system can use the following design scheme:
本发明提供了一种USB接口LED可见光串行通信装置,包括:LED光发送部以及光敏二极管光接收部,由直流电源进行供电,分别通过USB‐RS232转接线安装在复数台计算机,利用发送和接收光信号实现复数台计算机之间异步通信,其特征在于:LED光发送部由MAX232电平转换模块、第一与非门、LED的驱动及光调制电路、光源LED组成;以及光敏二极管光接收部包含光敏二极管光接收器和第二与非门,并且并联接入MAX232电平转换模块;其中,在其中一部USB接口LED可见光串行通信装置中的USB‐RS232转接线连接MAX232电平转换模块和计算机,计算机传输串口电平信号经USB‐RS232转接线后,MAX232电平转换模块将串口电平信号转换为TTL电平信号,将TTL电平信号经于第一非门反向后输入到LED的驱动及光调制电路实现光信号的调制,并驱动光源LED,发送光信号,安装在另一台计算机上的USB接口LED可见光串行通信装置中的光敏二极管光接收部接收到光信号后,由光敏二极管光接收器产生TTL电平信号,经过第二与非门反相后接入MAX232电平转换器,最后经USB‐RS232转接线由计算机接收到,完成计算机之间的异步通信。The present invention provides a USB interface LED visible light serial communication device, comprising: an LED light sending part and a photodiode light receiving part, powered by a DC power supply, respectively installed in multiple computers through a USB-RS232 transfer line, using the sending and receiving parts Receiving optical signals realizes asynchronous communication among multiple computers, and it is characterized in that: the LED optical sending part is composed of a MAX232 level conversion module, a first NAND gate, an LED driver and an optical modulation circuit, and a light source LED; and a photosensitive diode optical receiving unit The part includes a photodiode light receiver and a second NAND gate, and is connected in parallel to the MAX232 level conversion module; wherein, the USB-RS232 conversion line in one of the USB interface LED visible light serial communication devices is connected to the MAX232 level conversion module Module and computer, after the computer transmits the serial port level signal through the USB-RS232 adapter cable, the MAX232 level conversion module converts the serial port level signal into a TTL level signal, and inputs the TTL level signal after inverting the first NOT gate The driver and light modulation circuit to the LED realizes the modulation of the light signal, and drives the light source LED to send the light signal, and the photodiode light receiving part in the USB interface LED visible light serial communication device installed on another computer receives the light signal Finally, the TTL level signal is generated by the photodiode light receiver, which is connected to the MAX232 level converter after being inverted by the second NAND gate, and finally received by the computer through the USB-RS232 conversion line to complete the asynchronous communication between computers .
本发明所涉及的USB接口LED可见光串行通信装置,LED光发送部的LED的驱动及光调制电路采用二进制启闭监控的方法对光信号进行调制。In the LED visible light serial communication device with USB interface involved in the present invention, the LED driving and light modulation circuit of the LED light sending part adopts a binary on-off monitoring method to modulate the light signal.
进一步,LED的驱动及光调制电路包括复数个三级管并联而成,并联的三级管的基极通过第一与非门接入MAX232电平转换器的信号发送端,并联的三级管的发射极与集电极之间连接光源LED,用于驱动光源LED,MAX232电平转换器产生的信号电压经并联的三级管的开关动作实现调制。Further, the LED driving and light modulation circuit includes a plurality of triodes connected in parallel, the bases of the parallel connected triodes are connected to the signal sending end of the MAX232 level converter through the first NAND gate, and the parallel connected triodes The light source LED is connected between the emitter and the collector to drive the light source LED. The signal voltage generated by the MAX232 level converter is modulated by the switching action of the parallel triode.
此外,本发明同时提供了一种USB接口LED可见光串口通信系统,由复数台USB接口LED可见光串行通信装置分别安装在复数台计算机,并利用的USB接口LED可见光串行通信装置通过发送和接收光信号实现复数台计算机之间异步通信。In addition, the present invention also provides a USB interface LED visible light serial communication system, in which a plurality of USB interface LED visible light serial communication devices are respectively installed on a plurality of computers, and the USB interface LED visible light serial communication devices are used to transmit and receive Optical signals enable asynchronous communication between multiple computers.
上述方案中,两台或多台计算机预先装有转接线的驱动程序,以及串口通信助手软件,并设置对应端口。In the above solution, two or more computers are pre-installed with the driver of the adapter cable and the serial port communication assistant software, and the corresponding ports are set.
本发明通过电脑串口调试助手软件控制,传输信号经USB-RS232的转接线,反相后传递给单颗大功率LED的驱动及光调制电路,构成光发送模块。接收电路采用了小尺寸光敏二极管接收模块,结合USB-RS232的转接线把信号处理后传输到电脑,再由串口调试助手软件解码得到目标信息。这种USB接口LED可见光串行通信系统实现了光源和接收器在距离1米,且固定方向的情况下,两台或多台具备USB接口的电脑间进行小文件传输。通信方式为异步通信。The invention is controlled by the computer serial port debugging assistant software, and the transmission signal is transmitted to the drive and light modulation circuit of a single high-power LED through the USB-RS232 transfer line after inversion to form an optical transmission module. The receiving circuit adopts a small-sized photosensitive diode receiving module, combined with the USB-RS232 transfer line, the signal is processed and transmitted to the computer, and then decoded by the serial port debugging assistant software to obtain the target information. This USB interface LED visible light serial communication system realizes the transmission of small files between two or more computers with USB interfaces when the distance between the light source and the receiver is 1 meter and the direction is fixed. The communication method is asynchronous communication.
附图说明Description of drawings
图1是USB接口LED可见光串行通信装置及其系统的结构图;Fig. 1 is a structural diagram of a USB interface LED visible light serial communication device and its system;
图2是USB接口LED可见光串行通信装置的LED的驱动及光调制电路连接图;Fig. 2 is a connection diagram of LED driving and light modulation circuit of the USB interface LED visible light serial communication device;
图3是USB接口LED可见光串行通信装置的光收发模块详细连接图;Fig. 3 is a detailed connection diagram of the optical transceiver module of the USB interface LED visible light serial communication device;
图4是传输实验的示波器示意图。Figure 4 is a schematic diagram of an oscilloscope for a transmission experiment.
具体实施方式Detailed ways
以下结合附图对本发明所涉及的一种基于感应器摄像机的人机协作装置及其系统的优选实施例做详细阐述,但本发明并不仅限于该实施例。为了使公众对本发明有彻底的了解,在以下本发明优选实施例中详细说明了具体的细节。A preferred embodiment of a sensor camera-based human-machine collaboration device and its system involved in the present invention will be described in detail below in conjunction with the accompanying drawings, but the present invention is not limited to this embodiment. In order to provide the public with a thorough understanding of the present invention, specific details are described in the following preferred embodiments of the present invention.
图1为USB接口LED可见光串行通信装置及其系统的结构图。FIG. 1 is a structural diagram of a USB interface LED visible light serial communication device and its system.
如图1所示,USB接口LED可见光串行通信系统10的最小单元包括两个互相通信的USB接口LED可见光串行通信装置100。As shown in FIG. 1 , the minimum unit of the USB interface LED visible light
LED光发送部由MAX232电平转换模块101、第一与非门106、LED的驱动及光调制电路103、光源LED,即光源发光二极管108组成,并由5V直流电源102进行供电。USB-RS232连接线105连接电脑和MAX232电平转换器101,转换器101将串口电平信号转换为TTL电平信号。转换后信号输入到调制器103,对LED光信号进行调制。The LED light sending part is composed of a MAX232
光敏二极管光接收部包含光敏二极管光接收器104和第二与非门107,5V直流电源102同时对光敏二极管光接收部分供电,即供给PD光接收器104和电平转换模块101,PD光接收器104是并联的接入MAX232电平转换器101的。另一台USB接口LED可见光串行通信装置100的PD光接收器104、即光敏二极管光接收器接收光信号后,提取信号为TTL电平输入到MAX232电平转换器101,再经USB-RS232转接线105被另一台计算机接收,由串口调试助手软件解码得到目标信息。系统可进行双工通信。从而利用的USB接口LED可见光串行通信装置100通过发送和接收光信号实现复数台计算机之间异步通信。The photodiode light receiving part includes a
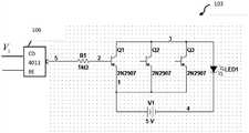
图2为USB接口LED可见光串行通信装置的LED的驱动及光调制电路连接图。FIG. 2 is a connection diagram of an LED driving and light modulation circuit of a USB interface LED visible light serial communication device.
如图2示,LED的驱动及光调制电路103包括:三个并联的2N2907三极管,恒流驱动光源LED,即光源发光二级管108。三个并联的2N2907三极管的基极接入点连接MAX232电平转换器101的信号发送端,并联的三级管的发射极与集电极之间连接光源发光二极管108。由MAX232电平转换器101产生的信号电压Vi经第一与非门106反相后驱动三极管作为开关,控制光源LED、即光源发光二级管108通断实现光信号的调制。两部分构成OOK调制电路、即二进制启闭监控的方法对光信号进行调制。电压反相用于辅助实现光源照明功能。并联的三级管的发射极与集电极之间连接光源LEDAs shown in FIG. 2 , the LED driving and
图3为USB接口LED可见光串行通信装置的光收发模块详细连接图。3 is a detailed connection diagram of the optical transceiver module of the USB interface LED visible light serial communication device.
如图3所示,PD光接收器104产生TTL电平信号,经过第二与非门反107相后可直接并联接入MAX232电平转换器101。因为调制信号经过反相处理,所以这里的与非门反相还原是必要的。MAX232电平转换器101将串口信号转换为电路能识别的TTL信号,通信时用到数据发射端和接收端,对于串口其他状态信号,采用本端环回的措施以默认连接已经建立。As shown in FIG. 3 , the PD
串口通信助手的发送间隔时间设置为1~10ms之间,则灯光闪烁频率为100~1000Hz。可以进行照明。发送端软件载入待传输的图片文件,在接收端软件设置好文件格式和路径。发送后,接收端自动接收保存。The sending interval of the serial port communication assistant is set between 1 and 10ms, and the light flickering frequency is 100 to 1000Hz. Lighting is available. The software at the sending end loads the picture file to be transmitted, and the file format and path are set in the software at the receiving end. After sending, the receiving end automatically receives and saves.
图4为传输实验的示波器示意图Figure 4 is a schematic diagram of the oscilloscope for the transmission experiment
如图4所示,在发送框内输入字符,勾选数据重复发送,示波器结果显示发送和接收数据的波形图,其中Sig0为发送端的波形,Sig1为接收端的波形显示。发送文件时,勾选“启用文件数据源”,到目的文件夹选中目的文件“学校LOGO.jpg”,在发送前,发送端和接收端应对文件格式达成共识,即约定。接收端勾选“接收转向文件”,在指定目录下建立文件“logo.jpg”,点击发送。接收端接收到完整文件,一次通信即完成。As shown in Figure 4, enter characters in the sending box, check the data to be sent repeatedly, and the oscilloscope will display the waveform diagram of the sent and received data, where Sig0 is the waveform of the sending end, and Sig1 is the waveform display of the receiving end. When sending a file, check "Enable file data source", go to the destination folder and select the destination file "School LOGO.jpg", before sending, the sending end and the receiving end should reach a consensus on the file format, that is, an agreement. The receiving end checks "receive diversion file", creates the file "logo.jpg" in the specified directory, and clicks send. When the receiving end receives the complete file, one communication is completed.
以上的实施例仅用于说明本发明的技术思想及特点,其目的在于使本领域内的技术人员能够了解本发明的内容并据以实施,不能仅以本实施例来限定本发明的专利范围,即凡依本发明所揭示的精神所作的等同替换、改进等,均应包含在本发明的保护范围内。The above embodiments are only used to illustrate the technical ideas and characteristics of the present invention, and its purpose is to enable those skilled in the art to understand the content of the present invention and implement it accordingly, and the scope of the patent of the present invention cannot be limited only by this embodiment , that is, all equivalent replacements, improvements, etc. made according to the spirit disclosed in the present invention shall be included in the protection scope of the present invention.
| Application Number | Priority Date | Filing Date | Title |
|---|---|---|---|
| CN201310446529.1ACN103490814A (en) | 2013-09-25 | 2013-09-25 | Serial communication device of USB interface LED visible light and system thereof |
| Application Number | Priority Date | Filing Date | Title |
|---|---|---|---|
| CN201310446529.1ACN103490814A (en) | 2013-09-25 | 2013-09-25 | Serial communication device of USB interface LED visible light and system thereof |
| Publication Number | Publication Date |
|---|---|
| CN103490814Atrue CN103490814A (en) | 2014-01-01 |
| Application Number | Title | Priority Date | Filing Date |
|---|---|---|---|
| CN201310446529.1APendingCN103490814A (en) | 2013-09-25 | 2013-09-25 | Serial communication device of USB interface LED visible light and system thereof |
| Country | Link |
|---|---|
| CN (1) | CN103490814A (en) |
| Publication number | Priority date | Publication date | Assignee | Title |
|---|---|---|---|---|
| CN103763031A (en)* | 2014-01-27 | 2014-04-30 | 惠州Tcl移动通信有限公司 | Communication terminal and communication system achieving communication through visible light |
| CN104485995A (en)* | 2014-12-15 | 2015-04-01 | 昆山国显光电有限公司 | Light fidelity access device |
| CN105245273A (en)* | 2015-08-27 | 2016-01-13 | 桂林理工大学 | A communication protocol conversion method between RS232 and VLC for illumination balance |
| CN105245276A (en)* | 2015-09-14 | 2016-01-13 | 中国人民解放军信息工程大学 | A transmission device and system based on visible light communication technology |
| CN105897335A (en)* | 2016-06-02 | 2016-08-24 | 复旦大学 | USB interface communication handheld transmitting and receiving device based on visible light communication technology |
| CN108321158A (en)* | 2018-04-11 | 2018-07-24 | 南京邮电大学 | Static random access memory (sram) cell and preparation method thereof based on photoelectric device |
| CN110209617A (en)* | 2019-05-10 | 2019-09-06 | 中国电力科学研究院有限公司 | A kind of UART serial ports Transistor-Transistor Logic level communicates two-way physics monitoring system and method |
| US20210281327A1 (en)* | 2020-03-03 | 2021-09-09 | Canon Kabushiki Kaisha | Terahertz wave camera system, entry/exit management apparatus, and method for controlling terahertz wave camera system |
| Publication number | Priority date | Publication date | Assignee | Title |
|---|---|---|---|---|
| CN102693203A (en)* | 2012-05-24 | 2012-09-26 | 湖南工学院 | Embedded USB (universal serial bus) host |
| CN202615388U (en)* | 2012-05-24 | 2012-12-19 | 湖南工学院 | Embedded usb host |
| CN102882600A (en)* | 2012-09-14 | 2013-01-16 | 南京邮电大学 | Universal serial bus (USB)-interface-based pluggable visible like wireless access system |
| CN202737887U (en)* | 2012-07-13 | 2013-02-13 | 上海海能汽车电子有限公司 | Intelligent communication adapter |
| CN202772896U (en)* | 2012-09-14 | 2013-03-06 | 南京邮电大学 | USB interface based hot plug visible light wireless access system |
| CN202855272U (en)* | 2012-09-12 | 2013-04-03 | 上海江森自控汽车电子有限公司 | LCD backlight constant current drive circuit based on operational amplifiernegative feedback circuit |
| Publication number | Priority date | Publication date | Assignee | Title |
|---|---|---|---|---|
| CN102693203A (en)* | 2012-05-24 | 2012-09-26 | 湖南工学院 | Embedded USB (universal serial bus) host |
| CN202615388U (en)* | 2012-05-24 | 2012-12-19 | 湖南工学院 | Embedded usb host |
| CN202737887U (en)* | 2012-07-13 | 2013-02-13 | 上海海能汽车电子有限公司 | Intelligent communication adapter |
| CN202855272U (en)* | 2012-09-12 | 2013-04-03 | 上海江森自控汽车电子有限公司 | LCD backlight constant current drive circuit based on operational amplifiernegative feedback circuit |
| CN102882600A (en)* | 2012-09-14 | 2013-01-16 | 南京邮电大学 | Universal serial bus (USB)-interface-based pluggable visible like wireless access system |
| CN202772896U (en)* | 2012-09-14 | 2013-03-06 | 南京邮电大学 | USB interface based hot plug visible light wireless access system |
| Title |
|---|
| 关义波等: "一种基于计算机USB接口的可见光无线接入技术", 《网络安全技术与应用》* |
| 莫延飞等: "基于USB接口的可见光无线接入设计", 《电子设计应用》* |
| Publication number | Priority date | Publication date | Assignee | Title |
|---|---|---|---|---|
| US9577754B2 (en) | 2014-01-27 | 2017-02-21 | Huizhou Tcl Mobile Communication Co., Ltd. | Nonradiative communication terminal and communication system using visible light for communication |
| CN103763031A (en)* | 2014-01-27 | 2014-04-30 | 惠州Tcl移动通信有限公司 | Communication terminal and communication system achieving communication through visible light |
| CN104485995A (en)* | 2014-12-15 | 2015-04-01 | 昆山国显光电有限公司 | Light fidelity access device |
| CN105245273A (en)* | 2015-08-27 | 2016-01-13 | 桂林理工大学 | A communication protocol conversion method between RS232 and VLC for illumination balance |
| CN105245273B (en)* | 2015-08-27 | 2017-12-12 | 桂林理工大学 | A kind of balanced RS232 of illumination and VLC communication protocol conversion methods |
| CN105245276A (en)* | 2015-09-14 | 2016-01-13 | 中国人民解放军信息工程大学 | A transmission device and system based on visible light communication technology |
| CN105245276B (en)* | 2015-09-14 | 2018-02-09 | 中国人民解放军信息工程大学 | A kind of transmission equipment and system based on visible light communication technology |
| CN105897335A (en)* | 2016-06-02 | 2016-08-24 | 复旦大学 | USB interface communication handheld transmitting and receiving device based on visible light communication technology |
| CN108321158A (en)* | 2018-04-11 | 2018-07-24 | 南京邮电大学 | Static random access memory (sram) cell and preparation method thereof based on photoelectric device |
| CN108321158B (en)* | 2018-04-11 | 2024-04-16 | 南京邮电大学 | Static random access memory unit based on photoelectric device and preparation method thereof |
| CN110209617A (en)* | 2019-05-10 | 2019-09-06 | 中国电力科学研究院有限公司 | A kind of UART serial ports Transistor-Transistor Logic level communicates two-way physics monitoring system and method |
| US20210281327A1 (en)* | 2020-03-03 | 2021-09-09 | Canon Kabushiki Kaisha | Terahertz wave camera system, entry/exit management apparatus, and method for controlling terahertz wave camera system |
| US11621788B2 (en)* | 2020-03-03 | 2023-04-04 | Canon Kabushiki Kaisha | Terahertz wave camera system, entry/exit management apparatus, and method for controlling terahertz wave camera system |
| Publication | Publication Date | Title |
|---|---|---|
| CN103490814A (en) | Serial communication device of USB interface LED visible light and system thereof | |
| US9769903B2 (en) | Lighting control system using zigbee communications protocol | |
| CN107426551A (en) | A kind of syntype Cameralink digital picture optical transmitter and receiver receiving terminals and transmitting terminal based on FPGA | |
| CN105245276B (en) | A kind of transmission equipment and system based on visible light communication technology | |
| CN106059667A (en) | Method based on visible light communication and display device thereof | |
| WO2021115454A1 (en) | Optical-to-electrical signal converter, optical drive processing and receiving module, and network interaction device | |
| TW200938759A (en) | System and method for constructing solid state lighting network by using electric power system | |
| CN102801471A (en) | Visible light communication system and method for portable device | |
| CN102542777A (en) | Infrared remote control system and lighting system | |
| CN103701528A (en) | Visible light communication transmitter for both MIMO (Multiple Input Multiple Output) and SISO (Single Input Single Output) communication mode and transmission method | |
| CN104270203A (en) | SFF dual light-emitting module and optical communication system with DDM function | |
| CN105553554A (en) | Visible light communication signal constellation design method, device and system | |
| CN202261295U (en) | Device for achieving information transmission with visible light as medium | |
| CN205693676U (en) | An LED-based wireless optical access network device | |
| CN102185655A (en) | Method and device for realizing information transmission by taking visible light as medium | |
| KR101379968B1 (en) | Apparatus, system and method for communicating data using light | |
| CN103297144A (en) | Optical communication method based on USB and launching device | |
| CN104601236A (en) | Reflection principle based visible light communication system and method | |
| Hussain et al. | Visible Light Communication using Li-Fi | |
| CN207021995U (en) | Optical communication system and optical communication module | |
| CN207369039U (en) | A kind of visible light communication system based on white light LED array light source | |
| CN204578540U (en) | Optical signal launcher | |
| CN103561525B (en) | Optical communication device based on white light LED illumination | |
| CN202488456U (en) | USB-based optical communication transmitting device | |
| CN108736969A (en) | A kind of power line carrier communication coordinate under visible light beacon system |
| Date | Code | Title | Description |
|---|---|---|---|
| C06 | Publication | ||
| PB01 | Publication | ||
| C10 | Entry into substantive examination | ||
| SE01 | Entry into force of request for substantive examination | ||
| C12 | Rejection of a patent application after its publication | ||
| RJ01 | Rejection of invention patent application after publication | Application publication date:20140101 |