Movatterモバイル変換


[0]ホーム

URL:


CN103424602A - Secondary winding current detection circuit based on source electrode drive - Google Patents

Secondary winding current detection circuit based on source electrode drive
Download PDF

Info

Publication number
CN103424602A
CN103424602ACN2013103915046ACN201310391504ACN103424602ACN 103424602 ACN103424602 ACN 103424602ACN 2013103915046 ACN2013103915046 ACN 2013103915046ACN 201310391504 ACN201310391504 ACN 201310391504ACN 103424602 ACN103424602 ACN 103424602A
Authority
CN
China
Prior art keywords
port
switch
secondary winding
circuit
outside
Prior art date
Legal status (The legal status is an assumption and is not a legal conclusion. Google has not performed a legal analysis and makes no representation as to the accuracy of the status listed.)
Granted
Application number
CN2013103915046A
Other languages
Chinese (zh)
Other versions
CN103424602B (en
Inventor
杨全
边彬
陈畅
Current Assignee (The listed assignees may be inaccurate. Google has not performed a legal analysis and makes no representation or warranty as to the accuracy of the list.)
Suzhou Intelli Chiplink Electronic Polytron Technologies Inc
Original Assignee
NANJING AIKEFU ELECTRONIC TECHNOLOGY Co Ltd
Priority date (The priority date is an assumption and is not a legal conclusion. Google has not performed a legal analysis and makes no representation as to the accuracy of the date listed.)
Filing date
Publication date
Application filed by NANJING AIKEFU ELECTRONIC TECHNOLOGY Co LtdfiledCriticalNANJING AIKEFU ELECTRONIC TECHNOLOGY Co Ltd
Priority to CN201310391504.6ApriorityCriticalpatent/CN103424602B/en
Publication of CN103424602ApublicationCriticalpatent/CN103424602A/en
Application grantedgrantedCritical
Publication of CN103424602BpublicationCriticalpatent/CN103424602B/en
Expired - Fee Relatedlegal-statusCriticalCurrent
Anticipated expirationlegal-statusCritical

Links

Images

Landscapes

Abstract

The invention discloses a secondary winding current detection circuit based on source electrode drive. Structures such as an auxiliary winding and a feedback resistance network in an existing fly-back switching power supply system of primary side feedback are replaced by a circuit composed of a first voltage sampling network, a second voltage sampling network, a lowest voltage detection circuit, a control module, a signal module and the like. According to the secondary winding current detection circuit, current zero crossing point information of a secondary winding in a switching power supply system and peak current information of a primary winding in the switching power supply system can be obtained without circuit structures such as the auxiliary winding and the feedback resistance network. Finally, the switching power supply system outputs constant average current signals with the help of the secondary winding current detection circuit, meanwhile, cost of an existing power supply system is reduced, and the size of an existing power supply system is reduced.

Description

Secondary winding current detection circuit based on source drive
Technical field
The present invention relates to a kind of secondary winding current detection circuit, particularly relate to a kind of secondary winding current detection circuit based on source drive.
Background technology
At present, the inverse-excitation type of little wattage (flyback) ac-dc conversion (AC-DC) switch power supply system is a kind of general three terminal regulator integrated circuit by traditional use optocoupler and 431(431 just gradually) primary side control framework and control the framework transition to primary side.Primary side is controlled framework by auxiliary winding feedback primary side information, does not need the primary side feedback device such as optocoupler and 431.The inverse-excitation type switch power-supply system that Fig. 1 is existing primary side feedback, the constant current that this power-supply system can be used for LED drives.Switch power supply system in Fig. 1 comprises:rectifier bridge 101;Input capacitance 102;Absorbing circuit 104; Thetransformer 105 formed by armature winding 106,auxiliary winding 107 andsecondary winding 108;Secondary commutation diode 109;Output capacitance 110;LED load 111;Controller circuitry 103;Switching tube 112;Sampling resistor 113.
As shown in Fig. 1, at first input ac voltage is transformed into through full-bridge rectification and theinput capacitance 102 of describedrectifier bridge 101 voltage that is similar to direct current, the drain electrode of describedswitching tube 112 connects the armature winding 106 of describedtransformer 105, and the grid of describedswitching tube 112 switches between turn-on and turn-off with certain frequency and dutycycle under the control of described controller circuitry 103.When describedswitching tube 112 conducting, energy is stored in the armature winding 106 of describedtransformer 105; When describedswitching tube 112 turn-offs, the energy be stored in armature winding 106 is transferred in the output load of transformer secondary, thereby has realized the conversion of power.
Further, in the switch power supply system shown in Fig. 1, need to provide one and the irrelevant constant output current of load voltage for described LED load 111.Current, common the adopted technical scheme of inverse-excitation type switch power-supply system that primary side is controlled is: the feedback network formed by describedauxiliary winding 107, thefirst feedback resistance 114 and thesecond feedback resistance 115 obtains the current over-zero dot information of the describedsecondary winding 108 of transformer, simultaneously, detect the peak point current information of described armature winding 106 by described sampling resistor 113.Like this, aforementioned two information of usining are gone modulation (PWM) output pulse as the input signal of describedcontroller circuitry 103, thereby control the constant current output of output current.Fig. 2 shows the logic relation picture betweenfirst signal 124,secondary signal 121 and the3rd signal 123 in Fig. 1.
But, although said system is simpler than the inferior side feedback system of traditional optocoupler, but still need extra auxiliary winding, feedback resistive network and a commutation diode realize feedback and control chip is powered, this has increased cost and the size of power-supply system undoubtedly.
Summary of the invention
Technical matters to be solved by this invention is, a kind of secondary winding current detection circuit based on source drive is provided, this current detection circuit can obtain the peak point current information of current over-zero dot information and the armature winding of secondary winding in switch power supply system without auxiliary winding, feedback resistive network etc., finally helps switch power supply system to realize the average current signal that output is constant.
For solving the problems of the technologies described above, the technical solution used in the present invention is: a kind of secondary winding current detection circuit based on source drive, and this circuit comprises: starting resistance, power supply electric capacity, stabilivolt, clamping circuit, the first voltage sample network, the second voltage sampling network, the minimum voltage testing circuit, described minimum voltage testing circuit comprises the first port, the second port, the 3rd port, the 4th port, five-port and the 6th port, comparer, signaling module, the 7th port that described signaling module comprises, the 8th port, the 9th port, the tenth port and the 11 port, control module, described control module comprises the 12 port, the 13 port, the 14 port and the tenth five-port, the driven MOS pipe, the primary current sampling resistor, wherein, in parallel with outside input capacitance after described starting resistance and power supply capacitances in series, the P utmost point of described stabilivolt is connected to the earth terminal of described power supply electric capacity, the N utmost point of described stabilivolt is connected to respectively the ungrounded end of described power supply electric capacity, one end of the grid of external power metal-oxide-semiconductor and clamping circuit, one end of described the first voltage sample network is connected to respectively the source electrode of described external function metal-oxide-semiconductor, one end of the other end of clamping circuit and second voltage sampling network, the other end of described the first voltage sample network is connected to the first port of described minimum voltage testing circuit, the second port of described minimum voltage testing circuit is connected to the first input end of comparer, the other end of described second voltage sampling network is connected to the second input end of described comparer, described comparer exports described the 14 port to, described the tenth five-port is connected to respectively the source electrode of described driven MOS pipe and an end of primary current sampling resistor, the other end ground connection of described primary current sampling resistor, described the 12 port is connected to the grid of described driven MOS pipe, the drain electrode of described driven MOS pipe is connected to the source electrode of described external power metal-oxide-semiconductor, described the 13 port is connected to described the 11 port, described the tenth port is connected to described the 3rd port, described the 9th port is connected to described the 4th port, described the 8th port is connected to described five-port, described the 7th port is connected to described the 6th port.
Further, the external circuit of the described secondary winding current detection circuit based on source drive also comprises: outside rectifier bridge; Outside input capacitance; Outside absorbing circuit; The external transformer formed by armature winding and secondary winding; The external secondary commutation diode; Outside output capacitance; The external power metal-oxide-semiconductor; Wherein, the external communication electric signal is after described outside rectifier bridge, pass through successively described outside input capacitance and armature winding, described outside absorbing circuit and the drain electrode that is connected to described external power metal-oxide-semiconductor after described armature winding is in parallel, described secondary winding, external secondary commutation diode and outside output capacitance form a loop, one end of described secondary winding extremely is connected with the P of external secondary commutation diode, another termination output ground of described secondary winding.
Further, as a kind of alternate embodiment, the external circuit of the described secondary winding current detection circuit based on source drive comprises: outside rectifier bridge; Outside input capacitance; Outside fly-wheel diode; External inductors; Outside output capacitance, external power metal-oxide-semiconductor; Wherein, described outside rectifier bridge is in parallel with described outside input capacitance, the ungrounded end of described outside input capacitance is connected to respectively the N utmost point of described outside fly-wheel diode and an end of outside output capacitance, the P utmost point of described outside fly-wheel diode is connected to the drain electrode of described external power metal-oxide-semiconductor, the other end of described outside output capacitance is connected to an end of described external inductors, and the other end of described external inductors is connected to the P utmost point of described outside fly-wheel diode.
Further, the external circuit of the described secondary winding current detection circuit based on source drive all also comprises: the external LED load, described external LED load is in parallel with described outside output capacitance.
Further, in the described secondary winding current detection circuit based on source drive, described clamping circuit is composed in series by the first diode and the first resistance.
Further, in the described secondary winding current detection circuit based on source drive, described the first voltage sample network is composed in series by the second resistance and the 3rd resistance.
Further, in the described secondary winding current detection circuit based on source drive, described second voltage sampling network is composed in series by the 4th resistance and the 5th resistance.
Further, in the described secondary winding current detection circuit based on source drive, described signaling module comprises: current source, the first switch, the first electric capacity or door, the first not gate, the second not gate, the 3rd not gate, the first monostable circuit, the second monostable circuit and triple monostable circuit, wherein, one end of described current source is connected with the first reference voltage, the other end of described current source is connected to respectively an end of described the first switch, one end of the first electric capacity and the input end of the first not gate, the other end ground connection of described the first switch and the first electric capacity, enter described or door together with the output of the input signal of described the 11 port and the first not gate, described or door exports respectively the input end of described the 7th port and the second not gate to, described the second not gate exports an end of the first monostable circuit to, the described first monostable circuit other end exports described the 8th port to, described the 11 port is connected to respectively the grid of described the first switch and an end of described the second monostable circuit, the other end of described the second monostable circuit be connected to respectively described the 9th port and and the input end of the 3rd not gate, described the 3rd not gate exports an end of described triple monostable circuit to, the other end of described triple monostable circuit exports described the tenth port to.
Further, in the described secondary winding current detection circuit based on source drive, described minimum voltage testing circuit comprises: the 6th resistance, second switch, the 3rd switch, the 4th switch, the 5th switch, the second electric capacity, the 3rd electric capacity, P channel MOS tube, operational amplifier, wherein, one end of described the 6th resistance is connected with the second reference voltage, the other end of described the 6th resistance is connected to an end of described second switch, the other end of described second switch is connected to respectively positive input terminal and first port of described operational amplifier, the grid of described second switch is connected to described the 6th port, one end of described the second electric capacity is connected with described the second reference voltage, the other end of described the second electric capacity is connected to respectively the source electrode of described P channel MOS tube and the negative input end of described operational amplifier, the output terminal of described operational amplifier is connected to the grid of described P channel MOS tube, the grounded drain of described P channel MOS tube, one end of described the 3rd switch is connected with described the second reference voltage, the grid of described the 3rd switch is connected to described five-port, the other end of described the 3rd switch is connected to respectively the negative input end of described operational amplifier and an end of described the 4th switch, the grid of described the 4th switch is connected to described the 3rd port, the other end of described the 4th switch is connected to respectively an end of described the 3rd electric capacity, one end of the second port and the 5th switch, the other end ground connection of described the 3rd electric capacity, the grid of described the 5th switch is connected to described the 4th port, the other end ground connection of described the 5th switch.
Further, in the described secondary winding current detection circuit based on source drive, described control module output control signal when starting make described driven MOS pipe and the external power metal-oxide-semiconductor open-minded, when the voltage of elementary current sampling resistor reaches predetermined threshold value, described control module output control signal makes described driven MOS pipe and external power metal-oxide-semiconductor turn-off; The moment that the Output rusults of described comparer occurs to overturn is the current zero-crossing point of secondary winding, and described control module is controlled opening constantly of described driven MOS pipe and external power metal-oxide-semiconductor according to the average current of external LED load.
Advantage of the present invention is, the present invention is based in the secondary winding current detection circuit of source drive, by adopting the first voltage sample network, the second voltage sampling network, the minimum voltage testing circuit, the circuit of the composition such as control module and signaling module has substituted the auxiliary winding in the inverse-excitation type switch power-supply system of existing primary side feedback, the structures such as feedback resistive network, realized without auxiliary winding, the circuit structures such as feedback resistive network can obtain the peak point current information of current over-zero dot information and the armature winding of secondary winding in switch power supply system, finally, when helping switch power supply system to export constant average current signal, reduced the cost of existing power supply system and and dwindled the size of existing power supply system.
The accompanying drawing explanation
The inverse-excitation type switch power-supply system that Fig. 1 is existing primary side feedback;
The logical relation schematic diagram that Fig. 2 is circuit shown in Fig. 1;
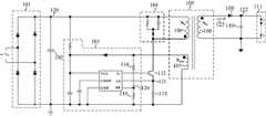
The circuit diagram that Fig. 3 is the inverse-excitation type switch power-supply system that comprises the secondary winding current detection circuit that the present invention is based on source drive;
Fig. 4 is the circuit diagram that the present invention is based on clamping circuit in the secondary winding current detection circuit of source drive;
Fig. 5 is the circuit diagram that the present invention is based on the first voltage sample network in the secondary winding current detection circuit of source drive;
Fig. 6 is the circuit diagram that the present invention is based on second voltage sampling network in the secondary winding current detection circuit of source drive;
The logical relation schematic diagram that Fig. 7 is circuit shown in Fig. 3;
Fig. 8 is the circuit diagram that the present invention is based on signaling module in the secondary winding current detection circuit of source drive;
The logical relation schematic diagram that Fig. 9 is circuit shown in Fig. 8;
Figure 10 is the circuit diagram that the present invention is based on minimum voltage testing circuit in the secondary winding current detection circuit of source drive;
The logical relation schematic diagram that Figure 11 is circuit shown in Figure 10;
The circuit diagram that Figure 12 is another embodiment buck Unisolated switch power-supply system of comprising the secondary winding current detection circuit that the present invention is based on source drive.
Embodiment
For further disclosing technical scheme of the present invention, hereby be described with reference to the accompanying drawings embodiments of the present invention:
The inverse-excitation type switch power-supply system that Fig. 1 is existing primary side feedback; The circuit diagram that Fig. 3 is the inverse-excitation type switch power-supply system that comprises the secondary winding current detection circuit that the present invention is based on source drive.As shown in figures 1 and 3, of the present invention being contemplated that: utilize the secondary winding current detection circuit that the present invention is based on source drive to replace describedcontroller circuitry 103 and theauxiliary winding 107 in the inverse-excitation type switch power-supply system of existing primary side feedback, thereby realize can obtaining without circuit structures such as auxiliary winding, feedback resistive networks the peak point current information of current over-zero dot information and the armature winding of secondary winding in switch power supply system, finally help switch power supply system to export constant average current signal.
[the first embodiment] Fig. 3 is the circuit diagram of the inverse-excitation type switch power-supply system for comprising the secondary winding current detection circuit that the present invention is based on source drive.The secondary winding current detection circuit that the present invention is based on source drive comprises: startingresistance 303, power supplyelectric capacity 304,stabilivolt 305,clamping circuit 321, the firstvoltage sample network 322, secondvoltage sampling network 323, minimumvoltage testing circuit 325, described minimumvoltage testing circuit 325 comprises the first port, the second port, the 3rd port, the 4th port, five-port and the 6th port, comparer 326, signaling module 327, the 7th port that described signaling module 327 comprises, the 8th port, the 9th port, the tenth port and the 11 port,control module 328, describedcontrol module 328 comprises the 12 port, the 13 port, the 14 port and the tenth five-port, drivenMOS pipe 315, primarycurrent sampling resistor 316, wherein, in parallel withoutside input capacitance 302 after describedstarting resistance 303 and 304 series connection of power supply electric capacity, the P utmost point of describedstabilivolt 305 is connected to the earth terminal of described power supplyelectric capacity 304, the N utmost point of describedstabilivolt 305 is connected to respectively the ungrounded end of described power supplyelectric capacity 304, one end of the grid of external power metal-oxide-semiconductor 313 andclamping circuit 321, one end of described the firstvoltage sample network 322 is connected to respectively the source electrode of described external function metal-oxide-semiconductor 313, one end of the other end ofclamping circuit 321 and secondvoltage sampling network 323, the other end of described the firstvoltage sample network 322 is connected to the first port of described minimumvoltage testing circuit 325, the second port of described minimumvoltage testing circuit 325 is connected to the first input end ofcomparer 326, the other end of described secondvoltage sampling network 323 is connected to the second input end of described comparer 326, described comparer 326 exports described the 14 port to, described the tenth five-port is connected to respectively the source electrode of described drivenMOS pipe 315 and an end of primarycurrent sampling resistor 316, the other end ground connection of described primarycurrent sampling resistor 316, described the 12 port is connected to the grid of described drivenMOS pipe 315, the drain electrode of described drivenMOS pipe 315 is connected to the source electrode of described external power metal-oxide-semiconductor 313, described the 13 port is connected to described the 11 port, described the tenth port is connected to described the 3rd port, described the 9th port is connected to described the 4th port, described the 8th port is connected to described five-port, described the 7th port is connected to described the 6th port.
Except comprising the secondary winding current detection circuit that the present invention is based on source drive, also comprised some existing peripheral circuits in Fig. 3, this peripheral circuit comprises: outsiderectifier bridge 301,outside input capacitance 302, outside absorbing circuit 306, theexternal transformer 307 formed by armature winding 308 andsecondary winding 309, externalsecondary commutation diode 310, outside output capacitance 311, external power metal-oxide-semiconductor 313,external LED load 312, wherein, the external communication electric signal is after described outsiderectifier bridge 301, pass through successively describedoutside input capacitance 302 and armature winding 308, described outside absorbing circuit 306 and the drain electrode that is connected to described external power metal-oxide-semiconductor 313 after described armature winding 308 is in parallel, describedsecondary winding 309, externalsecondary commutation diode 310 and outside output capacitance 311 form a loop, one end of describedsecondary winding 309 extremely is connected with the P of externalsecondary commutation diode 310, another termination output ground of describedsecondary winding 309, the N utmost point of describedsecondary commutation diode 310 is connected with an end of described output capacitance 311, described output capacitance 311 other end ground connection, describedexternal LED load 312 is in parallel with described outside output capacitance 311.Simultaneously, the commutating voltage of describedoutside input capacitance 302 is connected with an end of describedstarting resistance 303, describedstarting resistance 303 other ends extremely are connected with the N ofstabilivolt 305 with the grid of described power supplyelectric capacity 304 1 ends, external power metal-oxide-semiconductor 313 respectively, the P utmost point ground connection of the other end of described power supplyelectric capacity 304 andstabilivolt 305.
Shown in Fig. 3, in circuit, described the firstvoltage sample network 322 1 ends are connected with the drain electrode of described drivenMOS pipe 315, for detection of the drain voltage waveform of described drivenMOS pipe 315; Described secondvoltage sampling network 323 1 ends are connected with the drain electrode of described drivenMOS pipe 315, for detection of the drain voltage waveform of described drivenMOS pipe 315; Described minimumvoltage testing circuit 325 is accepted 4 tunnel control signals of described signaling module 327 simultaneously, andoutput signal 334 enters comparer 326, theoutput signal 338 of described secondvoltage sampling network 323 enters described comparer 326, described comparer 326output signals 342 enter describedcontrol module 328, the overturn point of described comparer 326 is exactly the degaussing time point ofexternal transformer 307, while is also the zero crossing of thecurrent signal 344 of externalsecondary winding 309, namely the ON time signal of described externalsecondary commutation diode 310.
Course of action during circuit working shown in Fig. 3 is as follows: describedcontrol module 328 output control signal when starting make described drivenMOS pipe 315 and external power metal-oxide-semiconductor 313 open-minded, when the voltage of described primarycurrent sampling resistor 316 reaches predetermined threshold value, describedcontrol module 328 output control signals make described drivenMOS pipe 315 and external power metal-oxide-semiconductor 313 turn-off; The moment that the Output rusults of described comparer 326 occurs to overturn is the current zero-crossing point ofsecondary winding 309, and describedcontrol module 328 is controlled opening constantly of described drivenMOS pipe 315 and external power metal-oxide-semiconductor 313 according to the average current of external LED load 312.Particularly, as shown in Figure 3, describedcontrol module 328output modulation signals 336 are to the grid of described drivenMOS pipe 315, to control the turn-on and turn-off of described drivenMOS pipe 315; Simultaneously, describedcontrol module 328output control signals 335 enter described signaling module 327, and described signaling module 327 output 4 tunnel control signals, enter described minimum voltage testing circuit 325.Wherein, describedcontrol signal 335 and the same same-phase frequently ofmodulation signal 336,modulation signal 336 is thatcontrol signal 335 has been passed through driving circuit and generated, and be specifically designed to and control described drivenMOS pipe 315, and describedcontrol signal 335 is the control signals that enter described signaling module 327.Circuit of the present invention is when starting, the describedmodulation signal 336 of describedcontrol module 328 output is high level, described drivenMOS pipe 315 and external power metal-oxide-semiconductor 313 are open-minded, electric current in the armature winding 308 of describedexternal transformer 307 is linear to rise, when the voltage of described primarycurrent sampling resistor 316 reaches predetermined threshold value, themodulation signal 336 of describedcontrol module 328 outputs becomes low level, described drivenMOS pipe 315 and external power metal-oxide-semiconductor 313 also turn-off, thevoltage signal 340 of described external power metal-oxide-semiconductor 313 drain electrodes is due to the flyback excitation effect of describedexternal transformer 307, rise suddenly, but its maximum voltage is subject to the clamper of described outside absorbing circuit 306, drain electrode and 314 couplings of the stray capacitance between source electrode due to described external power metal-oxide-semiconductor 313, thedrain voltage signal 331 of described drivenMOS pipe 315 also can raise, but its maximum voltage is arrivedvoltage 330 by the clamper of describedclamping circuit 321, after the described 307 degaussing times of external transformer finish, resonance due to thestray capacitance 314 of the inductance of described armature winding 308 and described external power metal-oxide-semiconductor 313, thevoltage signal 340 of described external power metal-oxide-semiconductor 313 drain electrodes can vibrate, now thedrain voltage signal 331 of described drivenMOS pipe 315 also can vibrate.Signal 331 is by after described the firstvoltage sample network 322, becomesignal 332, the minimum point voltage of described minimumvoltage sample circuit 325 sampledsignal 332 vibrations, and outputminimum voltage signal 334, describedsignal 331 is by after secondvoltage sampling network 323, becomesignal 338, describedsignal 338 enters described comparer 326 together withsignal 334, the low and high level upset of theoutput signal 342 of describedcomparer 326 constantly is exactly the moment finished the described 307 degaussing times of external transformer, namelycurrent signal 344 zero crossings of thesecondary winding 309 of describedexternal transformer 307 constantly, the ON time signal of described externalsecondary commutation diode 310 namely, this information enters describedcontrol module 328, as calculated, the output next cycle open signal 336.Finally, at first describedcontrol module 328 is steady state value by the peak point current of controlling armature winding, and secondly the ON time by controlling describedsecondary commutation diode 310 and the ratio of switch periods are a particular expression formula, exportable constant average current signal.
Fig. 4 is the circuit diagram that the present invention is based on clamping circuit in the secondary winding current detection circuit of source drive; Fig. 5 is the circuit diagram that the present invention is based on the first voltage sample network in the secondary winding current detection circuit of source drive; Fig. 6 is the circuit diagram that the present invention is based on second voltage sampling network in the secondary winding current detection circuit of source drive.As shown in the figure, describedclamping circuit 321 is composed in series by the first diode 401 and the first resistance 402, and the two ends of describedclamping circuit 321 connect respectivelysignal 330 andsignal 331; Described the firstvoltage sample network 322 is composed in series by the second resistance 501 and the 3rd resistance 502, described the second resistance 501 1 ends are connected tosignal 331, the other end is connected to respectively an end ofsignal 332 and the 3rd resistance 502, the other end ground connection of described the 3rd resistance 502; Described secondvoltage sampling network 323 is composed in series by the4th resistance 601 and the5th resistance 602, described the4th resistance 601 1 ends are connected tosignal 331, the other end is connected to respectively an end ofsignal 338 and the5th resistance 602, the other end ground connection of described the5th resistance 602.
The logical relation schematic diagram that Fig. 7 is circuit shown in Fig. 3, there is shown the logical relation betweenmodulation signal 336,signal 338,signal 334,signal 343 andsignal 344.
Fig. 8 is the circuit diagram that the present invention is based on signaling module in the secondary winding current detection circuit of source drive, and the signaling module in figure comprises:current source 801, thefirst switch 802, the firstelectric capacity 803 or door the 805, first notgate 804, the second notgate 806, the 3rd notgate 810, the firstmonostable circuit 807, the secondmonostable circuit 808 and triplemonostable circuit 809, wherein, one end of describedcurrent source 801 is connected with the first reference voltage V ref1, the other end of describedcurrent source 801 is connected to respectively an end of described thefirst switch 802, one end of the firstelectric capacity 803 and the input end of the first notgate 804, the other end ground connection of described thefirst switch 802 and the firstelectric capacity 803, theinput signal 335 of described the 11 port enters described ordoor 805 together with the output of the first notgate 804, described ordoor 805 exports respectively the input end of described the 7th port and the second notgate 806 to, described the second notgate 806 exports an end of the firstmonostable circuit 807 to, described firstmonostable circuit 807 other ends export described the 8th port to, described the 11 port is connected to respectively the grid of described thefirst switch 802 and an end of described the secondmonostable circuit 808, the other end of described the secondmonostable circuit 808 be connected to respectively described the 9th port and and the input end of the 3rd notgate 810, described the 3rd notgate 810 exports an end of described triplemonostable circuit 809 to, the other end of described triplemonostable circuit 809 exports described the tenth port to.
In Fig. 8, the 11 port of described signaling module 327input signal 335 and the output of described the first notgate 804 together with enter described ordoor 805output signal 337 to described the 7th port, describedsignal 337 enters described the second notgate 806 simultaneously, and the output signal of described the second notgate 806 enters described the first monostable 807output signal 339 to described the 8th port.Simultaneously, theinput signal 335 of described signaling module 327 is controlled the turn-on and turn-off of described thefirst switch 802, theinput signal 335 of described signaling module 327 also enters described the secondmonostable circuit 808output signal 340 to described the 9th port, describedsignal 340 enters described the 3rd notgate 810, the output signal of described the 3rd notgate 810 enters described triplemonostable circuit 809, andoutput signal 341 is to described the tenth port.
The logical relation schematic diagram that Fig. 9 is circuit shown in Fig. 8, there is shown the logical relation betweenmodulation signal 336,signal 335,signal 337,signal 339,signal 340 andsignal 341.
Figure 10 is the circuit diagram that the present invention is based on minimum voltage testing circuit in the secondary winding current detection circuit of source drive, and figure comprises: the6th resistance 1001,second switch 1002, the3rd switch 1003, the4th switch 1004, the5th switch 1005, the secondelectric capacity 1006, the 3rdelectric capacity 1007, Pchannel MOS tube 1009,operational amplifier 1008, wherein, one end of described the6th resistance 1001 is connected with the second reference voltage V ref2, the other end of described the6th resistance 1001 is connected to an end of describedsecond switch 1002, the other end of describedsecond switch 1002 is connected to respectively positive input terminal and first port of describedoperational amplifier 1008, the grid of describedsecond switch 1002 is connected to described the 6th port, one end of described the secondelectric capacity 1006 is connected with described the second reference voltage V ref2, the other end of described the secondelectric capacity 1006 is connected to respectively the source electrode of described Pchannel MOS tube 1009 and the negative input end of describedoperational amplifier 1008, the output terminal of describedoperational amplifier 1008 is connected to the grid of described Pchannel MOS tube 1009, the grounded drain of described Pchannel MOS tube 1009, one end of described the3rd switch 1003 is connected with described the second reference voltage V ref2, the grid of described the3rd switch 1003 is connected to described five-port, the other end of described the3rd switch 1003 is connected to respectively the negative input end of describedoperational amplifier 1008 and an end of described the4th switch 1004, the grid of described the4th switch 1004 is connected to described the 3rd port, the other end of described the4th switch 1004 is connected to respectively an end of described the 3rdelectric capacity 1007, one end of the second port and the5th switch 1005, the other end ground connection of described the 3rdelectric capacity 1007, the grid of described the5th switch 1005 is connected to described the 4th port, the other end ground connection of described the5th switch 1005.
In Figure 10,signal 337,signal 339,signal 341 andsignal 340 are controlled respectively opening or turn-offing of describedsecond switch 1002, the3rd switch 1003, the4th switch 1004, the 5th switch 1005.Describedsignal 337 is controlled describedsecond switch 1002 conductings, makes the voltage ofsignal 332 raise, and is greater than the oscillating part voltage ofsignal 332, is unlikely to affect the sampling of minimum voltage; Describedsignal 339 is controlled described the3rd switch 1003 conductings, makes described signal 1010 before sampling, is reset to reference voltage V ref2; Describedsignal 341 is controlled described the4th switch 1004 conductings, and described signal 1010 is sampled on described the 3rdelectric capacity 1007, generatessignal 334; Describedsignal 340 is controlled the5th switch 1005 conductings, makes describedsignal 334 before sampling, is reset to zero potential.In addition, describedoperational amplifier 1008, the secondelectric capacity 1006, Pchannel MOS tube 1009 forms minimum voltage sampling hold circuit, the minimum voltage of the describedsignal 332 of sampling, and remain on an end of described the secondelectric capacity 1006 and the source electrode tie point of Pchannel MOS tube 1009, be signal 1010.
The logical relation schematic diagram that Figure 11 is circuit shown in Figure 10, there is shown the logical relation betweensignal 337,signal 339,signal 332, signal 1010,signal 340,signal 341 andsignal 334.
The circuit diagram that [the second embodiment] Figure 12 is another embodiment of comprising the secondary winding current detection circuit that the present invention is based on source drive, figure comprises: outsiderectifier bridge 301;Outside input capacitance 302; Outside fly-wheel diode 360;External inductors 350; Outside output capacitance 311, external power metal-oxide-semiconductor 313; Wherein, described outsiderectifier bridge 301 is in parallel with describedoutside input capacitance 302, the ungrounded end of describedoutside input capacitance 302 is connected to respectively the N utmost point of described outside fly-wheel diode 360 and an end of outside output capacitance 311, the P utmost point of described outside fly-wheel diode 360 is connected to the drain electrode of described external power metal-oxide-semiconductor 313, the other end of described outside output capacitance 311 is connected to an end of describedexternal inductors 350, and the other end of describedexternal inductors 350 is connected to the P utmost point of described outside fly-wheel diode 360.
The second embodiment of the present invention is similar with the first embodiment of the present invention.Difference is, the first embodiment is based on the framework of inverse excitation type converter, and the second embodiment is based on the framework of buck converter, is a kind of LED constant-flow driver of non-isolation.
Particularly, the second embodiment of the present invention and the first embodiment of the present invention are different on circuit structure, and describedexternal transformer 307 is replaced byexternal inductors 350, and described externalsecondary commutation diode 310 is replaced by described outside fly-wheel diode 360.
Secondly, they are different on connected mode, difference is that the drain electrode of described external power metal-oxide-semiconductor 313 is connected with the P utmost point of described outside fly-wheel diode 360 and an end of describedexternal inductors 350 respectively, the N utmost point of described outside fly-wheel diode 360 is connected with the ungrounded end of describedoutside input capacitance 302, one end of described outside output capacitance 311 extremely is connected with the N of outside fly-wheel diode 360, and the other end of described outside output capacitance 311 is connected with the other end of describedinductance 350.
In sum, compared with prior art, the present invention detects the current zero-crossing point signal of secondary winding without auxiliary winding, just can realize the purpose of constant output current.In the situation that do not reduce circuit performance, can significantly reduce the cost of whole circuit.
More than, by description of listed embodiment, the basic ideas and basic principles of the present invention have been set forth.But the present invention never is limited to above-mentioned listed embodiment, every equivalent variations of doing based on technical scheme of the present invention, improvement and the deliberately of inferior quality behavior of change, all should belong to protection scope of the present invention.

Claims (10)

1. the secondary winding current detection circuit based on source drive, is characterized in that, this circuit comprises: starting resistance (303), power supply electric capacity (304), stabilivolt (305), clamping circuit (321), the first voltage sample network (322), second voltage sampling network (323), minimum voltage testing circuit (325), described minimum voltage testing circuit (325) comprises the first port, the second port, the 3rd port, the 4th port, five-port and the 6th port, comparer (326), signaling module (327), the 7th port that described signaling module (327) comprises, the 8th port, the 9th port, the tenth port and the 11 port, control module (328), described control module (328) comprises the 12 port, the 13 port, the 14 port and the tenth five-port, driven MOS pipe (315), primary current sampling resistor (316), wherein, in parallel with outside input capacitance (302) after described starting resistance (303) and power supply electric capacity (304) series connection, the P utmost point of described stabilivolt (305) is connected to the earth terminal of described power supply electric capacity (304), the N utmost point of described stabilivolt (305) is connected to respectively the ungrounded end of described power supply electric capacity (304), one end of the grid of external power metal-oxide-semiconductor (313) and clamping circuit (321), one end of described the first voltage sample network (322) is connected to respectively the source electrode of described external function metal-oxide-semiconductor (313), one end of the other end of clamping circuit (321) and second voltage sampling network (323), the other end of described the first voltage sample network (322) is connected to the first port of described minimum voltage testing circuit (325), the second port of described minimum voltage testing circuit (325) is connected to the first input end of comparer (326), the other end of described second voltage sampling network (323) is connected to the second input end of described comparer (326), described comparer (326) exports described the 14 port to, described the tenth five-port is connected to respectively the source electrode of described driven MOS pipe (315) and an end of primary current sampling resistor (316), the other end ground connection of described primary current sampling resistor (316), described the 12 port is connected to the grid of described driven MOS pipe (315), the drain electrode of described driven MOS pipe (315) is connected to the source electrode of described external power metal-oxide-semiconductor (313), described the 13 port is connected to described the 11 port, described the tenth port is connected to described the 3rd port, described the 9th port is connected to described the 4th port, described the 8th port is connected to described five-port, described the 7th port is connected to described the 6th port.
2. the secondary winding current detection circuit based on source drive according to claim 1, is characterized in that, this circuit also comprises: outside rectifier bridge (301), outside input capacitance (302), outside absorbing circuit (306), the external transformer (307) formed by armature winding (308) and secondary winding (309), external secondary commutation diode (310), outside output capacitance (311), external power metal-oxide-semiconductor (313), wherein, the external communication electric signal is after described outside rectifier bridge (301), pass through successively described outside input capacitance (302) and armature winding 308, described outside absorbing circuit (306) and the drain electrode that is connected to described external power metal-oxide-semiconductor (313) after described armature winding 308 is in parallel, described secondary winding (309), external secondary commutation diode (310) and outside output capacitance (311) form a loop, one end of described secondary winding (309) extremely is connected with the P of external secondary commutation diode (310), another termination output ground of described secondary winding (309).
3. the secondary winding current detection circuit based on source drive according to claim 1, is characterized in that, this circuit also comprises: outside rectifier bridge (301), outside input capacitance (302), outside fly-wheel diode (360), external inductors (350), outside output capacitance (311), external power metal-oxide-semiconductor (313), wherein, described outside rectifier bridge (301) is in parallel with described outside input capacitance (302), the ungrounded end of described outside input capacitance (302) is connected to respectively the N utmost point of described outside fly-wheel diode (360) and an end of outside output capacitance (311), the P utmost point of described outside fly-wheel diode (360) is connected to the drain electrode of described external power metal-oxide-semiconductor (313), the other end of described outside output capacitance (311) is connected to an end of described external inductors (350), the other end of described external inductors (350) is connected to the P utmost point of described outside fly-wheel diode (360).
8. the secondary winding current detection circuit based on source drive according to claim 1, it is characterized in that, described signaling module (327) comprising: current source (801), the first switch (802), the first electric capacity (803) or door (805), the first not gate (804), the second not gate (806), the 3rd not gate (810), the first monostable circuit (807), the second monostable circuit (808) and triple monostable circuit (809); wherein, one end of described current source (801) is connected with the first reference voltage (Vref1), the other end of described current source (801) is connected to respectively an end of described the first switch (802), the input end of one end of the first electric capacity (803) and the first not gate (804), the other end ground connection of described the first switch (802) and the first electric capacity (803), the output of the input signal of described the 11 port (335) and the first not gate (804) enters described or door (805) together, described or door (805) exports respectively the input end of described the 7th port and the second not gate (806) to, described the second not gate (806) exports an end of the first monostable circuit (807) to, described the first monostable circuit (807) other end exports described the 8th port to, described the 11 port is connected to respectively the grid of described the first switch (802) and an end of described the second monostable circuit (808), the other end of described the second monostable circuit (808) is connected to respectively the input end of described the 9th port and the 3rd not gate (810), described the 3rd not gate (810) exports an end of described triple monostable circuit (809) to, the other end of described triple monostable circuit (809) exports described the tenth port to.
9. the secondary winding current detection circuit based on source drive according to claim 1, it is characterized in that, described minimum voltage testing circuit (325) comprising: the 6th resistance (1001), second switch (1002), the 3rd switch (1003), the 4th switch (1004), the 5th switch (1005), the second electric capacity (1006), the 3rd electric capacity (1007), P channel MOS tube (1009), operational amplifier (1008), wherein, one end of described the 6th resistance (1001) is connected with the second reference voltage (Vref2), the other end of described the 6th resistance (1001) is connected to an end of described second switch (1002), the other end of described second switch (1002) is connected to respectively positive input terminal and first port of described operational amplifier (1008), the grid of described second switch (1002) is connected to described the 6th port, one end of described the second electric capacity (1006) is connected with described the second reference voltage (Vref2), the other end of described the second electric capacity (1006) is connected to respectively the source electrode of described P channel MOS tube (1009) and the negative input end of described operational amplifier (1008), the output terminal of described operational amplifier (1008) is connected to the grid of described P channel MOS tube (1009), the grounded drain of described P channel MOS tube (1009), one end of described the 3rd switch (1003) is connected with described the second reference voltage (Vref2), the grid of described the 3rd switch (1003) is connected to described five-port, the other end of described the 3rd switch (1003) is connected to respectively the negative input end of described operational amplifier (1008) and an end of described the 4th switch (1004), the grid of described the 4th switch (1004) is connected to described the 3rd port, the other end of described the 4th switch (1004) is connected to respectively an end of described the 3rd electric capacity (1007), one end of the second port and the 5th switch (1005), the other end ground connection of described the 3rd electric capacity (1007), the grid of described the 5th switch (1005) is connected to described the 4th port, the other end ground connection of described the 5th switch (1005).
10. the secondary winding current detection circuit based on source drive according to claim 1, it is characterized in that, described control module (328) output control signal when starting make described driven MOS pipe (315) and external power metal-oxide-semiconductor (313) open-minded, when the voltage of elementary current sampling resistor (316) reaches predetermined threshold value, described control module (328) output control signal makes described driven MOS pipe (315) and external power metal-oxide-semiconductor (313) turn-off; The moment that the Output rusults of described comparer (326) occurs to overturn is the current zero-crossing point of secondary winding (309), and described control module (328) is controlled opening constantly of described driven MOS pipe (315) and external power metal-oxide-semiconductor (313) according to the average current of external LED load (312).
CN201310391504.6A2013-09-022013-09-02Based on the secondary winding current testing circuit of source driveExpired - Fee RelatedCN103424602B (en)

Priority Applications (1)

Application NumberPriority DateFiling DateTitle
CN201310391504.6ACN103424602B (en)2013-09-022013-09-02Based on the secondary winding current testing circuit of source drive

Applications Claiming Priority (1)

Application NumberPriority DateFiling DateTitle
CN201310391504.6ACN103424602B (en)2013-09-022013-09-02Based on the secondary winding current testing circuit of source drive

Publications (2)

Publication NumberPublication Date
CN103424602Atrue CN103424602A (en)2013-12-04
CN103424602B CN103424602B (en)2015-12-16

Family

ID=49649647

Family Applications (1)

Application NumberTitlePriority DateFiling Date
CN201310391504.6AExpired - Fee RelatedCN103424602B (en)2013-09-022013-09-02Based on the secondary winding current testing circuit of source drive

Country Status (1)

CountryLink
CN (1)CN103424602B (en)

Cited By (10)

* Cited by examiner, † Cited by third party
Publication numberPriority datePublication dateAssigneeTitle
CN103715872A (en)*2014-01-032014-04-09深圳市金宏威技术股份有限公司Power supply and pulse width modulation generating method and device
CN103731049A (en)*2013-12-132014-04-16上海新进半导体制造有限公司Current zero crossing point detection circuit and method, driving circuit and method, and switch power source
CN103929849A (en)*2014-03-262014-07-16无锡市晶源微电子有限公司Isolation led drive circuit
CN104319983A (en)*2014-09-292015-01-28矽力杰半导体技术(杭州)有限公司Source driving method and driving circuit for switch power supply, and switch power supply
CN104360143A (en)*2014-12-042015-02-18杰华特微电子(杭州)有限公司 Load zero-crossing detection circuit and method, load voltage detection circuit and method
CN107612107A (en)*2017-08-232018-01-19成都芯源系统有限公司Power supply voltage generating circuit and integrated circuit thereof
CN109302076A (en)*2018-11-022019-02-01杰华特微电子(杭州)有限公司Detection circuit and method, ON-OFF control circuit and inverse-excitation converting circuit
CN111385937A (en)*2019-11-202020-07-07宁波凯耀电器制造有限公司Miniaturized intelligent lamp
CN114002493A (en)*2021-11-012022-02-01广东省大湾区集成电路与系统应用研究院 A neutral point voltage detection circuit for a motor
CN115864630A (en)*2022-12-092023-03-28广州市雅江光电设备有限公司 A power supply input source switching circuit

Citations (5)

* Cited by examiner, † Cited by third party
Publication numberPriority datePublication dateAssigneeTitle
CN101562397A (en)*2009-05-272009-10-21成都芯源系统有限公司Dual-mode constant current control method based on third winding detection and circuit thereof
CN101651425A (en)*2008-08-142010-02-17艾默生网络能源系统北美公司Synchronous rectification driving device
US20120146545A1 (en)*2010-12-092012-06-14General Electric CompanyDriver circuit with primary side state estimator for inferred output current feedback sensing
CN102957324A (en)*2012-11-232013-03-06深圳市振邦实业有限公司Power detection circuit
CN203465339U (en)*2013-09-022014-03-05南京埃科孚电子科技有限公司Secondary winding current detection circuit based on source drive

Patent Citations (5)

* Cited by examiner, † Cited by third party
Publication numberPriority datePublication dateAssigneeTitle
CN101651425A (en)*2008-08-142010-02-17艾默生网络能源系统北美公司Synchronous rectification driving device
CN101562397A (en)*2009-05-272009-10-21成都芯源系统有限公司Dual-mode constant current control method based on third winding detection and circuit thereof
US20120146545A1 (en)*2010-12-092012-06-14General Electric CompanyDriver circuit with primary side state estimator for inferred output current feedback sensing
CN102957324A (en)*2012-11-232013-03-06深圳市振邦实业有限公司Power detection circuit
CN203465339U (en)*2013-09-022014-03-05南京埃科孚电子科技有限公司Secondary winding current detection circuit based on source drive

Cited By (16)

* Cited by examiner, † Cited by third party
Publication numberPriority datePublication dateAssigneeTitle
CN103731049A (en)*2013-12-132014-04-16上海新进半导体制造有限公司Current zero crossing point detection circuit and method, driving circuit and method, and switch power source
CN103731049B (en)*2013-12-132017-05-31上海新进半导体制造有限公司Current zero-crossing point detects circuit and method, drive circuit and method, Switching Power Supply
CN103715872A (en)*2014-01-032014-04-09深圳市金宏威技术股份有限公司Power supply and pulse width modulation generating method and device
CN103715872B (en)*2014-01-032017-01-11深圳市金宏威技术股份有限公司Power supply and pulse width modulation generating method and device
CN103929849A (en)*2014-03-262014-07-16无锡市晶源微电子有限公司Isolation led drive circuit
CN103929849B (en)*2014-03-262016-05-25无锡市晶源微电子有限公司Isolation led drive circuit
CN104319983A (en)*2014-09-292015-01-28矽力杰半导体技术(杭州)有限公司Source driving method and driving circuit for switch power supply, and switch power supply
CN104319983B (en)*2014-09-292017-09-29矽力杰半导体技术(杭州)有限公司A kind of source driving method, drive circuit and Switching Power Supply being used in Switching Power Supply
CN104360143B (en)*2014-12-042017-08-08杰华特微电子(杭州)有限公司 Current zero-crossing detection circuit and method, load voltage detection circuit and method
CN104360143A (en)*2014-12-042015-02-18杰华特微电子(杭州)有限公司 Load zero-crossing detection circuit and method, load voltage detection circuit and method
CN107612107A (en)*2017-08-232018-01-19成都芯源系统有限公司Power supply voltage generating circuit and integrated circuit thereof
CN109302076A (en)*2018-11-022019-02-01杰华特微电子(杭州)有限公司Detection circuit and method, ON-OFF control circuit and inverse-excitation converting circuit
CN111385937A (en)*2019-11-202020-07-07宁波凯耀电器制造有限公司Miniaturized intelligent lamp
CN114002493A (en)*2021-11-012022-02-01广东省大湾区集成电路与系统应用研究院 A neutral point voltage detection circuit for a motor
CN114002493B (en)*2021-11-012023-10-24广东省大湾区集成电路与系统应用研究院Neutral point voltage detection circuit of motor
CN115864630A (en)*2022-12-092023-03-28广州市雅江光电设备有限公司 A power supply input source switching circuit

Also Published As

Publication numberPublication date
CN103424602B (en)2015-12-16

Similar Documents

PublicationPublication DateTitle
CN103424602B (en)Based on the secondary winding current testing circuit of source drive
CN111404403B (en)Synchronous rectification control method and control circuit for self-adaptive detection time
CN102832792B (en)Source electrode driving control circuit and control method thereof
US9906147B2 (en)Adaptive dead time control apparatus and method for switching power converters
US8917068B2 (en)Quasi-resonant controlling and driving circuit and method for a flyback converter
CN102983760B (en)Flyback switching power system and constant current controller thereof
CN102185484B (en)Switching power supply and control circuit and control method thereof
CN103887984A (en)Isolating converter and switching power supply comprising same
CN103944374A (en)PFC constant-voltage driving control circuit for primary side feedback and control method
CN101588126B (en)Wide load characteristic ZVZCS three-level DC-DC converter
CN103715898B (en)Feedback voltage sample circuit, feedback voltage blanking circuit and method
CN101582638A (en)Switching power source apparatus
CN103066872A (en)Integration switch power supply controller and switch power supply using the same
CN203814013U (en)LED driving circuit adopting single-end zero crossing detection
US9001538B2 (en)Switching power supply apparatus
CN110798075A (en)Control circuit and switching converter using same
CN101902134B (en)Power source apparatus
CN101667781A (en)Self-adaptive driving circuit of active clamping switch tube
CN207732627U (en)IGBT driving power supply with wide voltage input
CN104539167B (en)Synchronous rectification control method of push-pull converter and control chip
CN203465339U (en)Secondary winding current detection circuit based on source drive
CN103762848A (en)Drive circuit for switch type double-end direct-current converter
CN206117518U (en)Transistor drive controller of converter recommends
US9698666B2 (en)Power supply and gate driver therein
CN202424561U (en)Synchronous rectification driving circuit

Legal Events

DateCodeTitleDescription
C06Publication
PB01Publication
C10Entry into substantive examination
SE01Entry into force of request for substantive examination
C14Grant of patent or utility model
GR01Patent grant
C41Transfer of patent application or patent right or utility model
TA01Transfer of patent application right

Effective date of registration:20151203

Address after:Suzhou City, Jiangsu province 215000 Industrial Park Suzhou Xinping Street No. 388 Suzhou innovation park off the 23 building 3 layer 09, 10 unit

Applicant after:SUZHOU ZHIPU XINLIAN ELECTRONIC TECHNOLOGY Co.,Ltd.

Address before:101, room 1, building 108, East 210046, Gan Hua Street, Yao Road, Qixia District, Jiangsu, Nanjing

Applicant before:NANJING AIKEFU ELECTRONIC TECHNOLOGY Co.,Ltd.

C56Change in the name or address of the patentee
CP01Change in the name or title of a patent holder

Address after:Suzhou City, Jiangsu province 215000 Industrial Park Suzhou Xinping Street No. 388 Suzhou innovation park off the 23 building 3 layer 09, 10 unit

Patentee after:SUZHOU INTELLI CHIPLINK ELECTRONIC POLYTRON TECHNOLOGIES Inc.

Address before:Suzhou City, Jiangsu province 215000 Industrial Park Suzhou Xinping Street No. 388 Suzhou innovation park off the 23 building 3 layer 09, 10 unit

Patentee before:SUZHOU ZHIPU XINLIAN ELECTRONIC TECHNOLOGY Co.,Ltd.

CF01Termination of patent right due to non-payment of annual fee
CF01Termination of patent right due to non-payment of annual fee

Granted publication date:20151216


[8]ページ先頭

©2009-2025 Movatter.jp