Movatterモバイル変換


[0]ホーム

URL:


CN103220868A - High-power light emitting diode (LED) switching power supply - Google Patents

High-power light emitting diode (LED) switching power supply
Download PDF

Info

Publication number
CN103220868A
CN103220868ACN 201310165193CN201310165193ACN103220868ACN 103220868 ACN103220868 ACN 103220868ACN 201310165193CN201310165193CN 201310165193CN 201310165193 ACN201310165193 ACN 201310165193ACN 103220868 ACN103220868 ACN 103220868A
Authority
CN
China
Prior art keywords
power supply
power
pfc
mainly
circuit
Prior art date
Legal status (The legal status is an assumption and is not a legal conclusion. Google has not performed a legal analysis and makes no representation as to the accuracy of the status listed.)
Pending
Application number
CN 201310165193
Other languages
Chinese (zh)
Inventor
李智
易显富
Current Assignee (The listed assignees may be inaccurate. Google has not performed a legal analysis and makes no representation or warranty as to the accuracy of the list.)
SICHUAN CHUANGJING TECHNOLOGY Co Ltd
Original Assignee
SICHUAN CHUANGJING TECHNOLOGY Co Ltd
Priority date (The priority date is an assumption and is not a legal conclusion. Google has not performed a legal analysis and makes no representation as to the accuracy of the date listed.)
Filing date
Publication date
Application filed by SICHUAN CHUANGJING TECHNOLOGY Co LtdfiledCriticalSICHUAN CHUANGJING TECHNOLOGY Co Ltd
Priority to CN 201310165193priorityCriticalpatent/CN103220868A/en
Publication of CN103220868ApublicationCriticalpatent/CN103220868A/en
Pendinglegal-statusCriticalCurrent

Links

Images

Landscapes

Abstract

The invention discloses a high-power light emitting diode (LED) switching power supply. The high-power LED switching power supply comprises a power factor correction (PFC) module, an LLC (Logical Link Control) module and a constant current module, wherein the PFC module is used for receiving alternating current, performing PFC and outputting constant direct current voltage; the LLC module is used for stabilizing and isolating the voltage, and outputting constant and safe low-voltage current; and the constant current module can output constant current to enable an LED light module to normally work, and can output a plurality of paths of constant current to drive a plurality of paths of LED light modules.

Description

A kind of great power LED Switching Power Supply
Technical field
Because led light source can not directly be used the electric main driven for emitting lights as incandescent lamp, the present invention is the driving power that is added between electric main and the LED, this driving is the series connection constant-current driving, the present invention has designed a kind of led driver of high-power six tunnel outputs, so the present invention belongs to the great power LED power supply.
Background technology
Light-emitting diode (LED) is the illumination component of novel power saving, LED must be under suitable LED power drives condition could be luminous, the LED green illumination has caused the great attention of a lot of countries in the world in recent years, and the power requirement of present LED lamp is in further raising.The design of present most of led drivers and produce to exist not enoughly often shortens dramatically because of driver constant current subproblem causes the useful life of LED, and it is very big unfavorable that this popularizes for following LED illumination to have brought.Because LED belongs to the green energy conservation product, its driving power also requires energy-efficient naturally, and this just has higher requirement to power supply, and traditional led driver power factor is lower, has wasted the energy, and traditional LED power is also lower.
The object technology problem that the present invention mainly solves is that mainly low the and constant current problem of the power factor at present LED driving power reduces the life-span a kind of new optimization circuit is provided.
Summary of the invention
At the new demand of deficiency that exists in the background technology and proposition, the present invention proposes a kind of high-power constant-flow driver of six road light-emitting diodes that can drive at most, every road can drive 15 series LED lamps.It mainly comprises circuit of power factor correction (PFC), half-bridge resonance circuit (LLC) and constant-current circuit.
Described pfc circuit mainly adopts active PFC scheme, and input voltage and current correction are become the identical and distortionless sine wave of phase place, power factor is reached approach 1 a certain predetermined value.
Described LLC circuit is used for step-down and isolation, presses in transformer secondary output output constant DC.
Described constant-current circuit is used to export constant electric current for the great power LED operate as normal.
This driving power also adds electromagnetic interface filter between electrical network and PFC, the high-frequency harmonic in the filtering electrical network reduces the interference of electrical network high frequency clutter to power supply on the one hand, stops the pollution of power pulse to electrical network on the other hand.
Described electromagnetic interface filter such as Fig. 2 constitute low pass filter by the one or four electric capacity and first inductance and can effectively suppress the high frequency noise signal.Wherein the second and the 3rd electric capacity is connected to outer casing of power supply on the ground by the live wire and the zero line of electrical network respectively, can prevent effectively that like this metal shell of power supply is charged.
Described pfc circuit as shown in Figure 3, this power supply PFC module adopts the L6563 chip to realize.The LLC circuit as shown in Figure 4, this power supply LLC module adopts the L6599 chip to realize.Constant-current circuit as shown in Figure 5, this power supply constant flow module adopts the LM3404 chip to realize.
As shown in Figure 3, described L6563 chip has 14 pins, and each pin function is as described below: pin 1 (INV pin) is the inverting input of error amplifier.Pin 2 (COMP pin) is the output of voltage error amplifier and the input of internal multiplier.Pin 3 (MULT pin) is another input of internal multiplier.Pin 4 (CS pin) is chip peak current sampling input pin.Pin 5 (VFF pin) is 1/V2The 3rd input pin of function internal multiplier.Pin 6 (CS pin) is for following the tracks of the boost function pin.Pin 7 (PFC_OK pin) is pfc controller output voltage control pin.Pin 8 (PWM_LATCH pin) is the fault-signal output pin.Pin 9 (PWM_STOP pin) is the fault-signal output pin.Pin 10 (RUN pin) is remote switch control pin.Pin 11 (ZCD pin) is an inductive current zero passage detection pin.Pin 12 (GND pin) is a chip ground pin.Pin 13 (GD pin) is MOSE pipe drive signal output pin.Pin 14 (VCC pin) is the chip power pin, is used to connect start-up circuit and power supply circuits.
Description of drawings
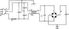
Fig. 1 power supply architecture figure
Fig. 2 EMI filter circuit figure
Fig. 3 PFC module circuit diagram
Fig. 4 chip enable power supply and power supply circuit figure
Fig. 5 LLC module circuit diagram
Fig. 6 constant flow module circuit diagram
Embodiment
The load of described driving power is 0 to 150W.The load of every paths of LEDs optical module is 25W, when fully loaded be 150W when connecing 6 paths of LEDs optical modules.
This power supply is the wide region working power, and first order PFC module can make input voltage still can export the direct voltage operate as normal of 400V in the back level when 110V fluctuates to 265V.Supply with constant flow module through LLC step-downoutput 56V direct voltage again.But so can make whole power supply equal operate as normal when 110V imports to the 265V power supply like this.And have under-voltage, overvoltage, overcurrent protection function, guarantee the power safety operate as normal.
Described PFC module comprises:
310V left and right sides voltage after the rectification of bridge heap is received the elementary end of L2 inductance, the drain electrode of another termination Q3 that the L2 inductance is elementary and the anode of D2.The negative electrode of D2 is received an end of thermo-sensitive resistor, the positive pole of another termination C4 electric capacity, the minus earth of C4 electric capacity.
Described L6563 peripheral circuit comprises:
L6563 peripheral circuit as shown in Figure 3, C1 and C6 series connection back and C3 are attempted by 1,2 pins of chip jointly.Connect in R4, R9 after R28 and the R29 parallel connection, form with the series connection divider resistance and be attempted by between PFC output voltage and the ground.Wherein the R28 resistance one end ground connection other end is received 1 pin of chip.R5, R11, R19, R25 resistance are attempted by between PFC output voltage and the ground same the composition with the series connection divider resistance, and 7 pins of the last termination L6563 chip of R19 connect 9 pins of L6599 chip.R3, R8, R18 form the series connection dividing potential drop, tell 3 pins that a current potential is received chip in the pulsating direct current of 310V.Receive after D5 and the R14 parallel connection on the grid of 13 pins of chip and Q3.The grid of Q3 and source electrode parallel resistance R15, source electrode is being connected to ground by resistance R 67.R67 and source electrode link are at the 4th pin that is connected to chip by resistance R 24.Chip 5,10 pin parallel resistance R30,10 pin are connected to ground by R30 again.
Described startup and power supply circuits as shown in Figure 4,resistance R 2, R7, MOSE pipe Q1, diode D4, D6 form start-up circuit provides starting current by current-limiting resistance R16 to chip.When R17, D7, D9, Q4 form the power supply circuits operate as normal to chip power supply.R12, R13, Q2 form the cut-out circuit, just start-up circuit are cut off behind circuit start, lean on power supply circuits to chip power supply.
Described LLC half-bridge resonance circuit adopts the L6599 chip, and this chip periphery circuit is with reference to LLC circuit diagram shown in Figure 5.The LLC circuit carries out step-down to the DC bus-bar voltage of 400V, and it is a string LED optical module that the direct voltage ofoutput 56V can be exported 15 LED of multichannel.
Described constant flow module circuit adopts the LM3404 chip, and this chip periphery circuit is with reference to shown in Figure 6.Exportable constant 15 LED of electric current supply of this module are a string LED optical module operate as normal.

Claims (8)

CN 2013101651932013-05-082013-05-08High-power light emitting diode (LED) switching power supplyPendingCN103220868A (en)

Priority Applications (1)

Application NumberPriority DateFiling DateTitle
CN 201310165193CN103220868A (en)2013-05-082013-05-08High-power light emitting diode (LED) switching power supply

Applications Claiming Priority (1)

Application NumberPriority DateFiling DateTitle
CN 201310165193CN103220868A (en)2013-05-082013-05-08High-power light emitting diode (LED) switching power supply

Publications (1)

Publication NumberPublication Date
CN103220868Atrue CN103220868A (en)2013-07-24

Family

ID=48818155

Family Applications (1)

Application NumberTitlePriority DateFiling Date
CN 201310165193PendingCN103220868A (en)2013-05-082013-05-08High-power light emitting diode (LED) switching power supply

Country Status (1)

CountryLink
CN (1)CN103220868A (en)

Cited By (6)

* Cited by examiner, † Cited by third party
Publication numberPriority datePublication dateAssigneeTitle
CN104578847A (en)*2015-01-282015-04-29深圳市西凡谨顿科技有限公司Intelligent multi-channel output switch power source
CN105228292A (en)*2014-07-022016-01-06天津工大海宇照明部品有限公司A kind of LED constant current driving power
CN105628614A (en)*2014-11-252016-06-01奥宝科技股份有限公司Illumination intensity control device and method, and optical inspection system
WO2019015099A1 (en)*2017-07-202019-01-24深圳市光峰光电技术有限公司Switch power supply with undervoltage point protection, and laser projector
CN115833609A (en)*2022-12-292023-03-21成都启微科技有限公司 A switching power supply with soft switching technology
CN115987116A (en)*2023-03-222023-04-18广东东菱电源科技有限公司High-power supply low-standby power consumption control circuit

Cited By (7)

* Cited by examiner, † Cited by third party
Publication numberPriority datePublication dateAssigneeTitle
CN105228292A (en)*2014-07-022016-01-06天津工大海宇照明部品有限公司A kind of LED constant current driving power
CN105628614A (en)*2014-11-252016-06-01奥宝科技股份有限公司Illumination intensity control device and method, and optical inspection system
CN105628614B (en)*2014-11-252021-04-16奥宝科技有限公司Irradiation intensity control apparatus and method, and optical inspection system
CN104578847A (en)*2015-01-282015-04-29深圳市西凡谨顿科技有限公司Intelligent multi-channel output switch power source
WO2019015099A1 (en)*2017-07-202019-01-24深圳市光峰光电技术有限公司Switch power supply with undervoltage point protection, and laser projector
CN115833609A (en)*2022-12-292023-03-21成都启微科技有限公司 A switching power supply with soft switching technology
CN115987116A (en)*2023-03-222023-04-18广东东菱电源科技有限公司High-power supply low-standby power consumption control circuit

Similar Documents

PublicationPublication DateTitle
CN202603010U (en)Driving circuit of compatible LED (Light Emitting Diode) lamp tube
CN101969727B (en)High power LED driving power supply
CN201976288U (en)Drive power supply for LED illuminating light
CN103220868A (en)High-power light emitting diode (LED) switching power supply
CN203632933U (en)LED lamp driving power supply using numerical control chip
CN103841702A (en) A kind of LED driving circuit and LED driving method
CN201821546U (en)LED light source driving power supply
CN201830521U (en)Offline type high-power LED (light-emitting diode) constant-current drive power supply
CN203181299U (en)Constant-current driving circuit structure for small-power lamps
CN203618173U (en)LED lamp driving power based on primary side feedback
CN203039971U (en)Novel lamp drive circuit
CN204518177U (en)A kind of LED drive power circuit
CN203896538U (en)LED driving power source employing single switch tube and two Buck-Boost circuits in cascade connection
CN201947497U (en) LED street lamp constant current drive device
CN203136240U (en)Wide-range constant-current LED power supply VCC drive circuit
CN203104911U (en)High-power LED (light emitting diode) drive power supply
CN104378888A (en)Simple silicon-controlled dimming LED driving power supply with high-PFC structure
CN201462724U (en)Novel LED street lamp
CN104735837A (en)LED street lamp power supply without power frequency ripples and with APFC function
CN103716960A (en) A driving circuit for high-power LED light source
CN203691688U (en) A driving circuit for high-power LED light source
CN204145795U (en)Have APFC function without working frequency ripple wave LED streetlamp power source
CN201709008U (en)Digital ballast of gas discharge lamp
CN201830527U (en)High-power LED (light emitting diode) driving power supply
CN202488835U (en)LED drive circuit

Legal Events

DateCodeTitleDescription
C06Publication
PB01Publication
C02Deemed withdrawal of patent application after publication (patent law 2001)
WD01Invention patent application deemed withdrawn after publication

Application publication date:20130724


[8]ページ先頭

©2009-2025 Movatter.jp