


技术领域technical field
本发明涉及一种直流-直流变换器,具体说是一种交错并联高增益升压型直流变换器。The invention relates to a DC-DC converter, in particular to an interleaved parallel high-gain step-up DC converter.
the
背景技术Background technique
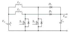
现有技术中,基本的升压型(Boost)交错并联变换器,参见附图1(以两相交错并联为例),它包括两个电感,两个功率开关管,两个输出二极管。其中第一个电感的输入端与第二个电感的输入端一起连接输入电源的正极,输出端接第一个输出二极管的阳极,第一个二极管的阴极与第二个二极管的阴极一起接变换器输出端的正极;在第一电感和第一个二极管的阳极之间接第一功率开关的漏极,第一功率开关源极接变换器的负极;第二个电感的输出端接第二个输出二极管的阳极,在第二电感和第二个二极管的阳极之间接第二功率开关的漏极,第二功率开关源极接变换器的负极。这种基本升压型交错并联变换器输出电压增益较小,且功率开关管和二极管的电压应力均为输出电压,所以损耗也较大。在一些输入输出电压差较大的场合难以胜任,如光伏电池并网,X光机电源等。近年来,相继出现了一些具有高增益能力的电路拓扑,主要有三种。第一种借助于变压器,在原有的直流-直流变换器中间加入一个高频的变压器,通过改变变压器变比实现高增益升压的目的。但此时,电能的转化过程实际上由原来的直流-直流,变为直流-交流-交流-直流,整个系统的能量转换效率降低了。第二种是利用开关电容的方法实现高增益升压,但此种方案所需开关器件过多,控制复杂,成本也较高,因而也不常用。第三种是利用耦合电感来实现高增益升压,但耦合电感的使用,同样会引起开关器件电压应力过高,并且会带来电磁干扰等影响,导致变换器工作损耗较大。In the prior art, the basic step-up (Boost) interleaved parallel converter is shown in Fig. 1 (take the two-phase interleaved parallel connection as an example), which includes two inductors, two power switch tubes, and two output diodes. The input terminal of the first inductor and the input terminal of the second inductor are connected to the positive pole of the input power supply, the output terminal is connected to the anode of the first output diode, and the cathode of the first diode is connected to the cathode of the second diode together. The positive pole of the output terminal of the converter; the drain of the first power switch is connected between the first inductor and the anode of the first diode, and the source of the first power switch is connected to the negative pole of the converter; the output terminal of the second inductor is connected to the second output The anode of the diode is connected between the second inductor and the anode of the second diode to the drain of the second power switch, and the source of the second power switch is connected to the negative pole of the converter. The output voltage gain of this basic step-up interleaved parallel converter is small, and the voltage stress of the power switch tube and diode is the output voltage, so the loss is also relatively large. In some occasions where the input and output voltage difference is large, it is difficult to be competent, such as photovoltaic cells connected to the grid, X-ray machine power supply, etc. In recent years, some circuit topologies with high gain capability have appeared one after another, and there are mainly three kinds. The first is to add a high-frequency transformer in the middle of the original DC-DC converter by means of a transformer, and achieve the purpose of high-gain boosting by changing the transformation ratio of the transformer. But at this time, the conversion process of electric energy is actually changed from the original DC-DC to DC-AC-AC-DC, and the energy conversion efficiency of the whole system is reduced. The second is to use switched capacitors to achieve high-gain boost, but this solution requires too many switching devices, complicated control, and high cost, so it is not commonly used. The third is to use coupled inductors to achieve high-gain boost, but the use of coupled inductors will also cause excessive voltage stress on switching devices, and will cause electromagnetic interference and other effects, resulting in greater operating losses of the converter.
the
发明内容Contents of the invention
针对现有技术存在的上述不足,本发明解决现有变换器存在能量转换效率降低、开关器件过多、开关管和二极管电压应力大等问题,提供一种具有高增益能力的交错并联升压型直流-直流变换器。Aiming at the above-mentioned deficiencies in the prior art, the present invention solves the problems of lower energy conversion efficiency, too many switching devices, and large voltage stress of switching tubes and diodes in existing converters, and provides an interleaved parallel boost type with high gain capability DC-DC converter.
为了解决上述技术问题,本发明采用如下技术方案:一种交错并联高增益升压型直流变换器,其特征在于,包含两个电感L1、L2,两个功率开关S1、S2,以及n个倍压单元;所述倍压单元是由一个二极管和一个电容构成的三端口单元,n个倍压单元按顺序交错接入;n为自然数,取值范围为 ;其电路连接关系为:In order to solve the above technical problems, the present invention adopts the following technical solution: an interleaved parallel high-gain step-up DC converter, which is characterized in that it includes two inductors L1 , L2 , two power switches S1 , S2 , and n voltage doubler units; the voltage doubler unit is a three-port unit composed of a diode and a capacitor, and the n voltage doubler units are interleaved in order; n is a natural number, and the value range is ; Its circuit connection relationship is:
第一电感L1和第二电感L2的输入端同时接输入电源的正极,第一电感L1和第二电感L2的输出端分别接第一功率开关S1和第二功率开关S2的漏极,第一功率开关S1和第二电感L2的源极均接地;第一功率开关S1和第二功率开关S2的栅极分别接各自的控制器;两个功率开关S1、S2的驱动相位之间相差180o,即采用交错控制策略;The input terminals of the first inductor L1 and the second inductor L2 are connected to the positive pole of the input power supply at the same time, and the output terminals of the first inductor L1 and the second inductor L2 are respectively connected to the first power switch S1 and the second power switch S2 The drain of the first power switch S1 and the source of the second inductor L2 are grounded; the gates of the first power switch S1 and the second power switch S2 are respectively connected to their respective controllers; the two power switches S1. The difference between the driving phases of S2 is 180o , that is, the interleaving control strategy is adopted;
第一电感L1的输出端还接第1、3、…、n-1个倍压单元的第三个端口;在第一电感L1和第1、3、…、n-1个倍压单元第三个端口的结点处与第一功率开关S1的漏极相连;The output terminal of the first inductor L1 is also connected to the third port of the 1st, 3rd, ..., n-1 voltage doubler units; between the first inductor L1 and the 1st, 3rd, ..., n-1 voltage doubler units The node of the third port of the unit is connected to the drain of the first power switch S1;
第二电感L2的输出端接第一个倍压单元的第一个端口,第一个倍压单元的第二个端口接第二个倍压单元的第一个端口,第二个倍压单元的第二个端口接第三个倍压单元的第一个端口,以此类推,一直到第n个倍压单元,所有偶数个倍压单元的第三个端口连接到第二电感L2与第一个倍压单元的第一个端口的连接结点处;该结点同时与第二功率开关S2的漏极相连;The output terminal of the second inductorL2 is connected to the first port of the first voltage doubler unit, the second port of the first voltage doubler unit is connected to the first port of the second voltage doubler unit, and the second voltage doubler unit The second port of the unit is connected to the first port of the third voltage doubler unit, and so on until the nth voltage doubler unit, and the third port of all even number of voltage doubler units is connected to the second inductance L2 At the connection node with the first port of the first voltage doubler unit; the node is connected with the drain of the second power switchS2 at the same time;
第n个倍压单元的第二接口和第三接口为变换器的输出正、负极。The second interface and the third interface of the nth voltage doubler unit are the output positive and negative poles of the converter.
相比现有技术,本发明具有如下有益效果:Compared with the prior art, the present invention has the following beneficial effects:
1、本发明利用所提倍压单元实现了变换器的高增益输出,电路中每增加一个倍压单元都可在原电路的增益基础之上提高一倍的基础增益,也就是说若在电路中增加n个倍压单元,则该电路的增益比就是基本升压变换器的(n+1)倍。与现有的高增益升压变换器相比,本发明电路拓扑简单,不存在耦合电感(EMI小),并且可以大幅降低开关器件的电压应力,这样变换器整体工作效率得到了提高。1. The present invention utilizes the proposed voltage doubler unit to realize the high gain output of the converter. Every time a voltage doubler unit is added in the circuit, the basic gain can be doubled on the basis of the gain of the original circuit. That is to say, if in the circuit Adding n voltage doubling units, the gain ratio of the circuit is (n+1) times that of the basic boost converter. Compared with the existing high-gain step-up converter, the invention has simple circuit topology, no coupling inductance (small EMI), and can greatly reduce the voltage stress of the switching device, so that the overall working efficiency of the converter is improved.
2、该变换器具有高增益升压能力,可以完成直流-直流高增益升压任务,比如光伏电池到并网逆变器所需直流母线之间的直流-直流高增益升压任务。每一个变换器根据应用场合不同,可以设计采用不同数量的倍压单元,且每一路输入的电流和输出电压均可控。2. The converter has high-gain boost capability and can complete DC-DC high-gain boost tasks, such as the DC-DC high-gain boost task between photovoltaic cells and the DC bus required by the grid-connected inverter. Each converter can be designed with different numbers of voltage doubler units according to different applications, and the input current and output voltage of each channel can be controlled.
3、每一个变换器根据应用场合不同,可以设计采用不同数量的倍压单元,且每一路输入的电流和输出电压均可控。3. Each converter can be designed with different numbers of voltage doubler units according to different applications, and the input current and output voltage of each channel can be controlled.
the
附图说明 Description of drawings
图1是现有的基本升压型(Boost)交错并联变换器电路原理图。Fig. 1 is the circuit schematic diagram of the existing basic step-up (Boost) interleaved parallel converter.
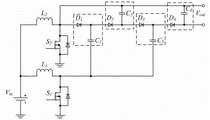
图2是本发明交错并联高增益升压型直流变换器一实施例的电路原理图。FIG. 2 is a schematic circuit diagram of an embodiment of an interleaved parallel high-gain step-up DC converter according to the present invention.
图3是本发明交错并联高增益升压型直流变换器中倍压单元实施例示意图。Fig. 3 is a schematic diagram of an embodiment of a voltage doubler unit in an interleaved parallel high-gain step-up DC converter according to the present invention.
the
具体实施方式Detailed ways
下面结合附图和具体实施方式对本发明作进一步详细说明。The present invention will be described in further detail below in conjunction with the accompanying drawings and specific embodiments.
如图2所示,一种具有高增益能力的交错并联升压型直流变换器,由低压输入电源和DC/DC升压电路组成;所述高增益交错并联型直流-直流变换器包含两个电感L1、L2,两个功率开关S1、S2,和4个倍压单元(4个二极管和4个电容构成); As shown in Figure 2, an interleaved parallel boost DC converter with high gain capability consists of a low-voltage input power supply and a DC/DC boost circuit; the high-gain interleaved parallel DC-DC converter includes two Inductors L1 , L2 , two power switches S1 , S2 , and 4 voltage doubler units (composed of 4 diodes and 4 capacitors);
第一电感L1的输入端接输入电源的正极,输出端接第一、第三个倍压单元的第三个端口;在第一电感L1和第一、第三个倍压单元第三个端口的结点处与第一功率开关S1的漏极相连,第一功率开关S1源极接输入电源的地;The input terminal of the first inductor L1 is connected to the positive pole of the input power supply, and the output terminal is connected to the third port of the first and third voltage doubler units; between the first inductor L1 and the third port of the first and third voltage doubler units The node of each port is connected to the drain of the first power switchS1 , and the source of the first power switchS1 is connected to the ground of the input power supply;
第二电感L2的输入端接输入电源的正极,输出端接第一个倍压单元的第一个端口,第一个倍压单元的第二个端口接第二个倍压单元的第一个端口,第二个倍压单元的第二个端口接第三个倍压单元的第一个端口,第三个倍压单元的第二个端口接第四个倍压单元的第一个端口,第四个倍压单元的第二个端口为输出端的正极,第二、第四个倍压单元的第三个端口连接到第二电感L2与第一个倍压单元的第一个端口的连接结点处,且该节点同时为输出端的负极,该结点同时与第二功率开关S2的漏极相连,第二功率开关S2源极接输入电源的地;第n个倍压单元的第二接口和第三接口为变换器的输出正、负极。The input terminal of the second inductorL2 is connected to the positive pole of the input power supply, the output terminal is connected to the first port of the first voltage doubler unit, and the second port of the first voltage doubler unit is connected to the first port of the second voltage doubler unit. port, the second port of the second doubler unit is connected to the first port of the third doubler unit, the second port of the third doubler unit is connected to the first port of the fourth doubler unit , the second port of the fourth voltage doubler unit is the positive pole of the output terminal, the third port of the second and fourth voltage doubler units is connected to the second inductance L2 and the first port of the first voltage doubler unit At the connection node of , and this node is also the negative pole of the output terminal, this node is also connected to the drain of the second power switchS2 , and the source of the second power switchS2 is connected to the ground of the input power supply; the nth voltage doubler The second interface and the third interface of the unit are the output positive and negative poles of the converter.
本发明使用的功率开关为开关器件,功率开关的开启与关闭受到控制器的控制,上述的4倍高增益升压电路,由控制器控制两相功率开关的占空比每相之间相位相差180°。其各相占空比大小根据输入输出关系决定。The power switch used in the present invention is a switching device, and the opening and closing of the power switch is controlled by the controller. The above-mentioned 4 times high gain boost circuit is controlled by the controller to control the duty cycle of the two-phase power switch and the phase difference between each phase. 180°. The duty cycle of each phase is determined according to the relationship between input and output.
根据功率开关状态的不同,可以将电路分为3种工作状态:According to the different states of the power switch, the circuit can be divided into three working states:
(1)控制器控制功率开关S1关断,功率开关S2导通,此时低压电源通过电感L1、电容C1和二极管D2向电容C2充电,同时低压电源通过电感L1、电容C3、和二极管D4向电容C4及高压直流母线供电;此时功率开关S2保持开通状态,低压电源通过功率开关S2向电感L2充电;二极管D1和二极管D3均关断。(1) The controller controls the power switch S1 to turn off, and the power switch S2 to turn on. At this time, the low-voltage power supply charges the capacitor C 2 through the inductorL1 , capacitor C1 and diode D2 , and at the same time, the low-voltage power supply passes through the inductor L1 , Capacitor C3 and diode D4 supply power to capacitor C4 and the high-voltage DC bus; at this time, power switch S2 remains on, and the low-voltage power supply charges inductor L2 through power switch S2 ; diode D1 and diode D3 are both off broken.
(2)控制器控制功率开关S2关断,功率开关S1导通,此时低压电源通过电感L2、和二极管D1向电容C1充电,同时低压电源通过电感L2、电容C2和二极管D3向电容C3充电;此时功率开关S1保持开通状态,低压电源通过功率开关S1向电感L1充电;二极管D2和二极管D4均关断。(2) The controller controls the power switch S2 to be turned off, and the power switch S1 is turned on. At this time, the low-voltage power supply charges the capacitor C1 through the inductor L2 and the diode D1 , and at the same time, the low-voltage power supply passes through the inductor L2 and the capacitor C2 and diodeD3 to charge capacitorC3 ; at this time, power switchS1 remains on, and the low-voltage power supply charges inductorL1 through power switchS1 ; diodeD2 and diodeD4 are both turned off.
(3)功率开关均导通,此时低压电源通过功率开关S1和功率开关S2分别向电感L1和电感L2充电;二极管D1、二极管D2、二极管D3和二极管D4均关断。(3) The power switches are all turned on. At this time, the low-voltage power supply charges the inductance L1 and the inductance L2 through the power switch S1 and the power switch S2 respectively; diode D1 , diode D2 , diode D3 and diode D4 are all off.
所述的交错并联高增益升压型直流变换器相比于基本的交错并联Boost升压直流变换器具有4倍的增益比,且该变换器的2相输入电流在2个功率开关管占空比相等时具有自动平衡电流的能力。该变换器输入端连接电压供电模块(光伏电池、燃料电池等),输出电压可控的高压直流电。Compared with the basic interleaved parallel Boost DC converter, the interleaved parallel high-gain step-up DC converter has a gain ratio of 4 times, and the 2-phase input current of the converter takes up two power switch tubes When the ratio is equal, it has the ability to automatically balance the current. The input end of the converter is connected to a voltage supply module (photovoltaic cell, fuel cell, etc.), and outputs a high-voltage direct current with controllable voltage.
在本发明的具体实施方式中,功率开关根据系统中所需直流母线电压的不同,而选择不同电压应力的开关器件。值得注意的是,开关管的电压应力均只有高压直流母线的四分之一。In a specific embodiment of the present invention, the power switch selects switching devices with different voltage stresses according to the difference in the required DC bus voltage in the system. It is worth noting that the voltage stress of the switching tubes is only a quarter of that of the high-voltage DC bus.
综上所述,该电路拓扑结构简单,升压能力强,适合应用于一些输入输出电压差较大的场合。To sum up, the topology of the circuit is simple, and the boosting capability is strong, which is suitable for some occasions where the input and output voltage differences are large.
实施例仅仅是为了工作原理阐述简单而采用了具有4个倍压单元的高增益交错并联升压变换器,在实际的应用中,能够根据实际应用情况合理选择倍压单元的个数,已达到优化效率和成本的目的。The embodiment only adopts a high-gain interleaved parallel boost converter with 4 voltage doubler units for the sake of simple description of the working principle. In practical applications, the number of voltage doubler units can be reasonably selected according to the actual application situation, and has reached The purpose of optimizing efficiency and cost.
本发明的上述实施范例仅仅是为说明本发明所作的举例,而并非是对本发明的实施方式的限定。对于所属领域的普通技术人员来说,在上述说明的基础上还可以做出其他不同形式的变化和变动。这里无法对所有的实施方式予以穷举。凡是属于本发明的技术方案所引申出的显而易见的变化或变动仍处于本发明的保护范围之列。The above-mentioned implementation examples of the present invention are only examples for illustrating the present invention, rather than limiting the implementation of the present invention. For those of ordinary skill in the art, other variations and modifications in various forms can be made on the basis of the above description. All the implementation manners cannot be exhaustively listed here. All obvious changes or changes derived from the technical solutions of the present invention are still within the protection scope of the present invention.
| Application Number | Priority Date | Filing Date | Title |
|---|---|---|---|
| CN2012105344459ACN103066834A (en) | 2012-12-12 | 2012-12-12 | Staggered parallel high-gain boost type direct current (DC) converter |
| Application Number | Priority Date | Filing Date | Title |
|---|---|---|---|
| CN2012105344459ACN103066834A (en) | 2012-12-12 | 2012-12-12 | Staggered parallel high-gain boost type direct current (DC) converter |
| Publication Number | Publication Date |
|---|---|
| CN103066834Atrue CN103066834A (en) | 2013-04-24 |
| Application Number | Title | Priority Date | Filing Date |
|---|---|---|---|
| CN2012105344459APendingCN103066834A (en) | 2012-12-12 | 2012-12-12 | Staggered parallel high-gain boost type direct current (DC) converter |
| Country | Link |
|---|---|
| CN (1) | CN103066834A (en) |
| Publication number | Priority date | Publication date | Assignee | Title |
|---|---|---|---|---|
| CN104218798A (en)* | 2014-09-18 | 2014-12-17 | 天津大学 | High voltage gain bidirectional DC-DC (direct current-direct current) converter based on switching capacitors and coupling inductors |
| CN105119486A (en)* | 2015-09-23 | 2015-12-02 | 三峡大学 | Low voltage stress bidirectional DC/DC converter |
| CN106549573A (en)* | 2016-11-21 | 2017-03-29 | 天津大学 | The high voltage boosting dc converter of belt switch inductance |
| CN106549577A (en)* | 2016-12-08 | 2017-03-29 | 北京理工大学 | The two-way high-gain DC/DC changer of non-isolated and method for controlling frequency conversion |
| CN114221546A (en)* | 2021-12-14 | 2022-03-22 | 国网福建省电力有限公司宁德供电公司 | Interleaved parallel high-gain Boost direct-current converter, control method and control device |
| CN114285281A (en)* | 2021-12-31 | 2022-04-05 | 镇江金能电力科技有限公司 | Quasi-switching capacitor type high-gain DC-DC converter |
| CN114759781A (en)* | 2022-01-07 | 2022-07-15 | 北京交通大学 | Input interleaved parallel soft-switching high-voltage gain DC-DC converter based on switched capacitor |
| WO2024140788A1 (en)* | 2022-12-30 | 2024-07-04 | 同方威视技术股份有限公司 | Voltage doubling rectifier circuit |
| CN119675455A (en)* | 2025-01-07 | 2025-03-21 | 深圳市蓝色极光储能科技有限公司 | A DC/DC boost converter, chip and energy storage device based on charge pump |
| Publication number | Priority date | Publication date | Assignee | Title |
|---|---|---|---|---|
| CN1845432A (en)* | 2005-04-08 | 2006-10-11 | 中国科学院声学研究所 | An Electrically Programmable DC-DC Boost Bias Circuit for Sensors |
| CN201656768U (en)* | 2009-12-14 | 2010-11-24 | 浙江大学 | Coupled inductor realizing high-gain double voltage boost converter |
| Publication number | Priority date | Publication date | Assignee | Title |
|---|---|---|---|---|
| CN1845432A (en)* | 2005-04-08 | 2006-10-11 | 中国科学院声学研究所 | An Electrically Programmable DC-DC Boost Bias Circuit for Sensors |
| CN201656768U (en)* | 2009-12-14 | 2010-11-24 | 浙江大学 | Coupled inductor realizing high-gain double voltage boost converter |
| Title |
|---|
| 罗全明 等: "基于拓扑组合的高增益BOOST变换器", 《电工技术学报》* |
| Publication number | Priority date | Publication date | Assignee | Title |
|---|---|---|---|---|
| CN104218798A (en)* | 2014-09-18 | 2014-12-17 | 天津大学 | High voltage gain bidirectional DC-DC (direct current-direct current) converter based on switching capacitors and coupling inductors |
| CN105119486A (en)* | 2015-09-23 | 2015-12-02 | 三峡大学 | Low voltage stress bidirectional DC/DC converter |
| CN106549573A (en)* | 2016-11-21 | 2017-03-29 | 天津大学 | The high voltage boosting dc converter of belt switch inductance |
| CN106549573B (en)* | 2016-11-21 | 2019-03-26 | 天津大学 | The high voltage boosting dc converter of belt switch inductance |
| CN106549577A (en)* | 2016-12-08 | 2017-03-29 | 北京理工大学 | The two-way high-gain DC/DC changer of non-isolated and method for controlling frequency conversion |
| CN114221546A (en)* | 2021-12-14 | 2022-03-22 | 国网福建省电力有限公司宁德供电公司 | Interleaved parallel high-gain Boost direct-current converter, control method and control device |
| CN114285281A (en)* | 2021-12-31 | 2022-04-05 | 镇江金能电力科技有限公司 | Quasi-switching capacitor type high-gain DC-DC converter |
| CN114285281B (en)* | 2021-12-31 | 2023-11-03 | 镇江金能电力科技有限公司 | Quasi-switch capacitor type high-gain DC-DC converter |
| CN114759781A (en)* | 2022-01-07 | 2022-07-15 | 北京交通大学 | Input interleaved parallel soft-switching high-voltage gain DC-DC converter based on switched capacitor |
| WO2024140788A1 (en)* | 2022-12-30 | 2024-07-04 | 同方威视技术股份有限公司 | Voltage doubling rectifier circuit |
| CN119675455A (en)* | 2025-01-07 | 2025-03-21 | 深圳市蓝色极光储能科技有限公司 | A DC/DC boost converter, chip and energy storage device based on charge pump |
| Publication | Publication Date | Title |
|---|---|---|
| CN102946194B (en) | A kind of high-gain alternation and parallel connection boosting converter | |
| CN102969893B (en) | A kind of high gain boost type DC converter | |
| CN103066834A (en) | Staggered parallel high-gain boost type direct current (DC) converter | |
| CN105553266B (en) | A kind of crisscross parallel high-gain Boost translation circuits and its working method | |
| CN102324841B (en) | Multi-input high-gain boost converter | |
| CN102769377B (en) | Non-isolated variable flow topological structure based on phase shift control and application thereof | |
| CN103051182B (en) | Variable-structure dual-input direct-current converter | |
| CN106655775B (en) | Two-port input ZVT high-gain Boost converter with soft switch | |
| CN103490622B (en) | A kind of Single-switch high-gain boost converter | |
| CN103929058A (en) | Two-Phase Interleaved Parallel Converter Based on Coupled Inductors | |
| CN106533173B (en) | High-gain DC/DC converter with adjustable input phase number | |
| CN203911754U (en) | Interleaved parallel zero-voltage switch-off high-gain DC/DC converter | |
| CN104218801A (en) | Non-isolated high-gain DC/DC convertor | |
| CN105939107B (en) | Mixed quasi-switch boosting DC-DC converter | |
| CN203859682U (en) | Low-input current ripple single-switch high-gain converter | |
| CN103391001B (en) | For the high-gain DC/DC converter of MPPT link of photovoltaic inverter | |
| CN105262361B (en) | A kind of two-stage type non-isolated grid-connected inverter and its control method | |
| CN206878702U (en) | A High Boost DC/DC Converter Based on Voltage Doubler Unit | |
| CN206294079U (en) | A kind of two-port input ZVT high-gain Boosts containing Sofe Switch | |
| CN203911753U (en) | Zero-voltage switch-off interleaved parallel DC/DC converter | |
| CN106712504B (en) | Non-isolated high-gain DC/DC converter with soft switch | |
| CN206962701U (en) | A kind of adjustable high boosting DC/DC converters of number of phases based on voltage doubling unit | |
| CN205847091U (en) | A Switched Inductance Quasi-Switch Boost DC-DC Converter | |
| CN204068702U (en) | A Non-isolated High Gain DC/DC Converter | |
| CN103944399A (en) | Low-input-current-ripple single-switch high-gain converter |
| Date | Code | Title | Description |
|---|---|---|---|
| C06 | Publication | ||
| PB01 | Publication | ||
| C10 | Entry into substantive examination | ||
| SE01 | Entry into force of request for substantive examination | ||
| C12 | Rejection of a patent application after its publication | ||
| RJ01 | Rejection of invention patent application after publication | Application publication date:20130424 |