Movatterモバイル変換


[0]ホーム

URL:


CN102932261A - Management system for payload information of satellite based on intelligent high-speed router - Google Patents

Management system for payload information of satellite based on intelligent high-speed router
Download PDF

Info

Publication number
CN102932261A
CN102932261ACN2012104786936ACN201210478693ACN102932261ACN 102932261 ACN102932261 ACN 102932261ACN 2012104786936 ACN2012104786936 ACN 2012104786936ACN 201210478693 ACN201210478693 ACN 201210478693ACN 102932261 ACN102932261 ACN 102932261A
Authority
CN
China
Prior art keywords
data
equipment
speed
payload
intelligent
Prior art date
Legal status (The legal status is an assumption and is not a legal conclusion. Google has not performed a legal analysis and makes no representation as to the accuracy of the status listed.)
Pending
Application number
CN2012104786936A
Other languages
Chinese (zh)
Inventor
马文杰
李延东
贾涛
刘思远
王国良
Current Assignee (The listed assignees may be inaccurate. Google has not performed a legal analysis and makes no representation or warranty as to the accuracy of the list.)
Aerospace Dongfanghong Satellite Co Ltd
Original Assignee
Aerospace Dongfanghong Satellite Co Ltd
Priority date (The priority date is an assumption and is not a legal conclusion. Google has not performed a legal analysis and makes no representation as to the accuracy of the date listed.)
Filing date
Publication date
Application filed by Aerospace Dongfanghong Satellite Co LtdfiledCriticalAerospace Dongfanghong Satellite Co Ltd
Priority to CN2012104786936ApriorityCriticalpatent/CN102932261A/en
Publication of CN102932261ApublicationCriticalpatent/CN102932261A/en
Pendinglegal-statusCriticalCurrent

Links

Images

Landscapes

Abstract

Translated fromChinese

本发明公开了一种基于智能型高速路由器的星上载荷信息流管理系统,包括智能型高速路由器、有效载荷设备、数据处理设备、数据存储设备和数传设备,智能型高速路由器包括SpaceWire路由模块、智能控制模块和SpaceWire标准总线接口,SpaceWire路由模块将来自有效载荷设备、数据处理设备、数据存储设备和数据传输设备的数据直接进行交换或通过智能控制模块的CAN接口输出到星载低速总线网络;并将利用智能控制模块接收到的来自星载低速总线网络的遥控指令发送到所述有效载荷设备、数据处理设备、数据存储设备和数据传输设备。本发明解决了目前小卫星有效载荷系统与数据传输系统接口复杂、模块化程度低、不利于快速组装与测试以及不利于设备技术升级的问题。

Figure 201210478693

The invention discloses an on-board load information flow management system based on an intelligent high-speed router, which includes an intelligent high-speed router, payload equipment, data processing equipment, data storage equipment and data transmission equipment, and the intelligent high-speed router includes a SpaceWire routing module , intelligent control module and SpaceWire standard bus interface, the SpaceWire routing module directly exchanges data from payload equipment, data processing equipment, data storage equipment and data transmission equipment or outputs to the onboard low-speed bus network through the CAN interface of the intelligent control module and send the remote control instructions from the on-board low-speed bus network received by the intelligent control module to the payload device, data processing device, data storage device and data transmission device. The invention solves the problems of complex interface between the payload system and the data transmission system of the current small satellite, low degree of modularization, unfavorable rapid assembly and testing, and unfavorable equipment technology upgrade.

Figure 201210478693

Description

A kind of based on load information flow management system on the star of intelligent high-speed router
Technical field
The present invention relates to a kind of based on payload information management system on the star of intelligent high-speed router, particularly for a kind of payload high speed and the low speed information flow management system based on the intelligent high-speed router of acquisition of information type satellite, belong to satellite data transmission and field of information management.
Background technology
In the present small satellite system, the payload system is used for realizing moonlet specific space mission in orbit.For acquisition of information type satellite, payload produces high-speed data and exports to data transmission system.Ground station is processed, stores and returned to data transmission system then to the load initial data.In addition, the monitoring of payload and data transmission system state and function keeps the exchange that also needs to carry out low speed remote measurement and remote-control data.
What the design of present payload system and the management of the information flow of data transmission system was adopted is to carry out the custom-designed method of specific aim for the actual demand of every satellite, the pattern of an i.e. star one design, different satellites is understood to some extent difference in bus transfer form, node device quantity, but general frame is basically identical.Difference according to wire data type can be divided into it express network and slow network.Wherein express network is used for carrying out processing, storage and the transmission of high speed load data; Slow network is mainly used to carry out observing and controlling communication and decoding.
High-speed data management system and low speed data management system that Fig. 1 and Fig. 2 have provided the general a kind of payload data management system of present moonlet form.
The high-speed data management system mainly is comprised of interface and cable between effect load module, pretreatment module, scheduling multiple connection module, solid storing module, coding mould modulation module, transmitter module and the module.Payload produces one or more high speed initial data, and sends pretreatment module or scheduling multiple connection module to.Pretreatment module is configured according to actual needs, can carry out to initial data the operations such as compressed encoding.Scheduling multiple connection module mainly comprises the function of two aspects: scheduling feature, multiple connection function.Scheduling feature mainly passes mode of operation according to number data source, flow chart of data processing and mode etc. is dispatched.Being mainly used to finish between multichannel load data, solid deposit data, whole star telemetry utilizes dispatching principle to select data to carry out multiple connection; Finishing the output of multiple connection data selects; Finish solid deposit data write and read control.The multiple connection function realizes selected data are carried out AOS multiple connection and framing.Gu storing module is used for storing load data and whole star telemetry.Code modulation module is used for finishing the Channel Coding and Modulation to the AOS transmission frame.Data flow after transmitter then will be modulated carries out exporting after frequency conversion, the amplification filtering.
Transfer of data between the different modules adopts the LVDS interface, and the quantity of concrete transmission rate and interface transmission line then needs to design according to the actual requirements.Scheduling multiple connection module then utilizes the RS485 interface to transmit with operational order between admittedly depositing.
Present data-transmission mode mainly comprises: logging mode, playback mode, direct transfer+playback mode, direct transfer+logging mode, record+playback mode.
Logging mode is mainly used in the situation of satellite outside the visual range of grounded receiving station, finish the auxiliary datas such as satellite engineering remote measurement of sending here by the CAN bus passing through pretreated load data and Star Service computer by scheduling multiple connection module, carry out formatting and send solid-state memory to carry out record.
The load data that carries out after the formatting through scheduling multiple connection module that playback mode is used for charging to solid-state memory carries out the playback transmission.
But direct transfer+playback mode be mainly used in data transmission system over the ground transmission code speed produce in real time the situation of bit rate greater than load.Under this pattern, the data that scheduling multiple connection module produces load and carry out sending coding demodulator to process after multiple connection and the layout from the data of solid-state memory after over the ground transmission.
But direct transfer+logging mode be mainly used in data transmission system over the ground transmission code speed produce in real time the situation of bit rate less than load.Under this pattern, send coding demodulator to after the partial data multiple connection layout that scheduling multiple connection module produces load according to priority, partial data carries out depositing solid-state memory in after the formatting.
But record+playback mode be used for data transmission system over the ground transmission code speed produce in real time the situation of bit rate less than load.Under this pattern, deposit solid-state memory in after the data multiplexing layout that scheduling multiple connection module produces load on the one hand, on the other hand the data of solid-state memory are carried out the playback transmission.This pattern is equivalent to quasi real time transmission mode, utilizes solid-state memory to use as buffer memory.
As shown in Figure 2, the low speed data management system is comprised of payload slave computer, number biography slave computer and payload administration module.The low speed data management system mainly is responsible for payload and the collection of number biography system telemetry intelligence (TELINT) and distribution and the decoding of remote control command, and finishes the broadcasting to split-second precision.The payload slave computer is responsible for finishing the collection of payload telemetry parameter, and sends the payload administrative unit to by secondary CAN bus, and finishes the decipher of part payload remote control command.Number passes the collection that slave computers are then finished each equipment telemetry parameter of several biography system, and sends the payload administrative unit to, also is responsible for the decipher of number biography system remote control command.The payload administration module is responsible for finishing the collection of payload and number biography system telemetry parameter by secondary bus, and sends the Star Service supervisory computer to by one-level CAN bus.In addition, the payload administration module is also finished the decipher to the part remote control command, and by the control of relay is finished the instruction of payload and data transmission equipment is carried out.
Present payload high-speed data and low speed data management system mainly have the following disadvantages:
(1) the transmit port type and the Data Transport Protocol disunity that adopt comprise the LVDS interface, CAN interface, 485 interfaces of various speed etc., have increased the complexity of equipment, are unfavorable for rapid-assembling and the test of satellite;
(2) different satellite load are different from data transmission subsystem equipment composition, and the interface of equipment room is different, does not have versatility, is unfavorable for producing in serial form;
(3) the EM equipment module degree is low, and connected mode is fixed, and can't carry out flexibly the replacement of module, is unfavorable for the technology upgrading of equipment;
(4) concrete satellite data flow to singlely and fixing, can't adapt to the demand of the diversified exchanges data of different satellites and processing;
(5) speed of concrete satellite data transmission equipment is single, can't adapt to the diversified data-rate requirements of different satellites.
Along with the development of the information transmission technology, some New Bus have obtained fast development and utilization.The SpaceWire bus is applied in abroad the spacecraft for the bus standard of AEROSPACE APPLICATION exploitation specially as Europe, but multiplex in the transfer of data of point-to-point, existing document proposes SpaceWire router application scheme in the network on star, but mostly be whole star and all adopt the SpaceWire bus network, although can realize the unification of bus, but for the less small satellite platform of management information amount, adopt the SpaceWire bus can greatly increase development cost fully.
Summary of the invention
Technology of the present invention is dealt with problems and is: for the deficiencies in the prior art, proposed a kind ofly based on payload information Workflow Management System on the star of intelligent high-speed router, solved the problem that present moonlet payload system and data transmission system complex interfaces, the degree of modularity are low, be unfavorable for rapid-assembling and test and be unfavorable for the equipment and technology upgrading.Further reduce system complexity, realized to a certain extent the generalization of high-speed data switching equipment.
Technical solution of the present invention is:
A kind of based on payload information Workflow Management System on the star of intelligent high-speed router, comprising: intelligent high-speed router, SpaceWire high-speed bus and with the high-speed data management equipment of intelligent interface unit.Described high-speed data management equipment comprises payload equipment with IIU, with the data processing equipment of IIU, with the data storage device of II U, with the data transmission set of IIU.Wherein IIU is the abbreviation of intelligent interface unit Intelligent Interface Unit.
The intelligent high-speed router is the nucleus equipment of spaceborne express network, is responsible for finishing the exchange of express network data.Payload equipment, data processing equipment, data storage device and data transmission equipment directly are connected on the described router by the intelligence interface with bidirectional high speed SpaceWire interface.High-speed data can by the configuration of intelligent high-speed router according to routing table, transmit between payload equipment, data processing equipment, data storage device and data transmission set flexibly.The intelligent high-speed router is by CAN interface and spaceborne low speed bus network connection.The telemetry of each equipment can utilize the SpaceWire interface to send router to, and the intelligent high-speed router sends integrated pipe control computer (being also referred to as the Star Service main frame) to by slow network on CAN interface and the star.The CAN bus of also can passing through the integrated pipe control computer realizes the configuration to router, and realizes the collection of high-speed network appliance telemetry parameter and the transmission of remote control command.
The present invention compared with prior art has following advantage:
A kind of flow direction of having enriched data based on payload information management system on the star of intelligent high-speed router of the present invention can utilize intelligent control module to realize modification and the configuration of routing table, thereby has realized the transfer of data of any direction.Therefore its mode of operation has not only contained traditional limited several mode of operations, and has realized the configurable of mode of operation.
Further, the advantage applies brought of the present invention is in the following aspects:
(1) payload that adopts the intelligent high-speed router to finish two networks of original dependence to finish, admittedly deposit, high speed and low speed data exchange between the equipment that transfer of data etc. is processed high-speed data, thereby simplified the complexity of system, be convenient to improve system reliability;
(2) unified the interface of equipment room, adopt a kind of interface to replace the multiple interfaces such as original CAN interface, L/DS interface and 485 interfaces, be beneficial to rapid-assembling and the test of satellite, alleviate the quality of satellite, and the equipment of being convenient to carries out producing in serial form, and has greatly improved flexibility and the rapidity of satellite assembly;
(3) adopt SpaceWire bus route technology, the exchanges data of LA Management Room is more flexible, and more flexibly data-transmission mode can be provided; This intelligent high-speed router has certain transmission rate adaptive capacity simultaneously, therefore has higher versatility, and same equipment can be adapted to multi-satellite, can greatly reduce the equipment development cost;
(4) characteristics of utilizing intelligent control module to be configured routing table have realized the configurable of data-transmission mode.
Description of drawings
Fig. 1 is that traditional high-speed data management system forms schematic diagram;
Fig. 2 tradition low speed data management system forms schematic diagram;
Fig. 3 is that system of the present invention forms schematic diagram;
Fig. 4 is that intelligent router feature of the present invention forms schematic diagram;
Fig. 5 is that the payload equipment with IIU of the present invention forms schematic diagram;
Fig. 6 is that the data processing equipment with IIU of the present invention forms schematic diagram;
Fig. 7 is that the data storage device with IIU of the present invention forms schematic diagram;
Fig. 8 is that the data transmission equipment with II U of the present invention forms schematic diagram;
Fig. 9 is management flow figure of the present invention.
Embodiment
Below just by reference to the accompanying drawings the present invention is done further introduction.
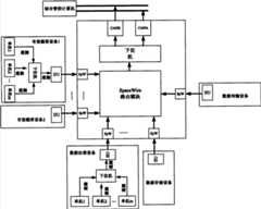
As shown in Figure 3, be structural representation of the present invention.Wherein the intelligent high-speed router is the nucleus equipment of spaceborne express network, is responsible for finishing the exchange of express network data.Payload equipment, data processing equipment, data storage device and data transmission equipment directly are connected on the described router by intelligent interface unit.High-speed data can by the configuration of router according to routing table, transmit between payload equipment, data processing equipment, data storage device and data transmission set.Router is by CAN interface and spaceborne low speed bus network connection.The telemetry that each equipment produces sends integrated pipe control computer (be also referred to as Star Service main frame) by router by CAN interface slow network on star through behind the router.Integrated pipe control computer industry can be passed through the realization of CAN bus to the configuration (such as revising routing table) of router, and realizes the collection of high-speed network appliance telemetry parameter and the transmission of remote control command.
As shown in Figure 4, intelligent high-speed router of the present invention is comprised of SpaceWire routing module, intelligent control module and SpaceWire IEEE SpW.Wherein the SpaceWire routing module is realized based on the ECSS-E-ST-50-12C standard criterion.Described intelligent high-speed router is realized the resource management of router on the one hand, by CAN interface and being connected of spaceborne slow network telemetry intelligence (TELINT) is passed to the Star Service computer on the other hand, the third aspect can be transmitted to the remote control command from the Star Service computer each equipment that is connected to router.
With the payload equipment of IIU, comparing with traditional payload equipment has increased intelligent interface unit, and it forms as shown in Figure 5, is comprised of a plurality of stand-alone device, slave computer and intelligent interface unit.Function and the processing procedure of stand-alone device are defined by the user, can also can be for electronics load etc. for optical camera, and its produces multipath high-speed load data.Slave computer then is responsible for the telemetry parameter of each stand-alone device is gathered generation low speed telemetry.High-speed data and low speed data all utilize the SpaceWire interface of standard to send router to by intelligent interface unit.In addition, the remote-control data to router is sent here then sends slave computer to by interface module, finishes the decoding of instruction and the execution of instruction by slave computer.
Be used for carrying out the processing of load high-speed data with the data processing equipment of IIU, it forms as shown in Figure 6, and comparing with traditional data processing equipment has increased intelligent interface unit.Data processing equipment receives pending high-speed data, exports through after certain processing.The process of processing can be defined by the user, can be data compression, data layout and multiple connection etc.Slave computer is finished the telemetry parameter collection of stand-alone device, and the decipher of remote control command and distribution.IIU finishes the scheduling of input and output high-speed data and low speed data.
Be used for carrying out the storage of load high-speed data with the data storage device of IIU, it forms as shown in Figure 7, and comparing with traditional data processing equipment has increased intelligent interface unit.Data storage device receives high-speed data and storage, the data of output storage after receiving play-back command.Slave computer is finished the decipher of telemetry parameter collection, remote control command of stand-alone device and distribution and to the control of memory.IIU finishes the scheduling of input and output high-speed data and low speed data.
Be used for finishing the coded modulation of the transmission of data with the data transmission set of IIU, become analog signal by aerial radiation to the space.Compare with traditional data transmission set, the notebook data transmission equipment is except chnnel coding, modulation and the radio frequency processing of rear end, and other function can be defined by the user.Such as possessing the multiple connection function, also can possess encryption function, data transmission system does not have the direct control function to admittedly depositing in addition.Data transmission set forms as shown in Figure 8.Slave computer is wherein finished decoding and the distribution of the collection of data transmission set telemetry parameter and remote control command, the functions such as the function of each unit completing user definition and coding, modulation, frequency conversion, filter and amplification.Final analog signal arrives the space through aerial radiation.
Payload information stream of the present invention comprises low speed observing and controlling information flow and high speed load information stream.Low speed observing and controlling information flow comprises again telemetry and remote control command, and wherein telemetry is finished collection by the intelligent control module of router, and finally passes to the integrated pipe control computer that links to each other with spaceborne low speed bus network by the CAN bus.Remote control command then is sent to the intelligent control module of router by the CAN bus by the integrated pipe control computer, and be transmitted to each equipment by it by router.High speed information stream then directly exchanges at each equipment room by router, realize data storage, processing and under pass ground, not in the spaceborne transmission over networks of low speed, but the managerial demand of the routing table of router utilizes intelligent control module to finish.
Because load data and remote control command are bursty nature, telemetry then needs periodically to gather.Therefore the pattern that the characteristics that can utilize the SpaceWire bus to have the precise synchronization ability adopt " time triggering " and " Event triggered " to coexist.
For the transmission of periodic data and random data, scheme that the present invention will adopt Acta Astronautica's 02 phase in 2012 " SpaceWire spaceborne network communication protocol design " literary composition to propose is carried out, the information management process as shown in Figure 9, concrete steps are as follows:
1) with the setting in " destination address " territory and " bag data " territory, arranges according to " the spaceborne network communication protocol design of SpaceWire ".
2) take per second as a communication cycle T, a communication cycle is divided into 2 time windows, first time window is uncontested time window, and second time window is competitive time window, and the division of time window is according to total speed R of periodic datazWith the total speed R of competitive dataJDetermine, thetime T 1 of first time window is T * (Rz/ (Rz+ RJ)), second time window T2 length is T * (RJ/ (Rz+ RJ)), when node is operated in first time window, be expressed as uncontested state, when being operated in second time window, be expressed as race condition.
3) utilize two bit (T6 of the SpaceWire timing code that defines in the ECSS-E-ST-50-12C standard criterion, T7) realize switching between the node application layer window, (0,0) the expression node is about to enter uncontested state, (0,1) the expression node is about to enter race condition, and two states code switching time is designated as TM1And TM2
4) all synchronisation of nodes in the network carry out the state machine handover mechanism, and timing code not only is used for finishing the time synchronized of the whole network, and can be used for realizing the switching of state machine, and in the moment that each communication cycle T begins, host node carries out timing code (TM1) broadcasting.After node was received this timing code, synchronous function of deadline switched to operating state uncontested state on the other hand on the one hand.
5) under uncontested state, each node starts self timer, and the sequential that foundation is formulated requires to send the telemetry of this node to host node, finished successively the collection of each node telemetry by host node, and it is carried out the layout of packet to the agreement of telemetry form according to whole star, after finishing, layout sends to the integrated pipe control computer by spaceborne low speed bus (CAN bus).
6) under uncontested state, host node sends T when T1 finishesM2Timing code, each node enters race condition after receiving this timing code, carries out the transmission of load data bag.
For remote control command, then adopt the mode of priority to realize.Be followed successively by according to from high to low order transmitting data priority: remote control command, telemetry, load data.Under any state, remote control command is with prioritised transmission.Remote control command is opposite with the transmission direction of telemetry, therefore can not affect the collection of telemetry.
The unspecified part of the present invention belongs to general knowledge as well known to those skilled in the art.

Claims (3)

Translated fromChinese
1.一种基于智能型高速路由器的星上载荷信息流管理系统,其特征在于,包括智能型高速路由器、有效载荷设备、数据处理设备、数据存储设备和数传设备,1. A load information flow management system based on an intelligent high-speed router, characterized in that it comprises an intelligent high-speed router, payload equipment, data processing equipment, data storage equipment and data transmission equipment,所述智能型高速路由器包括SpaceWire路由模块、智能控制模块和SpaceWire标准总线接口,所述SpaceWire路由模块通过SpaceWire标准总线接口与所述有效载荷设备、数据处理设备、数据存储设备和数据传输设备相连;The intelligent high-speed router includes a SpaceWire routing module, an intelligent control module and a SpaceWire standard bus interface, and the SpaceWire routing module is connected with the payload device, data processing device, data storage device and data transmission device through the SpaceWire standard bus interface;所述SpaceWire路由模块将来自所述有效载荷设备、数据处理设备、数据存储设备和数据传输设备的数据直接进行交换或通过智能控制模块的CAN接口输出到星载低速总线网络;并将利用智能控制模块接收到的来自星载低速总线网络的遥控指令发送到所述有效载荷设备、数据处理设备、数据存储设备和数据传输设备。The SpaceWire routing module directly exchanges the data from the payload device, data processing device, data storage device and data transmission device or outputs it to the on-board low-speed bus network through the CAN interface of the intelligent control module; The remote control instructions received by the module from the on-board low-speed bus network are sent to the payload device, data processing device, data storage device and data transmission device.2.如权利要求1所述的一种基于智能型高速路由器的星上载荷信息流管理系统,其特征在于:所述有效载荷设备、数据处理设备、数据存储设备和数据传输设备均具有智能接口单元;所述智能接口单元与SpaceWire标准总线接口进行高速和低速双向数据传输。2. a kind of on-star load information flow management system based on intelligent high-speed router as claimed in claim 1, is characterized in that: described payload equipment, data processing equipment, data storage equipment and data transmission equipment all have intelligent interface unit; the intelligent interface unit performs high-speed and low-speed bidirectional data transmission with the SpaceWire standard bus interface.3.如权利要求1所述的一种基于智能型高速路由器的星上载荷信息流管理系统,其特征在于:所述SpaceWire路由模块可通过智能控制模块经CAN总线接收配置指令。3. The on-board load information flow management system based on an intelligent high-speed router as claimed in claim 1, wherein the SpaceWire routing module can receive configuration instructions through the CAN bus through the intelligent control module.
CN2012104786936A2012-11-202012-11-20Management system for payload information of satellite based on intelligent high-speed routerPendingCN102932261A (en)

Priority Applications (1)

Application NumberPriority DateFiling DateTitle
CN2012104786936ACN102932261A (en)2012-11-202012-11-20Management system for payload information of satellite based on intelligent high-speed router

Applications Claiming Priority (1)

Application NumberPriority DateFiling DateTitle
CN2012104786936ACN102932261A (en)2012-11-202012-11-20Management system for payload information of satellite based on intelligent high-speed router

Publications (1)

Publication NumberPublication Date
CN102932261Atrue CN102932261A (en)2013-02-13

Family

ID=47646968

Family Applications (1)

Application NumberTitlePriority DateFiling Date
CN2012104786936APendingCN102932261A (en)2012-11-202012-11-20Management system for payload information of satellite based on intelligent high-speed router

Country Status (1)

CountryLink
CN (1)CN102932261A (en)

Cited By (18)

* Cited by examiner, † Cited by third party
Publication numberPriority datePublication dateAssigneeTitle
CN103457815A (en)*2013-08-222013-12-18北京航空航天大学Method for constructing moment dispatch list suitable for SpaceWire network
CN103944629A (en)*2014-04-282014-07-23航天东方红卫星有限公司Satellite integrated electronic system
CN104104568A (en)*2013-04-022014-10-15上海通用汽车有限公司Method, device and system for acquiring data from communication bus
CN104869059A (en)*2015-06-032015-08-26北京航空航天大学Route backup method based on Space Wire time code
CN105245364A (en)*2015-09-292016-01-13中国运载火箭技术研究院 A Satellite Payload Task Management System
CN106546848A (en)*2016-10-212017-03-29上海卫星工程研究所Spaceborne information network Electro-static Driven Comb engineering test system
CN104618040B (en)*2014-11-282017-05-10广州刀锋智能科技有限公司Data transmission module and method based on load ground detector
CN107070536A (en)*2017-03-012017-08-18上海卫星工程研究所A kind of unified spaceborne information networks of SpaceWire
CN108234337A (en)*2017-12-062018-06-29北京时代民芯科技有限公司A kind of SpaceWire bus routers for supporting host interface
CN109039433A (en)*2018-09-132018-12-18上海微小卫星工程中心A kind of installed load system of high throughput satellite
CN110557369A (en)*2019-07-252019-12-10中国航天系统科学与工程研究院high-speed data processing platform based on domestic operating system kernel mode
CN112313917A (en)*2018-05-042021-02-02波音公司Protected multi-operator payload operation
CN112425092A (en)*2018-05-042021-02-26波音公司Managed payload operation
CN112929077A (en)*2021-02-042021-06-08上海卫星工程研究所Satellite data fusion processing information system and method
CN113627018A (en)*2021-08-112021-11-09中国科学院微小卫星创新研究院Heterogeneous spacecraft information data self-adaptive management method based on standardized design
CN114363626A (en)*2022-01-042022-04-15上海航天电子通讯设备研究所Satellite-borne ultrahigh-speed image compression system
US11595360B2 (en)2017-03-062023-02-28The Boeing CompanyHosted payload operations with private telemetry and command
CN115913325A (en)*2022-10-192023-04-04中国人民解放军军事科学院国防科技创新研究院Spaceborne intelligent comprehensive processing platform based on SpaceWire bus

Citations (3)

* Cited by examiner, † Cited by third party
Publication numberPriority datePublication dateAssigneeTitle
CN101488796A (en)*2009-02-242009-07-22航天东方红卫星有限公司Payload management system and method for satellite
US20120068733A1 (en)*2010-09-202012-03-22Honeywell International Inc.Universal functionality module
CN102487347A (en)*2009-12-182012-06-06哈尔滨工业大学 Aerospace intelligent bus interface system and aerospace intelligent network system using the interface system

Patent Citations (3)

* Cited by examiner, † Cited by third party
Publication numberPriority datePublication dateAssigneeTitle
CN101488796A (en)*2009-02-242009-07-22航天东方红卫星有限公司Payload management system and method for satellite
CN102487347A (en)*2009-12-182012-06-06哈尔滨工业大学 Aerospace intelligent bus interface system and aerospace intelligent network system using the interface system
US20120068733A1 (en)*2010-09-202012-03-22Honeywell International Inc.Universal functionality module

Non-Patent Citations (1)

* Cited by examiner, † Cited by third party
Title
赵俊艺: "基于SpaceWire总线的星载数据系统", 《飞行器测控学报》*

Cited By (29)

* Cited by examiner, † Cited by third party
Publication numberPriority datePublication dateAssigneeTitle
CN104104568A (en)*2013-04-022014-10-15上海通用汽车有限公司Method, device and system for acquiring data from communication bus
CN104104568B (en)*2013-04-022018-04-27上海通用汽车有限公司For the method, apparatus and system from communication bus gathered data
CN103457815B (en)*2013-08-222016-03-30北京航空航天大学A kind of construction method being applicable to the moment dispatch list of SpaceWire network
CN103457815A (en)*2013-08-222013-12-18北京航空航天大学Method for constructing moment dispatch list suitable for SpaceWire network
CN103944629A (en)*2014-04-282014-07-23航天东方红卫星有限公司Satellite integrated electronic system
CN103944629B (en)*2014-04-282017-06-06航天东方红卫星有限公司A kind of satellite Integrated Electronic System
CN104618040B (en)*2014-11-282017-05-10广州刀锋智能科技有限公司Data transmission module and method based on load ground detector
CN104869059B (en)*2015-06-032018-06-26北京航空航天大学A kind of route backup method based on SpaceWire timing codes
CN104869059A (en)*2015-06-032015-08-26北京航空航天大学Route backup method based on Space Wire time code
CN105245364B (en)*2015-09-292018-07-24中国运载火箭技术研究院A kind of Satellite Payloads task management system
CN105245364A (en)*2015-09-292016-01-13中国运载火箭技术研究院 A Satellite Payload Task Management System
CN106546848A (en)*2016-10-212017-03-29上海卫星工程研究所Spaceborne information network Electro-static Driven Comb engineering test system
CN107070536A (en)*2017-03-012017-08-18上海卫星工程研究所A kind of unified spaceborne information networks of SpaceWire
US11595360B2 (en)2017-03-062023-02-28The Boeing CompanyHosted payload operations with private telemetry and command
CN108234337A (en)*2017-12-062018-06-29北京时代民芯科技有限公司A kind of SpaceWire bus routers for supporting host interface
CN108234337B (en)*2017-12-062021-01-08北京时代民芯科技有限公司 A SpaceWire Bus Router Supporting Host Interface
CN112313917B (en)*2018-05-042023-06-27波音公司Protected multi-operator payload operation
CN112313917A (en)*2018-05-042021-02-02波音公司Protected multi-operator payload operation
CN112425092A (en)*2018-05-042021-02-26波音公司Managed payload operation
CN112425092B (en)*2018-05-042023-04-11波音公司Managed payload operation
CN109039433A (en)*2018-09-132018-12-18上海微小卫星工程中心A kind of installed load system of high throughput satellite
CN109039433B (en)*2018-09-132021-09-24上海垣信卫星科技有限公司Access load system of high-flux satellite
CN110557369A (en)*2019-07-252019-12-10中国航天系统科学与工程研究院high-speed data processing platform based on domestic operating system kernel mode
CN112929077B (en)*2021-02-042023-02-17上海卫星工程研究所Satellite data fusion processing information system and method
CN112929077A (en)*2021-02-042021-06-08上海卫星工程研究所Satellite data fusion processing information system and method
CN113627018A (en)*2021-08-112021-11-09中国科学院微小卫星创新研究院Heterogeneous spacecraft information data self-adaptive management method based on standardized design
CN114363626A (en)*2022-01-042022-04-15上海航天电子通讯设备研究所Satellite-borne ultrahigh-speed image compression system
CN114363626B (en)*2022-01-042024-06-04上海航天电子通讯设备研究所Satellite-borne ultra-high-speed image compression system
CN115913325A (en)*2022-10-192023-04-04中国人民解放军军事科学院国防科技创新研究院Spaceborne intelligent comprehensive processing platform based on SpaceWire bus

Similar Documents

PublicationPublication DateTitle
CN102932261A (en)Management system for payload information of satellite based on intelligent high-speed router
CN102158392B (en)Method for telemetering of advanced orbiting system (AOS) of distributed framework satellite
CN101188599B (en)Implementation method for load balance design of electric monitoring front system of power plant
CN112929077B (en)Satellite data fusion processing information system and method
CN106300678B (en)A kind of digital protective relay system for supporting unification of three nets network
CN103229469A (en)A processing method and apparatus for ethernet device
CN103414508B (en)Principal and subordinate's satellite-to-satellite link method for building up
CN201550111U (en)Network data converting device based on power line carrier communication
CN103501189B (en)Based on the network data conversion device of power line carrier communication
CN103582147A (en)Dynamic virtual channel dispatcher based on FPGA and dispatching method thereof
CN103986984A (en)Access node device and system based on gigabit-Ethernet passive optical network
CN105207733B (en)The wireless access of integrated voice and data and transmission method
CN202772914U (en)General communication interface interconnection system
CN104753899B (en)A kind of open bus structures with multi-tier structure
CN101631327B (en)Method for sending and receiving microwave business data, device thereof and transceiver system
CN201118567Y (en)Wireless data transmission device
CN104427412A (en)Method and device for updating bandwidth map
CN101931482A (en)Clock synchronization method and system of convergent type video optical transmitter and receiver
CN101951304A (en)Microwave transmission device
CN119402122A (en) A cross-network time synchronization method for AUTBUS and TSN integration
CN1885749B (en) A Novel Communication Network Topology for Power Electronics Systems
CN101132337A (en)2M loop circuit network system based on E1 transmission
CN104618821A (en)Space satellite communication multiplexing method based on FPGA
CN103051056A (en)Process level equipment with longitudinal optical fiber channel receiving and transmitting functions
CN111554003B (en) An aircraft-borne multi-node state monitoring data black box and monitoring method

Legal Events

DateCodeTitleDescription
C06Publication
PB01Publication
C10Entry into substantive examination
SE01Entry into force of request for substantive examination
C02Deemed withdrawal of patent application after publication (patent law 2001)
WD01Invention patent application deemed withdrawn after publication

Application publication date:20130213


[8]ページ先頭

©2009-2025 Movatter.jp