
技术领域technical field
本发明涉及一种控制电路,尤其涉及一种电池智能充放电控制电路。The invention relates to a control circuit, in particular to a battery intelligent charging and discharging control circuit.
背景技术Background technique
现有技术中,在对可充电电池充电时,必须使用匹配的充电器(又称“转接头”)对电池进行充电。例如:在电子烟行业,机械式电子烟用输出4.2V的转接头充电器,集成式电子烟用输出为5.0V的转接头充电器。若机械式电子烟误使用5.0V的充电器(转接头)对其充电,轻则破坏电池的内部结构,降低电池的使用寿命,严重则导致电池漏液、冒烟、起火、甚至爆炸,造成消费者的财产损失的同时,带来人身安全的隐患。而且现实中由于电子烟连接充电器的螺纹的通配性,在实际应用中,此错误往往时有发生。同理,在手机、MP3等移动设备中,由于充电接口的通配性,可充电电池在充电时也存在上述安全隐患问题。In the prior art, when charging a rechargeable battery, a matching charger (also known as an "adapter") must be used to charge the battery. For example: in the electronic cigarette industry, mechanical electronic cigarettes use adapter chargers with an output of 4.2V, and integrated electronic cigarettes use adapter chargers with an output of 5.0V. If the mechanical electronic cigarette is charged with a 5.0V charger (adapter) by mistake, it will damage the internal structure of the battery and reduce the service life of the battery. While the property loss of consumers, it also brings hidden dangers to personal safety. And in reality, due to the universality of the threads connecting the electronic cigarette to the charger, in practical applications, this error often occurs from time to time. Similarly, in mobile devices such as mobile phones and MP3 players, due to the versatility of the charging interface, the rechargeable battery also has the above-mentioned potential safety hazards when charging.
发明内容Contents of the invention
本发明的目的是要提供一种可调节内部输出电压,对可充电电池进行正常充电的电池智能充放电控制电路。The object of the present invention is to provide a battery intelligent charging and discharging control circuit capable of adjusting the internal output voltage and normally charging the rechargeable battery.
根据本发明的一个方面,提供的电池智能充放电控制电路,包括:充电输入电压检测电路,用于检测对电池充电时所输入的充电电压;According to one aspect of the present invention, the battery intelligent charging and discharging control circuit provided includes: a charging input voltage detection circuit for detecting the charging voltage input when charging the battery;
充电电流控制电路,根据上一步检测到的充电电压,控制对电池充电的电流;The charging current control circuit controls the charging current of the battery according to the charging voltage detected in the previous step;
电池电压检测电路,用于监控充电状态下,电池两端的电压;The battery voltage detection circuit is used to monitor the voltage at both ends of the battery in the charging state;
大电流放电控制电路,用于电池工作中的放电;Large current discharge control circuit, used for discharge during battery operation;
充电输入电压检测电路与充电电流控制电路连接,电池电压检测电路与充电电流控制电路连接,充电输入电压检测电路与大电流放电控制电路使用同一条路径。The charging input voltage detection circuit is connected to the charging current control circuit, the battery voltage detection circuit is connected to the charging current control circuit, and the charging input voltage detection circuit and the large current discharge control circuit use the same path.
在一些实施方式中,充电输入电压检测电路包括电感和MOS管,电感与MOS管连接。In some embodiments, the charging input voltage detection circuit includes an inductor and a MOS transistor, and the inductor is connected to the MOS transistor.
在一些实施方式中,充电电流控制电路包括电感和晶体管,电感与晶体管连接。In some embodiments, the charging current control circuit includes an inductor and a transistor, and the inductor is connected to the transistor.
在一些实施方式中,电池电压检测电路包括电阻和集成电路,电阻与集成电路连接。In some embodiments, the battery voltage detection circuit includes a resistor and an integrated circuit, and the resistor is connected to the integrated circuit.
在一些实施方式中,大电流放电控制电路包括电容、电阻、晶体管、电感、电池和单片机,电容、电阻、晶体管、电感和电池分别与单片机连接。In some embodiments, the large current discharge control circuit includes a capacitor, a resistor, a transistor, an inductor, a battery and a single-chip computer, and the capacitor, resistor, transistor, inductor and battery are respectively connected to the single-chip computer.
在一些实施方式中,充电输入电压检测电路还包括电容、电阻、电池、单片机和集成电路,电容、电阻、和电池分别与单片机连接,单片机与集成电路连接。In some embodiments, the charging input voltage detection circuit further includes a capacitor, a resistor, a battery, a single-chip computer and an integrated circuit, the capacitor, the resistor, and the battery are respectively connected to the single-chip computer, and the single-chip computer is connected to the integrated circuit.
在一些实施方式中,充电电流控制电路还包括电阻、电容、电池和单片机,电阻、电容和电池分别与单片机连接。In some embodiments, the charging current control circuit further includes a resistor, a capacitor, a battery and a single-chip computer, and the resistor, capacitor and battery are respectively connected to the single-chip computer.
在一些实施方式中,电池电压检测电路还包括单片机,单片机与集成电路连接。In some embodiments, the battery voltage detection circuit further includes a single-chip microcomputer, and the single-chip microcomputer is connected with an integrated circuit.
本发明的有益效果是,可有效避免用户用输出高于安全充电电压的转接头(充电器)对可充电电池(如:背景技术中提到的机械式电子烟)进行充电时产生的过充问题,安全可靠,杜绝了电池在充电时的安全隐患。消费者在对电池充电时不需要去辨别转接头的类型,就可直接拿来使用(如:背景技术中提到的5.0V的转接头充电器),使用起来比较方便。另外,本发明还具有简单可靠,成本低的优点。The beneficial effect of the present invention is that it can effectively avoid overcharging when the user uses an adapter (charger) whose output is higher than the safe charging voltage to charge the rechargeable battery (such as: the mechanical electronic cigarette mentioned in the background technology) problem, safe and reliable, and put an end to the potential safety hazard of the battery during charging. Consumers do not need to identify the type of adapter when charging the battery, and can directly use it (such as the 5.0V adapter charger mentioned in the background art), which is more convenient to use. In addition, the present invention also has the advantages of simplicity, reliability and low cost.
附图说明Description of drawings
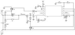
图1是本发明一实施方式的电池智能充放电控制电路的结构示意图。FIG. 1 is a schematic structural diagram of a battery intelligent charge and discharge control circuit according to an embodiment of the present invention.
具体实施方式Detailed ways
下面结合附图对本发明的一些实施方式作进一步详细的说明。Some embodiments of the present invention will be further described in detail below in conjunction with the accompanying drawings.
图1示意的显示了本发明一实施方式的电池智能充放电控制电路,包括:Figure 1 schematically shows a battery intelligent charge and discharge control circuit according to an embodiment of the present invention, including:
充电输入电压检测电路,包括电容C1、电阻R2、电阻R3、电阻R6、电感L1、MOS管Q3、电池BAT、单片机U1和集成电路U2。电阻R2、电感L1、电池BAT和MOS管Q3依次串联,电阻R3与电阻R6串联,以上两个串联电路进行并联后再与电容C1并联,MOS管Q3的两端并联有单片机U1。单片机U1与集成电路U2并联。该电路用于检测对电池充电时所输入的充电电压。The charging input voltage detection circuit includes a capacitor C1, a resistor R2, a resistor R3, a resistor R6, an inductor L1, a MOS transistor Q3, a battery BAT, a microcontroller U1 and an integrated circuit U2. Resistor R2, inductor L1, battery BAT and MOS tube Q3 are connected in series in sequence, resistor R3 is connected in series with resistor R6, the above two series circuits are connected in parallel and then connected in parallel with capacitor C1, and both ends of MOS tube Q3 are connected in parallel with single chip microcomputer U1. The single chip microcomputer U1 is connected in parallel with the integrated circuit U2. This circuit is used to detect the charging voltage input when charging the battery.
充电电流控制电路,包括电阻R1、PMOS管Q1、MOS管Q2、电感L1、电容C3、电池BAT、MOS管Q3和单片机U1。电感L1、电池BAT和MOS管Q3依次串联。电容C3与电池BAT并联。电阻R1与PMOS管Q1并联后PMOS管Q1与Q2串联。MOS管Q2、MOS管Q3、单片机U1分别并联。该电路根据上一步检测到的充电电压,控制对电池充电的电流;The charging current control circuit includes a resistor R1, a PMOS transistor Q1, a MOS transistor Q2, an inductor L1, a capacitor C3, a battery BAT, a MOS transistor Q3 and a microcontroller U1. The inductor L1, the battery BAT and the MOS transistor Q3 are connected in series in sequence. Capacitor C3 is connected in parallel with battery BAT. After the resistor R1 is connected in parallel with the PMOS transistor Q1, the PMOS transistor Q1 and Q2 are connected in series. The MOS tube Q2, the MOS tube Q3, and the single chip microcomputer U1 are respectively connected in parallel. The circuit controls the current to charge the battery according to the charging voltage detected in the previous step;
电池电压检测电路,其包括电阻R8、集成电路U2、电阻R4、电阻R5和单片机U1。电阻R4、电阻R5、电阻R8、集成电路U2依次串联。单片机U1的脚PIN10并联在电阻R4和电阻R5之间,脚PIN8并联在电阻R5和电阻R8之间,脚PIN6并联在电阻R8和集成电路U2之间。该电路用于监控充电状态下,电池两端的电压。The battery voltage detection circuit includes a resistor R8, an integrated circuit U2, a resistor R4, a resistor R5 and a single-chip microcomputer U1. The resistor R4, the resistor R5, the resistor R8, and the integrated circuit U2 are connected in series in sequence. The pin PIN10 of the single chip microcomputer U1 is connected in parallel between the resistor R4 and the resistor R5, the pin PIN8 is connected in parallel between the resistor R5 and the resistor R8, and the pin PIN6 is connected in parallel between the resistor R8 and the integrated circuit U2. This circuit is used to monitor the voltage across the battery during the state of charge.
大电流放电控制电路,包括电容C1、电容C2、电容C3、电阻R1、电阻R3、电阻R6、PMOS管Q1、MOS管Q2、MOS管Q3、电感L1、电池BAT和单片机U1。电感L1、电池BAT、MOS管Q3依次串联。电容C3与电池BAT并联。电阻R1与PMOS管Q1并联且电阻R1与PMOS管Q1、MOS管Q2串联。MOS管Q2、MOS管Q3与单片机U1并联。该电路用于电池工作中的放电。The large current discharge control circuit includes capacitor C1, capacitor C2, capacitor C3, resistor R1, resistor R3, resistor R6, PMOS transistor Q1, MOS transistor Q2, MOS transistor Q3, inductor L1, battery BAT and microcontroller U1. The inductor L1, the battery BAT, and the MOS transistor Q3 are connected in series in sequence. Capacitor C3 is connected in parallel with battery BAT. The resistor R1 is connected in parallel with the PMOS transistor Q1 and the resistor R1 is connected in series with the PMOS transistor Q1 and the MOS transistor Q2. The MOS tube Q2 and the MOS tube Q3 are connected in parallel with the microcontroller U1. This circuit is used for discharge in battery operation.
充电输入电压检测电路与充电电流控制电路连接,电池电压检测电路与充电电流控制电路连接,充电输入电压检测电路与大电流放电控制电路使用同一条路径。The charging input voltage detection circuit is connected to the charging current control circuit, the battery voltage detection circuit is connected to the charging current control circuit, and the charging input voltage detection circuit and the large current discharge control circuit use the same path.
电子烟外部接入充电器后,单片机U1控制MOS管Q3导通,但MOS管Q1不导通。此时电阻R2接入充电回路中,电阻R3和电阻R6两端的电压为充电器的输出电压,而不会跟随电子烟电池电压而变化。通过检测电阻R3和电阻R6连接出的电压值,可以判断出充电器的类型。当电阻R3和电阻R6两端的电压为4.2V时,充电器即为机械充电器;当电阻R3和电阻R6两端的电压为5.0V时,充电器即为集成充电器。根据充电器的类型,单片机U1控制电子烟进行不同模式的充电。若充电器为机械充电器,则单片机U1控制其第三脚和第八脚输出低频率大占空比的PWM波,控制MOS管Q1和MOS管Q3的通断。若充电器为集成充电器,则单片机U1控制其第三脚和第八脚输出高频率小占空比的PWM波,控制MOS管Q1和MOS管Q3的通断,并通过磁珠或电感L1的储能作用,平滑、稳定充电电流。充电开始后,单片机U1一直通过其第十脚检测电阻R4和电阻R5之间的电压,从而监控电子烟的电池电压。当电池电压足够大时,单片机U1控制MOS管Q1和MOS管Q3的关断,结束充电。After the electronic cigarette is externally connected to the charger, the single-chip microcomputer U1 controls the MOS tube Q3 to conduct, but the MOS tube Q1 does not conduct. At this time, the resistor R2 is connected to the charging circuit, and the voltage across the resistor R3 and the resistor R6 is the output voltage of the charger, which will not change with the battery voltage of the electronic cigarette. The type of the charger can be determined by detecting the voltage value connected between the resistor R3 and the resistor R6. When the voltage across resistor R3 and resistor R6 is 4.2V, the charger is a mechanical charger; when the voltage across resistor R3 and resistor R6 is 5.0V, the charger is an integrated charger. According to the type of the charger, the single-chip microcomputer U1 controls the electronic cigarette to charge in different modes. If the charger is a mechanical charger, the single-chip microcomputer U1 controls its third pin and eighth pin to output a PWM wave with a low frequency and a large duty cycle, and controls the on-off of the MOS transistor Q1 and the MOS transistor Q3. If the charger is an integrated charger, the single-chip microcomputer U1 controls its third and eighth pins to output PWM waves with high frequency and small duty cycle, controls the on-off of MOS transistor Q1 and MOS transistor Q3, and passes through magnetic beads or inductor L1 Excellent energy storage function, smooth and stable charging current. After charging starts, the single-chip microcomputer U1 has been detecting the voltage between the resistor R4 and the resistor R5 through its tenth pin, so as to monitor the battery voltage of the electronic cigarette. When the battery voltage is high enough, the single-chip microcomputer U1 controls the shutoff of the MOS transistor Q1 and the MOS transistor Q3 to end the charging.
在充电没有开始前,单片机U1控制其脚PIN3和脚PIN8为低电平,脚PIN9进行内部上拉设置,且由于电阻R3和电阻R4形成的上拉作用,做输入脚的PIN9为高电平;以上设置使MOS管Q2关断,所以PMOS管Q1的栅极因上拉电阻为高电平,PMOS管Q1关断不打开,MOS管Q3关断不打开。接入充电器,即在CH+\CH-端连接充电器输出端,充电器输出端的正极连接CH+,充电器输出端的负极连接CH-。充电器接入后,电阻R2、电感L1、电池BAT和电容Q3形成一条充电通路,这要求电阻R2的阻值不能太大。由于充电通路的产生,将会使单片机U1的输入脚PIN9由高电平跃变为低电平。单片机U1检测到这种变化后,判断为充电开始,置输出脚PIN8为高电平,此时MOS管Q3打开,使其后进行的电子烟充电器的类型判断更可靠精准。MOS管Q3导通后,单片机U1就对电阻R3和电阻R6之间的电压进行采样,电阻R3和电阻R6不能太小,否则将导致充电器接入后经过电阻R3、电阻R6形成回路电流太大,而且电阻R3和电阻R6的阻值比例要恰当,方便采样电压值的获取、计算。由于接入的电子烟充电器可能有5.0V、4.2V输出,故电阻R3和电阻R6两端的电压也有5.0V、4.2V两种。单片机U1通过对电阻R3和电阻R6之间采样电压进行分析计算后,根据采样电压值的差异,就可以判断出电子烟充电器是属于机械类型(4.2V电压输出)还是属于集成类型(5.0V电压输出)。当电子烟充电器是机械充电器时,控制PMOS管Q1和MOS管Q3通断的输出脚PIN3、PIN8将输出稳定的占空比较大的PWM脉冲,使通电通路完全接收充电器的输出功率,又可以在短时间的低电平的关断脉冲里检测充电器的移除有否。当电子烟充电器是集成充电器时,单片机U1要根据不同的电子烟电池电压来控制其输出引脚PIN3和PIN8输出不同的PWM脉冲达到模拟锂电池的涓流--恒流—恒压充电模式。此时元件L1可为电感或磁珠,本实施例中元件L1为电感。电感L1有恰当的存储-释放能量的能力、完成平滑充电电流的功能而又不影响电路在输出使用时的安全与性能。电子烟电池电压的检测通过对电阻R4和电阻R5之间的电压采样实现,电压采样时必须要求单片机U1的引脚PIN8稳定输出高电平,且时间足够长,以确保电压采样结果的准确可靠。以上两种方式的充电中,都保持对电池电压的检测,当电池电压达到有效充满电压值时,单片机U1关断PMOS管Q1和MOS管Q3,不再接受充电。此时要求电阻R2不能太小,且MOS管Q3的二极管正向导通电压足够大,以实现PMOS管Q1和MOS管Q3关闭后电池的充电回路只有极其微弱的电流,不影响电池电压又可以维持通路检测。无论什么时候,当电子烟充电器移除后,单片机U1都能通过在正确的时间对其脚PIN9的状态进行检测,快速的确定充电器已经移除,从而退出充电状态。Before the charging starts, the MCU U1 controls its pins PIN3 and PIN8 to be low level, and the pin PIN9 is internally pulled up, and due to the pull-up effect formed by the resistance R3 and the resistance R4, the input pin PIN9 is high level ; The above settings make the MOS transistor Q2 turn off, so the gate of the PMOS transistor Q1 is at a high level due to the pull-up resistor, the PMOS transistor Q1 is turned off and does not open, and the MOS transistor Q3 is turned off and does not open. Connect the charger, that is, connect the CH+\CH- terminal to the charger output terminal, the positive pole of the charger output terminal is connected to CH+, and the negative pole of the charger output terminal is connected to CH-. After the charger is connected, the resistor R2, the inductor L1, the battery BAT and the capacitor Q3 form a charging path, which requires that the resistance of the resistor R2 should not be too large. Due to the generation of the charging path, the input pin PIN9 of the single-chip microcomputer U1 will transition from high level to low level. After the single-chip microcomputer U1 detects this change, it judges that the charging has started, and sets the output pin PIN8 to a high level. At this time, the MOS tube Q3 is turned on, so that the subsequent judgment of the type of the electronic cigarette charger is more reliable and accurate. After the MOS transistor Q3 is turned on, the single-chip microcomputer U1 samples the voltage between the resistor R3 and the resistor R6. The resistor R3 and the resistor R6 should not be too small, otherwise the circuit current formed by the charger through the resistor R3 and the resistor R6 will be too large. Large, and the resistance ratio of resistor R3 and resistor R6 should be appropriate to facilitate the acquisition and calculation of the sampled voltage value. Since the connected electronic cigarette charger may have 5.0V and 4.2V outputs, the voltages at both ends of the resistor R3 and the resistor R6 are also 5.0V and 4.2V. After the single-chip microcomputer U1 analyzes and calculates the sampling voltage between the resistor R3 and the resistor R6, according to the difference in the sampling voltage value, it can judge whether the electronic cigarette charger belongs to the mechanical type (4.2V voltage output) or the integrated type (5.0V voltage output) voltage output). When the electronic cigarette charger is a mechanical charger, the output pins PIN3 and PIN8 that control the on-off of the PMOS transistor Q1 and MOS transistor Q3 will output a stable PWM pulse with a large duty ratio, so that the power-on path can completely receive the output power of the charger. It can also detect whether the charger is removed in a short-time low-level off pulse. When the e-cigarette charger is an integrated charger, the single-chip microcomputer U1 controls its output pins PIN3 and PIN8 to output different PWM pulses according to different e-cigarette battery voltages to simulate trickle-constant current-constant voltage charging of lithium batteries model. In this case, the element L1 can be an inductor or a magnetic bead, and in this embodiment, the element L1 is an inductor. Inductor L1 has the proper ability to store and release energy and complete the function of smooth charging current without affecting the safety and performance of the circuit when it is used for output. The detection of the battery voltage of the electronic cigarette is realized by sampling the voltage between the resistor R4 and the resistor R5. When sampling the voltage, the pin PIN8 of the microcontroller U1 must be required to output a high level stably, and the time is long enough to ensure that the voltage sampling result is accurate and reliable. . In the charging of the above two methods, the detection of the battery voltage is maintained. When the battery voltage reaches the effective full voltage value, the single-chip microcomputer U1 turns off the PMOS transistor Q1 and the MOS transistor Q3, and no longer accepts charging. At this time, it is required that the resistance R2 should not be too small, and the forward conduction voltage of the diode of the MOS transistor Q3 is sufficiently large, so that after the PMOS transistor Q1 and the MOS transistor Q3 are turned off, the charging circuit of the battery only has an extremely weak current, which does not affect the battery voltage and can maintain Path detection. Whenever, when the electronic cigarette charger is removed, the single-chip microcomputer U1 can quickly determine that the charger has been removed by detecting the state of its pin PIN9 at the correct time, thereby exiting the charging state.
当充电回路在不进行充电时,还可作为大电流放电控制电路,驱动雾化器工作。大电流放电控制电路包括电容C1、电容C2、电容C3,电阻R1、电阻R3、电阻R6、PMOS管Q1、MOS管Q2、MOS管Q3,电感L1,电池BAT和单片机U1。当作电源输出使用时,电路负载(雾化器)连接在CH+、CH-两端,单片机U1控制MOS管Q1、Q3导通,构成由电池BAT、电感L1、PMOS管Q1、MOS管Q3和雾化器的输出电路形成的工作回路。When the charging circuit is not charging, it can also be used as a large current discharge control circuit to drive the atomizer to work. The large current discharge control circuit includes capacitor C1, capacitor C2, capacitor C3, resistor R1, resistor R3, resistor R6, PMOS transistor Q1, MOS transistor Q2, MOS transistor Q3, inductor L1, battery BAT and microcontroller U1. When used as a power output, the circuit load (atomizer) is connected to both ends of CH+ and CH-, and the single-chip microcomputer U1 controls the conduction of MOS transistors Q1 and Q3, forming a battery BAT, inductor L1, PMOS transistor Q1, MOS transistor Q3 and The working circuit formed by the output circuit of the atomizer.
以上所述仅是本发明的一些实施方式,应当指出,对于本领域普通技术人员来说,在不脱离本发明创造构思的前提下,还可以做出若干相似的变形和改进,这些也应视为本发明的保护范围之内。The above descriptions are only some embodiments of the present invention. It should be pointed out that those skilled in the art can make several similar deformations and improvements without departing from the inventive concept of the present invention. Within the protection scope of the present invention.
| Application Number | Priority Date | Filing Date | Title |
|---|---|---|---|
| CN2012103273105ACN102916461A (en) | 2012-09-06 | 2012-09-06 | Intelligent charge-discharge control circuit of battery |
| Application Number | Priority Date | Filing Date | Title |
|---|---|---|---|
| CN2012103273105ACN102916461A (en) | 2012-09-06 | 2012-09-06 | Intelligent charge-discharge control circuit of battery |
| Publication Number | Publication Date |
|---|---|
| CN102916461Atrue CN102916461A (en) | 2013-02-06 |
| Application Number | Title | Priority Date | Filing Date |
|---|---|---|---|
| CN2012103273105APendingCN102916461A (en) | 2012-09-06 | 2012-09-06 | Intelligent charge-discharge control circuit of battery |
| Country | Link |
|---|---|
| CN (1) | CN102916461A (en) |
| Publication number | Priority date | Publication date | Assignee | Title |
|---|---|---|---|---|
| CN102832669A (en)* | 2012-09-06 | 2012-12-19 | 深圳市合元科技有限公司 | Intelligent charging and discharging control circuit for battery |
| CN103975501A (en)* | 2013-04-27 | 2014-08-06 | 向智勇 | Charging method based on electronic cigarette case and corresponding electronic cigarette case |
| WO2015013913A1 (en)* | 2013-07-31 | 2015-02-05 | 吉瑞高新科技股份有限公司 | Overcurrent and overvoltage protection circuit and method for electronic cigarette |
| CN104467747A (en)* | 2014-11-10 | 2015-03-25 | 上海激光电源设备有限责任公司 | Self-powered trigger |
| GB2528711A (en)* | 2014-07-29 | 2016-02-03 | Nicoventures Holdings Ltd | E-cigarette and re-charging pack |
| EP3113250A4 (en)* | 2014-02-27 | 2017-09-13 | Huizhou Kimree Technology Co., Ltd. Shenzhen Branch | Electronic cigarette battery assembly |
| US10218193B2 (en) | 2014-07-29 | 2019-02-26 | Nicoventures Holdings Limited | E-cigarette and re-charging pack |
| Publication number | Priority date | Publication date | Assignee | Title |
|---|---|---|---|---|
| CN1681182A (en)* | 2004-04-05 | 2005-10-12 | 四川德先科技有限公司 | High-efficient self-adaption charging system |
| CN102270873A (en)* | 2011-07-30 | 2011-12-07 | 何庆余 | Constant-current constant-voltage pulse charger capable of randomly setting charging voltage and charging current |
| CN102832669A (en)* | 2012-09-06 | 2012-12-19 | 深圳市合元科技有限公司 | Intelligent charging and discharging control circuit for battery |
| CN203056644U (en)* | 2013-01-25 | 2013-07-10 | 深圳市合元科技有限公司 | Battery intelligent charge and discharge control circuit |
| Publication number | Priority date | Publication date | Assignee | Title |
|---|---|---|---|---|
| CN1681182A (en)* | 2004-04-05 | 2005-10-12 | 四川德先科技有限公司 | High-efficient self-adaption charging system |
| CN102270873A (en)* | 2011-07-30 | 2011-12-07 | 何庆余 | Constant-current constant-voltage pulse charger capable of randomly setting charging voltage and charging current |
| CN102832669A (en)* | 2012-09-06 | 2012-12-19 | 深圳市合元科技有限公司 | Intelligent charging and discharging control circuit for battery |
| CN203056644U (en)* | 2013-01-25 | 2013-07-10 | 深圳市合元科技有限公司 | Battery intelligent charge and discharge control circuit |
| Publication number | Priority date | Publication date | Assignee | Title |
|---|---|---|---|---|
| CN102832669A (en)* | 2012-09-06 | 2012-12-19 | 深圳市合元科技有限公司 | Intelligent charging and discharging control circuit for battery |
| CN102832669B (en)* | 2012-09-06 | 2015-10-14 | 深圳市合元科技有限公司 | Intelligent charge-discharge control circuit of battery |
| CN103975501A (en)* | 2013-04-27 | 2014-08-06 | 向智勇 | Charging method based on electronic cigarette case and corresponding electronic cigarette case |
| WO2014172906A1 (en)* | 2013-04-27 | 2014-10-30 | 吉瑞高新科技股份有限公司 | Charging method based on electronic cigarette case, and corresponding electronic cigarette case |
| US20150189917A1 (en)* | 2013-04-27 | 2015-07-09 | Kimree Hi-Tech Inc. | Charging method based on an electronic cigarette box and corresponding electronic cigarette box |
| WO2015013913A1 (en)* | 2013-07-31 | 2015-02-05 | 吉瑞高新科技股份有限公司 | Overcurrent and overvoltage protection circuit and method for electronic cigarette |
| EP3113250A4 (en)* | 2014-02-27 | 2017-09-13 | Huizhou Kimree Technology Co., Ltd. Shenzhen Branch | Electronic cigarette battery assembly |
| US9888726B2 (en) | 2014-02-27 | 2018-02-13 | Huizhou Kimree Technology Co., Ltd. Shenzhen Branch | Electronic cigarette battery assembly |
| US12095052B2 (en) | 2014-07-29 | 2024-09-17 | Nicoventures Trading Limited | E-cigarette and re-charging pack |
| US11831155B2 (en) | 2014-07-29 | 2023-11-28 | Nicoventures Trading Limited | E-cigarette and re-charging pack |
| GB2528711A (en)* | 2014-07-29 | 2016-02-03 | Nicoventures Holdings Ltd | E-cigarette and re-charging pack |
| GB2528711B (en)* | 2014-07-29 | 2019-02-20 | Nicoventures Holdings Ltd | E-cigarette and re-charging pack |
| US10218193B2 (en) | 2014-07-29 | 2019-02-26 | Nicoventures Holdings Limited | E-cigarette and re-charging pack |
| US10276898B2 (en) | 2014-07-29 | 2019-04-30 | Nicoventures Holdings Limited | E-cigarette and re-charging pack |
| US10536013B2 (en) | 2014-07-29 | 2020-01-14 | Nicoventures Holdings Limited | E-cigarette and re-charging pack |
| US10873196B2 (en) | 2014-07-29 | 2020-12-22 | Nicoventures Holdings Limited | E-cigarette and re-charging pack |
| US11811027B2 (en) | 2014-07-29 | 2023-11-07 | Nicoventures Trading Limited | E-cigarette and re-charging pack |
| CN104467747A (en)* | 2014-11-10 | 2015-03-25 | 上海激光电源设备有限责任公司 | Self-powered trigger |
| CN104467747B (en)* | 2014-11-10 | 2017-02-15 | 上海激光电源设备有限责任公司 | Self-powered trigger |
| Publication | Publication Date | Title |
|---|---|---|
| CN102832669B (en) | Intelligent charge-discharge control circuit of battery | |
| CN102916461A (en) | Intelligent charge-discharge control circuit of battery | |
| CN103545882B (en) | Battery in-situ test method and device and battery charge system | |
| CN101471577B (en) | Voltage balance circuit for double-burl chargeable battery | |
| CN203056644U (en) | Battery intelligent charge and discharge control circuit | |
| CN201623470U (en) | Protection circuit for power lithium-ion battery | |
| CN202121027U (en) | Battery with high-accuracy current protection circuit | |
| CN103872736A (en) | Protected charging circuit capable of displaying electric quantity | |
| CN109217425A (en) | A kind of charger circuit and its intelligent charge control method | |
| CN202798035U (en) | Charging mode detection circuit and mobile terminal | |
| CN203056645U (en) | Charger intelligent control circuit | |
| CN102769323A (en) | Ultra-fast charge equipment for mobile phone batteries | |
| CN103872737A (en) | Battery charge and discharge circuit with multifunctional protection plate | |
| CN104779669A (en) | Lithium ion battery pack provided with charging protection circuit | |
| CN203289087U (en) | Charging/discharging protection circuit of battery | |
| CN107565645B (en) | Battery charging management circuit | |
| CN207504591U (en) | Battery charging management circuit | |
| CN203233212U (en) | A 0V charging control circuit for a lithium power battery pack | |
| CN203368109U (en) | Detection circuit for lithium battery charger | |
| CN201204479Y (en) | Lithium battery charger control integrated circuit and its charging indication control circuit | |
| CN201928040U (en) | Charging-discharging device | |
| CN106899058A (en) | Intelligent charging circuit and mobile power supply using the intelligent charging circuit | |
| CN202616848U (en) | Ultra-fast mobile phone battery charging device | |
| CN111342510A (en) | Lithium ion battery charging and discharging protection circuit | |
| CN204481503U (en) | A kind of level lithium battery charging management circuit |
| Date | Code | Title | Description |
|---|---|---|---|
| C06 | Publication | ||
| PB01 | Publication | ||
| C10 | Entry into substantive examination | ||
| SE01 | Entry into force of request for substantive examination | ||
| C02 | Deemed withdrawal of patent application after publication (patent law 2001) | ||
| WD01 | Invention patent application deemed withdrawn after publication | Application publication date:20130206 |