Movatterモバイル変換


[0]ホーム

URL:


CN102761285A - Three-level three-phase power source transformation device capable of initiatively balancing clamp voltage of neutral points - Google Patents

Three-level three-phase power source transformation device capable of initiatively balancing clamp voltage of neutral points
Download PDF

Info

Publication number
CN102761285A
CN102761285ACN2012102336520ACN201210233652ACN102761285ACN 102761285 ACN102761285 ACN 102761285ACN 2012102336520 ACN2012102336520 ACN 2012102336520ACN 201210233652 ACN201210233652 ACN 201210233652ACN 102761285 ACN102761285 ACN 102761285A
Authority
CN
China
Prior art keywords
neutral point
switch element
phase
voltage
current potential
Prior art date
Legal status (The legal status is an assumption and is not a legal conclusion. Google has not performed a legal analysis and makes no representation as to the accuracy of the status listed.)
Granted
Application number
CN2012102336520A
Other languages
Chinese (zh)
Other versions
CN102761285B (en
Inventor
张翔
Current Assignee (The listed assignees may be inaccurate. Google has not performed a legal analysis and makes no representation or warranty as to the accuracy of the list.)
Individual
Original Assignee
Individual
Priority date (The priority date is an assumption and is not a legal conclusion. Google has not performed a legal analysis and makes no representation as to the accuracy of the date listed.)
Filing date
Publication date
Application filed by IndividualfiledCriticalIndividual
Priority to CN201210233652.0ApriorityCriticalpatent/CN102761285B/en
Publication of CN102761285ApublicationCriticalpatent/CN102761285A/en
Application grantedgrantedCritical
Publication of CN102761285BpublicationCriticalpatent/CN102761285B/en
Expired - Fee Relatedlegal-statusCriticalCurrent
Anticipated expirationlegal-statusCritical

Links

Images

Landscapes

Abstract

The invention provides a three-level three-phase power source transformation device capable of initiatively balancing a clamp voltage of neutral points and relates to a three-level neutral point clamp type PWM (Pulse-Width Modulation) inverter device which is one of power conversion devices of a connecting system, and a control (balance) device which is used in the three-level neutral point clamp type PWM inverter device and controls the voltage (current) at the neutral points of two capacitors connected in series between a positive bus and a negative bus, wherein the device consists two part devices, the first part device is of a three-phase neutral point clamp type PWM inverter device, the second part device is of a device for restraining the voltage of the natural point from deviating, the second part device is connected with the neutral point of the first part device by virtue of a serial inductor, and the device for restraining the voltage of the natural point from deviating can be used for efficiently restraining the change of the potential at the neutral point of the three-phase neutral point clamp type PWM inverter device, therefore, the safety can be improved, and the quality of output voltage can be enhanced.

Description

But three level three phase mains converting means of active balancing neutral point clamp voltage
Technical field
The present invention relates to the power inverters such as inverter, servo-driver of variable speed drive motor, as neutral point voltage (electric current) bascule between three level neutral point clamping type PWM (pulse-width modulation) DC-to-AC converters of one of power inverter of connected system and two capacitors in this three level neutral point clamping type PWM DC-to-AC converter, using, be connected in series between control positive bus-bar and the negative busbar.
Background technology
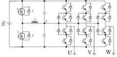
Like Fig. 1 is the circuit diagram of the main circuit structure of expression three level neutral point clamping type PWM DC-to-AC converters.Three level neutral point clamping type PWM DC-to-AC converters are made up of the lead-out terminal UVW of 2 capacitors, 7,3 phases, 12 switch elements and 18 diodes 9.In this three level neutral point clamping type PWM DC-to-AC converters, make switch element 81, 82During conducting, the lead-out terminal of each phase connects with the positive bus-bar that is connected with the P point, and the output voltage of each phase becomes high level.Make switch element 82, 83During conducting, the lead-out terminal of each phase is connected with neutral point C point, and the output phase voltage of each phase becomes the intermediate level (neutral point voltage) in the middle of high level and the low level.Make switch element 83, 84During conducting, the lead-out terminal of each phase connects with the negative busbar that is connected with the N point, and the output phase voltage of each phase becomes low level.In three level neutral point clamping type PWM DC-to-AC converters, general 3 kinds of above patterns are basic each switch element 8 that switches, and drive 3 phase loads.
In this three level neutral point clamping type PWM DC-to-AC converters, utilize the dividing potential drop of capacitor 7 to obtain neutral point voltage, but this neutral point voltage change along with supplying with the electric current of giving load.During the neutral point voltage change, overvoltage acts on capacitor 7, may cause the life-span of capacitor 7 to be reduced or damage.Therefore, in the DC-to-AC converter of three level neutral point clamping type PWM, need be used to suppress the control of neutral point current potential of the change of neutral point voltage.
In the past, as the neutral point voltage control of the neutral point clamping type PWM DC-to-AC converter of above-mentioned formation in, use bipolarity modulation, unipolarity modulation as the pwm pulse production method, through the increase and decrease of voltage instruction, control flows is to the electric current of the neutral line.
Chinese patent publication number CN 100334801C; Open day on August 29th, 2007; The name of innovation and creation is called neutral point clamping PWM inverter device; This application case disclose the 3 phase output voltages that connect with 3 mutually phase output terminals respectively according to positive bus-bar, negative busbar and the neutral line time calculated value and described neutral point predicted current value under this state first long-pending calculated value, be in the phase output terminals of 3phases 2 be connected with the positive bus-bar or theneutral line 1 of being left and the said neutral line or negative busbartie point state 1 and opposite state 23 phase output voltages time calculated value and at second and third calculated value that amasss of the said neutral line predicted current value of thisstate 1 and 2; Thedecision state 1 of PWM in the cycle and 2 time ratio; Make the electric current flow to the neutral line near zero, or the current potential of the neutral line that makes 3 phase output voltages is near the voltage of the middle of positive bus-bar voltage and negative busbar voltage.Its weak point is when the control neutral current; Adopt the method for the ratio that changes voltage vector; Line voltage that causes output and part common-mode voltage are partly deteriorated to identical with the line voltage and the common-mode voltage of the output of two level PWM inverters; Not only bring the complexity in the control, and can produce more harmonic wave and stronger electromagnetic interference.
Summary of the invention
The object of the present invention is to provide a kind of three-phase neutral point clamping type PWM DC-to-AC converter; Can suppress the change of neutral point voltage expeditiously; And three-phase neutral point clamping type PWM DC-to-AC converter can need not to suppressing neutral point voltage fluctuation change voltage vector ratio according to the control of normal switch signal mode.
To achieve these goals; Technical scheme of the present invention provides a kind of three-phase neutral point clamping type PWM DC-to-AC converter; This three-phase neutral point clamping type PWM DC-to-AC converter is made up of two partial devices; First's device is a three-phase neutral point clamping type PWM DC-to-AC converter, and the second portion device is for suppressing the device of neutral point voltage skew, and described second portion device is connected with the neutral point of described first device through series inductance.Wherein said three-phase neutral point clamping type PWM DC-to-AC converter has positive bus-bar, negative busbar and the neutral line; Be divided into 3 and be provided with neutral point clamping type PWM inverter mutually; Each neutral point clamping type PWM inverter between positive bus-bar and phase output terminals and negative busbar and phase output terminals, be connected in series respectively first and second switch element and third and fourth switch element; And said first be connected with said neutral point via the clamper element respectively with the tie point of described the 4th switch element with the tie point and the described the 3rd of said second switch element; At be connected in series respectively between described positive bus-bar and the described neutral point and between described negative busbar and the described neutral point first capacitor and second capacitor; The device of wherein said inhibition neutral point voltage skew has positive bus-bar, negative busbar and the neutral line; At connect respectively between described positive bus-bar and the described neutral point and between described negative busbar and the described neutral point the 5th switch element and the 6th switch element; Described the 5th switch element and the 6th switch element be parallelly connected fly-wheel diode respectively, and described the 5th switch element and described the 6th switch element intermediate point and described three-phase neutral point clamping type PWM DC-to-AC converter are connected in series through an inductor.
This device can be at the neutral point voltage of described three-phase neutral point clamping type PWM DC-to-AC converter during less than the current potential of the middle between described positive bus-bar current potential and the said negative busbar current potential; Can open described the 5th switch element; Close described the 6th switch element; Described neutral point voltage is raise, make the current potential of the current potential of the described neutral line near the middle between said positive bus-bar current potential and the said negative busbar current potential; When the neutral point voltage of described three-phase neutral point clamping type PWM DC-to-AC converter during greater than the current potential of the middle between described positive bus-bar current potential and the said negative busbar current potential; Can close described the 5th switch element; Open described the 6th switch element; Described neutral point voltage is reduced, make the current potential of the current potential of the described neutral line near the middle between said positive bus-bar current potential and the said negative busbar current potential.
This device can also can be opened described the 6th switch element when electric current flows into the neutral point of described three-phase neutral point clamping type PWM DC-to-AC converter; Close described the 5th switch element; Extract electric current to described neutral point, the neutral point that flows out described three-phase neutral point clamping type PWM DC-to-AC converter when electric current can be opened described the 5th switch element constantly; Close described the 6th switch element, to described neutral point injection current.
When this device can also be the rectification input at the power supply of three-phase neutral point clamping type three-level pwm DC-to-AC converter; The diode that between the described positive bus-bar of described inhibition neutral point voltage offset assembly and the described positive bus-bar of described three-phase neutral point clamping type PWM inverter, is connected in series, an inductance is connected in series between the described positive bus-bar of described inhibition neutral point voltage offset assembly and external power supply positive potential.
Through above-mentioned way; Can guarantee that the PWM inverter is under normal switching signal pattern control; Make the neutral point potential change as far as possible near zero, or the current potential through making the neutral line can efficiently suppress the neutral point potential change near the current potential of the middle between positive bus-bar and the negative busbar voltage; Therefore can improve fail safe, improve the quality of output voltage.
Description of drawings
Fig. 1 is the circuit diagram of the main circuit structure of expression tri-level inversion apparatus.
Fig. 2 is the circuit diagram that expression has the main circuit structure of the tri-level inversion apparatus that suppresses the neutral point current offset assembly.
Fig. 3 is the output voltage space vector figure of three-phase neutral point clamping type PWM converting means.
Fig. 4 is small vector output example figure in the expression three-phase neutral point clamping type switching states group.
Fig. 5 is middle vector output example figure in the expression three-phase neutral point clamping type switching states group.
Fig. 6 is the circuit diagram of main circuit structure of the tri-level inversion apparatus of the expression inhibition neutral point current offset assembly that has three brachium pontis.
But Fig. 7 is the expression power supply is the circuit diagram of main circuit structure of three level three phase mains converting means of rectification when input active balancing neutral point clamp voltage.
Embodiment
Below in conjunction with accompanying drawing and embodiment the present invention is described in further detail.
Embodiment 1, is the circuit diagram of the main circuit structure that has the tri-level inversion apparatus that suppresses the neutral point current offset assembly of expression present embodiment like Fig. 2.As shown in Figure 2; This instance is made up of two partial devices; First's device is a three-phase neutral point clamping type three-level pwm DC-to-AC converter; The second portion device is the device of active balancing neutral point clamp voltage, the device of the active balancing neutral point clamp voltageHF switch element 1 of between the positive bus-bar and the neutral line, connecting, series connectionHF switch element 2 between the neutral line and negative busbar; And 2 HF switch element parallel connection fly-wheel diodes 3,series inductance 4 between the neutral point c of 2 HF switch elements and three-phase neutral point clamping type three-level pwm DC-to-AC converter.
Fig. 3 is the output voltage space vector figure of three-phase neutral point clamping type PWM converting means, comprising 27 output voltage vector, can be divided into small vector (ap according to the mould length of vector; An and bp; Bn), middle vector (c), big vector (a and b) and zero vector (op, oo and on); Three dimensional vector diagram is divided into 6 Da Qu of A~F, and each Da Qu can be divided into 4 little delta-shaped regions again.When the output voltage of PWM converting means is in some in 24 zones shown in Figure 3, can uses and form this regional voltage vector and substitute.
When three-phase neutral point clamping type three-level pwm DC-to-AC converter output voltage vector was positioned at A1 ~ F1 zone, output voltage vector can be replaced by voltage vector: ap, an, bp, bn, op, oo and on.It is opposite being influenced by the visible two couples of redundant vector ap of Fig. 4 and an and bp and bn voltage to neutral, in a carrier cycle, chooses the ap and an of same widths, the bp of same widths and bn.Wherein zero vector op, oo and on are to the not influence of neutral point current potential.
When three-phase neutral point clamping type three-level pwm DC-to-AC converter output voltage vector was positioned at A2 ~ F2 zone, output voltage vector can be replaced by voltage vector: ap, an, a and c.By redundant vector ap of Fig. 4 and the influence of an voltage to neutral is opposite, in a carrier cycle, chooses the ap and an of same widths; For the c vector; As shown in Figure 5; Do not have redundant vector,, can open theswitch element 1 of the device of active balancing neutral point clamp voltage shown in Figure 2 if when the c vector makes the neutral point current potential less than the current potential V0 of the middle between positive bus-bar current potential and the negative busbar current potential; Turn-off thedevice switch element 2 of active balancing neutral point clamp voltage, the neutral point current potential is raise; If the neutral point current potential during greater than V0, can turn-off theswitch element 1 of the device of active balancing neutral point clamp voltage, open theswitch element 2 of the device of active balancing neutral point clamp voltage; Wherein big vector a is to the not influence of neutral point current potential.
When three-phase neutral point clamping type three-level pwm DC-to-AC converter output voltage vector was positioned at A4 ~ F4 zone, output voltage vector can be replaced by voltage vector: bp, bn, b and c.By redundant vector b p of Fig. 4 and the influence of bn voltage to neutral is opposite, in a carrier cycle, chooses the bp and the bn of same widths; For the c vector; As shown in Figure 5; Do not have redundant vector, when making the neutral point current potential less than V0, can open theswitch element 1 of the device of active balancing neutral point clamp voltage shown in Figure 2 as if the c vector; Turn-off theswitch element 2 of the device of active balancing neutral point clamp voltage, the neutral point current potential is raise; If the neutral point current potential during greater than V0, can turn-off theswitch element 1 of the device of active balancing neutral point clamp voltage, open theswitch element 2 of the device of active balancing neutral point clamp voltage; Wherein big vector b is to the not influence of neutral point current potential.
When three-phase neutral point clamping type three-level pwm DC-to-AC converter output voltage vector was positioned at A3 ~ F3 zone, output voltage vector can be replaced by voltage vector: ap, an, bp, bn and c.It is opposite being influenced by the visible two couples of redundant vector ap of Fig. 4 and an and bp and bn voltage to neutral, in a carrier cycle, chooses the ap and an of same widths, the bp of same widths and bn; For the c vector, as shown in Figure 5, there is not redundant vector; If the c vector makes the neutral point current potential less than V0; Can open theswitch element 1 of the device of active balancing neutral point clamp voltage shown in Figure 2, turn-off theswitch element 2 of the device of active balancing neutral point clamp voltage, the neutral point current potential is raise; If the neutral point current potential during greater than V0, can turn-off theswitch element 1 of the device of active balancing neutral point clamp voltage, open theswitch element 2 of the device of active balancing neutral point clamp voltage; Wherein big vector a is to the not influence of neutral point current potential.
Secondlyembodiment 2,, but three level three phase mains converting means of the active balancing neutral point clamp voltage of embodiments of theinvention 2 are described with reference to Fig. 6.But Fig. 6 is the circuit diagram of main circuit structure of three level three phase mains converting means of the active balancing neutral point clamp voltage of expression embodiments of the invention 2.But but three level three phase mains converting means of present embodiment active balancing neutral point clamp voltage are with three level three phase mains converting means differences of the active balancing neutral point clamp voltage of the foregoing description: the device of routine described active balancing neutral point clamp voltage on being connected 3 between positive bus-bar and the negative busbar, and the device of each active balancing neutral point clamp voltage connects throughseries inductance 4 respectively between the neutral point c of 2 HF switch elements and three-phase neutral point clamping type three-level pwm DC-to-AC converter.When the output voltage vector that substitutes three-phase neutral point clamping type three-level pwm DC-to-AC converter comprised the c vector, control neutral point current potential raise or reduction is to be accomplished by the device of described three active balancing neutral point clamp voltages.
Embodiment 3, but three level three phase mains converting means of another one active balancing neutral point clamp voltage of the present invention are described.But Fig. 7 is the circuit diagram of main circuit structure of three level three phase mains converting means of the active balancing neutral point clamp voltage of expression present embodiment.But but three level three phase mains converting means differences of the active balancing neutral point clamp voltage of three level three phase mains converting means of present embodiment active balancing neutral point clamp voltage and the foregoing description are: when the power supply of three-phase neutral point clamping type three-level pwm DC-to-AC converter was the rectification input, a diode was connected in series between the positive bus-bar of the positive bus-bar of the device of active balancing neutral point clamp voltage and three-phase neutral point clamping type three-level pwm DC-to-AC converter; An inductance is connected in series between the positive bus-bar power supply positive potential of the device of active balancing neutral point clamp voltage.When the output voltage vector that substitutes three-phase neutral point clamping type three-level pwm DC-to-AC converter comprises the c vector; The device control neutral point current potential of active balancing neutral point clamp voltage raises or reduces;Switch element 1 and 2 has a conducting at least, and this moment, power supply was to induction charging; When the output voltage vector that substitutes three-phase neutral point clamping type three-level pwm DC-to-AC converter does not comprise the c vector; Open simultaneously or turn-off according to the instantaneous value of rectifier output voltage; For inductive energy storage or to 2 electric capacity chargings, keep the dc voltage substantially constant.

Claims (6)

2. but like three level three phase mains converting means of claims 1 described a kind of active balancing neutral point clamp voltage; It is characterized in that; Described three-phase neutral point clamping type PWM DC-to-AC converter has positive bus-bar, negative busbar and the neutral line; Be divided into 3 and be provided with neutral point clamping type PWM inverter mutually; Each neutral point clamping type PWM inverter between positive bus-bar and phase output terminals and negative busbar and phase output terminals, be connected in series respectively first and second switch element and third and fourth switch element; And said first be connected with said neutral point via the clamper element respectively with the tie point of described the 4th switch element with the tie point and the described the 3rd of said second switch element, at be connected in series respectively between described positive bus-bar and the described neutral point and between described negative busbar and the described neutral point first capacitor and second capacitor.
3. but like three level three phase mains converting means of claims 1 described a kind of active balancing neutral point clamp voltage; It is characterized in that; The device of described inhibition neutral point voltage skew has positive bus-bar, negative busbar and the neutral line; At connect respectively between described positive bus-bar and the described neutral point and between described negative busbar and the described neutral point the 5th switch element and the 6th switch element; Described the 5th switch element and the 6th switch element be parallelly connected fly-wheel diode respectively, and the intermediate point of described the 5th switch element and described the 6th switch element and described three-phase neutral point clamping type PWM DC-to-AC converter are connected in series through an inductor.
4. but three level three phase mains converting means of a kind of active balancing neutral point clamp voltage as claimed in claim 1; It is characterized in that; When the neutral point voltage of described three-phase neutral point clamping type PWM DC-to-AC converter during less than the current potential of the middle between described positive bus-bar current potential and the said negative busbar current potential; Can open described the 5th switch element; Close described the 6th switch element, described neutral point voltage is raise, make the current potential of the current potential of the described neutral line near the middle between said positive bus-bar current potential and the said negative busbar current potential; When the neutral point voltage of described three-phase neutral point clamping type PWM DC-to-AC converter during greater than the current potential of the middle between described positive bus-bar current potential and the said negative busbar current potential; Can close described the 5th switch element; Open described the 6th switch element; Described neutral point voltage is reduced, make the current potential of the current potential of the described neutral line near the middle between said positive bus-bar current potential and the said negative busbar current potential.
CN201210233652.0A2012-07-082012-07-08A kind of can the three-level three-phase electric power conversion apparatus of active balancing neutral point clamp voltageExpired - Fee RelatedCN102761285B (en)

Priority Applications (1)

Application NumberPriority DateFiling DateTitle
CN201210233652.0ACN102761285B (en)2012-07-082012-07-08A kind of can the three-level three-phase electric power conversion apparatus of active balancing neutral point clamp voltage

Applications Claiming Priority (1)

Application NumberPriority DateFiling DateTitle
CN201210233652.0ACN102761285B (en)2012-07-082012-07-08A kind of can the three-level three-phase electric power conversion apparatus of active balancing neutral point clamp voltage

Publications (2)

Publication NumberPublication Date
CN102761285Atrue CN102761285A (en)2012-10-31
CN102761285B CN102761285B (en)2015-08-19

Family

ID=47055627

Family Applications (1)

Application NumberTitlePriority DateFiling Date
CN201210233652.0AExpired - Fee RelatedCN102761285B (en)2012-07-082012-07-08A kind of can the three-level three-phase electric power conversion apparatus of active balancing neutral point clamp voltage

Country Status (1)

CountryLink
CN (1)CN102761285B (en)

Cited By (11)

* Cited by examiner, † Cited by third party
Publication numberPriority datePublication dateAssigneeTitle
CN102969881A (en)*2012-11-302013-03-13深圳市英威腾电气股份有限公司Voltage sharing protection circuit and diode clamp multi-level topology device
CN104779826A (en)*2015-04-032015-07-15西安理工大学Common-mode voltage suppression method for non-isolated T-shaped tri-level photovoltaic grid-connected inverter
CN104967342A (en)*2015-06-032015-10-07厦门理工学院 Midpoint Potential Predictive Control Method for Diode Clamped Three-Level Converter
EP2936671A4 (en)*2012-12-192016-08-24Comsys AbAuxiliary resonant commutated pole converter with voltage balancing circuit
CN106664009A (en)*2014-08-082017-05-10奥的斯电梯公司Neutral point regulator hardware for a multi-level drive
CN107078663A (en)*2014-11-282017-08-18罗伯特·博世有限公司 Battery system with a hybrid battery pack and an NPC inverter connected to the battery pack on the input side and method for operating an NPC inverter connected to the hybrid battery pack on the input side
CN109120175A (en)*2018-10-152019-01-01阳光电源股份有限公司A kind of modulator approach and device of three balances of power level bridge circuit
CN110912435A (en)*2019-11-152020-03-24中南大学Neutral point voltage balance control method of three-level inverter
CN114070112A (en)*2021-11-162022-02-18中南大学 A fast neutral-point potential balance control method for three-level inverters
CN114503412A (en)*2019-09-242022-05-13西门子股份公司Clamping circuit in a rectifier with more than two potentials provided at the output
WO2024131392A1 (en)*2022-12-192024-06-27华为数字能源技术有限公司Inverter and control method therefor

Families Citing this family (1)

* Cited by examiner, † Cited by third party
Publication numberPriority datePublication dateAssigneeTitle
CN118199434A (en)*2022-12-122024-06-14台达电子企业管理(上海)有限公司 Power conversion device and control method thereof

Citations (3)

* Cited by examiner, † Cited by third party
Publication numberPriority datePublication dateAssigneeTitle
JP2002199738A (en)*2000-12-222002-07-12Fuji Electric Co Ltd Multi-level inverter
US6490185B1 (en)*1999-08-122002-12-03Kabushiki Kaisha Yaskawa DenkiMethod for controlling neutral point potential of inverter of neutral point clamping type
CN102222921A (en)*2011-06-082011-10-19湖南大学Capacitor clamping-based trilevel railway power regulator

Patent Citations (3)

* Cited by examiner, † Cited by third party
Publication numberPriority datePublication dateAssigneeTitle
US6490185B1 (en)*1999-08-122002-12-03Kabushiki Kaisha Yaskawa DenkiMethod for controlling neutral point potential of inverter of neutral point clamping type
JP2002199738A (en)*2000-12-222002-07-12Fuji Electric Co Ltd Multi-level inverter
CN102222921A (en)*2011-06-082011-10-19湖南大学Capacitor clamping-based trilevel railway power regulator

Cited By (17)

* Cited by examiner, † Cited by third party
Publication numberPriority datePublication dateAssigneeTitle
CN102969881A (en)*2012-11-302013-03-13深圳市英威腾电气股份有限公司Voltage sharing protection circuit and diode clamp multi-level topology device
CN102969881B (en)*2012-11-302016-01-06深圳市英威腾电气股份有限公司A kind of voltage equalizing protection circuit and diode clamp many level topology apparatus
EP2936671A4 (en)*2012-12-192016-08-24Comsys AbAuxiliary resonant commutated pole converter with voltage balancing circuit
CN106664009A (en)*2014-08-082017-05-10奥的斯电梯公司Neutral point regulator hardware for a multi-level drive
CN107078663A (en)*2014-11-282017-08-18罗伯特·博世有限公司 Battery system with a hybrid battery pack and an NPC inverter connected to the battery pack on the input side and method for operating an NPC inverter connected to the hybrid battery pack on the input side
CN107078663B (en)*2014-11-282019-12-17罗伯特·博世有限公司 Battery pack system with hybrid battery pack and NPC inverter connected to the battery pack on the input side and method for operating the NPC inverter connected to the hybrid battery pack on the input side
CN104779826B (en)*2015-04-032017-08-25西安理工大学The common-mode voltage suppressing method of the T-shaped three-level photovoltaic grid-connected inverter of non-isolated
CN104779826A (en)*2015-04-032015-07-15西安理工大学Common-mode voltage suppression method for non-isolated T-shaped tri-level photovoltaic grid-connected inverter
CN104967342B (en)*2015-06-032017-08-01厦门理工学院 Midpoint Potential Predictive Control Method for Diode Clamped Three-Level Converter
CN104967342A (en)*2015-06-032015-10-07厦门理工学院 Midpoint Potential Predictive Control Method for Diode Clamped Three-Level Converter
CN109120175A (en)*2018-10-152019-01-01阳光电源股份有限公司A kind of modulator approach and device of three balances of power level bridge circuit
CN114503412A (en)*2019-09-242022-05-13西门子股份公司Clamping circuit in a rectifier with more than two potentials provided at the output
CN114503412B (en)*2019-09-242025-07-18西门子股份公司Clamping circuit in a rectifier having more than two potentials supplied at the output side
CN110912435A (en)*2019-11-152020-03-24中南大学Neutral point voltage balance control method of three-level inverter
CN114070112A (en)*2021-11-162022-02-18中南大学 A fast neutral-point potential balance control method for three-level inverters
CN114070112B (en)*2021-11-162023-09-05中南大学Neutral point potential fast balance control method of three-level inverter
WO2024131392A1 (en)*2022-12-192024-06-27华为数字能源技术有限公司Inverter and control method therefor

Also Published As

Publication numberPublication date
CN102761285B (en)2015-08-19

Similar Documents

PublicationPublication DateTitle
CN102761285B (en)A kind of can the three-level three-phase electric power conversion apparatus of active balancing neutral point clamp voltage
Siwakoti et al.A novel seven-level active neutral-point-clamped converter with reduced active switching devices and DC-link voltage
Pires et al.Fault-tolerant multilevel topology based on three-phase H-bridge inverters for open-end winding induction motor drives
JP6227041B2 (en) Multi-level inverter
CA2789937C (en)3-level pulse width modulation inverter with snubber circuit
Najafi et al.Design and implementation of a new multilevel inverter topology
Korn et al.Low output frequency operation of the modular multi-level converter
YaragattiDesign and implementation of active neutral-point-clamped nine-level reduced device count inverter: an application to grid integrated renewable energy sources.
CA2838862C (en)System and method for power conversion
US10177684B2 (en)Converter for an AC system
EP2451071B1 (en)Control method for converting power, and electronic power converter adapted to carry out said method
EP2304858B1 (en)A plant for transmitting electric power
EP2443717B1 (en)An arrangement for exchanging power
WO2013137749A1 (en)Electrical systems with inductive power transfer-based energy balancing
Kumar et al.A quad two-level inverter configuration for four-pole induction-motor drive with single DC link
EP2621073A1 (en)Multilevel converter
WO2020248078A1 (en)Multi-level voltage source parallel inverters and coupled inductors
Kumara et al.Performance improvements of power converters for high power induction motor drive
Barwar et al.A multilevel PFC rectifier with sensor-less voltage balancing capability
Nguyen et al.Multilevel converter topologies based high power inductive power transfer systems
Rao et al.A multi-level inverter configuration for 4n pole induction motor drive by using conventional two-level inverters
Yamada et al.PWM Strategy of AC to DC converter with high frequency link for reducing output voltage ripple
Lei et al.PWAM boost-converter-inverter system for EV engine starter/alternator
Salari et al.A novel nine-level boost inverter with reduced structure and simple DC link capacitor control
Dabour et al.Analysis and control of simplified dual-output single-phase split-source boost inverters

Legal Events

DateCodeTitleDescription
C06Publication
PB01Publication
C10Entry into substantive examination
SE01Entry into force of request for substantive examination
C14Grant of patent or utility model
GR01Patent grant
CF01Termination of patent right due to non-payment of annual fee

Granted publication date:20150819

Termination date:20160708

CF01Termination of patent right due to non-payment of annual fee

[8]ページ先頭

©2009-2025 Movatter.jp