



技术领域technical field
本发明涉及一种实验室电源控制系统,尤其是涉及一种基于ZigBee的实验室电源控制与监控系统。The invention relates to a laboratory power control system, in particular to a ZigBee-based laboratory power control and monitoring system.
背景技术Background technique
目前的实验室电源管理方式一般有两种,一种是人工管理,其特点是管理人员定时定岗,实验室统一通、断电,这种方式大大增加了管理人员的工作量,而且也不节约能源;而另一种就是计算机房普遍采用一套专用的系统,这种系统大多是用“IC+密码”的方式来控制使用者是否能够使用计算机,而以硬件设计为主的实验室除了PC机外还配置了大量专用仪器。现有的管理系统存在布线麻烦,成本高,易受损等问题,难以实现有效地电源控制与监控。At present, there are generally two ways to manage laboratory power supply. One is manual management, which is characterized by the management personnel regularly setting posts, and the laboratory is unified on and off. This method greatly increases the workload of the management personnel and does not save energy. The other is that computer rooms generally use a set of dedicated systems, most of which use the "IC + password" method to control whether users can use computers, and laboratories that focus on hardware design except for PCs In addition, a large number of special instruments are also configured. The existing management system has problems such as troublesome wiring, high cost, and easy damage, and it is difficult to realize effective power control and monitoring.
发明内容Contents of the invention
本发明所要解决的技术问题是提供一种节省布线、成本低、可靠性好的基于ZigBee的实验室电源控制与监控系统。The technical problem to be solved by the present invention is to provide a ZigBee-based laboratory power supply control and monitoring system that saves wiring, is low in cost, and has good reliability.
本发明解决上述技术问题所采用的技术方案为:一种基于ZigBee的实验室电源控制与监控系统,包括服务器、PC机、指纹模块、协调器、多个终端设备和多个实验台,一个终端设备对应一个实验台,所述的协调器包括USB模块和第一ZigBee模块,所述的终端设备包括第二ZigBee模块、电源监控模块和过流保护模块,所述的服务器与PC机连接,所述的指纹模块与PC机连接,所述的第一ZigBee模块通过USB模块与PC机连接,所述的第一ZigBee模块与第二ZigBee模块相互通讯,所述的第二ZigBee模块通过所述的电源监控模块与实验台电源连接,所述的第二ZigBee模块通过所述的过流保护模块与实验台电源连接。The technical scheme adopted by the present invention to solve the above-mentioned technical problems is: a laboratory power supply control and monitoring system based on ZigBee, including a server, a PC, a fingerprint module, a coordinator, a plurality of terminal devices and a plurality of test benches, a terminal Equipment corresponds to an experimental platform, and the coordinator includes a USB module and the first ZigBee module, and the terminal equipment includes a second ZigBee module, a power monitoring module and an overcurrent protection module, and the server is connected to a PC, and the The fingerprint module described above is connected with the PC, the first ZigBee module is connected with the PC through the USB module, the first ZigBee module communicates with the second ZigBee module, and the second ZigBee module communicates with the second ZigBee module through the The power monitoring module is connected with the power supply of the test bench, and the second ZigBee module is connected with the power supply of the test bench through the overcurrent protection module.
所述的第一ZigBee模块包括型号为CC2430的第一芯片和外围电路,所述的USB模块包括型号为FT245BM的第二芯片和型号为93C46的第三芯片,5V电源与第三芯片的第八引脚连接,第三芯片的第四引脚通过第八电阻与5V电源连接,所述的第三芯片的第五引脚接地,第三芯片的第一引脚与第二芯片的第三十二引脚连接,第三芯片的第二引脚与第二芯片的第一引脚连接,第三芯片的第三引脚与第二芯片的第二引脚连接,Described first ZigBee module comprises the first chip that model is CC2430 and peripheral circuit, and described USB module comprises the second chip that model is FT245BM and the 3rd chip that model is 93C46, 5V power supply and the 8th chip of the 3rd chip Pin connection, the fourth pin of the third chip is connected to the 5V power supply through the eighth resistor, the fifth pin of the third chip is grounded, the first pin of the third chip is connected to the 30th pin of the second chip The two pins are connected, the second pin of the third chip is connected with the first pin of the second chip, the third pin of the third chip is connected with the second pin of the second chip,
第二芯片的第二十五引脚与第一芯片的第十一引脚连接,第二芯片的第二十四引脚与第一芯片的第十二引脚连接,第二芯片的第二十三引脚与第一芯片的第十五引脚连接,第二芯片的第二十二引脚与第一芯片的第十六引脚连接,第二芯片的第二十一引脚与第一芯片的第十七引脚连接,第二芯片的第二十引脚与第一芯片的第十八引脚连接,第二芯片的第十九引脚与第一芯片的第六引脚连接,第二芯片的第十八引脚与第一芯片的第五引脚连接,第二芯片的第十六引脚与第一芯片的第四引脚连接,第二芯片的第十五引脚与第一芯片的第三引脚连接,第二芯片的第十四引脚与第一芯片的第二引脚连接,第二芯片的第十二引脚与第一芯片的第一引脚连接。The twenty-fifth pin of the second chip is connected with the eleventh pin of the first chip, the twenty-fourth pin of the second chip is connected with the twelfth pin of the first chip, and the second pin of the second chip is connected with the twelfth pin of the first chip. The 13th pin is connected with the 15th pin of the first chip, the 22nd pin of the second chip is connected with the 16th pin of the first chip, and the 21st pin of the second chip is connected with the 16th pin of the second chip. The seventeenth pin of the first chip is connected, the twentieth pin of the second chip is connected with the eighteenth pin of the first chip, and the nineteenth pin of the second chip is connected with the sixth pin of the first chip , the eighteenth pin of the second chip is connected to the fifth pin of the first chip, the sixteenth pin of the second chip is connected to the fourth pin of the first chip, the fifteenth pin of the second chip Connect with the third pin of the first chip, connect the fourteenth pin of the second chip with the second pin of the first chip, connect the twelfth pin of the second chip with the first pin of the first chip .
所述的第二ZigBee模块包括型号为CC2430的第四芯片和外围电路,所述的电源监控模块包括第二三极管、第三三极管、继电器和型号为P521的光电耦合器,第四芯片的第九引脚通过第十二电阻与第二三极管的基极连接,第二三极管的发射极与VCC连接,所述的第二三极管的集电极通过第十三电阻与第三三极管的基极连接,第三三极管的发射极接地,第三三极管的集电极与继电器的线圈连接,继电器的开关静触点与实验台电源的零线连接,Described second ZigBee module comprises the 4th chip that model is CC2430 and peripheral circuit, and described power monitoring module comprises the photocoupler that the second triode, the 3rd triode, relay and model are P521, the 4th The ninth pin of the chip is connected to the base of the second transistor through the twelfth resistor, the emitter of the second transistor is connected to VCC, and the collector of the second transistor is connected through the thirteenth resistor It is connected to the base of the third triode, the emitter of the third triode is grounded, the collector of the third triode is connected to the coil of the relay, and the static contact of the relay is connected to the neutral line of the power supply of the test bench.
第四芯片的第八引脚与光电耦合器的第四引脚连接,第五电容接在光电耦合器的第三引脚与第四引脚之间,第十五电阻的一端接在光电耦合器的第四引脚上,第十五电阻的另一端与VCC连接,光电耦合器的第一引脚通过第六电阻与实验台电源的火线连接,光电耦合器的第二引脚与继电器的开关动触点连接,光电耦合器的第一引脚与第二引脚之间连接有第四发光二极管。The eighth pin of the fourth chip is connected to the fourth pin of the photocoupler, the fifth capacitor is connected between the third pin and the fourth pin of the photocoupler, and one end of the fifteenth resistor is connected to the photocoupler On the fourth pin of the device, the other end of the fifteenth resistor is connected to VCC, the first pin of the photocoupler is connected to the live wire of the experimental bench power supply through the sixth resistor, and the second pin of the photocoupler is connected to the relay. The switch movable contact is connected, and a fourth light-emitting diode is connected between the first pin and the second pin of the photocoupler.
所述的过流保护模块包括型号为LM358的运算放大器,第四芯片的第四十八引脚通过第七二极管与运算放大器的第一引脚连接,第七二极管的正极与运算放大器的第一引脚连接,第七二极管的负极与第四芯片的第四十八引脚连接,第七二极管的负极通过第七电容接地,第七二极管的负极通过第五电阻接地,第七二极管的负极与运算放大器的第二引脚连接,运算放大器的第八引脚接VCC,运算放大器的第四引脚接地,运算放大器的第三引脚与运算放大器的第七引脚连接,运算放大器的第五引脚与第六引脚之间接第八二极管,第八二极管的负极与运算放大器的第六引脚连接,第八二极管的正极与运算放大器的第五引脚连接,运算放大器的第五引脚与第六引脚之间接第九二极管,第九二极管的正极与运算放大器的第六引脚连接,第九二极管的负极与运算放大器的第五引脚连接,第九二极管的两极之间接电流互感器,电流互感器与实验台电源连接。 The overcurrent protection module includes an operational amplifier model LM358, the forty-eighth pin of the fourth chip is connected to the first pin of the operational amplifier through the seventh diode, and the anode of the seventh diode is connected to the operational amplifier. The first pin of the amplifier is connected, the negative pole of the seventh diode is connected with the forty-eighth pin of the fourth chip, the negative pole of the seventh diode is grounded through the seventh capacitor, and the negative pole of the seventh diode is grounded through the first The five resistors are grounded, the cathode of the seventh diode is connected to the second pin of the operational amplifier, the eighth pin of the operational amplifier is connected to VCC, the fourth pin of the operational amplifier is grounded, and the third pin of the operational amplifier is connected to the The seventh pin of the operational amplifier is connected to the eighth diode between the fifth pin and the sixth pin of the operational amplifier, the cathode of the eighth diode is connected to the sixth pin of the operational amplifier, and the eighth diode The anode is connected to the fifth pin of the operational amplifier, the ninth diode is connected between the fifth pin and the sixth pin of the operational amplifier, the positive pole of the ninth diode is connected to the sixth pin of the operational amplifier, and the ninth diode is connected to the sixth pin of the operational amplifier. The cathode of the diode is connected to the fifth pin of the operational amplifier, the two poles of the ninth diode are connected to a current transformer, and the current transformer is connected to the power supply of the test bench. the
与现有技术相比,本发明的优点在于是基于ZigBee通信技术,通过协调器建立一个网络,并将所有设备通过终端设备带入ZigBee网络,形成一个无线通信网,避免了设备之间有线传输的弊端,成本比较低,可靠性比较好。也克服了现有技术中通信速率慢、穿透能力弱等缺陷。Compared with the prior art, the present invention has the advantage of being based on ZigBee communication technology, establishing a network through the coordinator, and bringing all devices into the ZigBee network through terminal devices to form a wireless communication network, avoiding wired transmission between devices The disadvantages, the cost is relatively low, and the reliability is relatively good. It also overcomes the defects of slow communication rate and weak penetrating ability in the prior art.
附图说明Description of drawings
图1为本发明的结构框图;Fig. 1 is a structural block diagram of the present invention;
图2为本发明的第一ZigBee模块或第二ZigBee模块的电路图;Fig. 2 is the circuit diagram of the first ZigBee module of the present invention or the second ZigBee module;
图3为本发明的USB模块的电路图;Fig. 3 is the circuit diagram of USB module of the present invention;
图4为本发明的电源监控模块的电路图;Fig. 4 is the circuit diagram of the power monitoring module of the present invention;
图5为本发明的过流保护模块的电路图。FIG. 5 is a circuit diagram of the overcurrent protection module of the present invention.
具体实施方式Detailed ways
以下结合附图实施例对本发明作进一步详细描述。The present invention will be described in further detail below in conjunction with the embodiments of the accompanying drawings.
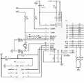
一种基于ZigBee的实验室电源控制与监控系统,包括服务器1、PC机2、指纹模块3、协调器、多个终端设备和多个实验台4,一个终端设备对应一个实验台4,协调器包括USB模块5和第一ZigBee模块6,终端设备包括第二ZigBee模块7、电源监控模块8和过流保护模块9,服务器1与PC机2连接,指纹模块3与PC机2连接,第一ZigBee模块6通过USB模块5与PC机2连接,第一ZigBee模块6与第二ZigBee模块7相互通讯,第二ZigBee模块7通过电源监控模块8与实验台4电源连接,第二ZigBee模块7通过过流保护模块9与实验台4电源连接。A laboratory power supply control and monitoring system based on ZigBee, including a
第一ZigBee模块6包括型号为CC2430的第一芯片U1和外围电路,USB模块包括型号为FT245BM的第二芯片U2和型号为93C46的第三芯片U8,5V电源与第三芯片U8的第八引脚连接,第三芯片U8的第四引脚通过第八电阻R8与5V电源连接,第三芯片U8的第五引脚接地,第三芯片U8的第一引脚与第二芯片U2的第三十二引脚连接,第三芯片U8的第二引脚与第二芯片U2的第一引脚连接,第三芯片U8的第三引脚与第二芯片U2的第二引脚连接,The first ZigBee
第二芯片U2的第二十五引脚与第一芯片U1的第十一引脚连接,第二芯片U2的第二十四引脚与第一芯片U1的第十二引脚连接,第二芯片U2的第二十三引脚与第一芯片U1的第十五引脚连接,第二芯片U2的第二十二引脚与第一芯片U1的第十六引脚连接,第二芯片U2的第二十一引脚与第一芯片U1的第十七引脚连接,第二芯片U2的第二十引脚与第一芯片U1的第十八引脚连接,第二芯片U2的第十九引脚与第一芯片U1的第六引脚连接,第二芯片U2的第十八引脚与第一芯片U1的第五引脚连接,第二芯片U2的第十六引脚与第一芯片U1的第四引脚连接,第二芯片U2的第十五引脚与第一芯片U1的第三引脚连接,第二芯片U2的第十四引脚与第一芯片U1的第二引脚连接,第二芯片U2的第十二引脚与第一芯片U1的第一引脚连接。The twenty-fifth pin of the second chip U2 is connected to the eleventh pin of the first chip U1, the twenty-fourth pin of the second chip U2 is connected to the twelfth pin of the first chip U1, and the second The twenty-third pin of the chip U2 is connected to the fifteenth pin of the first chip U1, the twenty-second pin of the second chip U2 is connected to the sixteenth pin of the first chip U1, and the second chip U2 The 21st pin of the first chip U1 is connected with the 17th pin of the first chip U1, the 20th pin of the second chip U2 is connected with the 18th pin of the first chip U1, and the 10th pin of the second chip U2 Nine pins are connected to the sixth pin of the first chip U1, the eighteenth pin of the second chip U2 is connected to the fifth pin of the first chip U1, the sixteenth pin of the second chip U2 is connected to the first The fourth pin of the chip U1 is connected, the fifteenth pin of the second chip U2 is connected to the third pin of the first chip U1, the fourteenth pin of the second chip U2 is connected to the second pin of the first chip U1 The twelfth pin of the second chip U2 is connected to the first pin of the first chip U1.
第二ZigBee模块包括型号为CC2430的第四芯片和外围电路,电源监控模块包括第二三极管Q2、第三三极管Q3、继电器和型号为P521的光电耦合器U3,第四芯片的第九引脚通过第十二电阻R12与第二三极管Q2的基极连接,第二三极管Q2的发射极与VCC连接,第二三极管Q2的集电极通过第十三电阻R13与第三三极管Q3的基极连接,第三三极管Q3的发射极接地,第三三极管Q3的集电极与继电器的线圈连接,继电器的开关静触点与实验台电源的零线N连接,The second ZigBee module includes the fourth chip of the model CC2430 and peripheral circuits, the power monitoring module includes the second transistor Q2, the third transistor Q3, relays and the photocoupler U3 of the model P521, the fourth chip's first The nine pins are connected to the base of the second transistor Q2 through the twelfth resistor R12, the emitter of the second transistor Q2 is connected to VCC, and the collector of the second transistor Q2 is connected to the second transistor Q2 through the thirteenth resistor R13. The base of the third triode Q3 is connected, the emitter of the third triode Q3 is grounded, the collector of the third triode Q3 is connected to the coil of the relay, and the static contact of the relay is connected to the neutral line of the power supply of the test bench N connection,
第四芯片的第八引脚与光电耦合器U3的第四引脚连接,第五电容C5接在光电耦合器U3的第三引脚与第四引脚之间,第十五电阻R15的一端接在光电耦合器U3的第四引脚上,第十五电阻R15的另一端与VCC连接,光电耦合器U3的第一引脚通过第六电阻R6与实验台电源的火线L连接,光电耦合器U3的第二引脚与继电器的开关动触点连接,光电耦合器U3的第一引脚与第二引脚之间连接有第四发光二极管D4。The eighth pin of the fourth chip is connected to the fourth pin of the photocoupler U3, the fifth capacitor C5 is connected between the third pin and the fourth pin of the photocoupler U3, and one end of the fifteenth resistor R15 Connected to the fourth pin of the photocoupler U3, the other end of the fifteenth resistor R15 is connected to VCC, the first pin of the photocoupler U3 is connected to the live line L of the power supply of the test bench through the sixth resistor R6, and the photocoupler The second pin of the photocoupler U3 is connected to the switch contact of the relay, and the fourth light emitting diode D4 is connected between the first pin and the second pin of the photocoupler U3.
过流保护模块包括型号为LM358的运算放大器U2A-U2B,第四芯片的第四十八引脚通过第七二极管D7与运算放大器U2A-U2B的第一引脚连接,第七二极管D7的正极与运算放大器U2A-U2B的第一引脚连接,第七二极管D7的负极与第四芯片的第四十八引脚连接,第七二极管D7的负极通过第七电容C7接地,第七二极管D7的负极通过第五电阻R5接地,第七二极管D7的负极与运算放大器U2A-U2B的第二引脚连接,运算放大器U2A-U2B的第八引脚接VCC,运算放大器U2A-U2B的第四引脚接地,运算放大器U2A-U2B的第三引脚与运算放大器U2A-U2B的第七引脚连接,运算放大器U2A-U2B的第五引脚与第六引脚之间接第八二极管D8,第八二极管D8的负极与运算放大器U2A-U2B的第六引脚连接,第八二极管D8的正极与运算放大器U2A-U2B的第五引脚连接,运算放大器U2A-U2B的第五引脚与第六引脚之间接第九二极管D9,第九二极管D9的正极与运算放大器U2A-U2B的第六引脚连接,第九二极管D9的负极与运算放大器U2A-U2B的第五引脚连接,第九二极管D9的两极之间接电流互感器K1,电流互感器D1与实验台电源连接。The overcurrent protection module includes operational amplifiers U2A-U2B whose model is LM358, the forty-eighth pin of the fourth chip is connected with the first pin of the operational amplifier U2A-U2B through the seventh diode D7, and the seventh diode The anode of D7 is connected to the first pin of the operational amplifier U2A-U2B, the cathode of the seventh diode D7 is connected to the forty-eighth pin of the fourth chip, and the cathode of the seventh diode D7 passes through the seventh capacitor C7 Grounding, the negative pole of the seventh diode D7 is grounded through the fifth resistor R5, the negative pole of the seventh diode D7 is connected to the second pin of the operational amplifier U2A-U2B, and the eighth pin of the operational amplifier U2A-U2B is connected to VCC , the fourth pin of the operational amplifier U2A-U2B is grounded, the third pin of the operational amplifier U2A-U2B is connected to the seventh pin of the operational amplifier U2A-U2B, the fifth pin of the operational amplifier U2A-U2B is connected to the sixth pin The eighth diode D8 is connected between the pins, the negative pole of the eighth diode D8 is connected to the sixth pin of the operational amplifier U2A-U2B, and the positive pole of the eighth diode D8 is connected to the fifth pin of the operational amplifier U2A-U2B Connection, the ninth diode D9 is connected between the fifth pin and the sixth pin of the operational amplifier U2A-U2B, the anode of the ninth diode D9 is connected to the sixth pin of the operational amplifier U2A-U2B, the ninth second The cathode of the diode D9 is connected to the fifth pin of the operational amplifier U2A-U2B, the two poles of the ninth diode D9 are connected to the current transformer K1, and the current transformer D1 is connected to the power supply of the test bench.
本发明的ZigBee模块原理图如图2所示,模块包括CC2430芯片、晶振、电阻、电容、电感等。C19,C18为22pF电容,连接Y1(32M)构成晶振电路。C13,C17为22nF,去耦合电容,用来电源滤波,以提高芯片工作的稳定性。C14,C15为15pF电容,与Y2(32.168KHz)晶振匹配。C9为5.6pF,电路中的非平衡变压器由该电容和电感L1(8.2nH),L2(22nH),L3(1.8nH)以及一个PCB微波传输线组成,整个结构满足RF输入/输出匹配电阻(50 )的要求。除此以外,还设计了一个1/2波长的导线用来确保射频信号的正确相位。为了确保电路的性能,保证阻抗匹配,导线的长度,L2的连接点位置,L和1/2波长导线之间的导线走向等必须有严格的规定。The principle diagram of the ZigBee module of the present invention is shown in Figure 2, and the module includes a CC2430 chip, a crystal oscillator, a resistor, a capacitor, an inductor, and the like. C19 and C18 are 22pF capacitors, connected to Y1 (32M) to form a crystal oscillator circuit. C13 and C17 are 22nF, decoupling capacitors, used for power filtering to improve the stability of the chip. C14 and C15 are 15pF capacitors, which match the crystal oscillator of Y2 (32.168KHz). C9 is 5.6pF. The unbalanced transformer in the circuit is composed of the capacitor and inductor L1 (8.2nH), L2 (22nH), L3 (1.8nH) and a PCB microwave transmission line. The whole structure meets the RF input/output matching resistance (50 ) requirements. In addition, a 1/2 wavelength wire is designed to ensure the correct phase of the RF signal. In order to ensure the performance of the circuit and ensure impedance matching, the length of the wire, the location of the connection point of L2, and the direction of the wire between the L and 1/2 wavelength wires must be strictly regulated.
第一ZigBee模块要实现与PC机的USB通信,CC2430与FT245BM的接口电路如图3所示,CC2430通过FT245BM提供的数据和控制接口实现数据的交换,主控制器CC2430和FT245BM的工作电压通过USB接口直接由PC机提供。在设计中使用了一片配置芯片93C46,这是一片EEPROM,用于存储产品的VID、PID、设备序列号以及一些说明性的信息。为了提高电路的抗干扰能力,在USB接口的电源端采用了一个磁珠,同时电源端增加了去耦和旁路电路,在PCB设计中,数据线的走线应尽可能短并且长度相等。在本发明中应用了CC2430的P0.0、P0.1、P0.4、P0.5、P0.6、P0.7、P1.6、P1.7作为与FT245BM通信的8根数据信号线,P1.2、P1.3、P1.4、P1.5为4根控制信号线。The first ZigBee module needs to realize the USB communication with the PC. The interface circuit between CC2430 and FT245BM is shown in Figure 3. CC2430 realizes data exchange through the data and control interface provided by FT245BM. The interface is provided directly by the PC. A configuration chip 93C46 is used in the design, which is a piece of EEPROM, which is used to store the product's VID, PID, device serial number and some descriptive information. In order to improve the anti-interference ability of the circuit, a magnetic bead is used at the power end of the USB interface, and a decoupling and bypass circuit is added at the power end. In the PCB design, the traces of the data lines should be as short as possible and equal in length. In the present invention, P0.0, P0.1, P0.4, P0.5, P0.6, P0.7, P1.6, and P1.7 of CC2430 are used as 8 data signal lines for communication with FT245BM, P1.2, P1.3, P1.4, P1.5 are 4 control signal lines.
所述的电源监控电路原理图如图4所示,该部分包括控制电源部分和电源状态检测部分。所述的控制电源部分由电阻R12、R13以及1个9012的PNP三极管(Q2),1个8050的NPN三极管(Q3)外加一个继电器构成。当要打开实验台电源时,CC2430的控制信号经过P1.0口输出一个低电平,此时Q2 、Q3处于导通状态,继电器闭合,实验台电源导通。当需要关断实验台电源时,控制信号经过P1.0口输出一个高电平,此时Q2 、Q3处于断开状态,继电器断开,实验台电源不导通。为了保证电路的可靠工作,三极管输出驱动电流必须大于继电器的动作电流,选取R13的阻值是关键。根据公式再留取一定余量后决定R13的取值。The schematic diagram of the power monitoring circuit is shown in FIG. 4 , which includes a control power supply part and a power supply state detection part. The control power supply part is composed of resistors R12 , R13 , one 9012 PNP transistor (Q2 ), one 8050 NPN transistor (Q3 ) and a relay. When the power of the test bench is to be turned on, the control signal of CC2430 outputs a low level through the P1.0 port. At this time, Q2 and Q3 are in the conduction state, the relay is closed, and the power of the test bench is turned on. When it is necessary to turn off the power of the test bench, the control signal outputs a high level through the P1.0 port. At this time, Q2 and Q3 are in the disconnected state, the relay is disconnected, and the power of the test bench is not turned on. In order to ensure the reliable operation of the circuit, the output driving current of the triode must be greater than the operating current of the relay, and the selection of the resistance value of R13 is the key. According to the formula Then leave a certain margin to determine the value of R13 .
电源状态检测部分由一个RC充放电电路、一个光电光耦以及二极管构成,目的是为了检测当前继电器的工作状态。CC2430根据P1.1脚的输入电压来判断当前实验台电源的工作状态。当继电器断开时(实验台电源不供电),二极管与光电光耦中的二极管、三极管均断开,此时P1.1脚为高电平。当继电器闭合时(实验台电源供电),在交流电的正半周,由于电容C5与R15构成的RC电路的影响,使得P1.1脚的电平缓慢上升,根据RC充电电路电容电压值的计算公式可知P1.1脚电平为低电平。在交流电的负半周,光耦中的光敏三极管导通,此时C5通过光敏三极管瞬间放电,将P1.1脚电平拉低。因此继电器闭合后,P1.1脚的电平一直为低电平。The power state detection part is composed of an RC charging and discharging circuit, a photoelectric coupler and a diode, the purpose is to detect the current working state of the relay. CC2430 judges the working state of the current test bench power supply according to the input voltage of P1.1 pin. When the relay is disconnected (the power supply of the test bench is not powered), the diode and the diode and triode in the optocoupler are disconnected, and the P1.1 pin is at a high level. When the relay is closed (the power supply of the test bench), in the positive half cycle of the alternating current, due to the influence of the RC circuit formed by the capacitor C5 and R15 , the level of the P1.1 pin rises slowly, according to the capacitance voltage value of the RC charging circuit Calculation formula It can be seen that the level of P1.1 pin is low level. In the negative half cycle of the alternating current, the phototransistor in the optocoupler is turned on, and at this time, C5 discharges instantaneously through the phototransistor, which pulls down the level of P1.1 pin. Therefore, after the relay is closed, the level of the P1.1 pin is always low.
过流保护电路原理图如图5所示,K1为电流互感器,D8,D9为输入保护二极管,电流经过前级放大后将电流转换为电压信号,随后,再经过一级电压跟随器。R5和C7组成充放电电路。用以确定当前的负载电流值。将I_CONSER点的电压经单片机AD采样,根据A/D采样的结果判断当前实验台负载电流的大小。利用公式,将采样结果转换为当前实验台负载电流值I。The schematic diagram of the overcurrent protection circuit is shown in Figure 5. K1 is a current transformer, D8 and D9 are input protection diodes. After the current is amplified by the previous stage, the current is converted into a voltage signal, and then passes through a first-stage voltage follower. R5 and C7 form a charging and discharging circuit. Used to determine the current load current value. The voltage of I_CONSER point is sampled by the single-chip microcomputer AD, and the size of the load current of the current test bench is judged according to the result of the A/D sampling. use the formula , convert the sampling result to the current load current value I of the test bench.
| Application Number | Priority Date | Filing Date | Title |
|---|---|---|---|
| CN201210152346.4ACN102681512B (en) | 2012-05-16 | 2012-05-16 | Laboratory power supply controlling and monitoring system based on ZigBee |
| Application Number | Priority Date | Filing Date | Title |
|---|---|---|---|
| CN201210152346.4ACN102681512B (en) | 2012-05-16 | 2012-05-16 | Laboratory power supply controlling and monitoring system based on ZigBee |
| Publication Number | Publication Date |
|---|---|
| CN102681512Atrue CN102681512A (en) | 2012-09-19 |
| CN102681512B CN102681512B (en) | 2014-12-03 |
| Application Number | Title | Priority Date | Filing Date |
|---|---|---|---|
| CN201210152346.4AExpired - Fee RelatedCN102681512B (en) | 2012-05-16 | 2012-05-16 | Laboratory power supply controlling and monitoring system based on ZigBee |
| Country | Link |
|---|---|
| CN (1) | CN102681512B (en) |
| Publication number | Priority date | Publication date | Assignee | Title |
|---|---|---|---|---|
| CN103019200A (en)* | 2012-12-04 | 2013-04-03 | 中国科学院大连化学物理研究所 | Novel laboratory integrated monitoring and management system |
| CN103439952A (en)* | 2013-08-30 | 2013-12-11 | 苏州庚商教育智能科技有限公司 | Experimental equipment state monitoring system |
| CN110085014A (en)* | 2019-04-30 | 2019-08-02 | 重庆政勤实业有限公司 | A kind of wireless control system |
| Publication number | Priority date | Publication date | Assignee | Title |
|---|---|---|---|---|
| CN101656014A (en)* | 2009-08-28 | 2010-02-24 | 清华大学 | Laboratory environment and equipment wireless monitoring and alarming system |
| CN101859141A (en)* | 2010-06-23 | 2010-10-13 | 江苏科技大学 | Remote power monitoring system and control method based on wireless sensor network |
| CN102223370A (en)* | 2011-06-17 | 2011-10-19 | 山东大学 | Comprehensive management system of open type laboratory |
| CN202035144U (en)* | 2011-04-19 | 2011-11-09 | 吉林省全向科技有限公司 | Human body sensor network terminal based on ZIGBEE |
| CN202600458U (en)* | 2012-05-16 | 2012-12-12 | 宁波大学 | Laboratory power supply management system |
| Publication number | Priority date | Publication date | Assignee | Title |
|---|---|---|---|---|
| CN101656014A (en)* | 2009-08-28 | 2010-02-24 | 清华大学 | Laboratory environment and equipment wireless monitoring and alarming system |
| CN101859141A (en)* | 2010-06-23 | 2010-10-13 | 江苏科技大学 | Remote power monitoring system and control method based on wireless sensor network |
| CN202035144U (en)* | 2011-04-19 | 2011-11-09 | 吉林省全向科技有限公司 | Human body sensor network terminal based on ZIGBEE |
| CN102223370A (en)* | 2011-06-17 | 2011-10-19 | 山东大学 | Comprehensive management system of open type laboratory |
| CN202600458U (en)* | 2012-05-16 | 2012-12-12 | 宁波大学 | Laboratory power supply management system |
| Title |
|---|
| 何朝等: "基于ZigBee 技术无线传感器实验室的建设", 《中国科技论文在线》, 31 December 2010 (2010-12-31), pages 1 - 6* |
| 叶兰等: "基于电源控制的实验室集成管理系统", 《机电工程》, vol. 26, no. 6, 30 June 2009 (2009-06-30), pages 58 - 60* |
| Publication number | Priority date | Publication date | Assignee | Title |
|---|---|---|---|---|
| CN103019200A (en)* | 2012-12-04 | 2013-04-03 | 中国科学院大连化学物理研究所 | Novel laboratory integrated monitoring and management system |
| CN103439952A (en)* | 2013-08-30 | 2013-12-11 | 苏州庚商教育智能科技有限公司 | Experimental equipment state monitoring system |
| CN110085014A (en)* | 2019-04-30 | 2019-08-02 | 重庆政勤实业有限公司 | A kind of wireless control system |
| Publication number | Publication date |
|---|---|
| CN102681512B (en) | 2014-12-03 |
| Publication | Publication Date | Title |
|---|---|---|
| CN201984124U (en) | Intelligent online monitoring device for dry type transformer | |
| CN205318192U (en) | Industry monitored control system based on ethernet | |
| CN204244219U (en) | A Communication Circuit for Detecting RS485 Interface Voltage | |
| CN104597352A (en) | Power quality monitoring system | |
| CN102681512B (en) | Laboratory power supply controlling and monitoring system based on ZigBee | |
| CN209707604U (en) | No access type instrument and equipment on-off state monitors system | |
| CN202600458U (en) | Laboratory power supply management system | |
| CN105629110A (en) | Electric performance recognition system for electric power system | |
| CN210898634U (en) | A smart power monitoring system for old city community based on end-cloud architecture | |
| CN205427040U (en) | Single -phase static many rates of formula electric energy meter | |
| CN206574230U (en) | A kind of substation equipment temperature wireless Centralizing inspection device | |
| CN202393824U (en) | Arrester signal acquisition device for protecting series compensation capacitor | |
| CN204556816U (en) | A kind of electric energy meter communication debugger | |
| CN203178475U (en) | Full-performance test system of data acquisition terminal of special transformer | |
| CN203519735U (en) | Electrostatic detection apparatus | |
| CN103245931B (en) | Power information collecting device electric energy meter metrical pulse simulation system and output intent | |
| CN206990774U (en) | A kind of intelligent electric power parameter detection device | |
| CN201322987Y (en) | Intelligent meter reading system based on Wi-Fi wireless communication technology | |
| CN211783910U (en) | Temperature detection and alarm protection system for charging pile | |
| CN210109305U (en) | A portable electric energy meter detection terminal | |
| CN205720467U (en) | A kind of distributing automation apparatus comprehensive tester | |
| CN210807299U (en) | A security alarm device for substation dispatching data network | |
| CN208924262U (en) | A kind of electric system 4G wireless module test device | |
| CN207232249U (en) | Subscribers' line checking device | |
| CN203324407U (en) | Testing device for meter reading port of intelligent electric meter |
| Date | Code | Title | Description |
|---|---|---|---|
| C06 | Publication | ||
| PB01 | Publication | ||
| C10 | Entry into substantive examination | ||
| SE01 | Entry into force of request for substantive examination | ||
| C14 | Grant of patent or utility model | ||
| GR01 | Patent grant | ||
| CF01 | Termination of patent right due to non-payment of annual fee | Granted publication date:20141203 Termination date:20170516 | |
| CF01 | Termination of patent right due to non-payment of annual fee |