Movatterモバイル変換


[0]ホーム

URL:


CN102538143A - Intelligent phonic search engine air-conditioning system and control method thereof - Google Patents

Intelligent phonic search engine air-conditioning system and control method thereof
Download PDF

Info

Publication number
CN102538143A
CN102538143ACN2012100255590ACN201210025559ACN102538143ACN 102538143 ACN102538143 ACN 102538143ACN 2012100255590 ACN2012100255590 ACN 2012100255590ACN 201210025559 ACN201210025559 ACN 201210025559ACN 102538143 ACN102538143 ACN 102538143A
Authority
CN
China
Prior art keywords
air
conditioning
control
speech
wireless router
Prior art date
Legal status (The legal status is an assumption and is not a legal conclusion. Google has not performed a legal analysis and makes no representation as to the accuracy of the status listed.)
Granted
Application number
CN2012100255590A
Other languages
Chinese (zh)
Other versions
CN102538143B (en
Inventor
刘锦泉
闫祖翔
刘伟文
向兴华
黄祥钧
张智
Current Assignee (The listed assignees may be inaccurate. Google has not performed a legal analysis and makes no representation or warranty as to the accuracy of the list.)
Midea Group Co Ltd
Original Assignee
Guangdong Midea Electric Appliances Co Ltd
Priority date (The priority date is an assumption and is not a legal conclusion. Google has not performed a legal analysis and makes no representation as to the accuracy of the date listed.)
Filing date
Publication date
Application filed by Guangdong Midea Electric Appliances Co LtdfiledCriticalGuangdong Midea Electric Appliances Co Ltd
Priority to CN201210025559.0ApriorityCriticalpatent/CN102538143B/en
Publication of CN102538143ApublicationCriticalpatent/CN102538143A/en
Application grantedgrantedCritical
Publication of CN102538143BpublicationCriticalpatent/CN102538143B/en
Activelegal-statusCriticalCurrent
Anticipated expirationlegal-statusCritical

Links

Images

Landscapes

Abstract

The invention relates to an intelligent phonic search engine air-conditioning system and a control method thereof. The intelligent phonic search engine air-conditioning system comprises an air conditioner, a cloud server, a mobile phonetic recognition device and a wireless router, wherein the air conditioner is connected with the mobile phonetic recognition device through RF (Radio Frequency); the mobile phonetic recognition device is connected with the wireless router through Wi-Fi (Wireless Fidelity); the wireless router is connected with the internet through an ADSL (Asymmetrical Digital Subscriber Line) Moden; the cloud server is connected with the internet through the router; a computer used for remote phonic control is connected with the internet through the router and the ADSL Moden; the mobile phonetic recognition device comprises a split type phonetic controller, a remote phonetic control mobile phone and an indoor phonetic control mobile phone; a built-in phonetic control module is arranged in the air conditioner; and a natural source phonetic database is arranged in the cloud server. The intelligent phonic search engine air-conditioning system has the characteristics of flexibility in operation, simple control and wide application scope.

Description

Speech-sound intelligent search engine air-conditioning system and control method thereof
Technical field
The present invention relates to a kind of air-conditioning system, particularly a kind of speech-sound intelligent search engine air-conditioning system and control method thereof.
Background technology
Existing voice controller, voice-activated home appliances; Like air-conditioning, refrigerator, washing machine, lighting installation, living electric apparatus, toy etc.; Basically be the control of sound control and particular keywords instruction, startup and shutdown do not have the automatic recognition of speech and man-machine interaction to search for Based Intelligent Control automatically.
Summary of the invention
The object of the invention aims to provide a kind of flexible operation, control speech-sound intelligent search engine air-conditioning system and control method thereof simple, applied widely, to overcome weak point of the prior art.
A kind of speech-sound intelligent search engine air-conditioning system by this purpose design comprises air-conditioning, and its architectural feature is also to comprise high in the clouds server, portable speech recognition equipment and wireless router,
Air-conditioning joins through less radio-frequency RF and portable speech recognition equipment, and portable speech recognition equipment joins through Wi-Fi and wireless router,
Wireless router joins through ADSL Moden and internet,
The high in the clouds server joins through router and internet,
Remote speech control is joined through router, ADSL Moden and internet with computer,
Wherein, portable speech recognition equipment comprises that the control of split type voice controller, remote speech is controlled with mobile phone, indoor voice and uses mobile phone,
Be provided with the built-in voice control module in the air-conditioning,
The high in the clouds server is provided with nature source speech database, and this nature source speech database comprises that weather forecast engine class libraries, GPS global positioning satellite engine class libraries, worldwide navigation class libraries, the Analysis on Fault Diagnosis of mandarin or dialect are handled class libraries, class libraries and household electrical appliances house keeper Mytip service-Engine class libraries are carried out in classification processing class libraries, automatic identification connection automatically.
A kind of control method of speech-sound intelligent search engine air-conditioning system; After it is characterized in that built-in voice control module or portable speech recognition equipment receive voice content and acoustic information relevant with air conditioning function; Send information to the high in the clouds server; Through high in the clouds server search voice content and the acoustic information pairing air conditioning function setting relevant with air conditioning function, when the high in the clouds server accurately convert thereof into after the identification master control that the air-conditioning communication protocol stack issues air-conditioning through ADSL Moden, wireless router carry out want the function that is provided with; After the embedded software of portable speech recognition equipment receives voice content and acoustic information relevant with air conditioning function; The master control of passing to air-conditioning through Wi-Fi and ADSL Moden, the wireless router of portable speech recognition equipment; After resolving through the master control of air-conditioning, the master control of air-conditioning send control instruction control air-conditioning carry out want the function that is provided with.
After said split type voice controller receives voice content and acoustic information relevant with air conditioning function through built-in PC software; Pass to the master control of air-conditioning through the Wi-Fi in the split type voice controller, 433M less radio-frequency RF, Uart, Usb or serial communication; After resolving through the master control of air-conditioning, the master control of air-conditioning send control instruction control air-conditioning carry out want the function that is provided with.
The master control of said air-conditioning is transferred to wireless router through Uart, Usb, serial ports or Wi-Fi; Passing to the high in the clouds server again searches for after dissection process accomplishes; High in the clouds server package information is passed to the master control of air-conditioning through wireless router, ADSL Moden; After the master control of air-conditioning is resolved, the master control of air-conditioning send control instruction control air-conditioning carry out want the function that is provided with.
After the present invention adopts above-mentioned technical scheme,, adopt to be wirelessly transmitted to server automatic-search nature source, high in the clouds speech database through automatic search intelligent sound control based on natural source speech database; Realize the connection processing in high in the clouds, reply, storage; The remote fault diagnosis voice prompt services, business meetings prompting service, air quality monitoring; Window and curtain and ventilation according to automatic processing of environment, ventilation fan joins interlock with other furniture, household electrical appliances thing.
The present invention can simple and conveniently control, and realizes voice control air-conditioning, brings convenient comfortable; Can realize on open air, office, the car, on the way home; Control the air-conditioning of family, and notify the switching on and shutting down and the running status of your family air-conditioning, the environment temperature inquiry is also replied.Bring the convenient of science and technology to the user, do not worry that air-conditioning forgotten the pass, worry to have forgotten the pass window, go back home, family is awfully hot, can realize arbitrary control.
The present invention has flexible operation, simple, the advantage of wide range of application of control.
Description of drawings
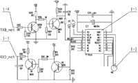
Fig. 1 is the control block diagram of one embodiment of the invention.
Fig. 2 is telecommunication circuit figure.
Fig. 3 is a main control loop.
Among the figure: 1 is the built-in voice control module, and 2 is split type voice controller, and 3 use mobile phone for remote speech control, and 4 control for remote speech and to use computer; 5 is the high in the clouds server, and 6 is that mobile phone is used in indoor voice control, and 7 is wireless router; 8 is air-conditioning, and 9 is ADSL Moden, and 10 is the internet.
The specific embodiment
Below in conjunction with accompanying drawing and embodiment the present invention is further described.
Referring to Fig. 1-Fig. 3, this speech-sound intelligent search engine air-conditioning system comprises air-conditioning 8 and high in theclouds server 5, portable speech recognition equipment andwireless router 7,
Air-conditioning 8 joins through less radio-frequency RF and portable speech recognition equipment; Portable speech recognition equipment joins through Wi-Fi andwireless router 7;Wireless router 7 joins through ADSL Moden andinternet 10; High in theclouds server 5 joins through router, ADSL Moden andinternet 10, and remote speech control is joined through router, ADSL Moden andinternet 10 with computer 4.Wherein, Portable speech recognition equipment comprises that splittype voice controller 2, remote speech control controls withmobile phone 6 withmobile phone 3, indoor voice; Be provided with built-in voice control module 1 in the air-conditioning 8; High in theclouds server 5 is provided with nature source speech database, and this nature source speech database comprises that weather forecast engine class libraries, GPS global positioning satellite engine class libraries, worldwide navigation class libraries, the Analysis on Fault Diagnosis of mandarin or dialect are handled class libraries, class libraries and household electrical appliances house keeper Mytip service-Engine class libraries are carried out in classification processing class libraries, automatic identification connection automatically.
Through speech-sound intelligent search engine air-conditioning system, can in time handle when receiving voice content relevant and acoustic information with air conditioning function.
Voice content and the acoustic information relevant with air conditioning function comprise: air-conditioning is opened, air-conditioning closes, freeze, heat, dehumidifier, air-supply, automatic, quiet, low wind, high wind, powerful wind, automatically wind, left and right sides wind, go up leeward, relax sleep, power saving, 17 degree, 18 degree, 19 degree, 20 degree, 21 degree, 22 degree, 23 degree, 24 degree, 25 degree, 26 degree, 27 degree, 28 degree, 29 degree, 30 degree amount to 30 keywords; And nonspecific statement: 1) temperature classes: 1. too hot, 2. a bit heat, 3. too cold, 4. somewhat cold, 5. sensation a bit heat, 6. feel somewhat cold; 2) wind direction class: 1. too hot to blow facing to me, 2. too cold not facing to I blow, 3. blow uncomfortable, that upwards blows, 4. blows is uncomfortable, blow downwards, 5. facing to blowing, about put wind, 6. facing to blowing last bottom wind; 3) wind speed class: 1. strong wind too, little wind a bit, 2. too noisy, wind is a little bit smaller, 3. (during refrigeration) too hot, strong wind a bit, 4. too noisy, wind is a little bit smaller; 4) miscellaneous function class: 1. too vexed; Open ventilation, 2. (light) backlight too bright; The screen backlight lamp turn off, 3. backlight (light) light is too dazzling, lamp turn off, the 4. auxilliary Re Taifei electricity of electricity, closed, 5. heat inadequately; Open the auxilliary heat of electricity, 6. will sleep, opening relaxes sleeps, 7. shut down automatically at X o'clock tomorrow morning, 8. afternoon X point Auto Power On; 5) fuzzy command: 1. I have been stranded, 2. I want to sleep, 3. I to go to bed, 4. smell an offensive odor, 5. smell strange taste, 6. smell gas, 7. carbon monoxide, 8. too wet, 9. too tide, 10. be water, (11) too dry everywhere, (12) too dried.
Automatically convert the above-mentioned voice content relevant and acoustic information to data signal and be dealt in the high in theclouds server 5 relevant start, shutdown, the function setting of search identification air-conditioning communications automatically throughinternet 10 and WI-FI, 3G or 4G with air conditioning function; Automatically reply; And processing, and realize human-computer dialogue, mutual; After having confirmed; Issue air-conditioning by high in theclouds server 5 automatic search engines by the communications protocol stack mode of air-conditioning and carry out, accomplish air-conditioning operation and control, realize voice (acoustic control) long-distance intelligent control air-conditioning.
Fig. 1 the present invention is based on wireless network for the control block diagram, like WI-FI, 3G, 4G or GPS, the search of the long-range natural source of air-conditioning speech database discern speech-sound intelligent control system automatically; Contain automatic identification, speech-sound intelligent control system based on the LAN nature source speech database of wireless WI-FI; High in theclouds server 5 operates in WinCE, windowXP, window7, Linnux, Android or IOS, and 8,16,32,64 single-chip microcomputer, ARM9-ARM11 are last.Can understand and control air-conditioning through the high in theclouds server 5 of wireless network and require function of carrying out and the running status of controlling air-conditioning.
Speech-sound intelligent search engine air-conditioning system comprises built-in voice control module 1; This built-in voice control module 1 is made up of content shown in Fig. 2 and Fig. 3, and the splittype voice controller 2 that moves has the physical machine of the air-conditioning 8 of IP address; Remote speech control is withmobile phone 3; The remote speech that moves is controlled withcomputer 4, high in theclouds server 5, and indoor voice control is withmobile phone 6,wireless router 7, air-conditioning 8, ADSL.Moden9 andinternet 10.
In a LAN, the IP address of air-conditioning 8 can be 192.168.0.102, and the IP address ofwireless router 7 can be 192.168.0.1; The IP address of ADSL Moden can be 213.8.6.1; The IP address of high in theclouds server 5 can be 192.168.0.101; The IP address of router can be 216.128.98.234; Indoor voice control can be 192.168.0.100 with the IP address ofmobile phone 6.
First embodiment
The control of adopting built-in voice control module 1 to carry out: see Fig. 2-Fig. 3; Send the voice content and acoustic information relevant of control air-conditioning as the user after with air conditioning function; Shipping mark through MIC 1-2 receives and passes to voice processor module assembly 1-1; Pass to the air-conditioning main control MCU 3-1 that RXD_net 1-3 issues among Fig. 3 through TXD_net 1-4 and carry out dissection process; Pass to RXD_net 1-3 via the return information of parsing of the air-conditioning main control MCU among Fig. 3 and affirmation through TXD_net 1-4 and issue voice processor module assembly 1-1 affirmation, pass to the voice messaging function that RXD_net 1-3 issues the air-conditioning main control MCU execution affirmation of obtaining among Fig. 3 through TXD_net 1-4.Wherein, RXD_net 1-3 is the signal receiving circuit of air-conditioning master control, and TXD_net 1-4 is the signal sending circuit of air-conditioning master control.In the present embodiment, air-conditioning main control MCU 3-1 can select78F 0511LQFP 44 for use.
Second embodiment
The control of adopting mobile splittype voice controller 2 to carry out: see Fig. 2; Send the voice content and acoustic information relevant of control air-conditioning as the user after with air conditioning function; Voice processor module assembly 1-1 is passed in shipping mark reception through MIC 1-2; The air-conditioning main control MCU 3-1 that issues among Fig. 3 through RXD_net 1-3 carries out dissection process, issues among Fig. 1 bywireless router 7, ADSL.Moden9 again, passes to high in theclouds server 5; Forward high in theclouds server 5 to and carry out automatic search engine execution search; Automatically join dependency nature source speech database fast processing is replied, and judgment processing turns back to high in theclouds server 5, arrives ADSL.Moden9 through internet transmission; The air-conditioning main control MCU 3-1 thatwireless router 7 is passed among Fig. 3 resolves, and the affirmation return information is issued the voice messaging function that the voice processor module assembly 1-1 that passes among Fig. 2 confirms to issue through RXD_net 1-3 the air-conditioning main control MCU 3-1 execution affirmation of obtaining among Fig. 3.
The 3rd embodiment
The control of adopting remote speech control to carry out: send the voice content and acoustic information relevant of control air-conditioning as the user after with air conditioning function withmobile phone 3; Restrain wind (or its shipping mark) MIC reception and pass to high in theclouds server 5 through the mark of remote speech control withmobile phone 3; Forward high in theclouds server 5 automatic search engines to and carry out search; Nature source speech database and fast processing are replied from being dynamically connected; Judgment processing turns back to high in theclouds server 5, and to ADSL.Moden9, the air-conditioning main control MCU thatwireless router 7 is passed among Fig. 3 is resolved through internet transmission; Issue remote speech control simultaneously and confirm return information withmobile phone 3, the voice messaging function of the air-conditioning main control MCU 3-1 execution affirmation of obtaining among Fig. 3 is issued in the voice processor module assembly 1-1 affirmation back of passing among Fig. 2 through RXD_net 1-3.
The 4th embodiment
Adopt indoor voice control withmobile phone 6; Just smart mobile phone carries out the control of LAN voice: send the voice content and acoustic information relevant with air conditioning function of control air-conditioning as the user after; Receive with mark gram wind (or its shipping mark) MIC ofmobile phone 6 through the control of indoor voice and to pass to the air-conditioning main control MCU thatwireless router 7 passes among Fig. 3 and resolve, issue indoor voice control throughwireless router 7 simultaneously and confirm return informations withmobile phone 6 and pass to the air-conditioning main control MCU 3-1 execution affirmation of obtaining among Fig. 3 is issued in voice processor module assembly 1-1 affirmation through RXD_net 1-3 voice messaging function.
It below only is preferred implementation of the present invention; Should be noted that; Above-mentioned preferred implementation should not be regarded as the restriction to invention; The main points of this enforcement are outstanding nature original language, and automatic recognition of speech search engine is long-range, the interior air-conditioning speech-sound intelligent control of local scope, and protection scope of the present invention should be as the criterion with claim institute restricted portion.

Claims (4)

2. the control method of a speech-sound intelligent search engine air-conditioning system according to claim 1; After it is characterized in that said built-in voice control module (1) or portable speech recognition equipment receive voice content and acoustic information relevant with air conditioning function; To high in the clouds server (5) transmission information; Through high in the clouds server (5) search voice content and the acoustic information pairing air conditioning function setting relevant, convert thereof into master control execution that the air-conditioning communication protocol stack issues air-conditioning (8) through ADSLModen, wireless router (7) after discerning and want the function that is provided with when high in the clouds server (5) is accurate with air conditioning function;
CN201210025559.0A2012-02-062012-02-06Intelligent phonic search engine air-conditioning system and control method thereofActiveCN102538143B (en)

Priority Applications (1)

Application NumberPriority DateFiling DateTitle
CN201210025559.0ACN102538143B (en)2012-02-062012-02-06Intelligent phonic search engine air-conditioning system and control method thereof

Applications Claiming Priority (1)

Application NumberPriority DateFiling DateTitle
CN201210025559.0ACN102538143B (en)2012-02-062012-02-06Intelligent phonic search engine air-conditioning system and control method thereof

Publications (2)

Publication NumberPublication Date
CN102538143Atrue CN102538143A (en)2012-07-04
CN102538143B CN102538143B (en)2014-02-26

Family

ID=46345687

Family Applications (1)

Application NumberTitlePriority DateFiling Date
CN201210025559.0AActiveCN102538143B (en)2012-02-062012-02-06Intelligent phonic search engine air-conditioning system and control method thereof

Country Status (1)

CountryLink
CN (1)CN102538143B (en)

Cited By (36)

* Cited by examiner, † Cited by third party
Publication numberPriority datePublication dateAssigneeTitle
CN102736536A (en)*2012-07-132012-10-17海尔集团公司Method and device for voice control of electrical equipment
CN102748833A (en)*2012-07-132012-10-24海尔集团公司Method, device and server for performing voice control on electric appliances
CN103383134A (en)*2013-08-062013-11-06四川长虹电器股份有限公司Intelligent air-conditioning system and air-conditioning control method
CN104110779A (en)*2013-10-222014-10-22广东美的制冷设备有限公司Voice air conditioner, control method thereof and air conditioner control system
CN104240702A (en)*2014-07-102014-12-24广东美的集团芜湖制冷设备有限公司Voice control method and voice control system for air-conditioner
CN104301526A (en)*2014-09-262015-01-21小米科技有限责任公司Terminal remote control method and device and equipment
CN104456862A (en)*2013-09-232015-03-25广东美的暖通设备有限公司Air conditioner system, air conditioner fault diagnosis system and method
CN104654521A (en)*2014-03-252015-05-27四川长虹电器股份有限公司Function starting method and mobile electronic equipment
CN104808990A (en)*2015-04-162015-07-29深圳市金立通信设备有限公司Terminal
CN104808989A (en)*2015-04-162015-07-29深圳市金立通信设备有限公司Terminal control method
CN104896758A (en)*2015-06-182015-09-09成都广迈科技有限公司Control method for intelligent water heater
CN104896759A (en)*2015-06-182015-09-09成都广迈科技有限公司Method for controlling intelligent water heater
CN104935615A (en)*2014-03-192015-09-23重庆深蜀科技有限公司System and method for realizing voice control for household electrical equipment
CN104949345A (en)*2015-06-182015-09-30成都广迈科技有限公司Intelligent control method of intelligent water heater
CN104965431A (en)*2015-06-292015-10-07广西瀚特信息产业股份有限公司Environment quality detection control system and method
CN105042868A (en)*2015-06-182015-11-11成都广迈科技有限公司Self-adaptive regulation and control method of intelligent water heater
CN105139850A (en)*2015-08-122015-12-09西安诺瓦电子科技有限公司Speech interaction device, speech interaction method and speech interaction type LED asynchronous control system terminal
CN105788599A (en)*2016-04-142016-07-20北京小米移动软件有限公司Speech processing method, router and intelligent speech control system
CN105955903A (en)*2016-05-032016-09-21佘培嘉Novel network interface adapter and matched system design method thereof
CN106091102A (en)*2016-06-272016-11-09嘉兴意米节能科技有限公司A kind of computational methods of the indoor temperature setting value of heating system
CN106228974A (en)*2016-08-192016-12-14镇江惠通电子有限公司Control method based on speech recognition, Apparatus and system
CN106452994A (en)*2016-09-222017-02-22北京智能管家科技有限公司Device control method and apparatus
CN106444452A (en)*2016-10-312017-02-22广东美的制冷设备有限公司Household appliance control method and apparatus thereof
CN107642865A (en)*2017-08-182018-01-30青岛海尔空调器有限总公司A kind of Voice command air conditioner
WO2018054206A1 (en)*2016-09-232018-03-29深圳市轻生活科技有限公司Voice control used in conjunction with smart wireless router, and voice control method thereof
CN108181899A (en)*2017-12-142018-06-19北京汽车集团有限公司Control the method, apparatus and storage medium of vehicle traveling
CN108375179A (en)*2016-10-262018-08-07东芝电梯株式会社Elevator air conditioning control device and air conditioner for elevator control system
CN108569096A (en)*2018-05-142018-09-25奇瑞汽车股份有限公司A kind of on-board air conditioner long-range control method and control system
WO2019091171A1 (en)*2017-11-092019-05-16格力电器(武汉)有限公司Voice control method, device, system, and electronic apparatus for smart home appliance
CN109869862A (en)*2019-01-232019-06-11四川虹美智能科技有限公司The control method and a kind of air-conditioning system of a kind of air-conditioning, a kind of air-conditioning
CN110322873A (en)*2019-07-022019-10-11百度在线网络技术(北京)有限公司Voice technical ability exits method, apparatus, equipment and storage medium
CN110491379A (en)*2019-07-222019-11-22青岛海信日立空调系统有限公司A kind of sound control method of household electrical appliance, voice controller and air conditioner
CN111417218A (en)*2020-03-312020-07-14广东美的制冷设备有限公司Access method and device of electric equipment, air conditioner and storage medium
CN107204185B (en)*2017-05-032021-05-25深圳车盒子科技有限公司Vehicle-mounted voice interaction method and system and computer readable storage medium
CN114484731A (en)*2021-12-272022-05-13浙江英集动力科技有限公司 A central air-conditioning fault diagnosis method and device based on stacking fusion algorithm
CN114893823A (en)*2017-07-142022-08-12大金工业株式会社 Air Conditioning System

Citations (8)

* Cited by examiner, † Cited by third party
Publication numberPriority datePublication dateAssigneeTitle
JPH04229A (en)*1990-04-131992-01-06Hitachi Ltd Electric motor
JPH09200229A (en)*1995-12-291997-07-31Lsi Logic CorpRadio network for house and building
GB2337830A (en)*1998-05-281999-12-01Remcon Control Systems LtdRemote control system
US20030078036A1 (en)*2001-10-192003-04-24Yuan-Jung ChangDevice and method for automatically installing software by wireless identification
CN1906661A (en)*2003-12-052007-01-31株式会社建伍Device control device and device control method
CN101341465A (en)*2005-12-202009-01-07摩托罗拉公司System and method for handling multiple user preferences in a domain
CN101652968A (en)*2007-01-312010-02-17先进技术控股公司Mix wired and wireless universal access network
CN101958817A (en)*2010-07-172011-01-26刘利华Intelligent home information management system

Patent Citations (8)

* Cited by examiner, † Cited by third party
Publication numberPriority datePublication dateAssigneeTitle
JPH04229A (en)*1990-04-131992-01-06Hitachi Ltd Electric motor
JPH09200229A (en)*1995-12-291997-07-31Lsi Logic CorpRadio network for house and building
GB2337830A (en)*1998-05-281999-12-01Remcon Control Systems LtdRemote control system
US20030078036A1 (en)*2001-10-192003-04-24Yuan-Jung ChangDevice and method for automatically installing software by wireless identification
CN1906661A (en)*2003-12-052007-01-31株式会社建伍Device control device and device control method
CN101341465A (en)*2005-12-202009-01-07摩托罗拉公司System and method for handling multiple user preferences in a domain
CN101652968A (en)*2007-01-312010-02-17先进技术控股公司Mix wired and wireless universal access network
CN101958817A (en)*2010-07-172011-01-26刘利华Intelligent home information management system

Cited By (51)

* Cited by examiner, † Cited by third party
Publication numberPriority datePublication dateAssigneeTitle
CN102748833A (en)*2012-07-132012-10-24海尔集团公司Method, device and server for performing voice control on electric appliances
CN102736536A (en)*2012-07-132012-10-17海尔集团公司Method and device for voice control of electrical equipment
CN103383134A (en)*2013-08-062013-11-06四川长虹电器股份有限公司Intelligent air-conditioning system and air-conditioning control method
CN103383134B (en)*2013-08-062016-12-28四川长虹电器股份有限公司A kind of intelligent air-conditioning system and air conditioning control method
CN104456862A (en)*2013-09-232015-03-25广东美的暖通设备有限公司Air conditioner system, air conditioner fault diagnosis system and method
CN104110779A (en)*2013-10-222014-10-22广东美的制冷设备有限公司Voice air conditioner, control method thereof and air conditioner control system
CN104935615A (en)*2014-03-192015-09-23重庆深蜀科技有限公司System and method for realizing voice control for household electrical equipment
CN104935615B (en)*2014-03-192019-12-03重庆深蜀科技有限公司Realize the system and method for voice control household appliance
CN104654521A (en)*2014-03-252015-05-27四川长虹电器股份有限公司Function starting method and mobile electronic equipment
CN104240702A (en)*2014-07-102014-12-24广东美的集团芜湖制冷设备有限公司Voice control method and voice control system for air-conditioner
CN104301526A (en)*2014-09-262015-01-21小米科技有限责任公司Terminal remote control method and device and equipment
CN104808990A (en)*2015-04-162015-07-29深圳市金立通信设备有限公司Terminal
CN104808989A (en)*2015-04-162015-07-29深圳市金立通信设备有限公司Terminal control method
CN104896758A (en)*2015-06-182015-09-09成都广迈科技有限公司Control method for intelligent water heater
CN104896759A (en)*2015-06-182015-09-09成都广迈科技有限公司Method for controlling intelligent water heater
CN104949345A (en)*2015-06-182015-09-30成都广迈科技有限公司Intelligent control method of intelligent water heater
CN105042868A (en)*2015-06-182015-11-11成都广迈科技有限公司Self-adaptive regulation and control method of intelligent water heater
CN104949345B (en)*2015-06-182018-07-17河北正生电器科技有限公司A kind of intelligent control method of intelligent water heater
CN104896759B (en)*2015-06-182018-07-03无锡和晶科技股份有限公司A kind of method for controlling intelligent water heater
CN104965431A (en)*2015-06-292015-10-07广西瀚特信息产业股份有限公司Environment quality detection control system and method
CN105139850A (en)*2015-08-122015-12-09西安诺瓦电子科技有限公司Speech interaction device, speech interaction method and speech interaction type LED asynchronous control system terminal
CN105788599B (en)*2016-04-142019-08-06北京小米移动软件有限公司 Voice processing method, router and intelligent voice control system
CN105788599A (en)*2016-04-142016-07-20北京小米移动软件有限公司Speech processing method, router and intelligent speech control system
CN105955903A (en)*2016-05-032016-09-21佘培嘉Novel network interface adapter and matched system design method thereof
CN106091102B (en)*2016-06-272019-01-18嘉兴意米节能科技有限公司A kind of calculation method of the room temperature setting value of heating system
CN106091102A (en)*2016-06-272016-11-09嘉兴意米节能科技有限公司A kind of computational methods of the indoor temperature setting value of heating system
CN106228974A (en)*2016-08-192016-12-14镇江惠通电子有限公司Control method based on speech recognition, Apparatus and system
CN106452994A (en)*2016-09-222017-02-22北京智能管家科技有限公司Device control method and apparatus
WO2018054206A1 (en)*2016-09-232018-03-29深圳市轻生活科技有限公司Voice control used in conjunction with smart wireless router, and voice control method thereof
CN108375179A (en)*2016-10-262018-08-07东芝电梯株式会社Elevator air conditioning control device and air conditioner for elevator control system
CN106444452A (en)*2016-10-312017-02-22广东美的制冷设备有限公司Household appliance control method and apparatus thereof
CN106444452B (en)*2016-10-312019-02-01广东美的制冷设备有限公司Household electric appliance control method and device
CN107204185B (en)*2017-05-032021-05-25深圳车盒子科技有限公司Vehicle-mounted voice interaction method and system and computer readable storage medium
CN114893823B (en)*2017-07-142023-06-27大金工业株式会社 Air Conditioning System
CN114893823A (en)*2017-07-142022-08-12大金工业株式会社 Air Conditioning System
CN107642865A (en)*2017-08-182018-01-30青岛海尔空调器有限总公司A kind of Voice command air conditioner
CN107642865B (en)*2017-08-182019-12-31青岛海尔空调器有限总公司Voice control air conditioner
WO2019091171A1 (en)*2017-11-092019-05-16格力电器(武汉)有限公司Voice control method, device, system, and electronic apparatus for smart home appliance
CN108181899A (en)*2017-12-142018-06-19北京汽车集团有限公司Control the method, apparatus and storage medium of vehicle traveling
CN108569096A (en)*2018-05-142018-09-25奇瑞汽车股份有限公司A kind of on-board air conditioner long-range control method and control system
CN108569096B (en)*2018-05-142021-01-05奇瑞汽车股份有限公司Remote control method for vehicle-mounted air conditioner
CN109869862A (en)*2019-01-232019-06-11四川虹美智能科技有限公司The control method and a kind of air-conditioning system of a kind of air-conditioning, a kind of air-conditioning
CN110322873A (en)*2019-07-022019-10-11百度在线网络技术(北京)有限公司Voice technical ability exits method, apparatus, equipment and storage medium
CN110322873B (en)*2019-07-022022-03-01百度在线网络技术(北京)有限公司Voice skill quitting method, device, equipment and storage medium
US11580974B2 (en)2019-07-022023-02-14Baidu Online Network Technology (Beijing) Co., Ltd.Method for exiting a voice skill, apparatus, device and storage medium
CN110491379B (en)*2019-07-222021-11-26青岛海信日立空调系统有限公司Voice control method and voice controller of household appliance and air conditioner
CN110491379A (en)*2019-07-222019-11-22青岛海信日立空调系统有限公司A kind of sound control method of household electrical appliance, voice controller and air conditioner
CN111417218B (en)*2020-03-312022-04-29广东美的制冷设备有限公司Access method and device of electric equipment, air conditioner and storage medium
CN111417218A (en)*2020-03-312020-07-14广东美的制冷设备有限公司Access method and device of electric equipment, air conditioner and storage medium
CN114484731A (en)*2021-12-272022-05-13浙江英集动力科技有限公司 A central air-conditioning fault diagnosis method and device based on stacking fusion algorithm
CN114484731B (en)*2021-12-272023-05-16浙江英集动力科技有限公司Central air conditioner fault diagnosis method and device based on stacking fusion algorithm

Also Published As

Publication numberPublication date
CN102538143B (en)2014-02-26

Similar Documents

PublicationPublication DateTitle
CN102538143B (en)Intelligent phonic search engine air-conditioning system and control method thereof
CN110618613A (en)Linkage control method and device for intelligent equipment
CN202521784U (en)Voice air-conditioner system with intelligent search engine
US8390432B2 (en)Apparatus and method of controlling digital appliances based on parking management
CN103345232B (en)Personalized smart home control method and system
CN103383134B (en)A kind of intelligent air-conditioning system and air conditioning control method
CN107621784A (en)Intelligent home furnishing control method, apparatus and system
CN105717797A (en)Household management device, system and method based on speech recognition
CN104180486A (en)Intelligent home system and control method
KR20150036492A (en)Remote control device
CN111988208B (en) A home control system and method based on smart speakers
CN106020153B (en)Remote home control system based on WIFI and infrared technology and implementation method thereof
CN106972991A (en)Smart home interacted system based on QNX onboard operations systems
CN109377992A (en)Total space interactive voice Internet of Things network control system and method based on wireless communication
CN206805245U (en)Intelligent control super bath
CN107479397A (en)Intelligent household voice control system and method based on positional information
CN111273559A (en)Intelligent home control system based on 5G network
WO2018006225A1 (en)Acoustic control system for smart home appliance and device thereof
CN112735403B (en)Intelligent home control system based on intelligent sound equipment
CN201408366Y (en) Smart home voice control device
CN205139694U (en)Intelligent housing system
CN115076948A (en)Interconnection control method and device for air conditioner and intelligent window
CN104536301A (en)Centralized control system of intelligent home terminal
CN201408365Y (en) Smart home voice control device
CN206877164U (en) Residential window-purifier intelligent linkage control system

Legal Events

DateCodeTitleDescription
C06Publication
PB01Publication
C10Entry into substantive examination
SE01Entry into force of request for substantive examination
ASSSuccession or assignment of patent right

Owner name:MIDEA GROUP CO., LTD.

Free format text:FORMER OWNER: MEIDI ELECTRIC APPLIANCES CO., LTD., GUANGDONG

Effective date:20131211

C41Transfer of patent application or patent right or utility model
TA01Transfer of patent application right

Effective date of registration:20131211

Address after:528311 Guangdong, Foshan, Beijiao, the United States, the United States and the United States on the avenue of the United States, the headquarters of the United States building B floor, District, 26-28

Applicant after:Midea Group Co., Ltd.

Address before:528311 Beijiao, Foshan, Shunde District, the town of Guangdong, the United States Avenue, No. 6

Applicant before:Meidi Electric Appliances Co., Ltd., Guangdong

C14Grant of patent or utility model
GR01Patent grant

[8]ページ先頭

©2009-2025 Movatter.jp