Movatterモバイル変換


[0]ホーム

URL:


CN102525094A - Support device of double-shoulder knapsack - Google Patents

Support device of double-shoulder knapsack
Download PDF

Info

Publication number
CN102525094A
CN102525094ACN2010105892736ACN201010589273ACN102525094ACN 102525094 ACN102525094 ACN 102525094ACN 2010105892736 ACN2010105892736 ACN 2010105892736ACN 201010589273 ACN201010589273 ACN 201010589273ACN 102525094 ACN102525094 ACN 102525094A
Authority
CN
China
Prior art keywords
luggage carrier
knapsack
pedal
backpack
support frame
Prior art date
Legal status (The legal status is an assumption and is not a legal conclusion. Google has not performed a legal analysis and makes no representation as to the accuracy of the status listed.)
Pending
Application number
CN2010105892736A
Other languages
Chinese (zh)
Inventor
欧阳俊
Current Assignee (The listed assignees may be inaccurate. Google has not performed a legal analysis and makes no representation or warranty as to the accuracy of the list.)
Individual
Original Assignee
Individual
Priority date (The priority date is an assumption and is not a legal conclusion. Google has not performed a legal analysis and makes no representation as to the accuracy of the date listed.)
Filing date
Publication date
Application filed by IndividualfiledCriticalIndividual
Priority to CN2010105892736ApriorityCriticalpatent/CN102525094A/en
Publication of CN102525094ApublicationCriticalpatent/CN102525094A/en
Pendinglegal-statusCriticalCurrent

Links

Images

Landscapes

Abstract

A support device of a double-shoulder knapsack comprises an object carrying rack and a pair of load-bearing racks with the same structure, wherein the object carrying rack is provided with a supporting part for supporting straps of the knapsack, a fixing part which protrudes towards two sides of the object carrying rack, and a fixing belt for fixing the object carrying rack on the back; each load-bearing rack is provided with a connecting rod, an upper support, a lower support, and a pedal with a fixing rope; the upper end of the upper support is hinged with the connecting rod; an installing slot is formed at the bottom end of the upper support; the upper end of the lower support is arranged inside the installing slot and clamps opposite side walls of the installing slot; a rotating part is arranged at the bottom end of the lower support; and a rotating shaft of the rotating part is connected with the side part of the pedal. The knapsack is fixed on the object carrying rack, and the weights of the object carrying rack and the knapsack are transferred to the load-bearing racks through the connecting rod and are supported by the load-bearing racks, so that the pressure of the knapsack on shoulders is reduced.

Description

A kind of backpack holder device
Technical field
The invention belongs to bracing or strutting arrangement, relate in particular to a kind of holder device that can support backpack.
Background technology
Follow the popular day by day and development of hiking; The sports goods that is applicable to hiking also constantly increases and upgrades, and wherein the design of knapsack is various, especially backpack; The good supporting power of its quality is increasing; The requisite that can be placed in the knapsack increases thereupon, and for example: food, water, clothing etc. provide safeguard for the foot tours carries necessary articles for use.
But if the knapsack loaded with articles is many more, then the pressure that receives of human body shoulder is big more; Long-time weight shoulder not only can cause fatigue; And the CBF from the shoulder to the finger tip is reduced, and then cause some fined motor skill forfeiture, have a strong impact on people's health.
Summary of the invention
In view of this, the present invention provides a kind of backpack holder device, reduces the pressure of knapsack to shoulder, prevents that shoulder from causing fatigue under knapsack weight.
For realizing above-mentioned technique effect, the present invention provides 1, a kind of backpack holder device, comprising:
One luggage carrier, said luggage carrier has the support portion that is used to support the knapsack braces, has the fixed part to luggage carrier both sides protrusion, and has the fixed band that is used for luggage carrier is fixed on the back;
A pair of bearing frame with same structure; Said bearing frame has connecting rod, upper bracket, lower carriage and has the pedal of static line, the bar that is articulated and connected on the upper bracket, and the upper bracket bottom is provided with mounting groove; The lower carriage upper end is arranged in the mounting groove; And the opposing sidewalls of clamping mounting groove, the bottom of lower carriage is provided with rotating part, and the rotating shaft of this rotating part connects the pedal sidepiece;
Wherein, the said and hinged connecting rod of upper bracket bearing frame is installed in the fixed part of luggage carrier.
Preferably, be provided with external ear between the commentaries on classics of the sidepiece of said pedal and said rotating part.
Preferably, said support portion comprises the stay pipe that a pair of shape is identical, and this stay pipe bottom is cylindrical straight-arm, and top is crooked cranking arm.
Preferably, the bottom of said stay pipe is rotatably connected with luggage carrier.
Preferably, said stay pipe is located at the both sides on said luggage carrier top.
Preferably, said opposite flank of cranking arm is provided with baffle plate.
Preferably, said luggage carrier is provided with back cushion.
The present invention provides a kind of backpack holder device; Its luggage carrier top is connected with support component; Luggage carrier has the support portion that is used to support the knapsack braces, has the fixed part to luggage carrier both sides evagination, and has the fixed band that is used for luggage carrier is fixed on the back; The connecting rod of bearing frame is installed in the fixed part of luggage carrier; Connecting rod is delivered to the weight of luggage carrier and knapsack upper bracket, lower carriage, pedal and the ground of bearing frame successively as pole; Weight through bearing frame support luggage carrier and knapsack reduces the pressure of knapsack to shoulder.
Other features and advantages of the present invention will be set forth in specification subsequently, and, partly from specification, become obvious, perhaps understand through embodiment of the present invention.The object of the invention can be realized through the structure that in the specification of being write, claims and accompanying drawing, is particularly pointed out and obtained with other advantages.
Description of drawings
The example structure sketch map of Fig. 1 backpack holder device of the present invention;
Fig. 2 is the structural representation of the fixed part of middle luggage carrier embodiment illustrated in fig. 1;
Fig. 3 is the support component first example structure sketch map of luggage carrier shown in Figure 1;
Fig. 4 is the improvement example structure sketch map of middle stay pipe embodiment illustrated in fig. 3;
Fig. 5 is the structural representation of middle bearing frame embodiment illustrated in fig. 1;
Fig. 6 be embodiment illustrated in fig. 1 in bearing frame lower carriage and pedal be connected the example structure sketch map.
The specific embodiment
Below in conjunction with accompanying drawing specific embodiment of the present invention is described, embodiment described herein only is used for explanation and explains the present invention, and is not used in qualification the present invention.
The structural representation of backpack holder device of the present invention; With reference to figure 1;Luggage carrier 11 comprises backtimber 111,bottom girder 112,curb girder 113 as the fixed part of knapsack; Itsback timber 111 is provided with the support component 12 that supports the knapsack braces; Be fixed with thefixed band 13 that is used forluggage carrier 11 is fixed on human body back between itsback timber 111,bottom girder 112 and thecurb girder 113,fixed band 13 is arranged to Eight characters shape or cross shaped head or other shapes, as long as be convenient toluggage carrier 11 is fixed on human body back;Luggage carrier 11 sides connect thefixed part 14 ofprotrusion luggage carrier 11 bodies respectively, and bearingframe 15 1 ends are installed in thefixed part 14, and the other end connects pedal 16.
In the embodiment shown in fig. 1, the fixing part structure sketch map of luggage carrier is with reference to figure 2; Fixed part comprises transverse connecting pipe 21, vertical tube connector 22 and sleeve pipe 23; The curb girder welding of transverse connecting pipe 21 1 ends and luggage carrier, the outer wall of the vertical soldering sleeve 23 of the other end is provided with internal thread in the said sleeve pipe 23; Vertically tube connector 22 outer walls are provided with external screw thread, and vertically tube connector 22 is threaded with sleeve pipe 23.Need to prove, in order to process the convenient solder joint that reduces, also can prolong the bottom girder of luggage carrier, the portion of bottom girder protrusion luggage carrier body is regarded as the transverse connecting pipe of fixed part, the outer wall of the vertical soldering sleeve 23 in the end of its protuberance.
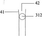
In the embodiment shown in fig. 1, the first example structure sketch map of the support component 12 of luggage carrier is with reference to figure 3; The support portion comprises the identical stay pipe of a pair ofshape 31; Staypipe 31 bottoms are cylindrical straight-arm 311, andtop cranks arm 312 for crooked, and straight-arm 311 welds with the back timber of luggage carrier; In addition, for being fit to the angle excursion of backpack strip, in the present embodiment; Can also be at thevertical soldering sleeve 32 of the back timber of luggage carrier;Sleeve pipe 32 inner hollow, its sidepiece is provided with degree oftightness nut 33, and straight-arm 311 inserts in thesleeve pipe 32; Fix through the degree of tightness nut, weld with the back timber of luggage carrier theside 321 ofsleeve pipe 31; Crankarm 312 when needing rotation when adjustment, loosen degree oftightness nut 33,adjustment cranks arm 312 to being fit to angle, tightens degree oftightness nut 33 and gets final product, and makes support component 12 can on luggage carrier, adjust the anglec of rotation.
In the embodiment shown in fig. 3; The improvement example structure sketch map of stay pipe, with reference to figure 4,crank arm 312 opposite flank of said stay pipe is respectively arranged withbaffle plate 41; Thebaffle plate 41 and formation one draw-ingroove 42 of cranking arm; The braces of knapsack is placed in the draw-ingroove 42, effectively prevents the braces of knapsack because knapsack rocks the cranking arm of the support component that slips away.The other embodiment of the present invention also can be respectively arranged with baffle plate with the opposite flank of stay pipe straight-arm, as long as radical occlusion device is set on stay pipe, can play preventing that the knapsack braces stay pipe that slips away from get final product, and this paper differs and one gives an example.
The bearing frame structural representation of backpack holder device shown in Figure 1; With reference to figure 5;Bearing frame 15 comprises:upper bracket 51,lower carriage 52, connectingrod 53 and thepedal 54 that has static line, theupper bracket 51upper ends bar 53 that is articulated and connected, andupper bracket 51 bottoms are provided withmounting groove 55;Lower carriage 52 upper ends are arranged in themounting groove 55; And the opposing sidewalls of clamping mounting groove, people are wearing holder device when walking, andupper bracket 51 andlower carriage 52 are that axle is crooked with the human body knee joint flexibility with the articulated hinges; The bottom oflower carriage 52 is provided with rotating part, and the rotating shaft of this rotating part connectspedal 54 sidepieces.Need to prove that upper bracket and lower carriage are provided with bundling belt, can be through bundling belt with upper bracket and the firm shank that is fixed on human body of lower carriage.
When bearing frame is installed, referring to figs. 2 and 5, the connectingrod 53 of bearing frame inserts in vertical tube connector 22 of luggage carrier fixed part, and connectingrod 53 vertically rotates freely in the tube connector 22.
For ease of the fastening sole part of pedal, with reference to figure 6, pedal 16 is to its arranged outside external ear 61, and the rotating shaft of the rotating part that the lower carriage bottom is provided with connects pedal 16 through external ear 61.In additional embodiments of the present invention, scratch the back for preventing luggage carrier, luggage carrier is provided with cotton system back cushion or fiber crops system back cushion, on the corresponding respectively back timber that is fixed on luggage carrier around the back cushion, bottom girder and the relative curb girder.
The above is merely the preferred embodiments of the present invention, is not limited to the present invention, and for a person skilled in the art, the present invention can have various changes and variation.All within spirit of the present invention and principle, any modification of being done, be equal to replacement, improvement etc., all should be included within protection scope of the present invention.

Claims (7)

CN2010105892736A2010-12-152010-12-15Support device of double-shoulder knapsackPendingCN102525094A (en)

Priority Applications (1)

Application NumberPriority DateFiling DateTitle
CN2010105892736ACN102525094A (en)2010-12-152010-12-15Support device of double-shoulder knapsack

Applications Claiming Priority (1)

Application NumberPriority DateFiling DateTitle
CN2010105892736ACN102525094A (en)2010-12-152010-12-15Support device of double-shoulder knapsack

Publications (1)

Publication NumberPublication Date
CN102525094Atrue CN102525094A (en)2012-07-04

Family

ID=46334120

Family Applications (1)

Application NumberTitlePriority DateFiling Date
CN2010105892736APendingCN102525094A (en)2010-12-152010-12-15Support device of double-shoulder knapsack

Country Status (1)

CountryLink
CN (1)CN102525094A (en)

Cited By (3)

* Cited by examiner, † Cited by third party
Publication numberPriority datePublication dateAssigneeTitle
CN105025750A (en)*2014-02-192015-11-04李西源Rucksack frame device
CN110345969A (en)*2019-06-282019-10-18南京理工大学The acquisition methods of automatic control suspension backrest and best available length based on motion perception
CN110464112A (en)*2019-09-162019-11-19胡皓程A kind of knapsack support running gear

Citations (4)

* Cited by examiner, † Cited by third party
Publication numberPriority datePublication dateAssigneeTitle
CN1225559A (en)*1996-06-261999-08-11约翰逊全球联合公司Flexible frame load carrying system
WO1999042017A1 (en)*1998-02-181999-08-26Olerio Matthew DRack system for backpack
CN2488358Y (en)*2001-07-252002-05-01林风Knapsack carrying-frame
CN2520112Y (en)*2002-02-102002-11-13梁裕新Body loaded labor protection supporter

Patent Citations (4)

* Cited by examiner, † Cited by third party
Publication numberPriority datePublication dateAssigneeTitle
CN1225559A (en)*1996-06-261999-08-11约翰逊全球联合公司Flexible frame load carrying system
WO1999042017A1 (en)*1998-02-181999-08-26Olerio Matthew DRack system for backpack
CN2488358Y (en)*2001-07-252002-05-01林风Knapsack carrying-frame
CN2520112Y (en)*2002-02-102002-11-13梁裕新Body loaded labor protection supporter

Cited By (4)

* Cited by examiner, † Cited by third party
Publication numberPriority datePublication dateAssigneeTitle
CN105025750A (en)*2014-02-192015-11-04李西源Rucksack frame device
CN110345969A (en)*2019-06-282019-10-18南京理工大学The acquisition methods of automatic control suspension backrest and best available length based on motion perception
CN110345969B (en)*2019-06-282020-06-26南京理工大学Self-control suspension back frame based on motion perception and method for acquiring optimal effective length
CN110464112A (en)*2019-09-162019-11-19胡皓程A kind of knapsack support running gear

Similar Documents

PublicationPublication DateTitle
CN113276096B (en) A load-bearing exoskeleton carrying device
US8181835B2 (en)Resilient strap mounting for user-borne athletic packs
AU2004200864B2 (en)Device for transporting a load and suitable attaching device
CN102525094A (en)Support device of double-shoulder knapsack
ES2352150T3 (en) A FRAME FOR SPEEDERS, IN PARTICULAR FOR MOUNTAIN BICYCLES.
KR200477432Y1 (en)Bike stand
US11352083B1 (en)Bicycle rack
CN202019970U (en)Two-shoulder backpack frame apparatus
CN209137018U (en)It is a kind of for correcting the support frame of high-low shoulder
CN207697906U (en)A kind of Telescopic bicycle kettle holder
CN204158038U (en)A kind of Portable foldable chairs
CN206728758U (en)A kind of multi-functional apple tree support frame
CN106075801A (en)A kind of foldable multifunctional body-building apparatus
US11641930B1 (en)Collapsible backpack system
CN207286613U (en)Post
CN211166691U (en)Vehicle-mounted luggage rack convenient to disassemble and assemble
US6045021A (en)Article carrier for bicycles with centrally suspended hook
CN205113526U (en)Novel two -seater board saddle of riding
CN214562998U (en)Hydraulic type hot-melting welding machine frame with lifting handle
CN212709527U (en)Ecological garden nursery stock transportation protection device
CN206910183U (en)A kind of not only convenient disassembly but also the hat rack of practicality
CN206535148U (en)A kind of roller skate vibration abatement and the roller skate comprising it
CN104401637B (en)A kind of portable haulage equipment
CN205924814U (en)Collapsible multifunctional fitness equipment
CN216809295U (en)Detachable clothes hanger

Legal Events

DateCodeTitleDescription
C06Publication
PB01Publication
DD01Delivery of document by public notice

Addressee:Ou Yangjun

Document name:Notification that Application Deemed to be Withdrawn

C10Entry into substantive examination
SE01Entry into force of request for substantive examination
DD01Delivery of document by public notice

Addressee:Ou Yangjun

Document name:Notification of Decision on Request for Restoration of Right

DD01Delivery of document by public notice

Addressee:Ou Yangjun

Document name:Notification of Patent Invention Entering into Substantive Examination Stage

DD01Delivery of document by public notice

Addressee:Ou Yangjun

Document name:the First Notification of an Office Action

DD01Delivery of document by public notice

Addressee:Ou Yangjun

Document name:Notification that Application Deemed to be Withdrawn

C02Deemed withdrawal of patent application after publication (patent law 2001)
WD01Invention patent application deemed withdrawn after publication

Application publication date:20120704


[8]ページ先頭

©2009-2025 Movatter.jp