Movatterモバイル変換


[0]ホーム

URL:


CN102440774A - Remote measurement module for related physiological information in rehabilitation training process - Google Patents

Remote measurement module for related physiological information in rehabilitation training process
Download PDF

Info

Publication number
CN102440774A
CN102440774ACN2011102569494ACN201110256949ACN102440774ACN 102440774 ACN102440774 ACN 102440774ACN 2011102569494 ACN2011102569494 ACN 2011102569494ACN 201110256949 ACN201110256949 ACN 201110256949ACN 102440774 ACN102440774 ACN 102440774A
Authority
CN
China
Prior art keywords
circuit
module
signal
detection module
input
Prior art date
Legal status (The legal status is an assumption and is not a legal conclusion. Google has not performed a legal analysis and makes no representation as to the accuracy of the status listed.)
Pending
Application number
CN2011102569494A
Other languages
Chinese (zh)
Inventor
宋爱国
李晓鹏
李会军
王楠
吴常铖
柯欣
崔建伟
Current Assignee (The listed assignees may be inaccurate. Google has not performed a legal analysis and makes no representation or warranty as to the accuracy of the list.)
Southeast University
Original Assignee
Southeast University
Priority date (The priority date is an assumption and is not a legal conclusion. Google has not performed a legal analysis and makes no representation as to the accuracy of the date listed.)
Filing date
Publication date
Application filed by Southeast UniversityfiledCriticalSoutheast University
Priority to CN2011102569494ApriorityCriticalpatent/CN102440774A/en
Publication of CN102440774ApublicationCriticalpatent/CN102440774A/en
Pendinglegal-statusCriticalCurrent

Links

Images

Landscapes

Abstract

Translated fromChinese

本发明公开了一种康复训练过程中相关生理信息的远程测量模块,一种康复训练过程中相关生理信息的远程测量模块,包括:数据采集端的肌电检测模块、血氧检测模块、肌张力检测模块、呼吸检测模块、微处理器模块和无线发送模块;数据接收端的无线接收模块以及本地端计算机;远端计算机。无线接收模块接收来自无线发送模块的无线数据信号,然后传给本地端计算机;本地端计算机通过因特网与远端计算机通信。本发明可测量多种生理信号,减少了使用者接线的麻烦,便于佩戴,满足了远程康复训练的需求。

Figure 201110256949

The invention discloses a remote measurement module of relevant physiological information in the process of rehabilitation training, a remote measurement module of relevant physiological information in the process of rehabilitation training, comprising: a myoelectric detection module at a data collection end, a blood oxygen detection module, and a muscle tension detection module module, breathing detection module, microprocessor module and wireless sending module; the wireless receiving module of the data receiving end and the local computer; the remote computer. The wireless receiving module receives the wireless data signal from the wireless sending module, and then transmits it to the local computer; the local computer communicates with the remote computer through the Internet. The invention can measure a variety of physiological signals, reduces the trouble of wiring for users, is easy to wear, and meets the needs of remote rehabilitation training.

Figure 201110256949

Description

The remote measurement module of relevant physiological information in the rehabilitation training process
Technical field
The present invention relates to a kind of physiologic information monitoring technology, relate to a kind of device that is used for the relevant human body physiologic information of remote measurement rehabilitation training process particularly.
Background technology
In recent years, owing to the increase of apoplexy sickness rate and increasing of athletic injury patient, greatly promoted the development and the demand of rehabilitation medical apparatus.And the patient often needs remote real time monitoring patient's physiologic information in the process of carrying out rehabilitation training, so that for the doctor correctly diagnoses the state of an illness and the rehabilitation training scheme of the science of formulation basic foundation is provided.But; The employed physiologic information measuring device of hospital costs an arm and a leg usually, volume is big and use inconvenience; When measuring the multiple physiological signal; User must connect all pick offs through electric wire on one's body, possibly also need a huger main frame usually, and this will seriously limit the action of user.Moreover if need during measuring, move the time, medical personnel just must connect connecting line again, and this also causes a lot of troubles to medical personnel.
Monitoring how to carry out physiologic information simply, easily is the trend of current research always; Miniaturization, portable physiological monitoring device have appearred on the market; On one's body when measuring, can being placed at one's side or directly being worn on, but the part portable product does not fundamentally alleviate the heavy burden of user, and most products have but been simplified its function when pursuing miniaturization; Often can only measure single physiological signal, and not support remote monitoring physiologic information.Therefore, still need strengthen the simplicity and the practicality of physiologic information monitoring device, solve the demand of special occasions remote monitoring.
Summary of the invention
Main purpose of the present invention promptly is to provide a kind of multiple physiological information measurement module, and its volume is little, and is in light weight, under the prerequisite that does not increase the user burden, can accomplish the extraction to multiple physiological signal.
Another object of the present invention is to provide a kind of multiple physiological information remote measurement module; It can carry out wireless connections through wireless transmission interface and local PC; Through network the relevant physiological information of user is sent to far-end monitoring center by local PC again, can realize the purpose of long distance monitoring.
Another purpose of the present invention is to provide a kind of multiple physiological information remote measurement module that is used for the rehabilitation training process, and it uses simple, is convenient to wear with mobile, can measure the multiple physiologic information of user in the rehabilitation training process by remote live.For achieving the above object, technical scheme of the present invention specifically is achieved in that
The remote measurement module of relevant physiological information in a kind of rehabilitation training process comprises:
The checking with EMG method module of a, data acquisition end, blood oxygen detection module, muscular tension detection module, respiration detection module, microprocessor module and wireless sending module;
The wireless receiving module of b, data receiver and local side computer;
C, far-end computer;
The signal input part of the signal input part of the signal input part of checking with EMG method module, blood oxygen detection module, the signal input part of muscular tension detection module and respiration detection module is connected with corresponding myoelectricity, blood oxygen, muscular tension and breath signal pick off respectively; The signal output part of the signal output part of the signal output part of checking with EMG method module, blood oxygen detection module, the signal output part of muscular tension detection module and respiration detection module connects the input of microprocessor module respectively through the A/D modular converter; Data reception/the transmitting terminal of microprocessor module connects the cable data reception/transmitting terminal of wireless sending module; The external transmitting/receiving wireless data signal of the wireless data reception/transmitting terminal of wireless sending module;
Wireless receiving module receives the wireless data signal from wireless sending module, passes to the local side computer then; The local side computer is communicated by letter with far-end computer through the Internet;
Said checking with EMG method module comprises that pre-amplification circuit, bivalent high-pass filter, second-order low-pass filter, second amplifying circuit and level raise circuit; Pre-amplification circuit receives the signal from myoelectric sensor, and amplifies; Amplifying the back exports after signal is raised circuit through bivalent high-pass filter, second-order low-pass filter, second amplifying circuit and level successively;
Said blood oxygen detection module comprises sensor drive driving circuit, D/A change-over circuit, I/V change-over circuit and amplifying circuit;
The control signal output ends of said microprocessor module is through the control end of D/A change-over circuit connection sensor drive driving circuit, and the drive output of sensor drive driving circuit connects the light source input of blood oxygen transducer; The light sensor outfan of blood oxygen transducer connects the input of I/V change-over circuit, and the outfan of I/V change-over circuit connects the input of microprocessor module through amplifying circuit;
Said muscular tension detection module comprises the first dividing potential drop follow circuit and the second dividing potential drop follow circuit; The input of the first dividing potential drop follow circuit links to each other with the fore-set force signal outfan of muscular tension pick off, and the outfan of the first dividing potential drop follow circuit is muscular tension signal Fb; The input of the second dividing potential drop follow circuit applies the force signal outfan with muscular tension pick off binder and links to each other, and the outfan of the second dividing potential drop follow circuit is muscular tension signal Ft;
Said respiration detection module comprises compensating circuit and pre-amplification circuit; Compensating circuit compensates the signal from the breath signal pick off, and the signal after the compensation is exported through pre-amplification circuit.
Microprocessor module is the mixed signal single-chip microcomputer;
Wireless sending module is the Bluetooth wireless transmission module; The UART interface of mixed signal single-chip microcomputer and the UART interface of Bluetooth wireless transmission module communicate;
Wireless receiving module comprises that USB interface, serial ports change USB circuit and Bluetooth wireless transmission module; The wireless data signal that the Bluetooth wireless transmission module receives is passed to USB interface after serial ports changes the USB circuit conversion; The local side USB interface of computer is connected with the USB interface of wireless receiving module.
For the checking with EMG method mould, the shared same double operational circuit of said bivalent high-pass filter and second-order low-pass filter, secondary amplify with level raises the shared same double operational circuit of circuit; The outfan of myoelectric sensor is connected with the input of pre-amplification circuit with the differential signal form through behind the capacitance-resistance filter earlier.
Light source for blood oxygen detection module comprises red diodes and infrared light diode;
Said sensor drive driving circuit comprises PNP audion Q1, PNP audion Q2, NPN audion Q3 and NPN audion Q4;
The colelctor electrode of Q1 connects the red diodes anode respectively and is connected red diodes negative electrode and infrared light diode anode respectively with the colelctor electrode of infrared light diode cathode, Q2; The emitter stage of Q1, Q2 connects high level;
The colelctor electrode of Q3 connects the red diodes anode respectively and is connected red diodes negative electrode and infrared light diode anode respectively with the colelctor electrode of infrared light diode cathode, Q4; The grounded emitter of Q3, Q4;
The base stage of Q1, Q2 links to each other with the control signal output ends pin of microprocessor module through a resistance respectively, by the infrared light diode of microprocessor module control blood oxygen transducer and the alternately light on and off of red diodes; The base stage of Q3, Q4 is connected with voltage output end VOUTB, the VOUTA of D/A change-over circuit respectively, and the size of its output voltage is used to regulate the luminous intensity of red diodes and infrared light diode, and voltage is big more, and the brightness of light emitting diode is strong more.。
For blood oxygen detection module, the I/V change-over circuit is a current-to-voltage convertor; The negative electrode of the light sensor of blood oxygen transducer connects the first input end of I/V change-over circuit, is biased voltage between second input of I/V change-over circuit and the light sensor anode; The outfan of I/V change-over circuit is connected to an input of amplifying circuit, and another input of amplifying circuit connects an outfan of D/A change-over circuit.
The control principle of blood oxygen transducer is; Sensor drive driving circuit can be connected respectively with infrared light diode anode end with infrared light diode cathode end, red diodes negative electrode with the red diodes anode of blood oxygen transducer; Under the effect of microprocessor module; The red diodes and the infrared light diode of control blood oxygen transducer are alternately luminous, and under the effect of D/A change-over circuit, regulate the luminous intensity of HONGGUANG and infrared light light emitting diode; To guarantee light after seeing through the finger of different crowd, intensity is in suitable scope;
The data input of above-mentioned D/A change-over circuit, clock signal input terminal are connected with data outfan, the clock signal output terminal of microprocessor module respectively; The faint light current signal of the light sensor negative electrode output of blood oxygen transducer is connected to an input of I/V change-over circuit; And on the light sensor anode of another input of I/V change-over circuit and blood oxygen transducer, add a bias voltage and disturb to eliminate dark current; The I/V change-over circuit amplifies the faint light current signal that receives and converts voltage signal into, exports the blood oxygen DC component and the atomic weak AC compounent signal that are superimposed; The outfan of I/V change-over circuit is connected to an input of amplifying circuit; Another input of amplifying circuit connects the DC component signal of an outfan of D/A conversion chip with subduction blood oxygen, and amplifying circuit extracts the atomic weak AC compounent signal and the AC compounent signal of amplification back output blood oxygen.
The principle of checking with EMG method module is; Pre-amplification circuit receives the differential potential signal (myoelectric sensor of for example being made up of three electrodes from myoelectric sensor; The signal of these three electrode outputs is the signal of myoelectric sensor), and amplify the electromyographic signal that obtains the millivolt level; Mixing in the electromyographic signal of this moment has more High-frequency Interference and low-frequency disturbance, through bivalent high-pass filter and second-order low-pass filter filtering well; After second amplifying circuit amplifies, obtain disturbing the electromyographic signal of less volt level again; Raise circuit through level at last the negative voltage composition in the electromyographic signal is lifted to the positive voltage scope, can be with the respective pins of the electromyographic signal input A/D conversion that obtains.
The principle of this remote measurement module is explained as follows:
It comprises: multiple physiological signal sensing element; It comprises a plurality of pick offs: a pulse oximetry sensor, a myoelectric sensor, a respiration pickup and a muscular tension pick off; In the rehabilitation training process, user can be worn one or more pick offs in above-mentioned 4 pick offs as required to obtain its corresponding physiological signal;
Connecting interface is used to connect above-mentioned physiological signal sensing element;
The checking with EMG method module, it comprises, and electromyographic signal is amplified, the Filtering Processing circuit, is used to detect electromyographic signal;
Blood oxygen detection module, it comprises the amplification of blood oxygen saturation coherent signal, processing and sensor control circuit, is used to detect the blood oxygen saturation coherent signal;
The muscular tension detection module mainly comprises the muscular tension signal amplification circuit, is used to detect the muscular tension signal;
The respiration detection module, it comprises, and breath signal is handled, amplifying circuit, is used to detect breath signal;
Microprocessor module is used for gathering and handling above-mentioned physiological signal, and communicates by letter with wireless sending module foundation through serial ports;
Wireless sending module is used for the relevant physiological information of extracting is sent to the local side PC;
Power module is used for to entire circuit system power supply, and said power module comprises joint lithium battery, battery charge interface and a power supply processing module, and wherein, power supply processing module provides the battery function with the Circuits System power supply of charging;
Wireless receiving module is used to set up the wireless connections between said physiologic information measurement module and the local PC, receives the physiologic information that is sent by wireless sending module;
The local side man-machine interactive system is used to receive and show in real time the relevant physiological information of user, and can store, manage the personal information and the relevant physiological information of user, also can above-mentioned information be sent to the monitoring center of far-end through network;
Far-end monitoring center man-machine interactive system; Through Internet network real-time or regular personal information and the relevant physiological information that receives from the local side user; And can carry out storage and management to above-mentioned information; Make the doctor at monitoring center can in time grasp the relevant physiological information of user in the rehabilitation training process, and can be used as the basic foundation of rehabilitation situation that the doctor diagnoses user and next step rehabilitation training scheme of formulation.
Compare with existing physiologic information monitoring device, the present invention has the following advantages:
(1) the present invention connects local side PC and far-end monitoring center through the Internet network, realizes the physiologic information of doctor's long distance monitoring user, has satisfied the demand of remote rehabilitation training.(2) between physiologic information measurement module and the local side PC through wireless connections, do not influence user moving in the rehabilitation training process, reduced the trouble of user wiring.(3) can measure multiple physiological signal.(4) through selecting for use little encapsulation components and parts to reduce the volume and the weight of measurement module, easy to use wearing.
Description of drawings
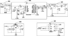
Fig. 1 shows the composition structural representation of relevant physiological information remote measurement module in the rehabilitation training process of the present invention;
Fig. 2 shows the checking with EMG method module circuit diagram of physiologic information measurement module of the present invention;
Fig. 3 shows the blood oxygen detection module circuit diagram of physiologic information measurement module of the present invention;
Fig. 4 shows the muscular tension detection module circuit diagram of physiologic information measurement module of the present invention;
Fig. 5 shows the respiration detection module circuit diagram of physiologic information measurement module of the present invention;
Fig. 6 shows the microcontroller circuit figure of physiologic information measurement module of the present invention;
Fig. 7 shows the wireless sending module circuit diagram of physiologic information measurement module of the present invention;
Fig. 8 shows the power module circuitry figure of physiologic information measurement module of the present invention;
Fig. 9 shows the wireless receiving module circuit diagram of physiologic information measurement module of the present invention.
The specific embodiment
Below will combine accompanying drawing and concrete embodiment that the present invention is done further explain.
The remote measurement module of relevant physiological information in a kind of rehabilitation training process comprises:
The checking with EMG method module of a, data acquisition end, blood oxygen detection module, muscular tension detection module, respiration detection module, microprocessor module and wireless sending module;
The wireless receiving module of b, data receiver and local side computer;
C, far-end computer;
Wireless receiving module receives the wireless data signal from wireless sending module, passes to the local side computer then; The local side computer is communicated by letter with far-end computer through the Internet;
The signal input part of the signal input part of the signal input part of checking with EMG method module, blood oxygen detection module, the signal input part of muscular tension detection module and respiration detection module is connected with corresponding myoelectricity, blood oxygen, muscular tension and breath signal pick off respectively; The signal output part of the signal output part of the signal output part of checking with EMG method module, blood oxygen detection module, the signal output part of muscular tension detection module and respiration detection module connects the input of microprocessor module respectively through the A/D modular converter; Data reception/the transmitting terminal of microprocessor module connects the cable data reception/transmitting terminal of wireless sending module; The external transmitting/receiving wireless data signal of the wireless data reception/transmitting terminal of wireless sending module;
Said checking with EMG method module comprises that pre-amplification circuit, bivalent high-pass filter, second-order low-pass filter, second amplifying circuit and level raise circuit; Pre-amplification circuit receives the signal from myoelectric sensor, and amplifies; Amplifying the back exports after signal is raised circuit through bivalent high-pass filter, second-order low-pass filter, second amplifying circuit and level successively;
Said blood oxygen detection module comprises sensor drive driving circuit, D/A change-over circuit, I/V change-over circuit and amplifying circuit;
The control signal output ends of said microprocessor module is through the control end of D/A change-over circuit connection sensor drive driving circuit, and the drive output of sensor drive driving circuit connects the light source input of blood oxygen transducer; The light sensor outfan of blood oxygen transducer connects the input of I/V change-over circuit, and the outfan of I/V change-over circuit connects the input of microprocessor module through amplifying circuit;
Said muscular tension detection module comprises the first dividing potential drop follow circuit and the second dividing potential drop follow circuit; The input of the first dividing potential drop follow circuit links to each other with the fore-set force signal outfan of muscular tension pick off, and the outfan of the first dividing potential drop follow circuit is muscular tension signal Fb; The input of the second dividing potential drop follow circuit applies the force signal outfan with muscular tension pick off binder and links to each other, and the outfan of the second dividing potential drop follow circuit is muscular tension signal Ft;
Said respiration detection module comprises compensating circuit and pre-amplification circuit; Compensating circuit compensates the signal from the breath signal pick off, and the signal after the compensation is exported through pre-amplification circuit.
Microprocessor module is the mixed signal single-chip microcomputer;
Wireless sending module is the Bluetooth wireless transmission module; The UART interface of mixed signal single-chip microcomputer and the UART interface of Bluetooth wireless transmission module communicate;
Wireless receiving module comprises that USB interface, serial ports change USB circuit and Bluetooth wireless transmission module; The wireless data signal that the Bluetooth wireless transmission module receives is passed to USB interface after serial ports changes the USB circuit conversion; The local side USB interface of computer is connected with the USB interface of wireless receiving module.
For the checking with EMG method mould, the shared same double operational circuit of said bivalent high-pass filter and second-order low-pass filter, secondary amplify with level raises the shared same double operational circuit of circuit; The outfan of myoelectric sensor is connected with the input of pre-amplification circuit with the differential signal form through behind the capacitance-resistance filter earlier.
Light source for blood oxygen detection module comprises red diodes and infrared light diode;
Said sensor drive driving circuit comprises PNP audion Q1, PNP audion Q2, NPN audion Q3 and NPN audion Q4;
The colelctor electrode of Q1 connects the red diodes anode respectively and is connected red diodes negative electrode and infrared light diode anode respectively with the colelctor electrode of infrared light diode cathode, Q2; The emitter stage of Q1, Q2 connects high level;
The colelctor electrode of Q3 connects the red diodes anode respectively and is connected red diodes negative electrode and infrared light diode anode respectively with the colelctor electrode of infrared light diode cathode, Q4; The grounded emitter of Q3, Q4;
The base stage of Q1, Q2 links to each other with the control signal output ends pin of microprocessor module through a resistance respectively, by the infrared light diode of microprocessor module control blood oxygen transducer and the alternately light on and off of red diodes; The base stage of Q3, Q4 is connected with voltage output end VOUTB, the VOUTA of D/A change-over circuit respectively, and the size of its output voltage is used to regulate the luminous intensity of red diodes and infrared light diode, and voltage is big more, and the brightness of light emitting diode is strong more.。
For blood oxygen detection module, the I/V change-over circuit is a current-to-voltage convertor; The negative electrode of the light sensor of blood oxygen transducer connects the first input end of I/V change-over circuit, is biased voltage between second input of I/V change-over circuit and the light sensor anode; The outfan of I/V change-over circuit is connected to an input of amplifying circuit, and another input of amplifying circuit connects an outfan of D/A change-over circuit.
Specific in this example,
See also Fig. 1, it shows the composition structural representation according to the remote measurement module of relevant physiological information in the rehabilitation training process of the present invention.As shown in Figure 1, it comprises connecting interface, checking with EMG method module, blood oxygen detection module, muscular tension detection module, respiration detection module, microprocessor module, wireless sending module, power module, wireless receiving module, local side computer and the far-end computer that is used to connect pick off.A myoelectric sensor, a blood oxygen transducer, a muscular tension pick off are connected with corresponding connecting interface respectively with a respiration pickup; Checking with EMG method module, blood oxygen detection module, muscular tension detection module and respiration detection module be respectively through the output signal of corresponding connecting interface receiving sensor, detects behind myoelectricity, blood oxygen, muscular tension and the breath signal with the pin of the integrated A/D modular converter of microprocessor internal to be connected; The UART input/output terminal of microprocessor is connected with the I/O of wireless sending module respectively; Wireless receiving module is connected with the local side computer through USB interface, sets up with the local side man-machine interactive system and communicates by letter; The local side computer is connected with far-end computer through the Internet network.
The checking with EMG method module circuit diagram is as shown in Figure 2; The checking with EMG method module is raised circuit 205 by pre-amplification circuit 201, bivalent high-pass filter 202, second-order low-pass filter 203, second amplifying circuit 204 and level and is formed; It is the low-power consumption instrumentation amplifier of AD8226 that pre-amplification circuit adopts model; The shared low-power consumption of bivalent high-pass filter and second-order low-pass filter, low noise double operational chip ADA4841-2, secondary amplifies and level is raised the also shared double operational chip ADA4841-2 of circuit.The outfan of myoelectric sensor is connected with the input of differential signal form with instrumentation amplifier AD8226 through behind the capacitance-resistance filter; The outfan of instrumentation amplifier AD8226 is connected with the input (end of capacitor C 0-4) of bivalent high-pass filter 202; The outfan of bivalent high-pass filter 202 (1 pin of ADA4841-2) links to each other with the input (end of resistance R 0-6) of second-order low-pass filter 203; The outfan of second-order low-pass filter 203 (7 pins of ADA4841-2) is connected with the input (end of R0-10) of second amplifying circuit 204; The outfan of second amplifying circuit 204 links to each other with the input (R0-15) that level is raised circuit 205; The outfan OUT1 that level is raised circuit 205 is electromyographic signal, links to each other with the respective pins (P1.3) of the A/D modular converter of microprocessor.
Blood oxygen detection module circuit diagram is as shown in Figure 3; Blood oxygen detection module is made up of sensor drive driving circuit 301, D/A change-over circuit 302, I/V change-over circuit 303 and amplifying circuit 304; It is the 12 figure place mould conversion chips of DAC7573 that D/A change-over circuit 302 is selected model for use; I/V change-over circuit 303 adopts low noise amplifier AD8663, and amplifying circuit 304 is selected single amplifier chip AD4841-1 for use.The base stage of Q1, Q2 links to each other with P0.1, the P0.0 pin of microprocessor through a resistance respectively in the sensor drive driving circuit 301, and the base stage of Q3, Q4 is connected with outfan VOUTA, the VOUTB of D/A change-over circuit 302 respectively; The data signal SDA of the I2C bus of D/A conversion chip DAC7573, clock signal SCL link to each other with P0.2, the P0.3 pin of microprocessor respectively; Control signal pin LDAC links to each other with the P0.7 pin of microprocessor, and the outfan VOUTC of DAC7573 is connected to the positive input of amplifying circuit 304; The outfan OUT2 of I/V change-over circuit 303 is the blood oxygen DC component that is superimposed and atomic weak AC compounent signal, links to each other with the respective pins (P1.0) of the A/D modular converter of microprocessor; The outfan OUT3 of amplifying circuit 304 is the AC compounent signal of blood oxygen, links to each other with the respective pins (P1.5) of the A/D modular converter of microprocessor.
Muscular tension detection module circuit diagram is as shown in Figure 4, is made up of dividing potentialdrop follow circuit 401 and 402, and follower adopts double operational ADA4841-2.The input SIG1 of dividing potentialdrop follow circuit 401 links to each other with the fore-set force signal of muscular tension pick off, and the outfan OUT4 of follower is muscular tension signal (Fb), links to each other with the respective pins (P1.6) of the A/D modular converter of microprocessor; The input SIG2 of dividing potentialdrop follow circuit 402 links to each other with muscular tension pick off force signal that binder applies, and the outfan OUT5 of follower is muscular tension signal (Ft), links to each other with the respective pins (P1.7) of the A/D modular converter of microprocessor.
The respiration detection module circuit diagram is as shown in Figure 5, is made up of compensatingcircuit 501 andpre-amplification circuit 502, andpre-amplification circuit 502 adopts instrumentation amplifier AD8221.An end of respiration pickup is connected with resistance R 2-7, R2-2 in the compensatingcircuit 501; The other end is connected with resistance R 2-2, R2-4; And being connected to the positive input ofpre-amplification circuit 502 as output, resistance R 2-1, R2-3 are connected to the reverse input end ofpre-amplification circuit 502; In thepre-amplification circuit 502output pin 7 of AD8221 through the capacitance-resistance filter of forming by R2-8, C2-1 after as the outfan OUT6 ofpre-amplification circuit 502, link to each other with the respective pins (P1.4) of the A/D modular converter of microprocessor.
See also Fig. 6; It is the mixed signal single-chip microcomputer of C8051F410 that microprocessor is selected model for use; The transmission pin (P0.4) of its serial ports UART receives pin with the UART of wireless sending module and links to each other, and the UART of C8051F410 receives pin (P0.5) and links to each other with the UART transmission pin of wireless sending module.Wireless sending module is as shown in Figure 7, selects BC417 Bluetooth wireless transmission module for use.
Power module circuitry figure is as shown in Figure 8, by charginginlet 801,5V booster circuit 802,3.3Vreduction voltage circuit 803,3Vreference voltage circuit 804 and-the 5V negatercircuit.Charging inlet 801 links to each other anodal input as5V booster circuit 802 with a joint lithium battery;5V booster circuit 802 is selected the chip TPS61032 that boosts for use, and its peripheral circuit connects method with reference to its technical manual, and outfan 5VDD is a 5V voltage; 3.3Vreduction voltage circuit 803 adopts linear low pressure differential chip LM1117, its peripheral circuit connects method with reference to its technical manual, and input is a 5V voltage, and outfan 3.3 VDD are 3.3V voltage; 3Vreference voltage circuit 804 is selected chip AD1583 for use, and its peripheral circuit connects method with reference to its technical manual, and input is a 5V voltage, and outfan is a 3V voltage, as the reference voltage of D/A conversion chip DAC7573 and microprocessor (C8051F410) A/D modular converter;-5V negater circuit is selected chip MAX660 for use, and its peripheral circuit connects method with reference to its technical manual, and input is a 5V voltage, and outfan-5VDD is-5V voltage.
The wireless receiving module circuit diagram is as shown in Figure 9, is made up ofUSB interface 901, serial ports commentaries onclassics USB circuit 902 and BC417 Bluetooth wireless transmission module 903.USB interface 901 is selected the Type B USB interface for use, is connected with the local side computer; Serial ports changesUSB circuit 902 and selects chip CP2102 for use; The usb data wire pin D+ of CP2102, D-are connected with D+, the D-pin ofUSB interface 901 respectively, and its UART receives, sends pin and links to each other with UART transmission, the reception pin of BC417 Bluetoothwireless transmission module 903 respectively.

Claims (5)

1. the remote measurement module of relevant physiological information in the rehabilitation training process is characterized in that comprising:
The checking with EMG method module of data acquisition end, blood oxygen detection module, muscular tension detection module, respiration detection module, microprocessor module and wireless sending module;
The wireless receiving module of data receiver and local side computer;
Far-end computer;
The signal input part of the signal input part of the signal input part of checking with EMG method module, blood oxygen detection module, the signal input part of muscular tension detection module and respiration detection module is connected with corresponding myoelectricity, blood oxygen, muscular tension and breath signal pick off respectively; The signal output part of the signal output part of the signal output part of checking with EMG method module, blood oxygen detection module, the signal output part of muscular tension detection module and respiration detection module connects the input of microprocessor module respectively through the A/D modular converter; Data reception/the transmitting terminal of microprocessor module connects the cable data reception/transmitting terminal of wireless sending module; The external transmitting/receiving wireless data signal of the wireless data reception/transmitting terminal of wireless sending module;
Wireless receiving module receives the wireless data signal from wireless sending module, passes to the local side computer then; The local side computer is communicated by letter with far-end computer through the Internet;
Said checking with EMG method module comprises that pre-amplification circuit, bivalent high-pass filter, second-order low-pass filter, second amplifying circuit and level raise circuit; Pre-amplification circuit receives the signal from myoelectric sensor, and amplifies; Amplifying the back exports after signal is raised circuit through bivalent high-pass filter, second-order low-pass filter, second amplifying circuit and level successively;
Said blood oxygen detection module comprises sensor drive driving circuit, D/A change-over circuit, I/V change-over circuit and amplifying circuit; The control signal output ends of said microprocessor module is through the control end of D/A change-over circuit connection sensor drive driving circuit, and the drive output of sensor drive driving circuit connects the light source input of blood oxygen transducer; The light sensor outfan of blood oxygen transducer connects the input of I/V change-over circuit, and the outfan of I/V change-over circuit connects the input of microprocessor module through amplifying circuit;
Said muscular tension detection module comprises the first dividing potential drop follow circuit and the second dividing potential drop follow circuit; The input of the first dividing potential drop follow circuit links to each other with the fore-set force signal outfan of muscular tension pick off, and the outfan of the first dividing potential drop follow circuit is muscular tension signal Fb; The input of the second dividing potential drop follow circuit applies the force signal outfan with muscular tension pick off binder and links to each other, and the outfan of the second dividing potential drop follow circuit is muscular tension signal Ft;
Said respiration detection module comprises compensating circuit and pre-amplification circuit; Compensating circuit compensates the signal from the breath signal pick off, and the signal after the compensation is exported through pre-amplification circuit.
2. remote measurement module according to claim 1 is characterized in that: microprocessor module is the mixed signal single-chip microcomputer;
Wireless sending module is the Bluetooth wireless transmission module; The UART interface of mixed signal single-chip microcomputer and the UART interface of Bluetooth wireless transmission module communicate;
Wireless receiving module comprises that USB interface, serial ports change USB circuit and Bluetooth wireless transmission module; The wireless data signal that the Bluetooth wireless transmission module receives is passed to USB interface after serial ports changes the USB circuit conversion; The local side USB interface of computer is connected with the USB interface of wireless receiving module.
3. remote measurement module according to claim 1 is characterized in that: for the checking with EMG method mould, the shared same double operational circuit of said bivalent high-pass filter and second-order low-pass filter, secondary amplify with level raises the shared same double operational circuit of circuit; The outfan of myoelectric sensor is connected with the input of pre-amplification circuit with the differential signal form through behind the capacitance-resistance filter earlier.
4. remote measurement module according to claim 1 is characterized in that: the light source for blood oxygen detection module comprises red diodes and infrared light diode;
Said sensor drive driving circuit comprises PNP audion Q1, PNP audion Q2, NPN audion Q3 and NPN audion Q4;
The colelctor electrode of Q1 connects the red diodes anode respectively and is connected red diodes negative electrode and infrared light diode anode respectively with the colelctor electrode of infrared light diode cathode, Q2; The emitter stage of Q1, Q2 connects high level;
The colelctor electrode of Q3 connects the red diodes anode respectively and is connected red diodes negative electrode and infrared light diode anode respectively with the colelctor electrode of infrared light diode cathode, Q4; The grounded emitter of Q3, Q4;
The base stage of Q1, Q2 links to each other with the control signal output ends of microprocessor module through a resistance respectively; The base stage of Q3, Q4 is connected with voltage output end VOUTB, the VOUTA of D/A change-over circuit respectively.
5. remote measurement module according to claim 1 is characterized in that: for blood oxygen detection module, the I/V change-over circuit is a current-to-voltage convertor; The negative electrode of the light sensor of blood oxygen transducer connects the first input end of I/V change-over circuit, is biased voltage between second input of I/V change-over circuit and the light sensor anode;
The outfan of I/V change-over circuit is connected to an input of amplifying circuit, and another input of amplifying circuit connects an outfan of D/A change-over circuit.
CN2011102569494A2011-09-012011-09-01Remote measurement module for related physiological information in rehabilitation training processPendingCN102440774A (en)

Priority Applications (1)

Application NumberPriority DateFiling DateTitle
CN2011102569494ACN102440774A (en)2011-09-012011-09-01Remote measurement module for related physiological information in rehabilitation training process

Applications Claiming Priority (1)

Application NumberPriority DateFiling DateTitle
CN2011102569494ACN102440774A (en)2011-09-012011-09-01Remote measurement module for related physiological information in rehabilitation training process

Publications (1)

Publication NumberPublication Date
CN102440774Atrue CN102440774A (en)2012-05-09

Family

ID=46004076

Family Applications (1)

Application NumberTitlePriority DateFiling Date
CN2011102569494APendingCN102440774A (en)2011-09-012011-09-01Remote measurement module for related physiological information in rehabilitation training process

Country Status (1)

CountryLink
CN (1)CN102440774A (en)

Cited By (13)

* Cited by examiner, † Cited by third party
Publication numberPriority datePublication dateAssigneeTitle
CN102657527A (en)*2012-05-152012-09-12北京大学Electromyographic signal acquisition equipment and identification method for identifying motion of ankle joint in real time
CN102908151A (en)*2012-11-052013-02-06北京超思电子技术股份有限公司Blood oxygen measuring instrument capable of measuring body temperature
CN103418084A (en)*2012-05-252013-12-04上海得高实业有限公司Wireless electromyographic feedback type electrical simulation instrument
CN103598885A (en)*2013-11-192014-02-26上海交通大学Combined surface myoelectricity and near infrared spectrum acquiring device
CN103654749A (en)*2012-09-102014-03-26成都默一科技有限公司Multifunctional electronic sphygmomanometer based on photoelectric detection pulse waves
CN104224143A (en)*2014-09-282014-12-24成都金海鼎盛科技有限公司Ultralow-power-consumption PPG (Photo Plethysmo Graphy) signal acqusition circuit and acqusition method
CN104662584A (en)*2012-09-212015-05-27皇家飞利浦有限公司Motion robust vital signal monitoring
CN105138482A (en)*2014-06-092015-12-09上海微创生命科技有限公司Data conversion circuit
CN105411606A (en)*2016-01-082016-03-23赵晓玲Medical blood oxygen saturation measurement system
CN106330105A (en)*2016-08-162017-01-11重庆湃芯微电子有限公司 High linear dynamic range photoelectric sensor for blood oxygen detection
CN107179511A (en)*2017-06-162017-09-19龙海特尔福汽车电子研究所有限公司The circuit structure and method of a kind of charging and discharging currents detection
CN109512403A (en)*2018-11-052019-03-26北京招通致晟科技有限公司A kind of finger tip photoplethysmographic detection method, equipment and system
CN116269449A (en)*2023-03-022023-06-23中国人民解放军东部战区总医院Gluteus medius remote evaluation system

Citations (4)

* Cited by examiner, † Cited by third party
Publication numberPriority datePublication dateAssigneeTitle
CN101784230A (en)*2007-08-242010-07-21皇家飞利浦电子股份有限公司System and method for displaying anonymously annotated physical exercise data
CN201612605U (en)*2009-11-302010-10-27柯传奎Embedded intelligent health monitoring system based on wireless sensor network
CN101933798A (en)*2009-06-292011-01-05周常安Wireless physiological detection system for multiple sleep
CN202355412U (en)*2011-09-012012-08-01东南大学Remote measurement module for related physiological information in rehabilitation trainning process

Patent Citations (4)

* Cited by examiner, † Cited by third party
Publication numberPriority datePublication dateAssigneeTitle
CN101784230A (en)*2007-08-242010-07-21皇家飞利浦电子股份有限公司System and method for displaying anonymously annotated physical exercise data
CN101933798A (en)*2009-06-292011-01-05周常安Wireless physiological detection system for multiple sleep
CN201612605U (en)*2009-11-302010-10-27柯传奎Embedded intelligent health monitoring system based on wireless sensor network
CN202355412U (en)*2011-09-012012-08-01东南大学Remote measurement module for related physiological information in rehabilitation trainning process

Cited By (17)

* Cited by examiner, † Cited by third party
Publication numberPriority datePublication dateAssigneeTitle
CN102657527A (en)*2012-05-152012-09-12北京大学Electromyographic signal acquisition equipment and identification method for identifying motion of ankle joint in real time
CN102657527B (en)*2012-05-152014-03-12北京大学Electromyographic signal acquisition equipment and identification method for identifying motion of ankle joint in real time
CN103418084A (en)*2012-05-252013-12-04上海得高实业有限公司Wireless electromyographic feedback type electrical simulation instrument
CN103654749A (en)*2012-09-102014-03-26成都默一科技有限公司Multifunctional electronic sphygmomanometer based on photoelectric detection pulse waves
CN104662584A (en)*2012-09-212015-05-27皇家飞利浦有限公司Motion robust vital signal monitoring
CN102908151A (en)*2012-11-052013-02-06北京超思电子技术股份有限公司Blood oxygen measuring instrument capable of measuring body temperature
CN103598885B (en)*2013-11-192015-10-14上海交通大学A kind of surface myoelectric and near infrared spectrum Collect jointly device
CN103598885A (en)*2013-11-192014-02-26上海交通大学Combined surface myoelectricity and near infrared spectrum acquiring device
CN105138482A (en)*2014-06-092015-12-09上海微创生命科技有限公司Data conversion circuit
CN104224143A (en)*2014-09-282014-12-24成都金海鼎盛科技有限公司Ultralow-power-consumption PPG (Photo Plethysmo Graphy) signal acqusition circuit and acqusition method
CN105411606A (en)*2016-01-082016-03-23赵晓玲Medical blood oxygen saturation measurement system
CN106330105A (en)*2016-08-162017-01-11重庆湃芯微电子有限公司 High linear dynamic range photoelectric sensor for blood oxygen detection
CN106330105B (en)*2016-08-162019-04-30重庆湃芯微电子有限公司 High linear dynamic range photoelectric sensor for blood oxygen detection
CN107179511A (en)*2017-06-162017-09-19龙海特尔福汽车电子研究所有限公司The circuit structure and method of a kind of charging and discharging currents detection
CN109512403A (en)*2018-11-052019-03-26北京招通致晟科技有限公司A kind of finger tip photoplethysmographic detection method, equipment and system
CN109512403B (en)*2018-11-052021-11-26北京招通致晟科技有限公司Finger tip photoelectric volume pulse wave detection method, device and system
CN116269449A (en)*2023-03-022023-06-23中国人民解放军东部战区总医院Gluteus medius remote evaluation system

Similar Documents

PublicationPublication DateTitle
CN102440774A (en)Remote measurement module for related physiological information in rehabilitation training process
CN202355412U (en)Remote measurement module for related physiological information in rehabilitation trainning process
CN202408871U (en)Human life indication monitoring system based on wireless mobile terminal
CN101536900B (en) Method and system for constructing modular medical instrument based on USB HUB
CN202699116U (en)Human body physiological parameter detection device for mobile phone protection sleeve
Sarker et al.Portable multipurpose bio-signal acquisition and wireless streaming device for wearables
CN201324241Y (en)Remote wireless network physical multi-parameter monitor
CN102551689A (en)Human vital sign monitoring system based on wireless mobile terminal
CN102415878A (en)Life physical sign monitoring device
CN206007243U (en)A kind of ECG detection device
CN209712905U (en) Portable Multimodal Physiological Signal Monitoring System for Home Sleep Monitoring
WO2022150665A1 (en)Systems and methods for a personal medical monitoring device
CN202235386U (en)Device for monitoring blood oxygen saturation
CN101816554A (en)Handheld wireless health monitor
CN201879675U (en)Hand-holding wireless health monitor
CN101810472A (en)Multi-parameter remote physiological cordless monitor
CN209433374U (en)A kind of mouse monitoring human health information
Naima et al.The berkeley tricorder: Ambulatory health monitoring
CN204379284U (en)Upper limb tremor recording equipment between a kind of sleep period
CN103268717A (en) A remote teaching system based on biosignal
CN1273079C (en)Cardiovascular function detecting device and method with blood pressure measurement
CN117158986A (en)Portable health monitoring system
CN202505346U (en)Wireless electrocardio monitoring system
CN204394498U (en)A kind of wearable monitor
CN201855261U (en)Remote physiological multi-parameter wireless monitor

Legal Events

DateCodeTitleDescription
C06Publication
PB01Publication
C10Entry into substantive examination
SE01Entry into force of request for substantive examination
C12Rejection of a patent application after its publication
RJ01Rejection of invention patent application after publication

Application publication date:20120509


[8]ページ先頭

©2009-2025 Movatter.jp