








技术领域technical field
本发明涉及电动汽车领域,尤其涉及一种利用地面及车载磁导材料构成的磁路、高频交变磁场给电动汽车在行驶中提供电力的装置。The invention relates to the field of electric vehicles, in particular to a device for supplying electric power to an electric vehicle during driving by utilizing a magnetic circuit formed by ground and vehicle-mounted magnetic permeability materials and a high-frequency alternating magnetic field.
背景技术Background technique
目前,新能源在世界各地都得到了广泛的重视,新能源应用的一个重要场合就是电动汽车,电动汽车使用电能而非汽油,本身不排放污染大气的有害气体,电能则可来源于光能、风能、潮汐、地热等多种清洁能源,并且电能相对燃料油来说价格更为低廉,所以电动汽车具有广阔的发展前景。但是蓄电池技术制约了电动汽车的发展,现有蓄电池有成本高(如果采取换电模式成本更加高昂)、续航能力差、快速充电显著影响电池寿命等问题。这些问题仍在研究之中,尚未得到很好的解决。而且在短期内也难以取得突破性的进展。为此,多个大学和科研机构试图实现让电动汽车在行驶中获得电力。其中Auckland大学起步最早,他们在上世纪90年代就已经开始这方面的研究,如图1所示,他们的主要方法是在地面下铺设两根电缆,电缆上通过高频(10kHz以上)大电流,这样在电缆周围就会产生交变磁场。需要取用动力的车辆则通过E型的pick-up(耦合线圈)将两根电缆嵌入,从而在pick-up的线圈上感生出电力。这种方法的主要缺点是,由于初级线圈只有一匝,所以电流需要很大,此外,对车辆行驶要求比较高,车辆一旦偏离电缆,得到的功率就会迅速下降。若使用在地面上同时铺设多相导线的方法来扩大车辆的横向活动范围,还会带来相间互相干扰等新问题。At present, new energy has received extensive attention all over the world. An important occasion for the application of new energy is electric vehicles. Electric vehicles use electric energy instead of gasoline, and do not emit harmful gases that pollute the atmosphere. Electric energy can come from light energy, Wind energy, tidal, geothermal and other clean energy sources, and the price of electric energy is lower than that of fuel oil, so electric vehicles have broad development prospects. However, battery technology has restricted the development of electric vehicles. Existing batteries have problems such as high cost (if the battery replacement mode is used, the cost will be even higher), poor battery life, and fast charging will significantly affect battery life. These issues are still under study and have not been well resolved. Moreover, it is difficult to make breakthrough progress in the short term. For this reason, a number of universities and scientific research institutions are trying to realize that electric vehicles can obtain electricity while driving. Among them, the University of Auckland started the earliest. They have already started research in this area in the 1990s. As shown in Figure 1, their main method is to lay two cables under the ground, and pass high-frequency (above 10kHz) large currents on the cables. , so that an alternating magnetic field is generated around the cable. Vehicles that need to take power embed two cables through the E-type pick-up (coupling coil), so as to induce power on the pick-up coil. The main disadvantage of this method is that since the primary coil has only one turn, the current needs to be very large. In addition, the requirements for driving the vehicle are relatively high. Once the vehicle deviates from the cable, the power obtained will drop rapidly. If the method of laying multi-phase wires on the ground simultaneously is used to expand the lateral range of movement of the vehicle, it will also bring new problems such as mutual interference between phases.
发明内容Contents of the invention
本发明的目的是提供一种通过高频交变磁场给电动汽车在行驶中提供电力的装置,能够解决仅使用车载蓄电池的诸多问题。The object of the present invention is to provide a device for supplying electric power to an electric vehicle during running through a high-frequency alternating magnetic field, which can solve many problems of only using a vehicle storage battery.
本发明采用下述技术方案:一种通过高频交变磁场给电动汽车在行驶中提供电力的装置,其特征在于:包括由磁导材料组成的铺设在地面上的导轨,用于使汽车行驶在导轨上;The present invention adopts the following technical solutions: a device for providing electric power to an electric vehicle during driving through a high-frequency alternating magnetic field, which is characterized in that it includes a guide rail made of magnetically permeable materials laid on the ground for driving the vehicle on the rails;
地面电路及变压器初级线圈,地面电路埋于地下,其输入端与电网连接,输出端与变压器初级线圈连接,用于将电网的市电变换为高频交流电;变压器初级线圈设置在导轨上,变压器初级线圈和导轨将高频交流电变换为导轨上的与电动汽车前进方向垂直的高频交变磁场;The ground circuit and the primary coil of the transformer, the ground circuit is buried underground, its input end is connected to the grid, and its output end is connected to the primary coil of the transformer, which is used to convert the mains power of the grid into high-frequency alternating current; the primary coil of the transformer is set on the guide rail, and the transformer The primary coil and the guide rail transform the high-frequency alternating current into a high-frequency alternating magnetic field on the guide rail perpendicular to the forward direction of the electric vehicle;
设置在电动汽车上的磁导材料,用于和地面导轨构成磁路,以接收导轨上的高频交变磁场的能量;The magnetically permeable material set on the electric vehicle is used to form a magnetic circuit with the ground guide rail to receive the energy of the high-frequency alternating magnetic field on the guide rail;
变压器次级线圈和车载电路,变压器次级线圈设置在电动汽车上的磁导材料上;变压器次级线圈与车载电路的输入端连接,车载电路的输出端与电动汽车的电源供电端连接,用于将接收的高频交变磁场的能量变换为电能传输给电动汽车进行供电。The secondary coil of the transformer and the vehicle-mounted circuit, the secondary coil of the transformer is set on the magnetic permeability material on the electric vehicle; the secondary coil of the transformer is connected with the input end of the vehicle-mounted circuit, and the output terminal of the vehicle-mounted circuit is connected with the power supply terminal of the electric vehicle. It is used to transform the energy of the received high-frequency alternating magnetic field into electrical energy and transmit it to electric vehicles for power supply.
所述的电动汽车上的磁导材料包括水平部分和竖直部分,水平部分固定安装在汽车前轴或后轴下面,竖直部分固定安装在车轮内侧。The magnetic permeable material on the electric vehicle includes a horizontal part and a vertical part, the horizontal part is fixedly installed under the front axle or the rear axle of the car, and the vertical part is fixedly installed on the inner side of the wheel.
所述的电动汽车上的磁导材料包括水平部分和竖直部分,水平部分安装在汽车前轴或后轴外,竖直部分安装在车轮外侧或内侧或车轮内外两侧。The magnetic permeable material on the electric vehicle includes a horizontal part and a vertical part, the horizontal part is installed outside the front axle or the rear axle of the car, and the vertical part is installed on the outside or inside of the wheel or both inside and outside of the wheel.
所述的磁导材料的竖直部分采用分片的铰链式安装结构。The vertical part of the magnetic permeability material adopts a hinged installation structure of pieces.
所述的磁导材料的竖直部分采用硬质磁导材料,硬质磁导材料靠近地面的端部采用导磁橡胶。The vertical part of the magnetic permeable material is made of hard magnetic permeable material, and the end of the hard magnetic permeable material close to the ground is made of magnetically permeable rubber.
所述的导轨分段铺设在地面上,所述地面电路的输出端分别通过电子开关与各段导轨上的变压器初级线圈连接。The guide rails are laid on the ground in sections, and the output ends of the ground circuits are respectively connected to the primary coils of the transformers on the guide rails in each section through electronic switches.
所述导轨的铺设宽度使汽车左右偏离时电动汽车上的磁导材料跨在导轨的两个磁极上。The laying width of the guide rail makes the magnetic permeable material on the electric vehicle straddle the two magnetic poles of the guide rail when the vehicle deviates left and right.
所述的地面电路包括第一整流桥、电容、IGBT构成的H桥,整流桥的输入端与电网连接,输出端连接电容,电容的两端与H桥的输入端连接,H桥的输出端与变压器初级线圈连接;所述的车载电路包括第二整流桥、滤波电容,第二整流桥的输入端与变压器次级线圈连接,第二整流桥的输出端连接滤波电容,滤波电容的两端为车载电路的输出端。The ground circuit includes a first rectifier bridge, a capacitor, and an H bridge composed of IGBTs. The input end of the rectifier bridge is connected to the power grid, and the output end is connected to the capacitor. The two ends of the capacitor are connected to the input end of the H bridge, and the output end of the H bridge It is connected with the primary coil of the transformer; the vehicle-mounted circuit includes a second rectifier bridge and a filter capacitor, the input end of the second rectifier bridge is connected with the secondary coil of the transformer, the output end of the second rectifier bridge is connected with a filter capacitor, and the two ends of the filter capacitor It is the output terminal of the vehicle circuit.
所述的地面电路与变压器初级线圈之间还连接有电容补偿电路,用于补偿磁路的漏感;所述的车载电路与变压器次级线圈之间还连接有电容补偿电路,用于补偿磁路的漏感。A capacitance compensation circuit is also connected between the ground circuit and the primary coil of the transformer for compensating the leakage inductance of the magnetic circuit; a capacitance compensation circuit is also connected between the vehicle-mounted circuit and the secondary coil of the transformer for compensating the magnetic circuit. road leakage.
所述的车载电路的输出端还与蓄电池的电源输入端连接,所述车载电路的输出端和蓄电池的输出端通过切换电路与电动汽车的电源供电端连接。 The output terminal of the vehicle-mounted circuit is also connected to the power input terminal of the battery, and the output terminal of the vehicle-mounted circuit and the output terminal of the battery are connected to the power supply terminal of the electric vehicle through a switching circuit. the
本发明通过在路面上铺设由磁导材料组成的导轨、在电动汽车上设置磁导材料来构成松散耦合的高频变压器磁路,由磁路和变压器初级线圈、次级线圈产生的高频交变磁场转换为电能可以给电动汽车在行驶中提供电力。汽车在导轨上行驶时即可获得电力,只有在驶入未铺导轨的地段才需要使用车载电池,这将大大减少车载电池的容量、成本和充电时间。和Auckland大学的方法比较,本发明的初级使用多匝线圈和磁芯,这样磁场强度会大的多,同时导轨在道路上有一定宽度分布,所以即使汽车偏离一些,也不会过度影响能量传递;另外,次级不是使用单独的pick-up,而是通过汽车上的磁导材料来接收能量,这样可以减少初级与次级间的空气间隙,改进能量传递效果,还具有更好的通过障碍的性能。并且多段导轨均由同一个地面电路为其供电,节约能量;轮胎磁导材料底部的导磁橡胶能够尽量减少与地面导轨间的距离,确保了能够获取尽可能多的能量,传递效率高。In the present invention, a loosely coupled high-frequency transformer magnetic circuit is formed by laying guide rails composed of magnetically permeable materials on the road surface and setting magnetically permeable materials on electric vehicles. Converting the variable magnetic field into electrical energy can provide electric power for electric vehicles while driving. The car can get electricity when it is driving on the guide rails, and only when driving into the unpaved section does it need to use the on-board battery, which will greatly reduce the capacity, cost and charging time of the on-board battery. Compared with the method of the University of Auckland, the primary of the present invention uses multi-turn coils and magnetic cores, so that the magnetic field strength will be much larger. At the same time, the guide rail has a certain width distribution on the road, so even if the car deviates a little, it will not excessively affect the energy transfer. ;In addition, the secondary does not use a separate pick-up, but receives energy through the magnetic permeability material on the car, which can reduce the air gap between the primary and secondary, improve the energy transfer effect, and have a better pass through obstacles performance. And the multi-section guide rails are powered by the same ground circuit to save energy; the magnetic rubber at the bottom of the tire magnetic material can minimize the distance from the ground guide rails, ensuring that as much energy as possible can be obtained and the transmission efficiency is high.
附图说明Description of drawings
图1为现有技术结构示意图;Fig. 1 is a schematic structural diagram of the prior art;
图2为本发明中地面电路与变压器初级线圈的连接图;Fig. 2 is the connection diagram of ground circuit and transformer primary coil among the present invention;
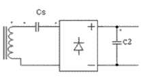
图3是车载电路的电路原理图;Fig. 3 is the circuit principle diagram of vehicle-mounted circuit;
图4是地面导轨多段共同供电的原理示意图;Figure 4 is a schematic diagram of the principle of common power supply for multiple sections of the ground guide rail;
图5是实施例一中电动汽车的磁导材料的安装示意图;Fig. 5 is the schematic diagram of the installation of the magnetic permeability material of the electric vehicle in the first embodiment;
图6是实施例一中磁导材料的结构示意图;Fig. 6 is a schematic structural view of the magnetically permeable material in Embodiment 1;
图7是实施例二中电动汽车的磁导材料的安装示意图Fig. 7 is the schematic diagram of the installation of the magnetic permeability material of the electric vehicle in the second embodiment
图8是实施例二中磁导材料的结构示意图。Fig. 8 is a schematic diagram of the structure of the magnetically permeable material in the second embodiment.
图9是实施例二中磁导材料分片铰链式安装的示意图;Fig. 9 is a schematic diagram of hinged installation of magnetically permeable material pieces in
图10是图9的左视图;Fig. 10 is the left view of Fig. 9;
图11是实施例二中车轮上的磁导材料向两边分开的结构示意图。Fig. 11 is a schematic diagram of the structure in which the magnetic permeable material on the wheel is separated to two sides in the second embodiment.
具体实施方式Detailed ways
如图2、图3所示,本发明包括磁导材料组成的导轨1,铺设在地面上,用于使电动汽车行驶在导轨上;地面电路及变压器初级线圈2,变压器初级线圈2设置在导轨1上,地面电路埋于地下;设置在电动汽车上的磁导材料,来接收导轨上的高频交变磁场的能量;变压器次级线圈和车载电路,变压器次级线圈设置在电动汽车上的磁导材料上,变压器次级线圈与车载电路的输入端连接,车载电路的输出端与电动汽车的电源供电端连接,变压器次级线圈与车载电路用于将导轨上的高频交变磁场的能量变换为电能传输给电动汽车进行供电。As shown in Fig. 2 and Fig. 3, the present invention includes a guide rail 1 composed of a magnetically permeable material, which is laid on the ground and is used to drive an electric vehicle on the guide rail; the ground circuit and the transformer
所述的磁导材料可以为铁氧体、非晶合金或坡莫合金等,如图2所示,地面电路包括整流桥、电容C1、IGBT构成的H桥。整流桥的输入端与电网连接,输出端连接电容C1,电容C1的两端与H桥的输入端连接,H桥的输出端通过电容Cp构成的电容补偿电路与变压器初级线圈连接,地面电路将市电转换为频率为20~40kHz或者更高频率的交流电,地面电路和变压器初级线圈用于将电网的电力变换为导轨上的与电动汽车前进方向垂直分布的高频交变磁场,电容补偿电路用于补偿磁路的漏感。实现时,首先按照需要功率数值计算得到变压器一次侧电流有效值(设为I)。然后采用滞环控制技术,滞环带取为h,当电流有效值低于(I-h)时,使一次侧电流正半周期IGBT开关管S1、S4导通,负半周期S2、S3导通,向电路施加产生方波电压脉冲,向二次侧传递能量。当电流大于(I+h)时,两个下桥臂IGBT开关管S3、S4导通,S1、S2关断,一次侧漏感Lp与补偿电容Cp串联谐振,继续向二次侧传递能量。这种做法,可以在不依赖次级电路反馈的情况下保证电路的正确谐振。除此之外,地面电路也可以采取其他形式,例如PWM变换,全桥/半桥电路或ZVS软开关、谐振变换器等,只要把市电频率转换成高频交流电即可。The magnetic permeability material can be ferrite, amorphous alloy or permalloy, etc. As shown in FIG. 2 , the ground circuit includes a rectifier bridge, a capacitor C1, and an H-bridge composed of IGBTs. The input end of the rectifier bridge is connected to the power grid, the output end is connected to capacitor C1, the two ends of capacitor C1 are connected to the input end of the H bridge, the output end of the H bridge is connected to the primary coil of the transformer through the capacitance compensation circuit formed by the capacitor Cp , and the ground circuit Convert the mains power into alternating current with a frequency of 20-40kHz or higher. The ground circuit and the primary coil of the transformer are used to convert the power of the grid into a high-frequency alternating magnetic field on the guide rail perpendicular to the direction of the electric vehicle. Capacitance compensation The circuit is used to compensate the leakage inductance of the magnetic circuit. When it is realized, first calculate the effective value of the primary side current of the transformer according to the required power value (set as I). Then adopt the hysteresis control technology, the hysteresis band is taken as h, when the effective value of the current is lower than (Ih), the IGBT switch tubes S1 and S4 of the positive half cycle of the primary side current are turned on, and the negative half cycle S2 , S3 conduction, apply a square wave voltage pulse to the circuit, and transfer energy to the secondary side. When the current is greater than (I+h), the two lower bridge arm IGBT switch tubes S3 and S4 are turned on, S1 and S2 are turned off, the primary side leakage inductance Lp and the compensation capacitor Cp resonate in series, and continue to The secondary side transfers energy. In this way, the correct resonance of the circuit can be guaranteed without relying on the feedback of the secondary circuit. In addition, the ground circuit can also take other forms, such as PWM conversion, full-bridge/half-bridge circuit or ZVS soft switch, resonant converter, etc., as long as the mains frequency is converted into high-frequency AC.
如图3所示,车载电路包括补偿电容Cs、整流桥,变压器次级线圈通过补偿电容Cs与整流桥的输入端连接,整流桥的输出端连接滤波电容C2,滤波电容C2的两端与电动汽车的电源供电端和蓄电池的电源输入端连接,补偿电容Cs用于补偿磁路的漏感。所述车载电路的输出端和蓄电池的输出端通过切换电路与电动汽车的电源供电端连接,当电动汽车行驶在有导轨的道路上时,由车载电路向电动汽车供电,如果有剩余给蓄电池充电,当电动汽车行驶在没有导轨的道路上时,则通过切换电路转为蓄电池供电,切换电路的实现为成熟的现有技术,不再赘述。As shown in Figure 3, the vehicle circuit includes a compensation capacitor Cs and a rectifier bridge. The secondary coil of the transformer is connected to the input terminal of the rectifier bridge through the compensation capacitor Cs . The output terminal of the rectifier bridge is connected to the filter capacitor C2, and the two ends of the filter capacitor C2 It is connected with the power supply end of the electric vehicle and the power input end of the battery, and the compensation capacitor Cs is used to compensate the leakage inductance of the magnetic circuit. The output terminal of the vehicle-mounted circuit and the output terminal of the battery are connected to the power supply terminal of the electric vehicle through a switching circuit. When the electric vehicle is driving on a road with guide rails, the vehicle-mounted circuit supplies power to the electric vehicle. , when the electric vehicle is running on a road without guide rails, it will be powered by the battery through the switching circuit, and the realization of the switching circuit is a mature prior art, so it will not be repeated.
如图4所示,如果导轨1在前进方向上延伸太远,则磁路太长,需要磁动势过高,所以导轨1分段铺设在地面上,地面电路的输出端分别通过电子开关3与多段导轨上的变压器初级线圈2连接,若干分段共由一个地面电路供电,而按照车轮前进位置依次让若干电子开关导通,来分别给不同的分段供电,而让电子开关导通的技术为成熟的现有技术,在此不再赘述。As shown in Figure 4, if the guide rail 1 extends too far in the forward direction, the magnetic circuit is too long and the magnetomotive force is too high, so the guide rail 1 is laid on the ground in sections, and the output terminals of the ground circuit are respectively passed through the
实施例一:如图5、图6所示,电动汽车上的磁导材料包括水平部分4和竖直部分5,水平部分4固定安装在汽车前轴或后轴下面,竖直部分5固定在车身下方车轮内侧,所述的变压器次级线圈设置在磁导材料的水平部分4上。这种磁导材料结构对车身构造改动小,但是和地面间气隙较大。在铺设地面导轨时,应使用合适的导轨形状,形状应在横向具有相当宽度,但两个磁极间仍需留有足够的间隙,该形状缺口宽度约为60cm,两个磁极宽度则为80cm左右,这样即使轮胎在导轨上有横向±40cm的偏离,也能保证车身上的磁导材料跨在不同的磁极上,保证能量传递。Embodiment 1: As shown in Figure 5 and Figure 6, the magnetic permeability material on the electric vehicle includes a
实施例二:如图7、图8所示,电动汽车上的磁导材料包括水平部分4和竖直部分5,水平部分4安装在汽车前轴或后轴外,构成一个磁导材料组成的套管,套管可随前轴或后轴转动而转动,也可固定在车身上。竖直部分5安装在车轮的外侧或车轮的内外两侧上,可以是在车轮上增加的一个单独的磁导材料层。采取这种安装方式时,地面导轨可以更宽一些,两个磁极间缺口宽度可以达到80cm,两个磁极宽度则可达到100cm左右,这样即使轮胎在导轨上有横向±50cm的偏离,也能保证两边车轮跨在不同的磁极上,保证能量传递。这种安装方式,汽车通过各种障碍的性能更好,而且可以进一步减少车载磁导材料和地面导轨间的气隙,提高初级和次级间的耦合系数。如图9、图10、图11所示,轮胎上的磁导材料还可采用分片的铰链安装结构,这样轮胎变形时磁导材料会向两边分开,可以减少轮胎未压缩时磁导材料与地面导轨间的间隙,还可防止轮胎压缩时磁导材料和地面接触,造成磁导材料的磨损。此外,轮胎外的磁导材料层在靠近地面的端部可采用导磁橡胶,以延伸到接触地面的程度,以获取尽可能多的能量,提高传递效率。Embodiment 2: As shown in Figure 7 and Figure 8, the magnetically permeable material on the electric vehicle includes a
除此之外,实施例一和实施例二中所述的电动汽车上的磁导材料的安装还可以采取其他形式,例如将磁导材料安装在汽车的两边车轮上,只要磁导材料的截面积满足设计功率和磁通量的要求即可。In addition, the installation of the magnetic permeable material on the electric vehicle described in Embodiment 1 and
| Application Number | Priority Date | Filing Date | Title |
|---|---|---|---|
| CN2011102507426ACN102290875B (en) | 2010-08-27 | 2011-08-29 | Device for supplying power to running electric automobile through high-frequency alternating magnetic field |
| Application Number | Priority Date | Filing Date | Title |
|---|---|---|---|
| CN201010264887.7 | 2010-08-27 | ||
| CN201010264887 | 2010-08-27 | ||
| CN2011102507426ACN102290875B (en) | 2010-08-27 | 2011-08-29 | Device for supplying power to running electric automobile through high-frequency alternating magnetic field |
| Publication Number | Publication Date |
|---|---|
| CN102290875A CN102290875A (en) | 2011-12-21 |
| CN102290875Btrue CN102290875B (en) | 2013-12-11 |
| Application Number | Title | Priority Date | Filing Date |
|---|---|---|---|
| CN2011102507426AActiveCN102290875B (en) | 2010-08-27 | 2011-08-29 | Device for supplying power to running electric automobile through high-frequency alternating magnetic field |
| Country | Link |
|---|---|
| CN (1) | CN102290875B (en) |
| Publication number | Priority date | Publication date | Assignee | Title |
|---|---|---|---|---|
| CN102611204B (en)* | 2012-03-07 | 2014-09-03 | 河南省电力公司电力科学研究院 | Electric vehicle wireless power supply device with secondary coil driving device |
| CN103112356A (en)* | 2013-01-28 | 2013-05-22 | 中国民航大学 | Device for improving electric automobile contactless power transfer efficiency |
| CN103701167B (en)* | 2013-12-16 | 2015-12-02 | 江苏大学 | A kind of vehicle based on Special Road is advanced middle wireless charging device |
| CN105337334A (en)* | 2014-08-08 | 2016-02-17 | 刘跃进 | Novel magnetic conductive rubber and magnetic conductive tyre charging system used for charging electric automobile in operation |
| DE102014219842A1 (en) | 2014-09-30 | 2016-03-31 | Siemens Aktiengesellschaft | Method for determining an arrangement of an electric vehicle and arrangement determination unit |
| CN106469944A (en)* | 2015-08-20 | 2017-03-01 | 姚舜 | Electric automobile carriage way non-contact type method of supplying power to |
| CN106026209A (en)* | 2016-08-01 | 2016-10-12 | 安徽贝莱电子科技有限公司 | Non-contact power supply system |
| CN109677283A (en)* | 2018-12-26 | 2019-04-26 | 张治国 | Small-power road driving charging method and system |
| CN112421799B (en)* | 2020-12-07 | 2021-10-15 | 哈尔滨工业大学 | Modular hidden pole power rail for dynamic wireless power supply of mobile devices |
| Publication number | Priority date | Publication date | Assignee | Title |
|---|---|---|---|---|
| EP0715390A1 (en)* | 1994-12-02 | 1996-06-05 | Hughes Aircraft Company | Inductive charger field shaping using nonmagnetic metallic conductors |
| CN1808883A (en)* | 2005-12-29 | 2006-07-26 | 上海交通大学 | Excitation circuit of DC chopped-wave voltage-regulating independently excited DC motor |
| CN1860665A (en)* | 2004-03-19 | 2006-11-08 | 蒂森克鲁伯快速运输有限公司 | Magnetic levitation train provided with a contactless inductive power transmission device for a magnetic levitation vehicle railway |
| Publication number | Priority date | Publication date | Assignee | Title |
|---|---|---|---|---|
| CN1190885C (en)* | 2001-08-07 | 2005-02-23 | 任少康 | Waveform generation method and power conversion device |
| JP4453741B2 (en)* | 2007-10-25 | 2010-04-21 | トヨタ自動車株式会社 | Electric vehicle and vehicle power supply device |
| Publication number | Priority date | Publication date | Assignee | Title |
|---|---|---|---|---|
| EP0715390A1 (en)* | 1994-12-02 | 1996-06-05 | Hughes Aircraft Company | Inductive charger field shaping using nonmagnetic metallic conductors |
| CN1860665A (en)* | 2004-03-19 | 2006-11-08 | 蒂森克鲁伯快速运输有限公司 | Magnetic levitation train provided with a contactless inductive power transmission device for a magnetic levitation vehicle railway |
| CN1808883A (en)* | 2005-12-29 | 2006-07-26 | 上海交通大学 | Excitation circuit of DC chopped-wave voltage-regulating independently excited DC motor |
| Title |
|---|
| JP特开2009-106136A 2009.05.14 |
| Publication number | Publication date |
|---|---|
| CN102290875A (en) | 2011-12-21 |
| Publication | Publication Date | Title |
|---|---|---|
| CN102290875B (en) | Device for supplying power to running electric automobile through high-frequency alternating magnetic field | |
| Liu et al. | Wireless power and drive transfer for piping network | |
| Patil et al. | Wireless power transfer for vehicular applications: Overview and challenges | |
| CN104682580B (en) | A dynamic wireless power supply system for electric vehicles based on parallel connection of multi-level composite resonant structures and a power supply method realized by using the system | |
| CN104753152B (en) | The induction type charging system of constant current constant voltage Compound Topology | |
| CN104716725A (en) | Electric vehicle wireless charging system with metal foreign substance detection | |
| CN104753150B (en) | A kind of electric automobile travelling wireless charging device and its control method | |
| CN102856964A (en) | Three-phase wireless charging system and charging method for electric automobile | |
| CN102157973A (en) | High-power induction charging converter of electric vehicle and control method thereof | |
| CN104810906A (en) | Electric automobile wireless charging system based on intelligent coil arrays | |
| CN104868608B (en) | A kind of onboard wireless electric energy Transmission system of two-way multiple degrees of freedom power adjustments | |
| CN102611204B (en) | Electric vehicle wireless power supply device with secondary coil driving device | |
| Iga et al. | New IPT-wireless EV charger using single-ended quasi-resonant converter with power factor correction | |
| Joseph et al. | Design and simulation of wireless power transfer for electric vehicle | |
| CN103633749B (en) | A kind of resonance type wireless delivery of electrical energy radiating circuit | |
| Kim et al. | Magnetic design of a three-phase wireless power transfer system for EMF reduction | |
| CN105406605A (en) | Capacitive coupling wireless power transfer circuit and control method thereof | |
| CN110962634A (en) | Non-contact auxiliary power supply device and method for maglev train based on high frequency current injection | |
| Yachiangkam et al. | Wireless Golf Cart Charging Development in Thailand | |
| Shi et al. | Design considerations of 10kw wireless charger for EV | |
| Pantic | Inductive power transfer systems for charging of electric vehicles | |
| Ruffo et al. | Theoretical and experimental comparison of two interoperable dynamic wireless power transfer systems for electric vehicles | |
| CN111181227A (en) | Magnetic resonance coupling dynamic wireless charging system for electric automobile | |
| CN206465804U (en) | A kind of wireless charging system for electric automobile | |
| CN109849698A (en) | A kind of five phase wireless charging magnetic couplings applied to rail traffic |
| Date | Code | Title | Description |
|---|---|---|---|
| C06 | Publication | ||
| PB01 | Publication | ||
| C10 | Entry into substantive examination | ||
| SE01 | Entry into force of request for substantive examination | ||
| ASS | Succession or assignment of patent right | Owner name:STATE GRID CORPORATION OF CHINA Effective date:20121107 Owner name:HE'NAN ELECTRIC POWER CORPORATION, ELECTRIC POWER Free format text:FORMER OWNER: HENAN INSTITUTE OF POWER EXPERIMENT Effective date:20121107 | |
| C41 | Transfer of patent application or patent right or utility model | ||
| COR | Change of bibliographic data | Free format text:CORRECT: ADDRESS; FROM: 450008 ZHENGZHOU, HENAN PROVINCE TO: 450052 ZHENGZHOU, HENAN PROVINCE | |
| TA01 | Transfer of patent application right | Effective date of registration:20121107 Address after:450052 Songshan South Road, Henan, No. 85, No. Applicant after:HENAN ELECTRIC POWER CORPORATION ELECTRIC POWER SCIENCE Research Institute Applicant after:State Grid Corporation of China Address before:450008 Songshan South Road, Henan, No. 85, No. Applicant before:HENAN ELECTRIC POWER Research Institute | |
| C14 | Grant of patent or utility model | ||
| GR01 | Patent grant | ||
| ASS | Succession or assignment of patent right | Owner name:ELECTRIC POWER RESEARCH INSTITUTE, STATE GRID HENA Free format text:FORMER OWNER: STATE GRID CORPORATION OF CHINA Effective date:20141126 Owner name:STATE GRID CORPORATION OF CHINA Free format text:FORMER OWNER: ELECTRIC POWER RESEARCH INSTITUTE, STATE GRID HENAN ELECTRIC POWER COMPANY Effective date:20141126 | |
| C41 | Transfer of patent application or patent right or utility model | ||
| C56 | Change in the name or address of the patentee | Owner name:ELECTRIC POWER RESEARCH INSTITUTE, STATE GRID HENA Free format text:FORMER NAME: HE'NAN ELECTRIC POWER CORPORATION, ELECTRIC POWER RESEARCH INSTITUTE | |
| COR | Change of bibliographic data | Free format text:CORRECT: ADDRESS; FROM: 450052 ZHENGZHOU, HENAN PROVINCE TO: 100031 XICHENG, BEIJING | |
| CP03 | Change of name, title or address | Address after:450052 Songshan, Zhengzhou, Henan District No. 27 South Road, No. 85 Patentee after:STATE GRID HENAN ELECTRIC POWER CORPORATION ELECTRIC POWER SCIENCE Research Institute Patentee after:State Grid Corporation of China Address before:450052 Songshan South Road, Henan, No. 85, No. Patentee before:Henan Electric Power Corporation Electric Power Science Research Institute Patentee before:State Grid Corporation of China | |
| TR01 | Transfer of patent right | Effective date of registration:20141126 Address after:100031 Xicheng District West Chang'an Avenue, No. 86, Beijing Patentee after:State Grid Corporation of China Patentee after:STATE GRID HENAN ELECTRIC POWER CORPORATION ELECTRIC POWER SCIENCE Research Institute Patentee after:XJ Group Corp. Address before:450052 Songshan, Zhengzhou, Henan District No. 27 South Road, No. 85 Patentee before:STATE GRID HENAN ELECTRIC POWER CORPORATION ELECTRIC POWER SCIENCE Research Institute Patentee before:State Grid Corporation of China | |
| C41 | Transfer of patent application or patent right or utility model | ||
| TR01 | Transfer of patent right | Effective date of registration:20161213 Address after:450052 Songshan, Zhengzhou, Henan District No. 27 South Road, No. 85 Patentee after:STATE GRID HENAN ELECTRIC POWER CORPORATION ELECTRIC POWER SCIENCE Research Institute Patentee after:XJ Group Corp. Patentee after:HENAN ENPAI HIGH-TECH GROUP Co.,Ltd. Patentee after:State Grid Corporation of China Address before:100031 Xicheng District West Chang'an Avenue, No. 86, Beijing Patentee before:State Grid Corporation of China Patentee before:STATE GRID HENAN ELECTRIC POWER CORPORATION ELECTRIC POWER SCIENCE Research Institute Patentee before:XJ Group Corp. |