Movatterモバイル変換


[0]ホーム

URL:


CN102092352A - Inertia measuring unit for motor vehicles as well as control method thereof - Google Patents

Inertia measuring unit for motor vehicles as well as control method thereof
Download PDF

Info

Publication number
CN102092352A
CN102092352ACN 201010590815CN201010590815ACN102092352ACN 102092352 ACN102092352 ACN 102092352ACN 201010590815CN201010590815CN 201010590815CN 201010590815 ACN201010590815 ACN 201010590815ACN 102092352 ACN102092352 ACN 102092352A
Authority
CN
China
Prior art keywords
module
sensor
controller module
main controller
main
Prior art date
Legal status (The legal status is an assumption and is not a legal conclusion. Google has not performed a legal analysis and makes no representation as to the accuracy of the status listed.)
Granted
Application number
CN 201010590815
Other languages
Chinese (zh)
Other versions
CN102092352B (en
Inventor
朱明�
Current Assignee (The listed assignees may be inaccurate. Google has not performed a legal analysis and makes no representation or warranty as to the accuracy of the list.)
Wuhu Bethel Electronic Control Systems Co Ltd
Original Assignee
Wuhu Bethel Electronic Control Systems Co Ltd
Priority date (The priority date is an assumption and is not a legal conclusion. Google has not performed a legal analysis and makes no representation as to the accuracy of the date listed.)
Filing date
Publication date
Application filed by Wuhu Bethel Electronic Control Systems Co LtdfiledCriticalWuhu Bethel Electronic Control Systems Co Ltd
Priority to CN 201010590815priorityCriticalpatent/CN102092352B/en
Publication of CN102092352ApublicationCriticalpatent/CN102092352A/en
Application grantedgrantedCritical
Publication of CN102092352BpublicationCriticalpatent/CN102092352B/en
Activelegal-statusCriticalCurrent
Anticipated expirationlegal-statusCritical

Links

Images

Landscapes

Abstract

The invention discloses an inertia measuring unit for motor vehicles, which comprises a storage battery, a main power module, a main controller module, a CAN (controller area network) communication module, a storage module, a sensor power module, a sensor controller module and an MEMS (micro electro mechanical system) sensor, wherein the main power module is connected with the storage battery so as to supply power for the CAN communication module, the storage module and the main controller module, the sensor power module is connected with the storage battery so as to supply power for the sensor controller module, the main controller module is connected with the main power module, the sensor power module, the sensor controller module, the storage module and the CAN communication module and carries out control and communication, and the MEMS sensor is connected with the sensor controller module and transmits signals. Because the modules of the inertia measuring unit disclosed by the invention are relatively independent, the integral performance of the inertia measuring unit is more reliable, and the upgrading of an independent module does not affect the operation of other modules, thereby ensuring the application reliability of motor vehicles.

Description

A kind of ineitial measurement unit and control method thereof that is applied to self-propelled vehicle
Technical field
The invention belongs to the self-propelled vehicle technical field of sensor manufacture, specifically, relate to a kind of ineitial measurement unit and control method thereof that is applied to self-propelled vehicle.
Background technology
In the self-propelled vehicle technical field of sensor manufacture, ineitial measurement unit is widely used in the various vehicles, as an important ancillary system on the self-propelled vehicle, the longitudinal acceleration of providing is provided for it, the effect of transverse acceleration and yaw angle acceleration/accel, longitudinal acceleration and transverse acceleration can the horizontal vertical acceleration/accel of machines motor-car size and self-propelled vehicle angle of inclination, yaw-rate sensor detects the deflection of automobile along vertical axis, the size of this deflection is represented the degree of stability of automobile, if yaw rate reaches a threshold value, illustrate that the dangerous operating mode of sliding or whipping will take place to survey automobile.
At present, be applied to the ineitial measurement unit that ineitial measurement unit on the self-propelled vehicle mostly is conventional confguration greatly, the price height, volume is big, and when carrying out the inertia measurement, the value of output is an analog signal, rather than digital signal, need carry out signal conditioning to this analog signal by other electronic control units and become digital signal, and all there is certain hidden danger in the ineitial measurement unit of conventional confguration at aspects such as precision and processing technologys, be in particular in:
1, because the processing technology of the ineitial measurement unit of conventional confguration requires height, caused the cost height, volume is big, adopts the ineitial measurement unit of the not high conventional confguration of reliability, has certain potential safety hazard.
2, adopt the ineitial measurement unit of conventional confguration, in the process of self-propelled vehicle motion,, may cause automobile electron stabilization control system to be judged and make mistakes, influence automobile electron stabilization control system control effect, have certain potential safety hazard because precision is not enough.
Summary of the invention
The technical problem to be solved in the present invention be realize that a kind of volume is little, integrated level is high, accurately reliable and have a self-propelled vehicle ineitial measurement unit of self-checking function.
To achieve these goals, the technical solution used in the present invention is: a kind of ineitial measurement unit that is applied to self-propelled vehicle, this ineitial measurement unit comprises: storage battery, main power source module, main controller module, the CAN communication module, memory module, the sensor electrical source module, sensor controller module and MEMS sensor, described main power source module is connected to CAN communication module with storage battery, memory module and main controller module power supply, described sensor electrical source module is connected with storage battery to the sensor controller module for power supply, described main controller module and main power source module, the sensor electrical source module, the sensor controller module, memory module is connected with the CAN communication module and controls and communicate by letter, and described MEMS sensor is connected with the sensor controller module and transmits signal.
Described main power source module is made up of main feed circuit and mains power failure detection module two parts, described main feed circuit are that power supply unit is converted to 5V with storage battery 12V, and described mains power failure detection module detects output voltage values and controls main feed circuit output voltage.
Described mains power failure detection module comprised feedback and protection module, house dog and reseting generator, and it provides current protection, overheat protector and output voltage feedback, and provided house dog and reseting generator function for the main controller module outside.
Described sensor supply module comprises sensor feed circuit and sensor electrical power sense circuit; wherein sensor feed circuit is 5V with storage battery 12V power source conversion; described 5V voltage is passed to sensor controller module and sensor electrical power sense circuit; wherein whether the sensor electrical power sense circuit to detect described 5V voltage normal; also detect and comprise overcurrent protection, overheat protector and output voltage feedback, and provide the reseting generator function for the sensor controller module.
Described MEMS sensor is made of longitudinal acceleration micro-electro-mechanical sensors, transverse acceleration MEMS sensor and yaw velocity micro-electro-mechanical sensors, transmits vehicle lateral acceleration, longitudinal acceleration and yaw velocity signal to the sensor controller module.
Described main controller module mainly is made up of host scm and crystal oscillator, and described crystal oscillator provides sine-shaped frequency signal to host scm, host scm be connected with each module and realize between each module control with communicate by letter.
Described CAN communication module is connected to the automobile electron stabilization control system on the CAN bus, communicates by letter with automobile electron stabilization control system and information of vehicles is provided.
A kind of control method that is applied to the ineitial measurement unit of self-propelled vehicle:
A) probe power supply module and main power source module provide 5V power supply for system;
B) sensor controller module work and whether detect longitudinal acceleration micro-electro-mechanical sensors, transverse acceleration MEMS sensor and yaw velocity micro-electro-mechanical sensors signal normal;
C) if the detecting sensor signal is normal, then main controller module and sensor controller module communication, sensor controller resume module sensing data also sends to main controller module with the data of handling well, by main controller module with sensing data encapsulation and send to automobile electron stabilization control system on the CAN bus, by the state of automobile electron stabilization control system according to vehicle, output parameter to each electronic control unit of automobile is adjusted, thereby realizes the control to vehicle steadily;
D) if the mains power failure detection module detects abnormity of power supply or the software race flies the immediate replacement main controller module, allow main controller module re-power work, be not subjected to abnormity of power supply or software to run the influence that flies;
E), whether determine the reseting sensor controller module by main controller module if the sensor electrical power sense circuit transmits a signal to main controller module after detecting abnormity of power supply at once;
F) if detecting sensor signal mal, then main controller module and sensor controller module communication, the sensor controller module is given main controller module with the sensor fault message feedback, main controller module is confirmed fault, the record trouble sign indicating number is to memory module, simultaneously diagnostic code is sent to automobile electron stabilization control system on the CAN bus, send diagnostic code by automobile electron stabilization control system to vehicle bus, and provide light warning to chaufeur by main controller module.
The invention has the advantages that:
1. circuit of the present invention adopts modular design, and each intermodule is relatively independent, and overall performance is more reliable, and the upgrading of separate modular can not influence the work of other modules.
2. circuit of the present invention adopts two microcontroller designs, guarantees the circuit accuracy of pick-up transducers data each time, thereby guarantees security of system.
3. circuit of the present invention adopts 4 laminate PCB design, uses sticking-element, more compact structure, and the integrated level height, system's miniaturization is easier.
4. considered the requirement of EMI, EMS during circuit layout of the present invention, the EMI of self is not influenced by other electronic control units of vehicle yet to the not influence of other electronic control units of vehicle, guaranteed the reliability that uses on self-propelled vehicle.
5. the present invention has self-diagnostic function and driving engine, the shared failure diagnostic apparatus of change-speed box, by failure diagnostic apparatus automobile electron stabilization control system is read diagnostic code of the present invention, diagnoses.
6. the present invention has CAN bus data transport module, and communicating by letter with automobile electron stabilization control system is difficult for being interfered, and not only data rate is faster, and has the data self-checking function.
Description of drawings
Below the content of each width of cloth accompanying drawing expression of specification sheets of the present invention and the mark among the figure are made brief description:
Fig. 1 is a system architecture scheme drawing of the present invention;
Fig. 2 is a main power source module structural representation of the present invention;
Fig. 3 is a main controller module structural representation of the present invention;
Fig. 4 is a probe power modular construction scheme drawing of the present invention;
Fig. 5 is a CAN communication module structural representation of the present invention;
Wherein: 1, storage battery; 2, main power source module; 3, main controller module; 4, sensor electrical source module; 5, sensor controller module; 6, memory module; 7, CAN communication module; 8, MEMS sensor; 9, feedback and protection module; 10, reseting generator; 11, house dog; 12,5V power supply; 13, driving and protection module; 14, receive conversion; 15, crystal oscillator; 16, host scm; 2-1, main feed circuit; 2-2, mains power failure detection module; 4-1, sensor feed circuit; 4-2, sensor electrical power sense circuit; 8-1, longitudinal acceleration micro-electro-mechanical sensors; 8-2, transverse acceleration MEMS sensor; 8-3 and yaw velocity micro-electro-mechanical sensors.
In the accompanying drawing:
Figure BDA0000038620280000051
Expression storage battery power supply transfer route;
Figure BDA0000038620280000052
The expression main power source is supplied with route;
The expression probe power is supplied with route;
→ expression control signal transfer route.
The specific embodiment
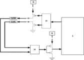
Referring to Fig. 1 is the system construction drawing that is applied to the ineitial measurement unit of self-propelled vehicle, and this ineitial measurement unit comprises:storage battery 1, mainpower source module 2,main controller module 3,CAN communication module 7,memory module 6, sensor electrical source module 4,sensor controller module 5 and MEMS sensor 8.
Mainpower source module 2 is connected withstorage battery 1 respectively with sensor electrical source module 4, mainpower source module 2 is handled behindstorage batterys 1 power supply toCAN communication module 7,memory module 6 andmain controller module 3 power supplies, sensor electrical source module 4 is powered tosensor controller module 5 after handlingstorage battery 1 power supply, describedmain controller module 3 respectively with mainpower source module 2, sensor electrical source module 4,sensor controller module 5,memory module 6 is connected withCAN communication module 7 and controls and communicate by letter, and described MEMS sensor 8 is connected withsensor controller module 5 and transmits signal and givesensor controller module 5.
Whereinstorage battery 1 provides working power for whole ineitial measurement unit system, and the output voltage ofstorage battery 1 is 12V, and when automobile current generator was worked, output voltage was 13.5V.
Referring to Fig. 1,3 as can be known,main controller module 3 is total system core control parts, be connected with each module and realize between each module control with communicate by letter, mainly form by host scm 16 and crystal oscillator 15, described crystal oscillator 15 provides sine-shaped frequency signal to host scm 16, host scm 16 be connected with each module and realize with between control with communicate by letter.
Referring to Fig. 1; 2 as can be known; mainpower source module 2 is made up of main feed circuit 2-1 and mains power failure detection module 2-2 two parts; described main feed circuit 2-1 is a power supply unit with the 12V power source conversion ofstorage battery 1 is that 5V is mains power failure detection module 2-2;CAN communication module 7;memory module 6 andmain controller module 3 power supplies; described mains power failure detection module 2-2 comprised feedback andprotection module 9;house dog 11 andreseting generator 10;storage battery 1 is connected with feedback andprotection module 9 by the base stage of positive-negative-positive aerotron; its collecting electrode is connected withreseting generator 10 withhouse dog 11 and is provided with5V powers 12;reseting generator 10 is tomain controller module 3 incoming signals; feed back tohouse dog 11 byhouse dog 11 execution through handling; mains power failure detection module 2-2 provides current protection specifically; overheat protector and output voltage feedback; and formain controller module 3 outsides provide house dog and reseting generator function, and survey output voltage values and control main feed circuit 2-1 outputvoltage.House dog 11 can prevent program fleet in themain controller module 3, behind program fleet,house dog 11 resets by 10 pairs of host scms 16 of reseting generator, power supply does not have that reseting generator resets to host scm 16 in the stable process in power up, to guarantee that host scm 16 can normally work on power.
Referring to Fig. 1; 4 as can be known; described sensor supply module 4 comprises sensor feed circuit 4-1 and sensor electrical power sense circuit 4-2; wherein sensor feed circuit 4-1 is 5V with the 12V power source conversion ofstorage battery 1; described 5V voltage is passed tosensor controller module 5 and sensor electrical power sense circuit 4-2; wherein sensor electrical power sense circuit 4-2 has feedback andprotection module 9 andreseting generator 10; whether the 5V voltage of its detecting sensor feed circuit 4-1 output is normal; also detect and comprise overcurrent protection; overheat protector and output voltage feedback; and provide the reseting generator function forsensor controller module 5; sensor electrical power sense circuit 4-2 detects accurately control output voltage of output voltage values thus; when outgoing current or temperature surpass certain value; close output transistor; prevent to damage device; and has areseting generator 10; when the power supply detection goes wrong, can send signal to host scm 16, the probe power fault appears in notice host scm 16.
Sensor controller module 5 is whole sensor system core function uniies, is connected with sensor and realizes thatsensor controller module 5 andmain controller module 3 carry out the accuracy that crucial control information is verified in communication to the reading of sensing data.
MEMS sensor 8 is made of longitudinal acceleration MEMS sensor 8-1, transverse acceleration MEMS sensor 8-2, yaw velocity MEMS sensor 8-3, variation, angle change and the self-propelled vehicle of variation, transverse acceleration that longitudinal acceleration is arranged when self-propelled vehicle can and in time pass tosensor controller module 5 according to self-propelled vehicle state output data along the deflection of vertical axis.
Memory module 6 has adopted the electrically erasable programmable internal memory, can be erasable repeatedly 1,000,000 times, and can be with data storage 40 years,memory module 6 is mainly used to store the coded number of ineitial measurement unit self and the diagnostic code ofmain controller module 3 records.
Referring to Fig. 1,5 as can be known,CAN communication module 7 is connected to the automobile electron stabilization control system on the CAN bus, communicates by letter with automobile electron stabilization control system and information of vehicles is provided.The CAN bus adopts differential signal transmission, generally only need two signal wire (SW) CAN-H just can carry out communicating by letter normally at a distance with CAN-L, the Transmission bit rate of CAN bus is 1Mbps to the maximum, under recessive state, recessive waveform CAN-H magnitude of voltage is 2.64V, the CAN-L magnitude of voltage is 2.62V, the input difference voltage of CAN-H and CAN-L is 0.02V, and input common mode voltage is 2.5V, under dominance condition, the CAN-H magnitude of voltage is 3.50V, the CAN-L magnitude of voltage is 1.61V, and the input difference voltage of CAN-H and CAN-L is 1.89V, CANH, CANL difference synthetic waveform, dominance magnitude of voltage 1.90V, recessive magnitude of voltage 0V.
Technical scheme provided by the present invention is a kind of ineitial measurement unit that is applied to self-propelled vehicle, this ineitial measurement unit is MEMS ineitial measurement unit (the English Micro Electronic MechanicalSystem Inertial Measurement Unit of being, be called for short MEMS IMU), ineitial measurement unit is installed on the self-propelled vehicle, open after the ignition key, according to following control method work:
A) probe power supply module 4 and mainpower source module 2 provide 5V power supply for system;
B) whether 5 work of sensor controller module and detection longitudinal acceleration micro-electro-mechanical sensors 8-1, transverse acceleration MEMS sensor 8-2 and yaw velocity micro-electro-mechanical sensors 8-3 signal be normal;
C) if the detecting sensor signal is normal, thenmain controller module 3 is communicated by letter withsensor controller module 5,sensor controller module 5 process sensor data also send tomain controller module 3 with the data of handling well, bymain controller module 3 with sensing data encapsulation and send to automobile electron stabilization control system on the CAN bus, by the state of automobile electron stabilization control system according to vehicle, output parameter to each electronic control unit of automobile is adjusted, thereby realizes the control to vehicle steadily;
D) if mains power failure detection module 2-2 detects abnormity of power supply or the software race flies immediate replacementmain controller module 3, allowmain controller module 3 re-power work, be not subjected to abnormity of power supply or software to run the influence that flies;
E), whether determine resetingsensor controller module 3 bymain controller module 3 if sensor electrical power sense circuit 4-2 transmits a signal tomain controller module 3 after detecting abnormity of power supply at once;
F) if detecting sensor signal mal, thenmain controller module 3 is communicated by letter withsensor controller module 5,sensor controller module 5 is givenmain controller module 3 with the sensor fault message feedback,main controller module 3 is confirmed fault, the record trouble sign indicating number is tomemory module 6, simultaneously diagnostic code is sent to automobile electron stabilization control system on the CAN bus, send diagnostic code by automobile electron stabilization control system to vehicle bus, and provide light warning to chaufeur bymain controller module 3.

Claims (8)

1. ineitial measurement unit that is applied to self-propelled vehicle, it is characterized in that: this ineitial measurement unit comprises: storage battery (1), main power source module (2), main controller module (3), CAN communication module (7), memory module (6), sensor electrical source module (4), sensor controller module (5) and MEMS sensor (8), described main power source module (2) is connected to CAN communication module (7) with storage battery (1), memory module (6) and main controller module (3) power supply, described sensor electrical source module (4) is connected to sensor controller module (5) with storage battery (1) powers, described main controller module (3) and main power source module (2), sensor electrical source module (4), sensor controller module (5), memory module (6) is connected with CAN communication module (7) and controls and communicate by letter, and described MEMS sensor (8) is connected with sensor controller module (5) and transmits the sensor received signal.
2. a kind of ineitial measurement unit that is applied to self-propelled vehicle according to claim 1, it is characterized in that: described main power source module (2) is made up of main feed circuit (2-1) and mains power failure detection module (2-2) two parts, described main feed circuit (2-1) are converted to 5V for power supply unit with storage battery (1) 12V, and described mains power failure detection module (2-2) detects output voltage values and controls main feed circuit (2-1) output voltage.
3. a kind of ineitial measurement unit that is applied to self-propelled vehicle according to claim 2; it is characterized in that: described mains power failure detection module (2-2) comprised feedback and protection module (9), house dog (11) and reseting generator (10); it provides current protection, overheat protector and output voltage feedback, and provides house dog and reseting generator function for main controller module (3) outside.
4. a kind of ineitial measurement unit that is applied to self-propelled vehicle according to claim 1; it is characterized in that: described sensor supply module (4) comprises sensor feed circuit (4-1) and sensor electrical power sense circuit (4-2); wherein sensor feed circuit (4-1) is 5V with storage battery (1) 12V power source conversion; described 5V voltage is passed to sensor controller module (5) and sensor electrical power sense circuit (4-2); wherein whether the described 5V voltage of sensor electrical power sense circuit (4-2) detection is normal; also detect and comprise overcurrent protection; overheat protector and output voltage feed back, and provide the reseting generator function for sensor controller module (5).
5. a kind of ineitial measurement unit that is applied to self-propelled vehicle according to claim 1, it is characterized in that: described MEMS sensor (8) is made of longitudinal acceleration micro-electro-mechanical sensors (8-1), transverse acceleration MEMS sensor (8-2) and yaw velocity micro-electro-mechanical sensors (8-3), transmits vehicle lateral acceleration, longitudinal acceleration and yaw velocity signal to sensor controller module (5).
6. a kind of ineitial measurement unit that is applied to self-propelled vehicle according to claim 1, it is characterized in that: described main controller module (3) mainly is made up of host scm (16) and crystal oscillator (15), described crystal oscillator (15) provides sine-shaped frequency signal to host scm (16), host scm (16) be connected with each module and realize between each module control with communicate by letter.
7. a kind of ineitial measurement unit that is applied to self-propelled vehicle according to claim 1, it is characterized in that: described CAN communication module (6) is connected to the automobile electron stabilization control system on the CAN bus, communicates by letter with automobile electron stabilization control system and information of vehicles is provided.
8. control method that is applied to the ineitial measurement unit of self-propelled vehicle is characterized in that:
A) probe power supply module (4) and main power source module (2) provide 5V power supply for system;
B) whether sensor controller module (5) work and detection longitudinal acceleration micro-electro-mechanical sensors (8-1), transverse acceleration MEMS sensor (8-2) and yaw velocity micro-electro-mechanical sensors (8-3) signal be normal;
C) if the detecting sensor signal is normal, then main controller module (3) is communicated by letter with sensor controller module (5), sensor controller module (5) process sensor data also sends to main controller module (3) with the data of handling well, by main controller module (3) with sensing data encapsulation and send to automobile electron stabilization control system on the CAN bus, by the state of automobile electron stabilization control system according to vehicle, output parameter to each electronic control unit of automobile is adjusted, thereby realizes the control to vehicle steadily;
D) if mains power failure detection module (2-2) detects abnormity of power supply or the software race flies immediate replacement main controller module (3), allow main controller module (3) re-power work, be not subjected to abnormity of power supply or software to run the influence that flies;
E), whether determine reseting sensor controller module (3) by main controller module (3) if sensor electrical power sense circuit (4-2) transmits a signal to main controller module (3) after detecting abnormity of power supply at once;
F) if detecting sensor signal mal, then main controller module (3) is communicated by letter with sensor controller module (5), sensor controller module (5) is given main controller module (3) with the sensor fault message feedback, main controller module (3) is confirmed fault, the record trouble sign indicating number is to memory module (6), simultaneously diagnostic code is sent to automobile electron stabilization control system on the CAN bus by main controller module (3), send diagnostic code by automobile electron stabilization control system to vehicle bus, and provide light warning to chaufeur.
CN 2010105908152010-12-162010-12-16Inertia measuring unit for motor vehicles as well as control method thereofActiveCN102092352B (en)

Priority Applications (1)

Application NumberPriority DateFiling DateTitle
CN 201010590815CN102092352B (en)2010-12-162010-12-16Inertia measuring unit for motor vehicles as well as control method thereof

Applications Claiming Priority (1)

Application NumberPriority DateFiling DateTitle
CN 201010590815CN102092352B (en)2010-12-162010-12-16Inertia measuring unit for motor vehicles as well as control method thereof

Publications (2)

Publication NumberPublication Date
CN102092352Atrue CN102092352A (en)2011-06-15
CN102092352B CN102092352B (en)2013-03-27

Family

ID=44125679

Family Applications (1)

Application NumberTitlePriority DateFiling Date
CN 201010590815ActiveCN102092352B (en)2010-12-162010-12-16Inertia measuring unit for motor vehicles as well as control method thereof

Country Status (1)

CountryLink
CN (1)CN102092352B (en)

Cited By (3)

* Cited by examiner, † Cited by third party
Publication numberPriority datePublication dateAssigneeTitle
CN103606206A (en)*2013-09-182014-02-26武汉理工大学Automobile driving state sensing device and method
CN104063242A (en)*2014-06-102014-09-24北京遥测技术研究所Method applicable to parameter upgrading in whole production process of inertial measurement unit
CN104111062A (en)*2014-05-262014-10-22宁波拓普电器有限公司Gradient sensor

Citations (3)

* Cited by examiner, † Cited by third party
Publication numberPriority datePublication dateAssigneeTitle
CN101235786A (en)*2008-01-082008-08-06华夏龙晖(北京)汽车电子科技有限公司Engine electric control unit
CN101312904A (en)*2005-11-232008-11-26Vti技术有限公司Method for manufacturing micro-electromechanical element and micro-electromechanical element
CN201951383U (en)*2010-12-162011-08-31芜湖伯特利电子控制系统有限公司Inertial measurement unit applied to motor vehicle and control method thereof

Patent Citations (3)

* Cited by examiner, † Cited by third party
Publication numberPriority datePublication dateAssigneeTitle
CN101312904A (en)*2005-11-232008-11-26Vti技术有限公司Method for manufacturing micro-electromechanical element and micro-electromechanical element
CN101235786A (en)*2008-01-082008-08-06华夏龙晖(北京)汽车电子科技有限公司Engine electric control unit
CN201951383U (en)*2010-12-162011-08-31芜湖伯特利电子控制系统有限公司Inertial measurement unit applied to motor vehicle and control method thereof

Non-Patent Citations (1)

* Cited by examiner, † Cited by third party
Title
《电子设计应用》 20031130 郑洁、侯自良 《工程汽车电子同步开关控制器电源保护电路的设计》 ,*

Cited By (5)

* Cited by examiner, † Cited by third party
Publication numberPriority datePublication dateAssigneeTitle
CN103606206A (en)*2013-09-182014-02-26武汉理工大学Automobile driving state sensing device and method
CN103606206B (en)*2013-09-182016-09-28武汉理工大学A kind of motoring condition cognitive method using motoring condition sensing device
CN104111062A (en)*2014-05-262014-10-22宁波拓普电器有限公司Gradient sensor
CN104063242A (en)*2014-06-102014-09-24北京遥测技术研究所Method applicable to parameter upgrading in whole production process of inertial measurement unit
CN104063242B (en)*2014-06-102017-07-07北京遥测技术研究所A kind of method suitable for the upgrading of Inertial Measurement Unit all round process parameter

Also Published As

Publication numberPublication date
CN102092352B (en)2013-03-27

Similar Documents

PublicationPublication DateTitle
CN112313110B (en)Vehicle, server device, display control method, and storage medium
CN110116752A (en)Device and method based on redundancy structure control vehicle
CN101286067A (en)Vehicle mounted type automobile fault diagnostic apparatus
CN202795035U (en)Vehicle fault monitoring system
CN102092352B (en)Inertia measuring unit for motor vehicles as well as control method thereof
CN105823484A (en)Integrated inertial navigation measuring unit and corresponding measuring method
CN101936815A (en)Computer type vehicle fault diagnostic system and method
CN201951383U (en)Inertial measurement unit applied to motor vehicle and control method thereof
CN205970918U (en)Electric automobile monitoring device
CN102540018A (en)Device and method for evaluating endurance and reliability of CAN (Controller Area Network) bus
CN104600822A (en)Battery Charger Module and Method for Determining a State of an AC Power Supply at a Battery Charger Module
US9501347B2 (en)Documentation of faults in a fault memory of a motor vehicle
CN201199329Y (en)Vehicle-mounted fault diagnostic device for automobile
JP2017146863A (en) Vehicle interface unit and digital tachograph
JP2009501920A (en) Electronic equipment
CN207893124U (en)Automobile gears detecting system
CN205632358U (en)Electric vehicle control system based on bluetooth communication
CN117002281A (en)Electric vehicle
CN210210408U (en)Robot body control system and robot
CN203909608U (en)Mobile terminal for monitoring fault information of vehicles and vehicle fault information monitoring system
KR20080083769A (en) Car media playback device with black box function
CN207780540U (en)A kind of vehicle-mounted power controller
WO2016075797A1 (en)Battery system
CN104835217B (en)A kind of interface circuit structure of automobile data recorder
CN104835215A (en)Safety monitoring system of automobile data recorder

Legal Events

DateCodeTitleDescription
C06Publication
PB01Publication
C10Entry into substantive examination
SE01Entry into force of request for substantive examination
C14Grant of patent or utility model
GR01Patent grant

[8]ページ先頭

©2009-2025 Movatter.jp