
技术领域technical field
本发明涉及器械智能控制领域,特别是一种用于电压跌落保护的智能装置。The invention relates to the field of intelligent control of equipment, in particular to an intelligent device for voltage drop protection.
背景技术Background technique
随着社会的发展和技术的进步,新技术产业不断涌现,电力用户比以往任何时候都更加关注电能质量的问题。对于大型钢铁企业,石化企业,化工企业等,由于电网质量问题引起电机故障所造成的经济损失影响巨大。电力系统在运行时会遇到多种故障,由于雷击、短路故障重合闸、企业外部或内部电网故障、大型设备起动等原因,造成电压瞬间较大幅度波动或者短时断电又恢复,这种电压暂时跌落的现象对用户影响很大,尤其是连续工作的重要领域。With the development of society and the advancement of technology, new technology industries are constantly emerging, and power users are paying more attention to power quality issues than ever before. For large iron and steel enterprises, petrochemical enterprises, chemical enterprises, etc., the economic losses caused by motor failure due to power grid quality problems have a huge impact. The power system will encounter a variety of faults during operation. Due to lightning strikes, short-circuit fault reclosing, external or internal power grid faults, and large-scale equipment startups, etc., the voltage fluctuates greatly instantaneously or the power is restored after a short-term power failure. The phenomenon of temporary voltage drop has a great impact on users, especially in important areas of continuous work.
当电压突然跌落时,目前系统中常常采用延时断电的运行方式,这种方式延时时间常常是固定的,或者采用双电源供电的工作方式,这种方式成本高,应用场合受到限制。目前市面上有少数针对电压跌落的保护产品,如抗晃电交流接触器、抗晃电延时模块、抗晃电电动机智能控制器等。抗晃电交流接触器必须要针对不同型号接触器设计不同的抗晃电模块,由于交流接触器种类繁多,必须要专门的接触器厂家才能够生产,并且还会影响交流接触器的安装位置,使其推广受到一定的限制。目前,市面上与控制电器配套的抗晃电延时模块,生产厂家少、控制线路多采用继电器控制方案,存在切换过程接触器触点抖动、动作不可靠等问题,也急需改进。因此,研制一种适用范围广、通用性强、工作可靠、性价比高的电压跌落保护智能模块,与系列电磁式交流接触器配合使用,将具有广泛的应用前景。When the voltage suddenly drops, the current system often adopts the operation mode of delayed power failure, and the delay time of this mode is often fixed, or the working mode of dual power supply is used, which is costly and limited in application. At present, there are a few protection products against voltage drops on the market, such as anti-sway AC contactors, anti-sway delay modules, anti-sway motor intelligent controllers, etc. Anti-sway AC contactors must design different anti-sway modules for different types of contactors. Due to the wide variety of AC contactors, special contactor manufacturers must be able to produce them, and it will also affect the installation position of the AC contactor. Its promotion is subject to certain restrictions. At present, the anti-sway delay modules that are matched with control electrical appliances on the market have few manufacturers, and most of the control lines use relay control schemes. There are problems such as contactor contact vibration and unreliable actions during switching, and urgently need to be improved. Therefore, the development of a voltage drop protection intelligent module with wide application range, strong versatility, reliable operation and high cost performance will have broad application prospects when used in conjunction with a series of electromagnetic AC contactors.
电磁式交流接触器是一种量大、面广的电器产品,它是一种用来接通或断开带负载的交流主电路或大容量控制电路的自动化切换器。当电路发生电压突然跌落情况时,交流接触器可能会因不稳定电压而频繁接通或分断,将对电路造成很大的影响。随着电力电子技术、计算机技术、智能电器控制技术的飞速发展,低压电器的智能控制与保护技术得到全面的关注,在不改变电器结构的前提下,设计对应的智能模块,与电器本体结合,完成各种控制与保护功能成为可能。Electromagnetic AC contactor is an electrical product with a large quantity and a wide range. It is an automatic switcher used to switch on or off the AC main circuit with load or large-capacity control circuit. When the circuit voltage suddenly drops, the AC contactor may be frequently connected or disconnected due to unstable voltage, which will have a great impact on the circuit. With the rapid development of power electronics technology, computer technology, and intelligent electrical control technology, the intelligent control and protection technology of low-voltage electrical appliances has received comprehensive attention. Under the premise of not changing the structure of electrical appliances, the corresponding intelligent modules are designed and combined with electrical appliances. It is possible to complete various control and protection functions.
发明内容Contents of the invention
本发明目的是在电网电压突然跌落时,智能装置控制交流接触器维持吸持状态、不发生电压跌落时交流接触器正常分断。该装置具有体积小、适应范围宽(适应全系列电磁式交流接触器)、降压直流起动、直流低电压保持、节能无声运行等特点。The purpose of the invention is to control the AC contactor to maintain the holding state by the intelligent device when the grid voltage suddenly drops, so that the AC contactor is normally disconnected when the voltage drop does not occur. The device has the characteristics of small size, wide application range (suitable for all series of electromagnetic AC contactors), step-down DC start, DC low voltage maintenance, energy-saving and silent operation, etc.
本发明是这样实现的:一种用于电压跌落保护的智能装置,包括并接于交流市电的大功率整流电路D1和整流电路D2,其特征在于:所述大功率整流电路D1的输出电源一路经一直流降压模块R1后,通过第一开关管A加在交流接触器的线圈C上,所述线圈C设置有一用于判断交流接触器状态的钳位控制电路I,所述钳位控制电路I的输出端经一转换控制电路J与单片机S连接;所述大功率整流电路D1的输出电源的另一路经一开关管模块K与一开关电源模块M连接,所述开关电源模块M包括四路输出,其第一路输出经第一稳压电路P1和电压调整模块R2和第二开关管B施加在接触器线圈回路;第二路输出经第二稳压电路P2为后备电源充电模块U充电;第三路输出经一偏置电源P3和第一、第二开关管的驱动模块T相连;第四路输出经电压调整模块P4为单片机供电;所述电压调整模块P4的输出端连接有电源反馈模块N,所述电源反馈模块N的输出端与所述开关管模块K相连;所述单片机S的输出端连接有第一开关管A的第一控制模块E和第二开关管B的第二控制模块F;所述的单片机S的另一输出端还经电压跌落转换模块Q控制电压跌落控制模块L来启动为线圈回路提供后备电源的后备电源模块O,所述的后备电源模块O还经一降压模块V为所述单片机S供电;所述单片机S还连接有采集整流电路D2输出信号的采样模块H和人机交互、报警模块S1。The present invention is achieved as follows: an intelligent device for voltage drop protection, including a high-power rectification circuit D1 and a rectification circuit D2 connected in parallel to the AC mains, characterized in that the output power of the high-power rectification circuit D1 After one path passes through a DC step-down module R1, it is added to the coil C of the AC contactor through the first switch tube A. The coil C is provided with a clamp control circuit I for judging the state of the AC contactor. The clamp The output end of the control circuit I is connected to the single-chip microcomputer S through a conversion control circuit J; the other path of the output power of the high-power rectifier circuit D1 is connected to a switching power supply module M through a switch tube module K, and the switching power supply module M It includes four outputs, the first output of which is applied to the contactor coil circuit through the first voltage stabilization circuit P1, the voltage adjustment module R2 and the second switch tube B; the second output is charged for the backup power supply through the second voltage stabilization circuit P2 The module U is charged; the third output is connected to the driving module T of the first and second switching tubes through a bias power supply P3; the fourth output is powered for the single-chip microcomputer through the voltage adjustment module P4; the output terminal of the voltage adjustment module P4 A power feedback module N is connected, and the output end of the power feedback module N is connected to the switch tube module K; the output end of the single-chip microcomputer S is connected to the first control module E of the first switch tube A and the second switch tube The second control module F of B; the other output terminal of the single-chip microcomputer S also controls the voltage drop control module L through the voltage drop conversion module Q to start the backup power supply module O that provides backup power for the coil loop, and the backup power supply The module O also supplies power to the single-chip microcomputer S via a step-down module V; the single-chip microcomputer S is also connected to a sampling module H for collecting output signals of the rectification circuit D2 and a human-computer interaction and alarm module S1.
本发明具有如下优点:The present invention has the following advantages:
(1)直流降压起动功能。根据直流高电压起动、低电压保持的控制特点,设计了起动回路的降压起动控制模式,该降压模块可以大大减小在起动过程中对交流接触器所造成的冲击作用,尤其减轻了开关管A的工作负担,使控制模块的适应范围大幅度得到拓展,在节能控制模块和智能交流接触器的控制模块中,均可以采用此原理;(1) DC step-down starting function. According to the control characteristics of DC high-voltage start and low-voltage maintenance, the step-down start control mode of the start circuit is designed. The step-down module can greatly reduce the impact on the AC contactor during the start-up process, especially the switch Manage the workload of A, so that the scope of application of the control module is greatly expanded. This principle can be used in the energy-saving control module and the control module of the intelligent AC contactor;
(2)电压跌落保护功能。当电路中发生电压跌落事故时,通过控制模块控制交流接触器保持在吸持状态,正常情况下分断,不起动后备电源续流回路,接触器快速分断;(2) Voltage drop protection function. When a voltage drop accident occurs in the circuit, the AC contactor is controlled by the control module to keep it in the holding state, and it is broken under normal conditions. The backup power supply freewheeling circuit is not started, and the contactor is quickly broken;
(3)直流吸持可调功能。根据不同型号交流接触器的线圈、铁心参数,自行设计和调整接触器的吸持直流电压,模块适应范围广;(3) DC holding adjustable function. According to the coil and core parameters of different types of AC contactors, the holding DC voltage of the contactor is designed and adjusted by itself, and the module has a wide range of applications;
(4)具有快速分断的点动控制功能。由于采用智能模块控制以后,交流接触器的起动和停止时间均被延长,这是目前智能化交流接触器的一个通病,在遇到点动、快速动作的场合将无法满足要求,模块设计了钳位控制电路和转换控制电路,在需要快速分断接触器的场合,直接使接触器进入快速分断工作模式;(4) It has the jog control function of quick breaking. After adopting intelligent module control, the starting and stopping time of the AC contactor is prolonged, which is a common problem of the current intelligent AC contactor, and it will not be able to meet the requirements in the case of inching and fast action. The module is designed with a clamp The position control circuit and the conversion control circuit directly make the contactor enter the fast breaking working mode in the occasion where a quick breaking contactor is required;
(5)具有显示、报警、保护时间可调的功能。在面板上,起动降压模块、保持电压模块、电压跌落延时时间等参数均可以调节和设置,并具有正常运行指示和故障报警功能。(5) It has the functions of display, alarm and adjustable protection time. On the panel, parameters such as starting voltage reduction module, maintaining voltage module, and voltage drop delay time can be adjusted and set, and it has normal operation indication and fault alarm functions.
附图说明Description of drawings
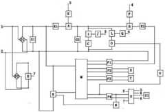
图1是本发明的电路原理框图。Fig. 1 is a schematic block diagram of the circuit of the present invention.
具体实施方式Detailed ways
如图1所示,本发明提供一种用于电压跌落保护的智能装置,包括并接于交流市电的大功率整流电路D1和整流电路D2,其特征在于:所述大功率整流电路D1的输出电源一路经一直流降压模块R1后,通过第一开关管A加在交流接触器的线圈C上,所述线圈C设置有一用于判断交流接触器状态的钳位控制电路I,所述钳位控制电路I的输出端经一转换控制电路J与单片机S连接;所述大功率整流电路D1的输出电源的另一路经一开关管模块K与一开关电源模块M连接,所述开关电源模块M包括四路输出,其第一路输出经第一稳压电路P1和电压调整模块R2和第二开关管B施加在接触器线圈回路;第二路输出经第二稳压电路P2为后备电源充电模块U充电;第三路输出经一偏置电源P3和第一、第二开关管的驱动模块T相连;第四路输出经电压调整模块P4为单片机供电;所述电压调整模块P4的输出端连接有电源反馈模块N,所述电源反馈模块N的输出端与所述开关管模块K相连;所述单片机S的输出端连接有第一开关管A的第一控制模块E和第二开关管B的第二控制模块F;所述的单片机S的另一输出端还经电压跌落转换模块Q控制电压跌落控制模块L来启动为线圈回路提供后备电源的后备电源模块O,所述的后备电源模块O还经一降压模块V为所述单片机S供电;所述单片机S还连接有采集整流电路D2输出信号的采样模块H和人机交互、报警模块S1。As shown in Figure 1, the present invention provides an intelligent device for voltage drop protection, including a high-power rectification circuit D1 and a rectification circuit D2 connected in parallel to the AC mains, characterized in that: the high-power rectification circuit D1 After the output power supply passes through a DC step-down module R1, it is added to the coil C of the AC contactor through the first switch tube A, and the coil C is provided with a clamping control circuit I for judging the state of the AC contactor. The output terminal of the clamp control circuit I is connected with the single-chip microcomputer S through a conversion control circuit J; the other path of the output power supply of the high-power rectifier circuit D1 is connected with a switching power supply module M through a switching tube module K, and the switching power supply Module M includes four outputs, the first output of which is applied to the coil circuit of the contactor through the first voltage regulator circuit P1, the voltage adjustment module R2 and the second switch tube B; the second output is backed up by the second voltage regulator circuit P2 The power supply charging module U charges; the third output is connected to the drive module T of the first and second switching tubes through a bias power supply P3; the fourth output is powered for the single-chip microcomputer through the voltage adjustment module P4; the voltage adjustment module P4 The output end is connected to a power feedback module N, and the output end of the power feedback module N is connected to the switch tube module K; the output end of the single-chip microcomputer S is connected to the first control module E of the first switch tube A and the second The second control module F of the switch tube B; the other output end of the single-chip microcomputer S also controls the voltage drop control module L through the voltage drop conversion module Q to start the backup power supply module O that provides backup power for the coil loop, the described The backup power supply module O also supplies power to the single-chip microcomputer S through a step-down module V; the single-chip microcomputer S is also connected with a sampling module H for collecting output signals of the rectification circuit D2 and a human-computer interaction and alarm module S1.
为了让一般技术人员更清楚的了解本发明,下面结合附图对本发明的工作原理进行说明:In order to allow those of ordinary skill to understand the present invention more clearly, the working principle of the present invention will be described below in conjunction with the accompanying drawings:
如图1所示,交流220V电源从1、2两端分两路输入,一路提供给整流电路D2,通过采样模块H,直接对电源电压进行采样。这种采样方式大大减少了开关电源对采样电压的干扰和影响,提高了系统的运行可靠性。采样电压7输入单片机系统S中,由单片机系统判断电源电压情况,如果在交流接触器正常工作电压范围内,由单片机系统发出指令,通过控制信号3给驱动控制模块E施加高电平,开关管A导通,此时交流接触器进入直流高电压起动阶段。在这个阶段中,有一个重要的模块,即直流降压模块R1,这个模块为本发明的重要模块和特色之一。当交流接触器属于直流起动、直流保持的工作状态时,在电磁机构中,磁抗和电感量发生了很大的变化,使电流值大幅度增加,如果对于大容量的交流接触器电磁机构来说,其起动电流非常大,因此,第一开关管A无法满足大容量交流接触器的控制要求,而变成直流起动的工作方式以后,只要其机构的等效磁势能够满足电磁机构的起动磁势要求,就可以正常工作。因此,设计了直流降压模块电路,此模块可以根据需要设置不同的降压档位,通过显示模块S1面板上的切换开关,实现起动电压的调整。虽然,在起动回路中加入了降压模块,但是由于直流高电压起动阶段时间很短,一般在几十毫秒之内,当接触器可靠吸合以后,单片机系统将起动直流保持回路、切断起动回路,因此不会造成电路损耗明显增加,还可以大大降低第一开关管A的容量和成本,适应不同容量的交流接触器控制需求,模块应用范围广。As shown in Figure 1, the AC 220V power supply is divided into two channels from 1 and 2, and one channel is supplied to the rectifier circuit D2, and the power supply voltage is directly sampled through the sampling module H. This sampling method greatly reduces the interference and influence of the switching power supply on the sampling voltage, and improves the operational reliability of the system. The sampling voltage 7 is input into the single-chip microcomputer system S, and the power supply voltage is judged by the single-chip microcomputer system. If it is within the normal working voltage range of the AC contactor, the single-chip microcomputer system issues an instruction to apply a high level to the drive control module E through the control signal 3, and the switch tube A is turned on, and at this time the AC contactor enters the DC high voltage starting stage. In this stage, there is an important module, that is, the DC step-down module R1, which is one of the important modules and features of the present invention. When the AC contactor is in the working state of DC start and DC hold, in the electromagnetic mechanism, the magnetic reactance and inductance have changed greatly, which greatly increases the current value. If the electromagnetic mechanism of the large-capacity AC contactor is used Said that its starting current is very large, therefore, the first switching tube A cannot meet the control requirements of a large-capacity AC contactor, and after it becomes a DC starting working mode, as long as the equivalent magnetic potential of its mechanism can meet the starting of the electromagnetic mechanism Magnetic potential requirements, it can work normally. Therefore, the DC step-down module circuit is designed. This module can set different step-down gears according to the needs, and the adjustment of the starting voltage can be realized through the switching switch on the panel of the display module S1. Although a step-down module is added to the starting circuit, because the DC high voltage starting period is very short, generally within tens of milliseconds, when the contactor is reliably closed, the single-chip microcomputer system will start the DC holding circuit and cut off the starting circuit. , so that the circuit loss will not be significantly increased, and the capacity and cost of the first switching tube A can be greatly reduced, so as to meet the control requirements of AC contactors with different capacities, and the module has a wide range of applications.
交流220V电源的另一路经过大功率整流电路D1整流、滤波以后,变成直流电源,分成如下两路:The other path of the AC 220V power supply is rectified and filtered by the high-power rectifier circuit D1, and then becomes a DC power supply, which is divided into the following two paths:
(1)交流接触器的高电压起动电源。此电源经过直流降压模块R1后,通过第一开关管A加在交流接触器的线圈上,G1、G2为保护电路。在交流接触器的运行过程中,常常会遇到需要快速切断电路或点动控制的控制状态,这对于采用智能控制模块的交流接触器系统来说是困难的,采用智能控制以后的接触器往往起动和分断都需要一定的时间。因此,本发明给交流接触器的线圈设计了一个钳位控制电路I,该电路的功能为判断交流接触器是否处于吸合状态,如果交流接触器处于吸合状态,线圈回路有电,那么该钳位电路将输出一个信号给转换控制电路J,该电路将给单片机发出控制指令5,单片机系统接到指令5的信号后,所有的控制程序正常运行;反之,如果交流接触器处于分断状态,即接触器的电磁机构处于断电状态,该钳位控制电路将使单片机系统自动复位,实现瞬间的强制关断,实现接触器的快速分断或实现点动控制,不起动电压跌落保护程序。(1) High voltage starter power supply for AC contactor. After the power supply passes through the DC step-down module R1, it is applied to the coil of the AC contactor through the first switch tube A, and G1 and G2 are protection circuits. During the operation of the AC contactor, it often encounters the control state that needs to quickly cut off the circuit or jog control, which is difficult for the AC contactor system using the intelligent control module, and the contactor after the intelligent control is often used It takes a certain amount of time to start and break. Therefore, the present invention designs a clamp control circuit I for the coil of the AC contactor. The function of this circuit is to judge whether the AC contactor is in the pull-in state. If the AC contactor is in the pull-in state and the coil circuit has electricity, then the The clamping circuit will output a signal to the conversion control circuit J, which will send a control command 5 to the single-chip microcomputer system. After the single-chip microcomputer system receives the signal of command 5, all control programs will run normally; on the contrary, if the AC contactor is in the disconnected state, That is, the electromagnetic mechanism of the contactor is in the power-off state, and the clamping control circuit will automatically reset the single-chip microcomputer system to realize instantaneous forced shutdown, realize rapid breaking of the contactor or realize jog control, and will not start the voltage drop protection program.
(2)本实施例子中,所述的开关电源模块采用了基于TinySwith-Ⅲ单片开关电源芯片TNY280PN的宽电压输入高频开关电源设计。TNY280YN具有宽范围电压输入、欠压保护、过电压保护、过热保护、限流保护、功率开关管自适应等功能。控制模块一旦出现故障,例如过载、短路或开环情况下,能够实现自动关断开关电源的保护功能,待系统恢复正常,又能够实现自动重启动,该电源模块具有良好的保护功能,性能稳定,N为开关电源的反馈电路。该开关电源模块有四路电源输出。P1为直流低电压保持电路的电源,该电路通过电压调整模块R2施加在接触器线圈回路。同样,电压调整模块R2也是本发明的一个特别之处,通过这个模块可以调整接触器的吸持控制电压,以适应不同的交流接触器,在面板上这个模块也可以设定和调整。当交流接触器可靠吸合以后,单片机系统关断控制信号3、打开控制信号4,使第一开关管A关断,开关管B开启,交流接触器进入直流低电压保持阶段,F为第二开关管B的控制模块,控制开关管B的导通与关断。(2) In this implementation example, the switching power supply module described adopts a wide-voltage input high-frequency switching power supply design based on the TinySwith-Ⅲ single-chip switching power supply chip TNY280PN. TNY280YN has functions such as wide-range voltage input, undervoltage protection, overvoltage protection, overheating protection, current limiting protection, and power switch tube self-adaptation. Once the control module fails, such as overload, short circuit or open loop, it can realize the protection function of automatically shutting down the switching power supply. When the system returns to normal, it can realize automatic restart. The power module has good protection function and stable performance , N is the feedback circuit of the switching power supply. The switching power supply module has four power supply outputs. P1 is the power supply of the DC low voltage holding circuit, which is applied to the coil circuit of the contactor through the voltage adjustment module R2. Similarly, the voltage adjustment module R2 is also a special feature of the present invention. Through this module, the holding control voltage of the contactor can be adjusted to suit different AC contactors. This module can also be set and adjusted on the panel. When the AC contactor is reliably closed, the single-chip microcomputer system turns off the control signal 3 and turns on the
P2为后备电源模块U所需的电源电压,P2与后备电源模块U相连接,模块U中含有充电电池和全自动充电电路。全自动充电电路由单片机控制系统监测和起动。P2 is the power supply voltage required by the backup power module U, and P2 is connected to the backup power module U, which contains a rechargeable battery and a fully automatic charging circuit. The fully automatic charging circuit is monitored and started by the single-chip microcomputer control system.
本发明的单片机系统可以有两种运行控制模式:(1)采用双CPU的控制方案,在此方案中,后备电源充电系统单独采用一片芯片控制,该充电系统可以实时监测后备电源的电量,一旦发现电量不足,就启动充电控制回路,对电池实时充电,保证电池的电量在正常范围内。主单片机系统实现直流降压高电压起动、低电压保持、电压跌落控制保护、显示报警、节能无声运行控制。该方案控制灵活、工作可靠。(2)采用单CPU的运行模式。方案中采用一片单片机,该单片机系统对系统电压和后备电源交错采样,模块的所有运行指令均由一个单片机系统来控制。此方案程序设计相对复杂,并且设计中必须考虑系统间的相互干扰问题和协调配合问题。The single-chip microcomputer system of the present invention can have two kinds of operation control modes: (1) adopt the control scheme of double CPU, in this scheme, the backup power charging system adopts one chip control alone, and this charging system can monitor the electric quantity of backup power in real time, once When the power is found to be insufficient, the charging control circuit is activated to charge the battery in real time to ensure that the power of the battery is within the normal range. The main single-chip microcomputer system realizes DC step-down high-voltage start, low-voltage maintenance, voltage drop control and protection, display and alarm, energy-saving and silent operation control. The scheme is flexible in control and reliable in operation. (2) Adopt the operating mode of single CPU. A single-chip microcomputer is used in the scheme, and the single-chip microcomputer system samples the system voltage and the backup power supply interleavedly, and all operation commands of the module are controlled by a single-chip microcomputer system. The program design of this program is relatively complicated, and the mutual interference and coordination problems between the systems must be considered in the design.
本实施例子中,电压跌落保护模块采用双CUP的控制模式。In this implementation example, the voltage drop protection module adopts a dual-CUP control mode.
当检测到电源电压低于交流接触器工作电压时,单片机系统关断控制信号4、开启控制信号6,电压跌落转换模块Q开始工作,触发电压跌落控制模块L,起动后备电源供电模式,O为提供给线圈回路的后备电源,由于此时电源电压供电不正常,因此后备电源还必须为单片机系统S供电,后备电源O经过降压控制模块V后产生一个合适的电源,为单片机系统供电。 When it is detected that the power supply voltage is lower than the working voltage of the AC contactor, the single-chip microcomputer system turns off the
P3为大功率开关管A和B的偏置电压,该电源与其余电源模块不能共地。P3 is the bias voltage of high-power switching tubes A and B, and the power supply and other power supply modules cannot share the same ground.
P4为单片机系统的电源。在电源电压处于正常值时,单片机系统由P4供电,后备电源系统始终处于备用状态,电池完全与电路隔离,除了自放电现象,不存在其他任何电能的消耗。一旦发生电压跌落故障,起动后备电源供电。P4 is the power supply of the one-chip computer system. When the power supply voltage is at a normal value, the single-chip microcomputer system is powered by P4, the backup power supply system is always in a standby state, the battery is completely isolated from the circuit, and there is no other power consumption except for self-discharge. In the event of a voltage drop failure, start the backup power supply.
开关电源采用自主设计的屏蔽绕组高频变压器,采用堆叠式绕法,不仅节省导线,减少体积和成本,还可以增强绕组之间互感量,增加耦合程度;同时屏蔽绕组能够增强抗干扰的能力,防止高频干扰向空间辐射,系统工作性能更加可靠。The switching power supply adopts self-designed shielded winding high-frequency transformer, and adopts stacked winding method, which not only saves wires, reduces volume and cost, but also enhances the mutual inductance between windings and increases the degree of coupling; at the same time, the shielded winding can enhance the anti-interference ability. Prevent high-frequency interference from radiating into space, and the system performance is more reliable.
显示模块S1具有电压跌落故障保护时间可调、故障报警、正常运行指示、起动降压模块可调、吸持电压可调等功能。The display module S1 has functions such as adjustable voltage drop fault protection time, fault alarm, normal operation indication, adjustable starting and step-down module, and adjustable holding voltage.
以上所述仅为本发明的较佳实施例,凡依本发明申请专利范围所做的均等变化与修饰,皆应属本发明的涵盖范围。The above descriptions are only preferred embodiments of the present invention, and all equivalent changes and modifications made according to the scope of the patent application of the present invention shall fall within the scope of the present invention.
| Application Number | Priority Date | Filing Date | Title |
|---|---|---|---|
| CN201010540260ACN101976880B (en) | 2010-11-11 | 2010-11-11 | An intelligent device for voltage drop protection |
| Application Number | Priority Date | Filing Date | Title |
|---|---|---|---|
| CN201010540260ACN101976880B (en) | 2010-11-11 | 2010-11-11 | An intelligent device for voltage drop protection |
| Publication Number | Publication Date |
|---|---|
| CN101976880A CN101976880A (en) | 2011-02-16 |
| CN101976880Btrue CN101976880B (en) | 2012-09-26 |
| Application Number | Title | Priority Date | Filing Date |
|---|---|---|---|
| CN201010540260AExpired - Fee RelatedCN101976880B (en) | 2010-11-11 | 2010-11-11 | An intelligent device for voltage drop protection |
| Country | Link |
|---|---|
| CN (1) | CN101976880B (en) |
| Publication number | Priority date | Publication date | Assignee | Title |
|---|---|---|---|---|
| CN102097779B (en)* | 2011-02-17 | 2014-03-12 | 福州大学 | Anti-interference electricity intelligent control device |
| CN103227598B (en)* | 2013-05-06 | 2015-04-15 | 宁德师范学院 | Permanent magnet motor controller with voltage dip protection function |
| CN104183356B (en)* | 2014-09-16 | 2016-09-07 | 福州大学 | A kind of novel intelligent electronic coil |
| CN104952667B (en)* | 2015-07-21 | 2017-06-06 | 福州大学 | A kind of electromagnetic switch intelligent controlling device suitable for low voltage power supply system |
| Publication number | Priority date | Publication date | Assignee | Title |
|---|---|---|---|---|
| CN101393819A (en)* | 2008-10-28 | 2009-03-25 | 福州大学 | Anti-flashover intelligent AC contactor |
| CN201336251Y (en)* | 2009-01-23 | 2009-10-28 | 东南大学 | Intelligent control device of a permanent magnet alternating current contactor |
| Publication number | Priority date | Publication date | Assignee | Title |
|---|---|---|---|---|
| US20020085333A1 (en)* | 1999-05-18 | 2002-07-04 | George Alexanian | Battery powered remote switch controller |
| JP4226400B2 (en)* | 2003-07-17 | 2009-02-18 | 本田技研工業株式会社 | Relay drive circuit |
| DE102004015932A1 (en)* | 2004-04-01 | 2005-10-20 | Moeller Gmbh | Method and circuit arrangement for operating a magnetic drive |
| Publication number | Priority date | Publication date | Assignee | Title |
|---|---|---|---|---|
| CN101393819A (en)* | 2008-10-28 | 2009-03-25 | 福州大学 | Anti-flashover intelligent AC contactor |
| CN201336251Y (en)* | 2009-01-23 | 2009-10-28 | 东南大学 | Intelligent control device of a permanent magnet alternating current contactor |
| Title |
|---|
| JP特开2005-38656A 2005.02.10 |
| Publication number | Publication date |
|---|---|
| CN101976880A (en) | 2011-02-16 |
| Publication | Publication Date | Title |
|---|---|---|
| CN203312887U (en) | DC emergency power supply | |
| CN202353172U (en) | Three-phase power supply automatic reclosure protector | |
| CN102148529B (en) | Control device and control method thereof for intelligently supplying power to circuit breaker control unit | |
| CN102122839B (en) | Electric-dazzling prevention auxiliary power supply in low-voltage alternating current control loop and power supply method thereof | |
| CN205791785U (en) | Collection catalyst and converter are protected in the by-pass type Anti-electricity dazzling device of one | |
| CN101976880B (en) | An intelligent device for voltage drop protection | |
| CN201994717U (en) | Control device for supplying power to breaker control units | |
| CN102280924A (en) | Uninterrupted power supply system for relay protection device | |
| CN103078384A (en) | Uninterruptible power supply | |
| WO2022105263A1 (en) | Photovoltaic system and control method therefor, and air conditioning system | |
| CN102148505A (en) | Reactive compensation controller | |
| CN102097779B (en) | Anti-interference electricity intelligent control device | |
| CN203368014U (en) | Soft start protection device and compressor diagnosis protection device comprising same | |
| CN207410037U (en) | An Intelligent Anti-Overvoltage and Undervoltage Protection Circuit | |
| CN203225578U (en) | A power transmission line induction energy acquiring power supply apparatus with a high redundancy feature | |
| CN205666679U (en) | UPS of bypass automatic switch -over type | |
| CN204441855U (en) | A kind of under voltage trip gear | |
| CN108512484B (en) | Motor protection measurement and control method with anti-interference function | |
| CN203632205U (en) | Anti-fluctuation module operating in bypass mode | |
| CN203367136U (en) | Controller with permanent-magnet mechanism | |
| CN203135566U (en) | Ups | |
| CN104466974B (en) | Combined synchronous based on individual-phase control technology switchs | |
| CN203471163U (en) | AC welder | |
| CN203135491U (en) | Ups | |
| CN203761312U (en) | Push-pull rolling door control circuit |
| Date | Code | Title | Description |
|---|---|---|---|
| C06 | Publication | ||
| PB01 | Publication | ||
| C10 | Entry into substantive examination | ||
| SE01 | Entry into force of request for substantive examination | ||
| C14 | Grant of patent or utility model | ||
| GR01 | Patent grant | ||
| CF01 | Termination of patent right due to non-payment of annual fee | ||
| CF01 | Termination of patent right due to non-payment of annual fee | Granted publication date:20120926 Termination date:20181111 |