Movatterモバイル変換


[0]ホーム

URL:


CN101860192A - Three-state three-level PFC circuit and multi-state three-level PFC circuit - Google Patents

Three-state three-level PFC circuit and multi-state three-level PFC circuit
Download PDF

Info

Publication number
CN101860192A
CN101860192ACN201010138311ACN201010138311ACN101860192ACN 101860192 ACN101860192 ACN 101860192ACN 201010138311 ACN201010138311 ACN 201010138311ACN 201010138311 ACN201010138311 ACN 201010138311ACN 101860192 ACN101860192 ACN 101860192A
Authority
CN
China
Prior art keywords
switch
polymorphic
transformer
electric capacity
compound
Prior art date
Legal status (The legal status is an assumption and is not a legal conclusion. Google has not performed a legal analysis and makes no representation as to the accuracy of the status listed.)
Granted
Application number
CN201010138311A
Other languages
Chinese (zh)
Other versions
CN101860192B (en
Inventor
弗兰克·赫尔特
孟丽婵
武志贤
Current Assignee (The listed assignees may be inaccurate. Google has not performed a legal analysis and makes no representation or warranty as to the accuracy of the list.)
Vertiv Tech Co Ltd
Original Assignee
Emerson Network Power Co Ltd
Priority date (The priority date is an assumption and is not a legal conclusion. Google has not performed a legal analysis and makes no representation as to the accuracy of the date listed.)
Filing date
Publication date
Application filed by Emerson Network Power Co LtdfiledCriticalEmerson Network Power Co Ltd
Priority to CN2010101383116ApriorityCriticalpatent/CN101860192B/en
Publication of CN101860192ApublicationCriticalpatent/CN101860192A/en
Application grantedgrantedCritical
Publication of CN101860192BpublicationCriticalpatent/CN101860192B/en
Expired - Fee Relatedlegal-statusCriticalCurrent
Anticipated expirationlegal-statusCritical

Links

Images

Classifications

Landscapes

Abstract

The invention relates to a three-state three-level PFC circuit, which comprises an inductor, a combined three-state switch, a first capacitor and a second capacitor. The inductor is connected between a first end of an AC power supply and a first end of the combined three-state switch; a second end of the combined three-state switch is connected at a first end of the first capacitor; a third end of the combined three-state switch is connected at a second end of the second capacitor; a fourth end of the combined three-state switch is grounded; and the first end of the first capacitor, a second end of the first capacitor, and the second end of the second capacitor output three-level voltage. The invention also provides a multi-state three-level PFC circuit correspondingly. Compared with the common circuit without a three-state switch or a multi-state switch, the PFC circuit provided by the invention can obviously reduce the dimensions of the inductor and the capacitors, improve the power factor of the circuit simultaneously and reduce the total harmonic content on the premise of maintaining the switch frequency and ripples on a passive device invariable, and can reduce the switch frequency and obviously improve the circuit efficiency on the premise of maintaining the input current ripple frequency and magnitude invariable.

Description

A kind of ternary three-level PFC circuit and polymorphic three-level PFC circuit
Technical field
The present invention relates to electronic technology field, more particularly, relate to a kind of ternary three-level PFC circuit and polymorphic three-level PFC circuit.
Background technology
High frequency switch power is extensively in different occasions, as needing supply voltage is transformed to another required voltage grade from an electric pressure under a lot of application conditions.In the converting system of this AC-to DC (AC/DC), realize desired voltage conversion function except needs, also need to satisfy various standards to power factor (Power Factor, PF), total harmonic distortion (Total Harmonics Distortion, THD) and the requirement of electromagnetic interference EMI (Electromagnetic Interference).
See also Fig. 1, be a kind of three-level PFC circuit.As shown in Figure 1, first end ofinductance L 1 links to each other with AC power first end, second end ofinductance L 1 links to each other with thefirst input end 101 of bridge arm circuit, in bridge arm circuit,first input end 101 is connected tofirst output 103 by the diode D1 of forward,first input end 101 also is connected tosecond output 104 by reverse diode D2,first output 103 is bycapacitor C 1 ground connection,second output 104 is bycapacitor C 2 ground connection,first input end 101 also by differential concatenation two switching tube Q1 and Q2 be connected tosecond input 102, and second input end grounding and be connected to AC power second end.This circuit when switching tube Q1 and Q2 open, electric current two switching tubes of flowing through; And when switching tube turn-offs, electric current flow through a diode D1 or D2, it is half of traditional two level topologys that the characteristic of three level makes the sensibility reciprocal of inductance, thereby can be than two level PFCs (Power Factor correction, power factor correction) the circuit inductance size is little, the voltage stress of switching tube is half of traditional two level, so can reduce the switching loss of semiconductor device, improves circuit efficiency.
Yet along with the continuous increase of high power density high performance-price ratio product demand, switching frequency improves constantly to reduce the volume of passive device, is difficult to guaranteed efficiency so again.So, still need to develop a kind of pfc circuit and realize raising the efficiency simultaneously purpose with power density.
Summary of the invention
The technical problem to be solved in the present invention is, can not raise the efficiency defective with power density simultaneously at existing pfc circuit above-mentioned, and a kind of ternary three-level PFC circuit and polymorphic three-level PFC circuit are provided.
The technical solution adopted for the present invention to solve the technical problems is: construct a kind of ternary three-level PFC circuit, comprising: inductance, compound tri-state switch, first electric capacity and second electric capacity;
Described inductance is connected between AC power first end and compound tri-state switch first end, compound tri-state switch second end is connected first end of first electric capacity, compound tri-state switch the 3rd end is connected second end of second electric capacity, compound tri-state switch the 4th end ground connection, second end of first end of first electric capacity, second end of first electric capacity and second electric capacity is exported three level voltages.
In ternary three-level PFC circuit of the present invention, described compound tri-state switch comprises:
Second tri-state switch of working when first tri-state switch of working when the AC power input signal is in positive half period and AC power input signal are in negative half-cycle.
In ternary three-level PFC circuit of the present invention, described first tri-state switch comprises:
Transformer, the end of the same name on the former limit of described transformer and the different name end of secondary link to each other as first end of compound tri-state switch;
Two first diodes and two switching tubes; The anode of two first diodes is connected to the different name end on former limit of transformer and the end of the same name of secondary respectively, and the negative electrode of two first diodes all links to each other with first end of first electric capacity; First switching tube is connected across between the different name end and ground on former limit of transformer, and second switching tube is connected across between the end of the same name and ground of secondary of transformer.
In ternary three-level PFC circuit of the present invention, described compound tri-state switch also comprises: two second diodes; The negative electrode of two second diodes is connected to the different name end on former limit of transformer and the end of the same name of secondary respectively, the anode of two second diodes all links to each other with second end of second electric capacity, and described transformer, two switching tubes and described two second diodes constitute second tri-state switch.
The present invention also provides a kind of polymorphic three-level PFC circuit, and described polymorphic three-level PFC circuit comprises: inductance, compound polymorphic switch, first electric capacity and second electric capacity;
Described inductance is connected between AC power first end and compound polymorphic switch first end, compound polymorphic switch second end is connected first end of first electric capacity, compound polymorphic switch the 3rd end connects second end of second electric capacity, compound polymorphic switch the 4th end ground connection, second end of first end of first electric capacity, second end of first electric capacity and second electric capacity is exported three level voltages.
In polymorphic three-level PFC circuit of the present invention, described compound polymorphic switch comprises:
The second polymorphic switch of working when first polymorphic switch of working when the AC power input signal is in positive half period and AC power input signal are in negative half-cycle.
In polymorphic three-level PFC circuit of the present invention, the described first polymorphic switch comprises:
Transformer with N winding, wherein N is the integer greater than 2, and a secondary N winding of described transformer is linked to be equilateral polygon, and the end of the same name of a former limit N winding of described transformer links to each other as compound polymorphic switch first end;
The N that links to each other with the different name end of the former limit N winding of transformer organizes first diode and switching tube respectively, wherein the anode of N first diode is connected to the different name end of a former limit N winding of transformer respectively, and the negative electrode of N first diode links to each other with first end of first electric capacity; N switching tube is connected across respectively between the different name end and ground of a former limit N winding of transformer.
In polymorphic three-level PFC circuit of the present invention, described compound polymorphic switch also comprises: N second diode; The negative electrode of described N second diode is connected to the different name end of a former limit N winding of transformer respectively, and the anode of N second diode links to each other with second end of second electric capacity; Described transformer, a described N switching tube and described N second diode constitutes the second polymorphic switch.
Implement ternary three-level PFC circuit of the present invention and polymorphic three-level PFC circuit, have following beneficial effect:
1, the present invention has constructed a kind of ternary three-level PFC circuit by adopting compound tri-state switch, and the turn-on and turn-off by PWM modulates the control switch pipe just can realize the output of different modalities.The input current of ternary three-level PFC circuit provided by the invention is less than the input current of traditional three-level PFC, and as seen its circuit efficiency is higher.If keep identical inductive current ripple size and frequency, the switching frequency of the ternary three-level PFC of the present invention is half of common three level, thereby makes the switching frequency of polymorphic three-level PFC reduce, and corresponding efficient improves.
2, the inductance of ternary three-level PFC provided by the invention is withstand voltage is half of traditional three-level PFC, and like this under the identical situation of other conditions, its inductance value can be half of traditional three-level PFC, and the inductance volume also reduces.
The inductive current ripple of the ternary three-level PFC that 3, provides simultaneously has more ripples in the same cycle be zero point, reduced the switching loss and the on-state loss of power switch pipe, and this also is of value to the PF value that improves circuit and reduces THD.
4, the present invention's a kind of polymorphic three-level PFC circuit that also adopted compound polymorphic switch structure, compare it with traditional circuit and have above-mentioned characteristic equally, if promptly the size of constant inductance of size of the ripple on maintained switch frequency and the passive device and electric capacity can significantly reduce, the power factor of circuit improves simultaneously, and total harmonic distortion reduces; If keep input current ripple frequency and size constant then can reduce switching frequency, significantly improve the efficient of circuit.
Description of drawings
The invention will be further described below in conjunction with drawings and Examples, in the accompanying drawing:
Fig. 1 is existing three-level PFC circuit schematic diagram;
Fig. 2 (a) is respectively the structural representation of tri-state switch, four attitude switches and five attitude switches to Fig. 2 (c);
Fig. 3 (a) is respectively the operation mode figure of tri-state switch to Fig. 3 (d);
Fig. 4 (a) is respectively the operation mode figure of four attitude switches to Fig. 4 (h);
Fig. 5 is the circuit theory diagrams of ternary three-level PFC circuit first preferred embodiment of the present invention;
Fig. 6 is the circuit theory diagrams of ternary three-level PFC circuit second preferred embodiment of the present invention;
Fig. 7 (a) is respectively the working mode figure of ternary three-level PFC circuit in the preferred embodiment of the present invention to Fig. 7 (d);
Fig. 8 is four attitude three-level PFC circuit schematic diagrams in the preferred embodiment of the present invention;
Fig. 9 (a) and Fig. 9 (b) are respectively the output voltage waveform of traditional circuit and circuit of the present invention;
Figure 10 (a) and Figure 10 (b) are respectively the input current waveform figure of traditional circuit and circuit of the present invention;
Figure 11 (a) and Figure 11 (b) are respectively the drive signal waveform figure of traditional circuit and circuit of the present invention;
Figure 12 (a) and Figure 12 (b) are respectively traditional circuit and circuit inductance current ripples figure of the present invention;
Figure 13 (a) and Figure 13 (b) are respectively traditional circuit and circuit inductance voltage oscillogram of the present invention;
Figure 14 (a) and Figure 14 (b) are respectively traditional circuit and circuit inductance current waveform figure of the present invention;
Figure 15 (a) is respectively the inductive current ripple figure of circuit of the present invention when the different duty to Figure 15 (c);
Figure 16 (a) and Figure 16 (b) are respectively traditional circuit and circuit of the present invention voltage oscillogram at switching tube group two ends, and Figure 16 (c) is the voltage oscillogram of circuit transformer front end of the present invention with ground.
Embodiment
In order to make purpose of the present invention, technical scheme and advantage clearer,, the present invention is further elaborated below in conjunction with drawings and Examples.
The present invention has mainly realized ternary or polymorphic tri-level circuit output with tri-state switch and polymorphic switch application in pfc circuit.Definition to polymorphic switch describes below.See also Fig. 2 (a) to Fig. 2 (c), be respectively the structural representation of tri-state switch, four attitude switches and five attitude switches.The brachium pontis that the structure that realizes polymorphic switch needs a transformer and one to be made up of switching tube etc.Shown in Fig. 2 (a), if there are two windings on the former limit of transformer, then switching tube is two brachium pontis structures, and what realized is tri-state switch; Shown in Fig. 2 (b), if there are three windings on former limit, then switching tube is three brachium pontis structures, realization be four attitude switches; Shown in Fig. 2 (c), if there are four windings on former limit, then switching tube is four brachium pontis structures, realization be five attitude switches.By that analogy, when there is the individual winding of N (N 〉=2) on the former limit of transformer, then switching tube is a N brachium pontis structure, realization be (N+1) attitude switch.
To the structure shown in Fig. 2 (c), diode can replace with switching tube at Fig. 2 (a).The difference of two kinds of structures is can only one-way flow with diode current; Can two-way flow with the switching tube electric current, therefore can be used in all-wave power factor correction and the inverter circuit.See also Fig. 3 (a) to Fig. 3 (d), be respectively the operation mode figure of tri-state switch.To the tri-state switch shown in Fig. 3 (d), adopt switching tube to replace diode at Fig. 3 (a).Conducting state shown in Fig. 3 (a) and Fig. 3 (b) (promptly going up pipe and a pipe conducting simultaneously down for one) has constituted first kind of state of tri-state switch, when using at ternary three-level PFC circuit just correspondence first mode.Correspondingly, conducting state shown in Fig. 3 (c) and Fig. 3 (d) is corresponding respectively second kind of state of tri-state switch (going up pipe conducting simultaneously for two) and the third state (two pipe conductings simultaneously down), promptly when being applied in ternary three-level PFC circuit just correspondence second mode and the 3rd mode.In above-mentioned tri-state switch, an end of the same name of transformer links to each other with a different name end, and the electric current that flows into two brachium pontis like this equates.Because the different conductings of four switching tubes have constituted three kinds of operating states, this also is the principle of tri-state switch name.
See also Fig. 4 (a) to Fig. 4 (h), be respectively the operation mode figure of four attitude switches.To shown in Fig. 4 (h), the secondary of transformer is linked to be triangular structure as Fig. 4 (a), does the electric current that can make in three windings in former limit like this and equates that operation principle is similar to tri-state switch.Wherein, Fig. 4 (a) to Fig. 4 (c) one go up pipe and two and manage conductings down, form first state.Fig. 4 (d) to Fig. 4 (f) two go up pipe and one and manage conductings down, form second state.Three pipe conductings down form the third state among Fig. 4 (g).Go up the pipe conducting for three among Fig. 4 (h), form four condition.
By that analogy, (N+1) structural similarity of the structure of attitude switch and four attitude switches, the number of windings of transformer is increased to N, and the brachium pontis number of switching tube also is increased to N simultaneously.Being of wide application of polymorphic switch, both can be used in the single phase circuit also can be used in the three-phase circuit, both can be used in the rectifier also can be used in the inverter, can be used in the structure of boosting also can be used in the buck configuration, can be in the full-bridge topology usefulness, also can in half-bridge topology, use.The present invention then utilizes the above-mentioned characteristic of polymorphic switch to constitute ternary three-level PFC circuit and polymorphic three-level PFC circuit.
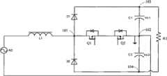
See also Fig. 5, be the circuit theory diagrams of ternary three-level PFC circuit first preferred embodiment of the present invention.As shown in Figure 5, the present invention at first provides a kind of ternary three-level PFC circuit, and this pfc circuit comprisesinductance L 1, compound tri-state switch,first capacitor C 1 and second capacitor C 2.Inductance L 1 is connected between AC power AC first end and compound tri-state switchfirst end 201, compound tri-state switchsecond end 202 is connected first end offirst capacitor C 1, compound tri-state switch the3rd end 203 is connected second end ofsecond capacitor C 2, compound tri-state switch the4th end 204 ground connection, second end of first end offirst capacitor C 1,first capacitor C 1 and second end ofsecond capacitor C 2 are exported three level bus level and are come supply load R1.
The compound tri-state switch that adopts among the present invention comprises first tri-state switch and second tri-state switch, and wherein first tri-state switch is worked when ac supply signal is in positive half period, and second tri-state switch is worked when ac supply signal is in negative half-cycle.
As shown in Figure 5, first tri-state switch comprises transformer T, the first diode D1 and D3, switching tube S1 and S2.Wherein the first diode D1 and switching tube S1 constitute first group of brachium pontis.The first diode D3 and switching tube S2 constitute second group of brachium pontis.The end of the same name on the former limit of transformer T and the different name end of secondary link to each other asfirst end 201 of compound tri-state switch.The anode of diode D1 links to each other with the end of the same name of the secondary of transformer T, and negative electrode is that first capacitor C, 1 first end links to each other with compound tri-state switch second end 202.Switching tube S1 is connected across between the end of the same name and ground of secondary of transformer.The anode of diode D3 links to each other with the different name end on the former limit of transformer T, and negative electrode is that first capacitor C, 1 first end links to each other with compound tri-state switch second end 202.Switching tube S2 is connected across between the different name end and ground on former limit of transformer.
Compound tri-state switch also comprises two second diode D2 and D4.The negative electrode of diode D2 is connected to the end of the same name of the secondary of transformer T, and anode is that second capacitor C, 2 second ends link to each other with compound tri-state switch the 3rd end 203.The negative electrode of diode D4 is connected to the different name end on the former limit of transformer T, and anode is that second capacitor C, 2 second ends link to each other with compound tri-state switch the 3rd end 203.Transformer T, two switching tube S1 and S2 and diode D2 and D4 have just constituted second tri-state switch.Turn-on and turn-off by PWM modulates the control switch pipe just can realize the output of different modalities.
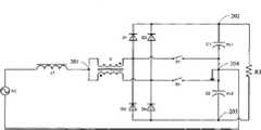
See also Fig. 6, be the circuit theory diagrams of ternary three-level PFC circuit second preferred embodiment of the present invention.Above-mentioned switching tube S1 and S2 are the anti-series Mosfet that electric current can two-way flow, and its structure and first embodiment are similar, and difference only is to adopt switching tube Q1 and Q2 anti-series to finish the function of switch S 1.Concrete structure is as follows: the drain electrode of switching tube Q1 links to each other with the end of the same name of the secondary of transformer T, and the source electrode of switching tube Q1 links to each other with the source electrode of switching tube Q2, and the drain electrode of switching tube Q2 links to each other with ground.The drain electrode of switching tube Q3 links to each other with the different name end on the former limit of transformer T, and the source electrode of switching tube Q3 links to each other with the source electrode of switching tube Q4, and the drain electrode of switching tube Q4 links to each other with ground.Just can control the conducting state of brachium pontis by control switching tube Q1, Q2, Q3 and Q4.
See also Fig. 7 (a), Fig. 7 (b) and Fig. 7 (c), 7 (d), be respectively the working mode figure of ternary three-level PFC circuit in the preferred embodiment of the present invention.Mode of operation when wherein Fig. 7 (a) is in positive half period for circuit of the present invention.In this mode of operation, first tri-state switch conducting work.Staggered 180 degree switches of switching tube S1 and S2 wherein, when input voltage AC is in sinusoidal wave positive half period, inductive current will flow through diode D1, diode D3 or switching tube S1, switching tube S2.When the switching tube conducting, then electric current flows through switching tube S1 and switching tube S2, the diode D1 of corresponding brachium pontis and diode D3 otherwise electric current is flowed through.Mode of operation when Fig. 7 (b) is in negative half-cycle for circuit of the present invention.In this mode of operation, second tri-state switch conducting work.When input voltage AC is in sinusoidal wave negative half-cycle, inductive current will flow through diode D2, diode D4 or switching tube S1, switching tube S2.When the switching tube conducting then electric current flow through switching tube S1 and switching tube S2, the diode D2 of corresponding brachium pontis and diode D4 otherwise electric current is flowed through.The third mode of operation when Fig. 7 (c), 7 (d) turn-off for switching tube S1 and S2, first tri-state switch and second tri-state switch respectively have a diode current flow.
The present invention also adopts polymorphic switch to realize polymorphic three-level PFC circuit.This polymorphic three-level PFC circuit comprises: inductance, compound polymorphic switch, first electric capacity and second electric capacity.Inductance is connected between AC power first end and compound polymorphic switch first end, compound polymorphic switch second end is connected first end of second electric capacity, compound polymorphic switch the 3rd end is connected second electric capacity, second end, compound polymorphic switch the 4th end ground connection, second end of first end of first electric capacity, second end of first electric capacity and second electric capacity is exported three level voltages.
In some preferred embodiments of polymorphic three-level PFC circuit provided by the invention, compound polymorphic switch comprises: the second polymorphic switch of working when first polymorphic switch of working when the AC power input signal is in positive half period and AC power input signal are in negative half-cycle.
The first polymorphic switch comprises the transformer with N winding, and wherein N is the integer greater than 2.A secondary N winding of transformer is linked to be equilateral polygon, and the end of the same name of a former limit N winding of transformer links to each other as compound polymorphic switch first end, and the electric current between each winding of former limit equates.The first polymorphic switch comprises also that respectively the N that links to each other with the different name end of the former limit N winding of transformer organizes first diode and switching tube.Wherein the anode of N first diode is connected to the different name end of a former limit N winding of transformer respectively, and the negative electrode of N first diode links to each other with first end of first electric capacity.N switching tube is connected across respectively between the different name end and ground of a former limit N winding of transformer.
Compound polymorphic switch also comprises N second diode.The negative electrode of N second diode is connected to the different name end of a former limit N winding of transformer respectively, and the anode of N second diode links to each other with second end of second electric capacity.Therefore, transformer, a N switching tube and N second diode constitutes the second polymorphic switch.The i.e. first polymorphic switch and second polymorphic switch common transformer and the switching tube.
Above-mentioned first switching tube be can the electric current two-way flow switching devices such as Mosfet, IGBT.As adopt first switching tube and second switch pipe, and the source electrode of first switching tube and the source electrode of second switch pipe are linked to each other, the drain electrode of second switch pipe links to each other with ground.
See also Fig. 8, be four attitude three-level PFC circuit schematic diagrams in the preferred embodiment of the present invention.As shown in Figure 8, the structure of four attitude three-level PFC circuits and ternary three-level PFC circuit structural similarity, difference is, has used compound four attitude switches.Compound four attitude switches comprise the one or four attitude switch and the two or four attitude switch equally.The conducting work when the AC power input signal is in positive half period of the one or four attitude switch, it mainly comprises transformer T, the first diode D1, D3 and D5, and switching tube S1, S2 and S3.Wherein the first diode D1 and switching tube S1 constitute first group of brachium pontis.The first diode D3 and switching tube S2 constitute second group of brachium pontis.The first diode D5 and switching tube S3 constitute the 3rd group of brachium pontis.The anode of the first diode D1, D3 and D5 is connected respectively to the different name end of 3 windings on the former limit of transformer T, and negative electrode links to each other with compound four attitude switches, second end 202.Switching tube S1, S2 and S3 are connected across respectively between the different name end and ground of 3 windings on former limit of transformer T.By Fig. 4 (a) to the analysis of Fig. 4 (h) as can be known, the one or four attitude switch can be realized the output of four attitudes, three level.Compound four attitude switches also comprise two second diode D2, D4 and D6.The negative electrode of the second diode D2, D4 and D6 is connected respectively to the different name end of 3 windings on the former limit of transformer T, and anode links to each other with compound four attitude switches the 3rd end 203.Transformer T, three switching tube S1, S2 and S3, and diode D2, D4 and D6 have just constituted the two or four attitude switch.Just can corresponding four mode that draw pfc circuit according to the state variation of above-mentioned four attitude switches, thus realize the output of four attitudes, three level.
Below traditional three-level PFC circuit shown in Figure 1 and ternary three-level PFC circuit shown in Figure 6 are carried out emulation.The bearing power that keeps two circuit, input and output voltage and the big small frequency of input current ripple be identical to carry out parameter designing and emulation.
See also the output voltage waveform that Fig. 9 (a) and Fig. 9 (b) are respectively traditional circuit and circuit of the present invention, Figure 10 (a) and Figure 10 (b) are respectively the input current waveform figure of traditional circuit and circuit of the present invention.The output voltage that this shows traditional three-level PFC and ternary three-level PFC is identical, and when load was identical, the input current of ternary three-level PFC circuit provided by the invention was less than the input current of traditional three-level PFC, and visible circuit efficiency provided by the invention is higher.
See also the drive signal waveform figure that Figure 11 (a) and Figure 11 (b) are respectively traditional circuit and circuit of the present invention, Figure 12 (a) and Figure 12 (b) are respectively traditional circuit and circuit inductance current ripples figure of the present invention.Traditional as seen from the figure three-level PFC and ternary three-level PFC have the inductive current ripple of same frequency, and the switching frequency of ternary three-level PFC switching tube only is traditional three-level PFC half, and this also is that ternary three-level PFC has one of more high efficiency reason.
See also Figure 13 (a) and Figure 13 (b) and be respectively traditional circuit and circuit inductance voltage oscillogram of the present invention, Figure 14 (a) and Figure 14 (b) are respectively traditional circuit and circuit inductance current waveform figure of the present invention.The inductance of ternary three-level PFC is withstand voltage to be half of traditional three-level PFC, like this under the identical situation of other conditions, its inductance value can be half of traditional three-level PFC, the inductance volume also reduces, simultaneously, the inductive current ripple of ternary three-level PFC has more ripples in the same cycle be zero point, and this also is of value to the PF value that improves circuit and reduces THD.
See also Figure 15 (a) and be respectively the inductive current ripple figure of the ternary three-level PFC circuit of the present invention when the different duty to Figure 15 (c).Wherein duty ratio is greater than 0.5 among Figure 15 (a), and duty ratio is less than 0.5 among Figure 15 (b), and duty ratio equals 0.5 among Figure 15 (c).As seen the inductive current ripple frequency is the twice of switching frequency, and the inductance ripple current is 0.5 o'clock to be zero in duty ratio.
See also Figure 16 (a) and Figure 16 (b) and be respectively traditional circuit and circuit of the present invention voltage oscillogram at switching tube group two ends.To be Figure 16 (a) be Fig. 1mid point 101 and the voltage oscillogram of putting between 102, Figure 16 (b) is the voltage oscillogram between transformer rear end and the ground among Fig. 6.Figure 16 (c) is the voltage oscillogram of transformer T front end in the circuit diagram 6 of thepresent invention 201 with ground.The transformer front end of ternary three-level PFC circuit then presents five level to the voltage on ground, and this also is of value to the PF value that improves circuit and reduces THD.
If keep identical inductive current ripple size and frequency as can be seen from comparative result, the switching frequency of the ternary three-level PFC of the present invention is half of common three level, thereby makes the switching frequency of polymorphic three-level PFC reduce, and corresponding efficient improves.Since this moment polymorphic three-level PFC also corresponding the reducing of inductance value, the big or small sum of inductance and transformer does not increase, and is basic identical with the inductance size of traditional three-level PFC.
In addition, if only keep the inductive current ripple of identical size, adopt identical switching frequency, then the inductive current ripple frequency of polymorphic three-level PFC can be multiplied, and this moment, the volume of inductance and transformer can significantly reduce.The inductance value of single-phase ternary three-level PFC is that the inductance value of 1/4, four attitude three-level PFC of traditional three-level PFC is 1/9 of traditional three-level PFC, and its THD is also less than traditional circuit.If be applied to three-phase circuit, inductance reduces can be more.
Common inductor design process is as follows:
If inductance value is L, the maximum current that flows through inductance is Io, and the window utilance of magnetic core is Kw, and current in wire density is Jc, and peakflux density is Bmax, and the needed product of areas of inductance is AP.
Then the design principle according to inductance can draw:
AP=L*Io2Kw*Bmax*Jc
OrderK=Io2Kw*Bmax*Jc
Can draw
AP=K*L
AP is the product of magnetic core window area and magnetic core sectional area, if select identical K for use, then the size of inductance volume becomes certain proportional relationship with inductance value, and why Here it is can obviously reduce the reason of inductor size with polymorphic three-level PFC.
This shows that polymorphic three-level PFC circuit provided by the invention can improve circuit characteristic, and design the size that significantly improves efficient or significantly reduce passive device as required.
In sum, the present invention proposes a kind of ternary three-level PFC circuit and the polymorphic three-level PFC circuit structure that can improve circuit characteristic, and the advantage of using this structure is as follows:
1) polymorphic three-level PFC converter does not need special flow equalizing circuit, because the secondary of transformer can natural current-sharing;
2) stress of reduction passive device such as electric capacity (dc-link capacitance, filter capacitor) and inductance (filter inductance, buck inductance);
3) reduce the conducting and the switching loss (can use the P cock pipe under the equal-wattage grade) of switching tube;
4) improve system dynamic characteristic;
5) improve systematic function, improve power factor, reduce total harmonic distortion;
6) design the size that can significantly improve efficient or reduce passive device as required.
The present invention is described according to specific embodiment, but it will be understood by those skilled in the art that when not breaking away from the scope of the invention, can carry out various variations and be equal to replacement.In addition, for adapting to the specific occasion or the material of the technology of the present invention, can carry out many modifications and not break away from its protection range the present invention.Therefore, the present invention is not limited to specific embodiment disclosed herein, and comprises that all drop into the embodiment of claim protection range.

Claims (8)

CN2010101383116A2010-03-302010-03-30Three-state three-level PFC circuit and multi-state three-level PFC circuitExpired - Fee RelatedCN101860192B (en)

Priority Applications (1)

Application NumberPriority DateFiling DateTitle
CN2010101383116ACN101860192B (en)2010-03-302010-03-30Three-state three-level PFC circuit and multi-state three-level PFC circuit

Applications Claiming Priority (1)

Application NumberPriority DateFiling DateTitle
CN2010101383116ACN101860192B (en)2010-03-302010-03-30Three-state three-level PFC circuit and multi-state three-level PFC circuit

Publications (2)

Publication NumberPublication Date
CN101860192Atrue CN101860192A (en)2010-10-13
CN101860192B CN101860192B (en)2013-08-07

Family

ID=42945898

Family Applications (1)

Application NumberTitlePriority DateFiling Date
CN2010101383116AExpired - Fee RelatedCN101860192B (en)2010-03-302010-03-30Three-state three-level PFC circuit and multi-state three-level PFC circuit

Country Status (1)

CountryLink
CN (1)CN101860192B (en)

Cited By (20)

* Cited by examiner, † Cited by third party
Publication numberPriority datePublication dateAssigneeTitle
CN102664542A (en)*2012-04-272012-09-12华为技术有限公司Circuit and control method thereof
CN102684519A (en)*2012-04-272012-09-19华为技术有限公司Circuit and control method thereof
WO2014063478A1 (en)*2012-10-232014-05-01华为技术有限公司Three-phase alternating converter for tri-state switch unit
EP2667499A4 (en)*2011-07-012015-03-11Huawei Tech Co LtdConverter for power factor correction and conversion apparatus for power factor correction
CN104795987A (en)*2014-01-172015-07-22雅达电子国际有限公司 Multiphase DC-DC Converter
CN105024570A (en)*2014-04-292015-11-04艾默生网络能源有限公司Single-phase inverter circuit
CN105024571A (en)*2014-04-292015-11-04艾默生网络能源有限公司Three-phase inverter circuit
US9203298B2 (en)2012-10-232015-12-01Huawei Technologies Co., Ltd.Three-phase interleave converter with three-state switching cell
CN105322796A (en)*2014-07-282016-02-10艾默生网络能源有限公司Polymorphic three-level booster circuit
CN105322811A (en)*2014-07-222016-02-10艾默生网络能源有限公司Power conversion circuit and inverter
TWI560990B (en)*2015-11-262016-12-01Yi-Hong Liao
CN106936306A (en)*2015-12-302017-07-07华为技术有限公司Polymorphic totem pfc circuit
CN107370466A (en)*2011-09-162017-11-21意法半导体研发(深圳)有限公司Amplifying circuit
CN107453597A (en)*2017-09-062017-12-08湖北工业大学Flexible more level Bridgeless power factor correction converters and modulator approach
WO2018141283A1 (en)*2017-02-042018-08-09中兴通讯股份有限公司Bridge-free pfc circuit
CN109286329A (en)*2017-07-222019-01-29中兴通讯股份有限公司A kind of rectification circuit device and implementation method for three-phase electricity
WO2019238707A1 (en)*2018-06-142019-12-19ThalesAc-dc converter
CN112332516A (en)*2020-11-062021-02-05重庆大学Power management system of capacitive generator
CN113708614A (en)*2021-08-022021-11-26深圳英飞源技术有限公司Active power factor correction circuit and power supply device
WO2022111531A1 (en)*2020-11-252022-06-02深圳市科华恒盛科技有限公司Rectifier module, and application method for rectifier module

Citations (4)

* Cited by examiner, † Cited by third party
Publication numberPriority datePublication dateAssigneeTitle
US6026006A (en)*1998-09-212000-02-15Lucent Technologies Inc.Integrated three-phase power converter and method of operation thereof
US6031739A (en)*1998-08-122000-02-29Lucent Technologies Inc.Two-stage, three-phase split boost converter with reduced total harmonic distortion
WO2003017457A1 (en)*2001-08-212003-02-27Emerson Energy Systems AbAn arrangement for an electrical converter
CN1599214A (en)*2004-08-202005-03-23艾默生网络能源有限公司Soft switch power factor correcting circuit

Patent Citations (4)

* Cited by examiner, † Cited by third party
Publication numberPriority datePublication dateAssigneeTitle
US6031739A (en)*1998-08-122000-02-29Lucent Technologies Inc.Two-stage, three-phase split boost converter with reduced total harmonic distortion
US6026006A (en)*1998-09-212000-02-15Lucent Technologies Inc.Integrated three-phase power converter and method of operation thereof
WO2003017457A1 (en)*2001-08-212003-02-27Emerson Energy Systems AbAn arrangement for an electrical converter
CN1599214A (en)*2004-08-202005-03-23艾默生网络能源有限公司Soft switch power factor correcting circuit

Cited By (33)

* Cited by examiner, † Cited by third party
Publication numberPriority datePublication dateAssigneeTitle
EP2667499A4 (en)*2011-07-012015-03-11Huawei Tech Co LtdConverter for power factor correction and conversion apparatus for power factor correction
CN107370466A (en)*2011-09-162017-11-21意法半导体研发(深圳)有限公司Amplifying circuit
CN102664542B (en)*2012-04-272014-09-03华为技术有限公司Circuit and control method thereof
EP2675052A4 (en)*2012-04-272014-04-23Huawei Tech Co Ltd CIRCUIT AND METHOD FOR CONTROLLING THE SAME
CN102684519B (en)*2012-04-272014-09-03华为技术有限公司Circuit and control method thereof
CN102664542A (en)*2012-04-272012-09-12华为技术有限公司Circuit and control method thereof
WO2013159539A1 (en)*2012-04-272013-10-31华为技术有限公司Circuit and control method thereof
CN102684519A (en)*2012-04-272012-09-19华为技术有限公司Circuit and control method thereof
WO2014063478A1 (en)*2012-10-232014-05-01华为技术有限公司Three-phase alternating converter for tri-state switch unit
US9203298B2 (en)2012-10-232015-12-01Huawei Technologies Co., Ltd.Three-phase interleave converter with three-state switching cell
CN104795987A (en)*2014-01-172015-07-22雅达电子国际有限公司 Multiphase DC-DC Converter
CN105024570A (en)*2014-04-292015-11-04艾默生网络能源有限公司Single-phase inverter circuit
CN105024571A (en)*2014-04-292015-11-04艾默生网络能源有限公司Three-phase inverter circuit
CN105024570B (en)*2014-04-292017-09-29艾默生网络能源有限公司A kind of single-phase inversion circuit
CN105322811A (en)*2014-07-222016-02-10艾默生网络能源有限公司Power conversion circuit and inverter
CN105322796B (en)*2014-07-282017-09-12艾默生网络能源有限公司A kind of polymorphic tri-lever boosting circuit
CN105322796A (en)*2014-07-282016-02-10艾默生网络能源有限公司Polymorphic three-level booster circuit
TWI560990B (en)*2015-11-262016-12-01Yi-Hong Liao
CN106936306A (en)*2015-12-302017-07-07华为技术有限公司Polymorphic totem pfc circuit
CN106936306B (en)*2015-12-302020-02-21华为技术有限公司 Polymorphic Totem PFC Circuit
WO2018141283A1 (en)*2017-02-042018-08-09中兴通讯股份有限公司Bridge-free pfc circuit
CN108400705A (en)*2017-02-042018-08-14中兴通讯股份有限公司A kind of non-bridge PFC circuits
CN109286329A (en)*2017-07-222019-01-29中兴通讯股份有限公司A kind of rectification circuit device and implementation method for three-phase electricity
CN107453597A (en)*2017-09-062017-12-08湖北工业大学Flexible more level Bridgeless power factor correction converters and modulator approach
FR3082684A1 (en)*2018-06-142019-12-20Thales AC-DC CONVERTER
WO2019238707A1 (en)*2018-06-142019-12-19ThalesAc-dc converter
KR20210020029A (en)*2018-06-142021-02-23탈레스 AC-DC converter
US11323024B2 (en)2018-06-142022-05-03ThalesAC-DC converter
KR102682509B1 (en)2018-06-142024-07-05탈레스 AC-DC converter
CN112332516A (en)*2020-11-062021-02-05重庆大学Power management system of capacitive generator
WO2022111531A1 (en)*2020-11-252022-06-02深圳市科华恒盛科技有限公司Rectifier module, and application method for rectifier module
CN113708614A (en)*2021-08-022021-11-26深圳英飞源技术有限公司Active power factor correction circuit and power supply device
CN113708614B (en)*2021-08-022024-02-20深圳英飞源技术有限公司Active power factor correction circuit and power supply device

Also Published As

Publication numberPublication date
CN101860192B (en)2013-08-07

Similar Documents

PublicationPublication DateTitle
CN101860192A (en)Three-state three-level PFC circuit and multi-state three-level PFC circuit
CN101621247B (en)Power factor correction circuit
CN107994772A (en)A kind of DC-DC converter
CN105846696B (en)A kind of two-stage type AC-DC converter and its control method
CN101895223A (en)Double-Cuk buck-boost output parallel-type converter
CN111697859B (en)Buck-boost inverter and control method thereof
CN101958660A (en) Dual Sepic buck-boost output parallel combined inverter
KR102344534B1 (en)Power converter
CN107204717A (en)A kind of Bridgeless boost type CUK pfc circuits
CN103391001B (en)For the high-gain DC/DC converter of MPPT link of photovoltaic inverter
CN103904923B (en)High-gain high frequency based on mixed-rectification brachium pontis and switching capacity boosting rectification isolated converter
CN101521460A (en)Multi-channel output direct current-direct-current converter
CN113659863B (en) A double-ended common ground inverter
CN107070196A (en)A kind of three-phase PFC rectification circuits with center line
CN106712523B (en)A kind of three levels full-bridge converters of boosting and its control method
CN100433527C (en)Double step-down inverter
CN107147303B (en) A single-phase X-type interleaved three-level AC voltage regulating circuit
CN104333247B (en)Using the cascading multiple electrical level of three-terminal switch network is single-phase and three-phase inverter
CN108599346A (en)A kind of three-level formula electric vehicle charging circuit and its control method
CN209134309U (en)A kind of three-phase alternating current-direct current buck translation circuit
CN107612329A (en) An Isolated Boost Double Half-Bridge DC‑DC Converter
CN103595248A (en)Soft switching Boost topology circuit
CN203590033U (en)High gain DC/DC converter applied in photovoltaic inverter MPPT link
CN111245272B (en) T-type nested neutral point clamped hybrid multilevel converter and power generation system
CN100459400C (en)Semiperiod control single polar double voltage reducing convertor

Legal Events

DateCodeTitleDescription
C06Publication
PB01Publication
C10Entry into substantive examination
SE01Entry into force of request for substantive examination
C14Grant of patent or utility model
GR01Patent grant
CP03Change of name, title or address
CP03Change of name, title or address

Address after:Nanshan District Xueyuan Road in Shenzhen city of Guangdong province 518055 No. 1001 Nanshan Chi Park B2 building 1-4 floor, building 6-10

Patentee after:VERTIV TECH Co.,Ltd.

Address before:518057 Nanshan District science and Technology Industrial Park, Guangdong, Shenzhen Branch Road, No.

Patentee before:EMERSON NETWORK POWER Co.,Ltd.

CF01Termination of patent right due to non-payment of annual fee
CF01Termination of patent right due to non-payment of annual fee

Granted publication date:20130807


[8]ページ先頭

©2009-2025 Movatter.jp