Movatterモバイル変換


[0]ホーム

URL:


CN101827481B - Alternating-current power supply LED light source drive circuit with segmented conversion input - Google Patents

Alternating-current power supply LED light source drive circuit with segmented conversion input
Download PDF

Info

Publication number
CN101827481B
CN101827481BCN 201010195126CN201010195126ACN101827481BCN 101827481 BCN101827481 BCN 101827481BCN 201010195126CN201010195126CN 201010195126CN 201010195126 ACN201010195126 ACN 201010195126ACN 101827481 BCN101827481 BCN 101827481B
Authority
CN
China
Prior art keywords
positive
diode
led
voltage
led light
Prior art date
Legal status (The legal status is an assumption and is not a legal conclusion. Google has not performed a legal analysis and makes no representation as to the accuracy of the status listed.)
Expired - Fee Related
Application number
CN 201010195126
Other languages
Chinese (zh)
Other versions
CN101827481A (en
Inventor
李云霄
云永利
秦金磊
李征
韩颖慧
Current Assignee (The listed assignees may be inaccurate. Google has not performed a legal analysis and makes no representation or warranty as to the accuracy of the list.)
ZHENGZHOU NTC OPTOELECTRONICS TECHNOLOGY Co Ltd
Original Assignee
李云霄
Priority date (The priority date is an assumption and is not a legal conclusion. Google has not performed a legal analysis and makes no representation as to the accuracy of the date listed.)
Filing date
Publication date
Priority claimed from CN200910172323Aexternal-prioritypatent/CN101668373A/en
Application filed by 李云霄filedCritical李云霄
Priority to CN 201010195126priorityCriticalpatent/CN101827481B/en
Publication of CN101827481ApublicationCriticalpatent/CN101827481A/en
Application grantedgrantedCritical
Publication of CN101827481BpublicationCriticalpatent/CN101827481B/en
Expired - Fee Relatedlegal-statusCriticalCurrent
Anticipated expirationlegal-statusCritical

Links

Images

Landscapes

Abstract

The invention relates to the technology of semiconductor illumination application. An alternating-current power supply LED light source drive circuit with segmented conversion input comprises a light source circuit (4), wherein a certain quantity of groups of LED luminous tubes are externally connected to form the light source circuit (4); a diode is connected in series between every two groups of the LED luminous tubes in the external light source circuit (4); the input end of a voltage-controlled LED parallel-connected series-connected conversion switch control circuit (2) is connected with the output end of a bridge-type rectifying circuit; the output end of the voltage-controlled LED parallel-connected series-connected conversion switch control circuit (2) is connected with each group of LED luminous tubes in the external light source circuit (4); the voltage-controlled LED parallel-connected series-connected conversion switch control circuit (2) divides the input power source voltage into different areas in a half period according to the voltage output by the bridge-type rectifying circuit, and the quantity and the number of the groups of the external LED, and multiple conversions of the parallel-connected and series-connected lightening modes among the plurality of groups of the LED light-emitting diodes according to the amount of areas and determining the series-connection and parallel-connection ways based on the regions where the voltage is located.

Description

The LED light source driving circuit supplied by AC power that segmented conversion drops into
One, technical field: the present invention relates to a kind of technology of semiconductor illumination application, particularly relate to a kind of can modular AC power the direct led light source drive circuit of power supply.
Two, background technology: semiconductor lamp because have that luminous efficiency is high, power savings is obvious, the life-span is long, the remarkable advantage such as pollution-free, anti-vibration, day by day be subject to the attention of countries in the world, be expected to replace in the near future traditional various lightings.But this light fixture all adopts the DC driven Power supply usually, must install alternating current is become galvanic constant-current driving power supply in light fixture, although switching regulator constant-current source efficient is higher, efficiency reduces about 10% when being used for the driving LED light fixture; In addition owing to generally all being lower than 10000 hours the useful life of the electrolytic capacitor of commonly using in the Switching Power Supply, although the life-span of led light source can reach 5~70,000 hours, after but power circuit damages, light fixture namely can not use, need to purchase new light fixture, form the energy-conservation difficult situation that does not save money of present energy-saving lamp, uneconomical, have a strong impact on it and promote the use of.
In order to address this problem, application number be 200710172585.0 (publication number is CN 101137261A), denomination of invention for " device and the method that are used for driving LED " application for a patent for invention discloses a kind of relatively simple for structure and AC power drive-type LED lamp device that power efficiency is high.The voltage (commutating voltage) that will carry out the signal after the rectification to AC power compares with the reference voltage of regulation, flows into conducting and the cut-off of the drive current of each LED in led array according to its comparative result control.According to this structure, can make when AC supply voltage is large more that the LED of more number lights, when alternating voltage hour lights the LED of lesser number, can improve thus the power efficiency of LED lamp device.Figure 13 is that the power-efficient of control method driving LED lamp and the graph of a relation between the LED efficient are lighted in the aforementioned patent applications segmentation, curve has shown the relation between power-efficient and the LED efficient among the figure, as seen from the figure, the quantity of LED is more, the efficient of power supply is higher, but the utilance of LED is lower, particularly working as at supply voltage is under the standard 220V condition, press the LED quantity of power-efficient 95% design, when supply voltage is 190V, to have part LED not work, the efficient of power supply can be reduced to 80% when voltage is 270V, and the power that consumes on the current source will increase by 6~7 times.
Figure 14 is the aforementioned patent applications rectifying full bridge input voltage power that LED consumed power and current source consume when 190V-270V changes,curve 104 expression LED consumed powers among the figure, 105 expression current source consumed powers, expensive LED lamp on the one hand, the valuable energy on the other hand, improve energy utilization rate, must sacrifice the LED lamp, further analyze, can draw such conclusion: namely the technical scheme of this application is the problem that can't fundamentally solve utilization rate of electrical and LED light-emitting diode utilization ratio, adopt in addition traditional passive continuous current source circuit, although its input voltage with can make electric current substantially remain in the setting range by electric current, but when both end voltage is too high, the electric current that flows through also can raise and raise a little with voltage, and when supply voltage during by the 190V---270V range, the average electrical by LED fails to be convened for lack of a quorum and raises with voltage, power consumption on the constant-current source then raises with voltage and is multiplied, and can cause power-efficient to descend.
Three, summary of the invention:
The present invention is directed to the prior art deficiency, the LED light source driving circuit supplied by AC power that a kind of segmented conversion drops into is proposed, rationally control the parallel connection and serial connection of LED light-emitting diode by voltage regulator circuit, so that the Current Control by light-emitting diode is in rational scope, thoroughly solved power utilization rate and LED light-emitting diode luminous efficiency implacable contradiction between the two, and can assemble accordingly produce that cost is low, high efficiency, long service life, the direct LED illuminating lamp of power supply of AC power of being convenient to large-scale promotion application.
The technical solution adopted in the present invention:
The LED light source driving circuit supplied by AC power that a kind of segmented conversion drops into, contain bridge rectifier (1), voltage-controlled LED series connection in parallel alteration switch control circuit (2), the current switch control circuit (3) that voltage-controlled negative temperature coefficient is variable, the circuit of light sources (4) that the LED luminous tube of some groups number that drive circuit is external forms, the variable current switch control circuit (3) of voltage-controlled negative temperature coefficient is connected in series in the output of bridge rectifier (1), in external circuit of light sources (4), be in series with diode between per two groups of LED luminous tubes, described voltage-controlled LED series connection in parallel alteration switch control circuit (2) input connects the output of bridge rectifier, respectively organize the LED luminous tube in the output control connection circuit of light sources (4) of voltage-controlled LED series connection in parallel alteration switch control circuit (2), described voltage-controlled LED series connection in parallel alteration switch control circuit (2) according to the voltage of bridge rectifier (1) output in half period with the supply voltage of input according to the quantity of external LED with organize number and be divided into different zones, determine the series-parallel system of LED according to zone what and voltage region, realize the repeatedly conversion of parallel connection and serial connection lighting mode between many group LED light-emitting diodes.
The LED light source driving circuit supplied by AC power that described segmented conversion drops into, by the variable current switch control circuit (3) of voltage-controlled negative temperature coefficient, allow the different electric currents that pass through according to the various combination mode of LED luminous tube, make its electronic switch correspondence be operated in the turn-on and turn-off two states, and electric current and LED lamp temperatures that the LED luminous tube is passed through are inversely proportional to; In described voltage-controlled LED series connection in parallel alteration switch control circuit (2), adopt the control of positive-negative-positive electronic switch to flow into the electric current of LED light-emitting diode, adopt the control of NPN type electronic switch to flow out the electric current of LED light-emitting diode; Be connected to drive circuit inside in the diode of connecting between per two groups of LED luminous tubes in external circuit of light sources (4), perhaps series connection is external in the drive circuit outside with LED luminous tube group.
The LED light source driving circuit supplied by AC power that described segmented conversion drops into, external light source circuit (4) comprises A, B, three groups of LED light-emitting diodes of C, diode of two adjacent groups LED light-emitting diode among series connection, described voltage-controlled LED series connection in parallel alteration switch control circuit (2) correspondence is provided with 2 NPN type electronic switches and 2 positive-negative-positive electronic switches, and wherein the drain electrode of first NPN type electronic switch (N1) is connected to A group LED light-emitting diode and first diode (D2) the connected node place, the drain electrode of second NPN type electronic switch (N2) is connected to B group LED light-emitting diode and second diode (D3) the connected node place, the source electrode of two NPN type electronic switches connects the input of current regulator (N4) in the current switch control circuit and the tie point place of whole circuit of light sources negative pole, second comparator (B2) in two NPN type electronic switch difference controlled connection voltage-controlled LED series connection in parallel alteration switch control circuits (2), the output of the 3rd comparator (B3), the source electrode of first positive-negative-positive electronic switch (P1) is connected to the negative pole with the diode of the intermediate point of all LED light-emitting diode two five equilibriums in the voltage-controlled LED series connection in parallel alteration switch control circuit (2), its drain electrode is connected with the input of first group of LED light-emitting diode, grid connects the drain electrode of first NPN type electronic switch (N1), and the source electrode of second positive-negative-positive electronic switch (P2) is connected to C group LED light-emitting diode positive pole and second diode (D3) tie point of negative pole, the drain electrode of second positive-negative-positive electronic switch (P2) connects the positive source input of LED light-emitting diode group, the grid of second positive-negative-positive electronic switch (P2) connects the collector electrode of a NPN type control triode (Q1), the grounded emitter of described control triode (Q1), its control base stage connects the output of first voltage comparator (B1).
The LED light source driving circuit supplied by AC power that described segmented conversion drops into, external light source circuit (4) comprises A, B, three groups of LED light-emitting diodes of C, diode of two adjacent groups LED light-emitting diode among series connection, described voltage-controlled LED series connection in parallel alteration switch control circuit (2) correspondence is provided with 2 NPN type electronic switches and 1 positive-negative-positive electronic switch, wherein the drain electrode of first NPN type electronic switch is connected to the connected node place of A group LED light-emitting diode and first diode, the drain electrode of second NPN type electronic switch is connected to the connected node place of B group LED light-emitting diode and second diode, the source electrode of two NPN type electronic switches links to each other with the drain electrode of current regulator (N4) in the variable current switch control circuit (3) of voltage-controlled negative temperature coefficient, the output of first comparator (B1) and second comparator (B2) in the grid difference controlled connection voltage-controlled LED series connection in parallel alteration switch control circuit (2) of two NPN type electronic switches, the source electrode of described positive-negative-positive electronic switch (P1) is connected to the negative pole with the diode of the intermediate point of all LED luminous tube two five equilibriums, its drain electrode connects the power input of LED light-emitting diode group, and its grid connects the drain electrode of first NPN type electronic switch (N1) by resistively couple.
The LED light source driving circuit supplied by AC power that described segmented conversion drops into, external light source circuit (4) comprises A, B, C, four groups of LED light-emitting diodes of D, diode of two adjacent groups LED light-emitting diode among series connection, described voltage-controlled LED series connection in parallel alteration switch control circuit (2) correspondence is provided with 3 NPN type electronic switches and 3 positive-negative-positive electronic switches, and wherein the drain electrode of first NPN type electronic switch (N1) is connected to A group LED light-emitting diode and first diode (D by diode1) the connected node place, this node is by an anti-phase diode (D7) link to each other with the negative pole end of C group LED luminous tube, the drain electrode of second NPN type electronic switch (N2) is connected to B group LED light-emitting diode and second diode (D by diode2) the connected node place, the drain electrode of the 3rd NPN type electronic switch (N3) is connected to C group LED light-emitting diode and the 3rd diode (D3) the connected node place, the source electrode of three NPN type electronic switches links to each other with the drain electrode of current regulator (N4) in the variable current switch control circuit (3) of LED luminous tube group negative pole end and voltage-controlled negative temperature coefficient, each comparator (B1 in the grid difference controlled connection voltage-controlled LED series connection in parallel alteration switch control circuit (2) of three NPN type electronic switches, B2, B3), the drain electrode of first positive-negative-positive electronic switch (P1) is connected to diode (D with the intermediate point of all LED luminous tube two five equilibriums in the voltage-controlled LED series connection in parallel alteration switch control circuit (2)2) negative pole, the drain electrode of second positive-negative-positive electronic switch (P2) directly or by diode is connected to two other diode (D with all LED luminous tube quarterings1, D3) negative pole, first, the electrode input end of the source electrode of second positive-negative-positive electronic switch and A group LED luminous tube links to each other with the positive output end of full-bridge after being connected, the drain electrode of the 3rd positive-negative-positive electronic switch (P3) is connected to D and organizes LED luminous tube and the 3rd diode (D3) tie point of negative pole, its source electrode connects C group LED luminous tube and second diode (D2) tie point of negative pole, the grid of three positive-negative-positive electronic switches connects respectively the drain electrode of second NPN type electronic switch, first NPN type electronic switch, the 3rd NPN type electronic switch by coupling resistance.
The LED light source driving circuit supplied by AC power that described segmented conversion drops into, external light source circuit (4) comprises A, B, C, four groups of LED light-emitting diodes of D, described LED segmentation is lighted control switch circuit (2) correspondence and is provided with 3 NPN type electronic switches and 2 positive-negative-positive electronic switches, and wherein the drain electrode of first NPN type electronic cutting (N1) is connected to A group LED light-emitting diode and first diode (D by diode1) the connected node place, this node links to each other by the negative pole end of an anti-phase diode and C group LED luminous tube, the drain electrode of second NPN type electronic switch (N2) is connected to B by diode and organizes LED light-emitting diode and second diode (D2) the connected node place, the drain electrode of the 3rd NPN type electronic switch (N3) is connected to the connected node place of C group LED light-emitting diode and the 3rd diode, the source electrode of three NPN type electronic switches links to each other with the drain electrode of current regulator (N4) in the variable current switch control circuit (3) of voltage-controlled negative temperature coefficient with the negative pole of LED luminous tube group, its grid connects respectively the output of three comparators, the drain electrode of first positive-negative-positive electronic switch (P1) is connected to the negative pole with second diode of the intermediate point of all LED luminous tube two five equilibriums, and the drain electrode of second positive-negative-positive electronic switch directly or by diode is connected to two other diode (D with all LED luminous tube quarterings1, D3) negative pole, the source electrode of two positive-negative-positive electronic switches is connected afterwards with the electrode input end of A group LED luminous tube and links to each other with the positive output end of full-bridge, two positive-negative-positive electronic switches are first and second comparator of controlled connection respectively, and the grid of two positive-negative-positive electronic switches connects respectively the drain electrode of second NPN type electronic switch, first NPN type electronic switch by coupling resistance.
The LED light source driving circuit supplied by AC power that described segmented conversion drops into, voltage comparator can adopt integrated circuit operational amplifier, and the positive and negative phase input of each comparator connects respectively a reference voltage and sampling voltage input signal by the coupling bleeder circuit; Described voltage comparator or employing discrete component form.
The LED light source driving circuit supplied by AC power that described segmented conversion drops into, the current switch control circuit (3) that described voltage-controlled negative temperature coefficient is variable, comprise negative temperature coefficient thermistor RT, voltage comparator (B4) and by the current regulator of its control namely thermistor RT one end of a NPN type electronic switch (N4), negative temperature coefficient link to each other with the negative pole of control power supply, the other end passes through a resistance (R6) connect the positive pole of control power supply, thermistor RT and resistance (R6) contact by an anti-phase diode (D4) access voltage comparator (B4) normal phase input end, voltage comparator (B4) normal phase input end is leaded up to resistance (R12) link to each other with the positive pole of control power supply, the two tunnel by a resistance (R11) link to each other with the negative pole of control power supply, the three tunnel by a resistance (R10) link to each other with the second comparator output terminal, the inverting input of described voltage comparator (B4) is leaded up to a resistance (R13) and current sense resistor (R14) and the drain electrode tie point of current regulator (N4) link to each other, another road is by a current-limiting resistance (R15) and a voltage stabilizing didoe (DW2) link to each other the grid of the output control connection current regulator of described voltage comparator (B4) with the connected node of LED light-emitting diode group cathode output end and current regulator.
The LED light source driving circuit supplied by AC power that described segmented conversion drops into, LED light-emitting diode and N-1 diode interval by the series connection of N group are composed in series circuit of light sources (4), diode of series connection between every two groups of adjacent LED light-emitting diodes, described voltage-controlled LED series connection in parallel alteration switch control circuit (2) correspondence is provided with less than N NPN electronic switch and 3,2 or 1 positive-negative-positive electronic switch, wherein the drain electrode of first NPN type electronic switch (N1) is connected to the connected node place of first group of LED light-emitting diode and first diode by diode, the drain electrode of second NPN type electronic switch (N2) is connected to the connected node place of second group of LED light-emitting diode and second diode by diode ..., by that analogy, the drain electrode of N-1 NPN type electronic switch (Nn-1) is connected to the connected node place of N group LED light-emitting diode and N-1 diode, the source electrode of all NPN type electronic switches links to each other with the source electrode of current regulator in the variable current switch control circuit (3) of voltage-controlled negative temperature coefficient, the grid of all NPN type electronic switches connects respectively first, second, ..., N-1 comparator (B1, B2, ..., Bn-1) output, the source electrode of first positive-negative-positive electronic switch (P1) is connected to the negative pole with the diode of the intermediate point of all LED luminous tube two five equilibriums, the source electrode of second positive-negative-positive electronic switch (P2) directly or by diode is connected to negative pole with the diode of two other partial node of all LED luminous tube quarterings, first, after being connected with the input of first group of LED luminous tube, the source electrode of second positive-negative-positive electronic switch links to each other with the positive output end of full-bridge, the drain electrode of the 3rd positive-negative-positive electronic switch (P3) is connected to the anodal input with the LED light-emitting diode group at the 4th contact place of all LED luminous tube quarterings, its source electrode is connected to the anodal input with the LED light-emitting diode at the 3rd contact place of all LED luminous tube quarterings, the grid of three positive-negative-positive electronic switches is each comparator of controlled connection respectively, and all each comparators just, inverting input connects respectively a reference voltage and sampling voltage input signal; Wherein, N is greater than 1 natural number.
The LED light source driving circuit supplied by AC power that a kind of segmented conversion drops into, contain bridge rectifier (1), control switch circuit (2) is lighted in current regulating circuit (3) and LED segmentation, described bridge rectifier input connects AC power, the current output terminal of current regulator connects the cathode output end of bridge rectifier in the current regulating circuit (3), be provided with the connected node that is connected N group LED light-emitting diode between the input of current regulator and the cathode output end of bridge rectifier, current regulator just is being connected on rectification circuit with the circuit of light sources (4) that the LED light-emitting diode that is divided into the N group forms, cathode output end consists of major loop, described LED segmentation is lighted control switch circuit (2) correspondence and is provided with N-1 electronic switch, wherein the drain electrode of first electronic switch is connected to the connected node place of first group of LED light-emitting diode and second group of LED light-emitting diode, the drain electrode of second electronic switch is connected to the connected node place of second group of LED light-emitting diode and the 3rd group of LED light-emitting diode, the drain electrode of N-1 electronic switch is connected to the connected node place of N-1 group LED light-emitting diode and N group LED light-emitting diode, the source electrode of all electronic switches connects the negative pole of rectifier power source, the grid of each electronic switch connects respectively the output of a comparator, and each comparator just, inverting input connects respectively a reference voltage and sampling voltage input signal; It is 2~9 natural number that the group of the LED light-emitting diode that is connected between the output of current regulator and the cathode output end of bridge rectifier is counted N, the LED light-emitting diode add up to M, M is 40~110 natural number.
Useful good effect of the present invention:
1, the LED light source driving circuit supplied by AC power of segmented conversion input of the present invention, adopt rational series-parallel circuit so that voltage when low, the LED luminous tube is in parallel, the mode that LED series connection and segmentation dropped into when voltage was high, so that the operating time of all LED luminous tubes is basic identical, life-span is consistent, has improved the power utilization rate.Adopt the negative temperature parameter current regulating circuit to be connected in the LED lamp major loop, quantity and group number by reasonable control LED light-emitting diode, so that the Current Control by light-emitting diode is in rational scope, guaranteed LED light-emitting diode steady-working state, prolong the useful life of illuminating lamp, solved LED light-emitting diode luminous efficiency, power utilization rate implacable contradiction between the two.
2, the LED light source driving circuit supplied by AC power of segmented conversion input of the present invention, power module only has rectification circuit and without electric capacity, particularly not useful life shorter jumbo electrochemical capacitor, impulsive disturbance to electrical network in the use is little, especially, current regulating circuit has guaranteed can not change with voltage rising and reduction by the electric current of led light source illuminating lamp, therefore be the useful life of having improved LED illuminating lamp and power module greatly, so that the useful life of drive circuit module can be suitable with the useful life of LED light-emitting diode.
3, in the LED light source driving circuit supplied by AC power that segmented conversion of the present invention drops into, the variable current switch control circuit of voltage-controlled negative temperature coefficient adopts electronic switch as flow restricter, when current flowing in the circuit of light sources is path during less than setting, when current flowing reaches setting in the circuit of light sources, close immediately.When voltage is not too large, become to be interrupted conducting after closing, thoroughly to close during to certain value when voltage is high.The heat that produces in the course of work is very little, and power supply conversion efficiency can be up to more than 99%.The negative tempperature coefficient thermistor RT that installs at the radiator of led light source drive circuit simultaneously can reduce the electric current that the LED luminous tube passes through so that when temperature reaches certain value, and temperature is controlled within the zone of reasonableness, makes LED get light decay and slows down.
Four, description of drawings:
Fig. 1: one of LED light source driving circuit supplied by AC power schematic diagram of the present invention (take 3 groups of LED light-emitting diodes and 2 NPN type electronic switches and two positive-negative-positive electronic switches as example)
Fig. 2: two (take 3 groups of LED light-emitting diodes and 2 NPN type electronic switches and positive-negative-positive electronic switches as example) of LED light source driving circuit supplied by AC power schematic diagram of the present invention
Fig. 3: three (take 4 groups of LED light-emitting diodes and 3 NPN type electronic switches and 3 positive-negative-positive electronic switches as example) of LED light source driving circuit supplied by AC power schematic diagram of the present invention
Fig. 4: four (take 4 groups of LED light-emitting diodes and 3 NPN type electronic switches and 2 positive-negative-positive electronic switches as example) of LED light source driving circuit supplied by AC power schematic diagram of the present invention
Fig. 5: LED light source driving circuit supplied by AC power schematic diagram of the present invention five (take N group LED light-emitting diode with less than N NPN type electronic switch and 1-4 positive-negative-positive electronic switch as example)
Fig. 6: six (containing 3 groups of LED light-emitting diodes and 2 NPN type electronic switches and 0 positive-negative-positive electronic switch) of LED light source driving circuit supplied by AC power schematic diagram of the present invention
Fig. 7: seven (containing N group LED light-emitting diode and NPN type electronic switch and 0 positive-negative-positive electronic switch less than N) of LED light source driving circuit supplied by AC power schematic diagram of the present invention
Integrated or the modular circuit diagram of the LED light source driving circuit supplied by AC power of Fig. 8: embodiment one
Integrated or the modular circuit diagram of the LED light source driving circuit supplied by AC power of Fig. 9: embodiment two
Integrated or the modular circuit diagram of the LED light source driving circuit supplied by AC power of Figure 10: embodiment three
Figure 11: the variable current switch control circuit of voltage-controlled negative temperature coefficient is controlled the current curve diagram of 3 groups of LED light-emitting diodes under different voltage condition
Figure 12: the passive voltage comparator that LED light source driving circuit supplied by AC power shown in Figure 1 adopts resolution element resistance, voltage-stabiliser tube and triode to form substitutes the circuit diagram (diode that is connected in the circuit of light sources is built-in) of active comparator
Figure 13: prior art led light source circuit adopts traditional Constant current input voltage power that LED consumed power and current source consume when 190V-270V changes
Figure 14: prior art led light source circuit adopts the quantity of traditional constant current source LED light-emitting diode and the relationship between efficiency figure of power supply
Figure 15-1,15-2,15-3,15-4: be respectively embodiment one at the voltage equivalent electric circuit of concrete fragmentary works simultaneously not
Figure 16-1,16-2,16-3: be respectively embodiment two at the voltage equivalent electric circuit of concrete fragmentary works simultaneously not
Figure 17-1,17-2,17-3,17-4: be respectively embodiment two at the voltage equivalent electric circuit of concrete fragmentary works simultaneously not
Operating voltage segmentation schematic diagram among Figure 17-5: embodiment one, the embodiment three
Figure 18-1,18-2,18-3,18-4: be respectively embodiment four at the voltage equivalent electric circuit of concrete fragmentary works simultaneously not
Figure 19: the passive voltage comparator schematic diagram that resolution element forms
Five, embodiment:
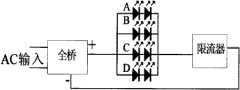
Embodiment one: referring to Fig. 1, the present embodiment segmented conversion drops into LED light source driving circuit supplied by AC power, containbridge rectifier 1, voltage-controlled LED series connection in parallel alterationswitch control circuit 2, the currentswitch control circuit 3 that voltage-controlled negative temperature coefficient is variable, the bridge rectifier input connects AC power, the bridge rectifier positive output end is to being connected with respectively A between negative output terminal, B, LED light-emitting diode and 2 diode intervals of three groups of series connection of C are composed in series circuit oflight sources 4, the quantity of A group LED light-emitting diode is B, two groups of LED light-emitting diodes of C quantity and, B, two groups of LED light-emitting diodes of C quantity is identical.Circuit oflight sources 4 is connected with currentswitch control circuit 3 afterwards and 2 parallel connections of voltage-controlled LED series connection in parallel alteration switch control circuit.Voltage-controlled LED series connection in parallel alterationswitch control circuit 2 correspondences are provided with 2 NPN type electronic switches and 2 positive-negative-positive electronic switches in the present embodiment, and wherein the source electrode of first NPN type electronic switch N1 is connected to A group LED light-emitting diode and diode D2Connected node, the source electrode of second NPN type electronic switch N2 is connected to B group LED light-emitting diode and diode D3The connected node place, the drain electrode of two NPN type electronic switches connects the input of current regulator in the currentswitch control circuit 3 and the tie point place of whole circuit of light sources negative pole, its grid connects respectively the output of a comparator, and the source electrode of first positive-negative-positive electronic switch P1 is connected to the diode D with all LED luminous tube two five equilibriums2Negative pole, the source electrode of second positive-negative-positive electronic switch P2 is connected to C group LED light-emitting diode and second diode D3The tie point place, the drain electrode of second positive-negative-positive electronic switch P2 connects the positive source input of LED light-emitting diode group, the grid of second positive-negative-positive electronic switch P2 connects the collector electrode of a NPN type control triode Q1, the grounded emitter of described control triode Q1, its control base stage connects the output of first voltage comparator B 1.The output of triode Q1 and electronic switch N2 is the grid of two positive-negative-positive electronic switches of control connection respectively, and the output of comparator B2 is by diode D6Be connected with the inverting input of comparator B3.
The 220V alternating current is that crest voltage is the pulse direct current of 311V, 100Hz by the bridge rectifier rectification, and it plays point voltage is zero, and comparator B1, B2 are that high level output B3 is low level output at this moment, and B1, B2 high level pass through R10So that the electric current that the current regulating switch N4 of Current-Limiting Comparator B4 control allows to flow through strengthens, electronic switch N1, Q1, P1, P2 open, and N2 turn-offs, and A, B, C group LED light-emitting diode are at diode D2, D3And becoming two to be connected in parallel under the effect of electronic switch N1, P1, P2, concrete path is: the electric current that the first via flows out from E is through A group LED light-emitting diode, diode D8, electronic switch N1 is to the F point; The the second road electric current that flows out from E is through electronic switch P2, C group LED light-emitting diode is to the F point, because A group quantity is the twice of C group, it is obstructed that both parallel connections equal the A group, its equivalent electric circuit is shown in Figure 15-1, when voltage begins to rise to the voltage of C group LED light-emitting diode conducting by 0, C group LED light-emitting diode is shinny, voltage continues to raise, the electric current of LED that flows through C group is ascending, for the LED light-emitting diode of 20 series connection, lighting voltage is 55V, needs voltage 64V during to normalized current, need voltage 80V during to 2 times of normalized currents, comparator B1 output low level when voltage arrives the 100V left and right sides, B2 still exports high level, electronic switch N1, P1 opens, Q1, P2 turn-offs, A, B, C group LED light-emitting diode is at diode D2And becoming two to be connected in parallel under the effect of electronic switch P1, N1, concrete path is: the first via is organized LED light-emitting diode, diode D from the electric current that E flows out through A8, electronic switch N1 is to the F point; The the second road electric current that flows out from E through electronic switch P1, B, two groups of LED light-emitting diodes of C to the F point.Shown in its equivalent electric circuit 15-2, LED light-emitting diode quantity increases suddenly by 20 to 40 because voltage does not have change, electric current will be by high bust to low, along with voltage continues to raise, electric current will continue to raise, when transient voltage is elevated to three groups of LED of 135V to normal current, large maximum to flow restricter regulation during 170V, voltage continues the work of rising current limliting, comparator B2 output low level when voltage continues to be elevated to the 180V left and right sides, B3 output high level electronic switch N2 conducting, A, B, three groups of LED light-emitting diodes of C form equivalent electric circuit shown in Figure 15-3, LED light-emitting diode quantity increases suddenly because voltage does not have change, electric current will be by high bust to low, along with voltage continues to raise, electric current will continue to raise, comparator B3 output low level when voltage continues to be elevated to the 250V left and right sides, B3 output low level electronic switch N2 closes, A, B, three groups of LED light-emitting diodes of C form equivalent electric circuit shown in Figure 15-4, LED light-emitting diode quantity increases suddenly because voltage does not have change, and electric current will be by high bust to low, along with voltage continues to raise, electric current will continue to raise, until reach peak value.Figure 11 shows the map of current of passing through the LED light-emitting diode under the different voltage condition.When input voltage was 110V, because comparator B3 is low level forever, the positive output end voltage of Current-Limiting Comparator B4 is larger and constant, and was large by the electric current of current regulator N4, and the electric current that flows through as current regulator N4 is picked up leakage resistance R during less than set point14Both end voltage is less than Current-Limiting Comparator B4 positive input terminal voltage, and B4 exports high level, current regulator N4 conducting, and when transient voltage is elevated to about 300V, the electric current that current regulator N4 flows through is at R14On voltage when reaching Current-Limiting Comparator B4 positive output end voltage because the effect of Current-Limiting Comparator B4, current regulator N4 does not allow electric current continue to increase, the voltage on current regulator N4 rises to above voltage-stabiliser tube DW2Conducting voltage the time, current regulator N4 closes, current regulator N4 closes to flow through the electric current of LED light-emitting diode be zero, the voltage that is added on the current regulator N4 continues to raise, simultaneously because to flow through the electric current of LED light-emitting diode be zero, resistance R14With the node voltage of current regulator N4 be zero, be added in voltage on the current regulator N4 by voltage-stabiliser tube DW2, resistance R15Divide and be pressed in R13On, the voltage on current regulator N4 hour, resistance R13With R15Voltage on the node is less than the voltage of comparator B4 positive input terminal, and again conducting of current regulator N4 is after the N4 conducting, node voltage is higher than again B4 positive output end voltage, and N4 closes again, so just continuously conducting of current regulator N4, closes, when the voltage on the current regulator N4 is larger, resistance R13With R15Voltage on the node is greater than the voltage of comparator B4 positive input terminal, and current regulator N4 thoroughly turn-offs.In the time of near voltage falls back to more than the 330V to peaking, N4 again continuous conducting closes, when voltage during less than 300V, the N4 conducting, voltage continues falling and forms again equivalent electric circuit shown in Figure 15-4, fall again forming equivalent electric circuit shown in Figure 15-3 after rise, fall again forming equivalent electric circuit shown in Figure 15-2 after rise.When voltage continues to fall back to 110V when following, comparator B1 output is again high level, form equivalent electric circuit shown in Figure 15-1, voltage is comparator B1 in half period, B2, B3 controls respectively Q1, N1, N2, P1, P2, the turn-on and turn-off of N3, so that three groups of LED lamps form by the C group bright to A group and B, two groups of C are in parallel, arrive again A group and B group two strings, arrive again the A group, B group and C group three strings, arrive again A group and B group two strings, arrive again A group and B, two groups of C are in parallel, arrive again the bright cycle variation of C group, A in the power supply half period, two groups of lamps of B are lighted greater than the 100V scope at voltage, lighting duty ratio and be 0.78, C group lamp bright again to greater than bright in 250 the scope from 50V to 210V, is 0.777 to have guaranteed that brightness and the life-span of three groups of LED light-emitting diodes are basically identical thereby light duty ratio.Because N1, N2, N4 are operated on off state not in the amplification region, therefore the power of whole electrical source consumption is very little, and power-efficient can reach more than 99%.
Figure 11 is exactly the current curve diagram that passes through current regulator N4 under the different voltage condition, and when input supply voltage was 120V, comparator B1 was always high level, and LED is two parallel connections, R11On voltage larger all the time, electric current by electronic switch N4 (current regulator) is just larger, when supply voltage during in the 220V left and right sides, comparator B1, B2 change with voltage and circuit connection in series-parallel by the electric current of electronic switch N4 from high to low, when supply voltage during in the 280V left and right sides comparator B1, B2 output voltage from high to low, the electric current by electronic switch N4 changes with voltage and circuit connection in series-parallel, thoroughly closes near voltage peak, form the no current district, change resistance R15, R13Ratio can change no current district size.Make all the period of time pass through the Current Control of LED light-emitting diode in prescribed limit, work along with the LED light-emitting diode, the radiator temperature that is installed on the led light source raises, the thermistor RT resistance that is installed on the radiator descends, lower voltage on the resistance R T, when temperature reaches 50 when spending, diode D4Conducting reduces Current-Limiting Comparator B4 positive input terminal voltage, and the electric current minimizing by the LED light-emitting diode is controlled within the zone of reasonableness temperature of LED radiator.
Because the diode that is connected in the led light source circuit is to realize key of the present invention, that two groups of LED light-emitting diodes are become key element in parallel by series connection, therefore in order to narrate conveniently, in the aforementioned description diode is placed in the circuit oflight sources 4, but in drive circuit module of the present invention and IC Chip Production, can not comprise light-emitting diode, diode can be placed on this moment in serial toparallel conversion circuit 2 and thebridge rectifier 1, produce led light source lamp driving (power supply) module with currentswitch control circuit 3 merging that voltage-controlled negative temperature coefficient is variable.
The segmented conversion of the present embodiment drops into LED light source driving circuit supplied by AC power, and in the specific implementation, the integrated circuit voltage comparator among Fig. 1 can adopt as shown in figure 19 and be made of resolution element.This moment, the schematic diagram of execution mode shown in Figure 1 can be expressed as Figure 12.By the resolution element resistance R1, R2, voltage stabilizing didoe DW1, the comparator that consists of of triode Q1, when output supply voltage less than DW1Conducting voltage the time, output high level, when output supply voltage greater than DW1Conducting voltage the time, output low level.
Fig. 8 is the present embodiment integrated circuit or modular circuit diagram, when integrated circuit and modularization, the diode in the circuit oflight sources 4 is integrated in chip and the module, has an external circuit with this LED light fixture of assembling few, the simple advantage of power adjustment.
Embodiment two: referring to Fig. 2, number in the figure is identical with the identical representative meaning of embodiment one, does not repeat.The present embodiment segmented conversion drops into LED light source driving circuit supplied by AC power, and different from embodiment one is that voltage-controlled LED series connection in parallel alterationswitch control circuit 2 contains 2 NPN type electronic switches and a positive-negative-positive electronic switch.Its operation principle and embodiment one are basic identical, and the equivalent electric circuit of its course of work is respectively such as Figure 16-1, Figure 16-2 and Figure 16-3) shown in, A in the LED light-emitting diode, two groups of current flowings of B are identical, and C group current flowing is less than A, two groups of B but difference is very little.
Fig. 9 is thepresent embodiment 2 integrated circuits or modular circuit diagram.
Embodiment three: referring to Fig. 3, the present embodiment segmented conversion drops into LED light source driving circuit supplied by AC power, and different from embodiment one is, circuit of light sources contains A, B, C, four groups of LED light-emitting diodes of D, and every group of LED light-emitting diode quantity is identical.Voltage-controlled LED series connection in parallel alterationswitch control circuit 2 contains 3 NPN type electronic switches and 3 positive-negative-positive electronic switches.Soon A group LED light-emitting diode is drawn and is divided into two groups among the embodiment one, increase respectively a NPN type and a positive-negative-positive electronic switch, its operation principle is basic identical with embodiment one, and the circuit working equivalent electric circuit is respectively shown in Figure 17-1, Figure 17-2, Figure 17-3 and Figure 17-4 under its different voltages.Among Figure 17-1, supply voltage is in 0-1 stage scope, and the flow restricter current flowing is maximum; Among Figure 17-2, supply voltage is in 1-2 stage scope, and the flow restricter current flowing is larger; Among Figure 17-3, supply voltage is in 2-3 stage scope, and the flow restricter current flowing is less; Among Figure 17-4, supply voltage is in 3-4 stage scope, and the flow restricter current flowing is minimum.Simultaneously because resistance R12Resistance R by comparator B2 control of upper multi-parallel28, the maximum current that passes through among the current ratio embodiment one that therefore flow restricter passes through when comparator B1, B2 are high level simultaneously wants large.
Figure 10 is the present embodiment integrated circuit or modular circuit diagram.
Embodiment four: referring to Fig. 4, the present embodiment segmented conversion drops into LED light source driving circuit supplied by AC power, with the difference of embodiment three is: the voltage-controlled LED alterationswitch control circuit 2 of connecting in parallel contains 3 NPN type electronic switches and 2 positive-negative-positive electronic switches.The LED light source driving circuit supplied by AC power that the present embodiment segmented conversion drops into, operation principle and embodiment three are basic identical, difference is that A, B in the LED light-emitting diode in the equivalent electric circuit, three groups of current flowings of C are identical, and D group current flowing is less than three groups of A, B, C, but difference is very little.Figure 18-1,18-2,18-3,18-4 are respectively LED light-emitting diode in the present embodiment at the voltage equivalent electric circuit of concrete fragmentary works simultaneously not.
Embodiment five: referring to Fig. 5, the present embodiment segmented conversion drops into LED light source driving circuit supplied by AC power, with the difference of embodiment four be: on embodiment four bases, divide the LED light-emitting diode thinner, form more light-emitting diode group number, by voltage-controlled LED series connection in parallel alterationswitch control circuit 2, the LED light-emitting diode can be realized 8 and to 4 and to 2 and arrive again minute multistage and drop into, because circuit theory is identical, just not narrate one by one at this.
Embodiment six: referring to Fig. 6, the LED light source driving circuit supplied by AC power that the present embodiment segmented conversion drops into, be with the difference of embodiment one or embodiment two: the voltage-controlled LED alterationswitch control circuit 2 of connect in parallel does not contain the positive-negative-positive electronic switch, owing to can not make the LED parallel connection without P type electronic switching circuit but can be with 3 sections inputs of LED segmentation.
Embodiment seven: referring to Fig. 7, the LED light source driving circuit supplied by AC power that the present embodiment segmented conversion drops into, the LED light-emitting diode is divided into N group and control circuit without the positive-negative-positive electronic switch, owing to can not make LED in parallel but LED can be divided the N section to drop into without P type electronic switching circuit.
Current regulator just is being connected on rectification circuit with the circuit oflight sources 4 that the LED light-emitting diode that is divided into the N group forms, cathode output end consists of major loop, described LED segmentation is lightedcontrol switch circuit 2 correspondences and is provided with N-1 electronic switch, wherein the drain electrode of first electronic switch is connected to the connected node place of first group of LED light-emitting diode and second group of LED light-emitting diode, the drain electrode of second electronic switch is connected to the connected node place of second group of LED light-emitting diode and the 3rd group of LED light-emitting diode, the drain electrode of N-1 electronic switch is connected to the connected node place of N-1 group LED light-emitting diode and N group LED light-emitting diode, the source electrode of all electronic switches connects the negative pole of rectifier power source, the grid of each electronic switch connects respectively the output of a comparator, and each comparator just, inverting input connects respectively a reference voltage and sampling voltage input signal; It is 2~9 natural number that the group of the LED light-emitting diode that is connected between the output of current regulator and the cathode output end of bridge rectifier is counted N, the LED light-emitting diode add up to M, M is 40~110 natural number.
Embodiment eight: the LED light source driving circuit supplied by AC power that the present embodiment segmented conversion drops into, LED light-emitting diode and N-1 diode interval by the series connection of N group are composed in series circuit oflight sources 4, diode of series connection between every two groups of adjacent LED light-emitting diodes, voltage-controlled LED series connection in parallel alterationswitch control circuit 2 correspondences are provided with less than N NPN electronic switch and 3,2 or 1 positive-negative-positive electronic switch, wherein the drain electrode of first NPN type electronic switch N1 is connected to the connected node place of first group of LED light-emitting diode and first diode by diode, the drain electrode of second NPN type electronic switch N2 is connected to the connected node place of second group of LED light-emitting diode and second diode by diode, ..., by that analogy, the drain electrode of N-1 NPN type electronic switch Nn-1 is connected to the connected node place of N group LED light-emitting diode and N-1 diode, the source electrode of all NPN type electronic switches links to each other with the source electrode of current regulator in the variable currentswitch control circuit 3 of voltage-controlled negative temperature coefficient, the grid of all NPN type electronic switches connects respectively first, second, ..., N-1 comparator B1, B2, ..., the output of Bn-1, the source electrode of first positive-negative-positive electronic switch P1 is connected to the negative pole with the diode of the intermediate point of all LED luminous tube two five equilibriums, the source electrode of second positive-negative-positive electronic switch P2 directly or by diode is connected to negative pole with the diode of two other partial node of all LED luminous tube quarterings, first, after being connected with the input of first group of LED luminous tube, the source electrode of second positive-negative-positive electronic switch links to each other with the positive output end of full-bridge, the drain electrode of the 3rd positive-negative-positive electronic switch P3 is connected to the anodal input with the LED light-emitting diode group at the 4th contact place of all LED luminous tube quarterings, its source electrode is connected to the anodal input with the LED light-emitting diode at the 3rd contact place of all LED luminous tube quarterings, the grid of three positive-negative-positive electronic switches is each comparator of controlled connection respectively, and all each comparators just, inverting input connects respectively a reference voltage and sampling voltage input signal; Wherein, N is greater than 1 natural number.
Embodiment nine: the LED light source driving circuit supplied by AC power that the present embodiment segmented conversion drops into, contain bridge rectifier, voltage-controlled LED series connection in parallel alteration switch control circuit, the current switch control circuit that voltage-controlled negative temperature coefficient is variable, the output that the circuit of light sources that the LED luminous tube of some groups number that drive circuit is external forms and the variable current switch control circuit of voltage-controlled negative temperature coefficient are connected in series in bridge rectifier, per two groups can be in series with diode between the LED luminous tube in parallel in external circuit of light sources, described voltage-controlled LED series connection in parallel alteration switch control circuit input connects the output of bridge rectifier, respectively organize the LED luminous tube in the output control connection circuit of light sources of voltage-controlled LED series connection in parallel alteration switch control circuit, described voltage-controlled LED series connection in parallel alteration switch control circuit according to the voltage of bridge rectifier output in half period with the supply voltage of input according to the quantity of external LED with organize number and be divided into different zones, determine the series-parallel system of LED according to zone what and voltage region, realize the repeatedly conversion of parallel connection and serial connection lighting mode between many group LED light-emitting diodes.
By the variable current switch control circuit of voltage-controlled negative temperature coefficient, allow the different electric currents that pass through according to the various combination mode of LED luminous tube, make its electronic switch correspondence be operated in the turn-on and turn-off two states, and electric current and LED lamp temperatures that the LED luminous tube is passed through are inversely proportional to; In described voltage-controlled LED series connection in parallel alteration switch control circuit, adopt the control of positive-negative-positive electronic switch to flow into the electric current of LED light-emitting diode, adopt the control of NPN type electronic switch to flow out the electric current of LED light-emitting diode; In external circuit of light sources per two groups can be in parallel the LED luminous tube between be connected to drive circuit inside in the diode of connecting, perhaps series connection is external in the drive circuit outside with LED luminous tube group.
Voltage comparator in the various embodiments described above can adopt another kind of resolution element as shown in figure 19 to form, when the voltage of input during less than the conducting voltage of voltage-stabiliser tube DW1, comparator output high level, when the voltage of input during greater than the conducting voltage of voltage-stabiliser tube DW1, the comparator output low level.Figure 12 comparator B1, B2 that to be the first embodiment form with resolution element, the schematic diagram of B3, the identical no longer explanation of its operation principle and the first embodiment.B4 among the figure also available resolution element forms.

Claims (9)

1. the LED light source driving circuit supplied by AC power that drops into of a segmented conversion, contain bridge rectifier (1), voltage-controlled LED series connection in parallel alteration switch control circuit (2), the current switch control circuit (3) that voltage-controlled negative temperature coefficient is variable, the circuit of light sources (4) that the LED luminous tube of some groups number that drive circuit is external forms, the variable current switch control circuit (3) of voltage-controlled negative temperature coefficient is connected in series in the output of bridge rectifier (1), it is characterized in that: in external circuit of light sources (4), be in series with diode between per two groups of LED luminous tubes, described voltage-controlled LED series connection in parallel alteration switch control circuit (2) input connects the output of bridge rectifier, respectively organize the LED luminous tube in the output control connection circuit of light sources (4) of voltage-controlled LED series connection in parallel alteration switch control circuit (2), described voltage-controlled LED series connection in parallel alteration switch control circuit (2) according to the voltage of bridge rectifier (1) output in half period with the supply voltage of input according to the quantity of external LED with organize number and be divided into different zones, determine the series-parallel system of LED according to zone what and voltage region, realize the repeatedly conversion of parallel connection and serial connection lighting mode between many group LED light-emitting diodes.
2. the LED light source driving circuit supplied by AC power that drops into of segmented conversion according to claim 1, it is characterized in that: in described voltage-controlled LED series connection in parallel alteration switch control circuit (2), adopt the control of positive-negative-positive electronic switch to flow into the electric current of LED light-emitting diode, adopt the control of NPN type electronic switch to flow out the electric current of LED light-emitting diode; By the variable current switch control circuit (3) of voltage-controlled negative temperature coefficient, allow the different electric currents that pass through according to the various combination mode of LED luminous tube, make the electronic switch correspondence in the voltage-controlled LED series connection in parallel alteration switch control circuit (2) be operated in the turn-on and turn-off two states, and electric current and LED lamp temperatures that the LED luminous tube is passed through are inversely proportional to; Be connected to drive circuit inside in the diode of connecting between per two groups of LED luminous tubes in external circuit of light sources (4), perhaps series connection is external in the drive circuit outside with LED luminous tube group.
3. the LED light source driving circuit supplied by AC power that drops into of segmented conversion according to claim 2, it is characterized in that: external light source circuit (4) comprises A, B, three groups of LED light-emitting diodes of C, diode of two adjacent groups LED light-emitting diode among series connection, described voltage-controlled LED series connection in parallel alteration switch control circuit (2) correspondence is provided with 2 NPN type electronic switches and 2 positive-negative-positive electronic switches, and wherein the drain electrode of first NPN type electronic switch (N1) is connected to A group LED light-emitting diode and first diode (D2) the connected node place, the drain electrode of second NPN type electronic switch (N2) is connected to B group LED light-emitting diode and second diode (D3) the connected node place, the source electrode of two NPN type electronic switches connects the input of current regulator (N4) in the current switch control circuit and the tie point place of whole circuit of light sources negative pole, second comparator (B2) in two NPN type electronic switch difference controlled connection voltage-controlled LED series connection in parallel alteration switch control circuits (2), the output of the 3rd comparator (B3), the source electrode of first positive-negative-positive electronic switch (P1) is connected to the negative pole with the diode of the intermediate point of all LED light-emitting diode two five equilibriums in the voltage-controlled LED series connection in parallel alteration switch control circuit (2), its drain electrode is connected with the input of first group of LED light-emitting diode, grid connects the drain electrode of first NPN type electronic switch (N1), and the source electrode of second positive-negative-positive electronic switch (P2) is connected to C group LED light-emitting diode positive pole and second diode (D3) tie point of negative pole, the drain electrode of second positive-negative-positive electronic switch (P2) connects the positive source input of LED light-emitting diode group, the grid of second positive-negative-positive electronic switch (P2) connects the collector electrode of a NPN type control triode (Q1), the grounded emitter of described control triode (Q1), its control base stage connects the output of first comparator (B1).
4. the LED light source driving circuit supplied by AC power that drops into of segmented conversion according to claim 2, it is characterized in that: external light source circuit (4) comprises A, B, three groups of LED light-emitting diodes of C, diode of two adjacent groups LED light-emitting diode among series connection, described voltage-controlled LED series connection in parallel alteration switch control circuit (2) correspondence is provided with 2 NPN type electronic switches and 1 positive-negative-positive electronic switch, wherein the drain electrode of first NPN type electronic switch is connected to the connected node place of A group LED light-emitting diode and first diode, the drain electrode of second NPN type electronic switch is connected to the connected node place of B group LED light-emitting diode and second diode, the source electrode of two NPN type electronic switches links to each other with the drain electrode of current regulator (N4) in the variable current switch control circuit (3) of voltage-controlled negative temperature coefficient, the output of first comparator (B1) and second comparator (B2) in the grid difference controlled connection voltage-controlled LED series connection in parallel alteration switch control circuit (2) of two NPN type electronic switches, the source electrode of described positive-negative-positive electronic switch (P1) is connected to the negative pole with the diode of the intermediate point of all LED luminous tube two five equilibriums, its drain electrode connects the power input of LED light-emitting diode group, and its grid connects the drain electrode of first NPN type electronic switch (N1) by resistively couple.
5. the LED light source driving circuit supplied by AC power that drops into of segmented conversion according to claim 2, it is characterized in that: external light source circuit (4) comprises A, B, C, four groups of LED light-emitting diodes of D, diode of two adjacent groups LED light-emitting diode among series connection, described voltage-controlled LED series connection in parallel alteration switch control circuit (2) correspondence is provided with 3 NPN type electronic switches and 3 positive-negative-positive electronic switches, and wherein the drain electrode of first NPN type electronic switch (N1) is connected to A group LED light-emitting diode and first diode (D by diode1) the connected node place, this node is by an anti-phase diode (D7) link to each other with the negative pole end of C group LED luminous tube, the drain electrode of second NPN type electronic switch (N2) is connected to B group LED light-emitting diode and second diode (D by diode2) the connected node place, the drain electrode of the 3rd NPN type electronic switch (N3) is connected to C group LED light-emitting diode and the 3rd diode (D3) the connected node place, the source electrode of three NPN type electronic switches links to each other with the drain electrode of current regulator (N4) in the variable current switch control circuit (3) of LED luminous tube group negative pole end and voltage-controlled negative temperature coefficient, each comparator (B1 in the grid difference controlled connection voltage-controlled LED series connection in parallel alteration switch control circuit (2) of three NPN type electronic switches, B2, B3), the drain electrode of first positive-negative-positive electronic switch (P1) is connected to diode (D with the intermediate point of all LED luminous tube two five equilibriums in the voltage-controlled LED series connection in parallel alteration switch control circuit (2)2) negative pole, the drain electrode of second positive-negative-positive electronic switch (P2) directly or by diode is connected to two other diode (D with all LED luminous tube quarterings1, D3) negative pole, first, the electrode input end of the source electrode of second positive-negative-positive electronic switch and A group LED luminous tube links to each other with the positive output end of full-bridge after being connected, the drain electrode of the 3rd positive-negative-positive electronic switch (P3) is connected to D and organizes LED luminous tube and the 3rd diode (D3) tie point of negative pole, its source electrode connects C group LED luminous tube and second diode (D2) tie point of negative pole, first, the grid of second, the 3rd positive-negative-positive electronic switch connects respectively the drain electrode of second NPN type electronic switch, first NPN type electronic switch, the 3rd NPN type electronic switch by coupling resistance.
6. the LED light source driving circuit supplied by AC power that drops into of segmented conversion according to claim 2, it is characterized in that: external light source circuit (4) comprises A, B, C, four groups of LED light-emitting diodes of D, described LED segmentation is lighted control switch circuit (2) correspondence and is provided with 3 NPN type electronic switches and 2 positive-negative-positive electronic switches, and wherein the drain electrode of first NPN type electronic cutting (N1) is connected to A group LED light-emitting diode and first diode (D by diode1) the connected node place, this node links to each other by the negative pole end of an anti-phase diode and C group LED luminous tube, the drain electrode of second NPN type electronic switch (N2) is connected to B by diode and organizes LED light-emitting diode and second diode (D2) the connected node place, the drain electrode of the 3rd NPN type electronic switch (N3) is connected to the connected node place of C group LED light-emitting diode and the 3rd diode, the source electrode of three NPN type electronic switches links to each other with the drain electrode of current regulator (N4) in the variable current switch control circuit (3) of voltage-controlled negative temperature coefficient with the negative pole of LED luminous tube group, its grid connects respectively the output of three comparators, the drain electrode of first positive-negative-positive electronic switch (P1) is connected to the negative pole with second diode of the intermediate point of all LED luminous tube two five equilibriums, and the drain electrode of second positive-negative-positive electronic switch directly or by diode is connected to two other diode (D with all LED luminous tube quarterings1, D3) negative pole, the source electrode of two positive-negative-positive electronic switches is connected afterwards with the electrode input end of A group LED luminous tube and links to each other with the positive output end of full-bridge, two positive-negative-positive electronic switches are first and second comparator of controlled connection respectively, first, the grid of second positive-negative-positive electronic switch connects respectively the drain electrode of second NPN type electronic switch, first NPN type electronic switch by coupling resistance.
8. the LED light source driving circuit supplied by AC power that drops into of segmented conversion according to claim 7, it is characterized in that: the current switch control circuit (3) that described voltage-controlled negative temperature coefficient is variable, comprise negative temperature coefficient thermistor RT, voltage comparator (B4) and by the current regulator of its control namely thermistor RT one end of a NPN type electronic switch (N4), negative temperature coefficient link to each other with the negative pole of control power supply, the other end passes through a resistance (R6) connect the positive pole of control power supply, thermistor RT and resistance (R6) contact by an anti-phase diode (D4) access voltage comparator (B4) normal phase input end, voltage comparator (B4) normal phase input end is leaded up to resistance (R12) link to each other with the positive pole of control power supply, the two tunnel by a resistance (R11) link to each other with the negative pole of control power supply, the three tunnel by a resistance (R10) link to each other with the second comparator output terminal, the inverting input of described voltage comparator (B4) is leaded up to a resistance (R13) and current sense resistor (R14) and the drain electrode tie point of current regulator (N4) link to each other, another road is by a current-limiting resistance (R15) and a voltage stabilizing didoe (DW2) link to each other the grid of the output control connection current regulator of described voltage comparator (B4) with the connected node of LED light-emitting diode group cathode output end and current regulator.
9. the LED light source driving circuit supplied by AC power that drops into of segmented conversion according to claim 1 and 2, it is characterized in that: LED light-emitting diode and N-1 diode interval by the series connection of N group are composed in series circuit of light sources (4), diode of series connection between every two groups of adjacent LED light-emitting diodes, described voltage-controlled LED series connection in parallel alteration switch control circuit (2) correspondence is provided with NPN electronic switch and 3 the positive-negative-positive electronic switches less than N, wherein the drain electrode of first NPN type electronic switch (N1) is connected to the connected node place of first group of LED light-emitting diode and first diode by diode, the drain electrode of second NPN type electronic switch (N2) is connected to the connected node place of second group of LED light-emitting diode and second diode by diode ..., by that analogy, the drain electrode of N-1 NPN type electronic switch (Nn-1) is connected to the connected node place of N group LED light-emitting diode and N-1 diode, the source electrode of all NPN type electronic switches links to each other with the source electrode of current regulator in the variable current switch control circuit (3) of voltage-controlled negative temperature coefficient, the grid of all NPN type electronic switches connects respectively first, second, ..., N-1 comparator (B1, B2, ..., Bn-1) output, the source electrode of first positive-negative-positive electronic switch (P1) is connected to the negative pole with the diode of the intermediate point of all LED luminous tube two five equilibriums, the source electrode of second positive-negative-positive electronic switch (P2) directly or by diode is connected to negative pole with the diode of two other partial node of all LED luminous tube quarterings, first, after being connected with the input of first group of LED luminous tube, the source electrode of second positive-negative-positive electronic switch links to each other with the positive output end of full-bridge, the drain electrode of the 3rd positive-negative-positive electronic switch (P3) is connected to the anodal input with the LED light-emitting diode group at the 4th contact place of all LED luminous tube quarterings, its source electrode is connected to the anodal input with the LED light-emitting diode at the 3rd contact place of all LED luminous tube quarterings, the grid of three positive-negative-positive electronic switches is each comparator of controlled connection respectively, and all each comparators just, inverting input connects respectively a reference voltage and sampling voltage input signal; Wherein, N is greater than 1 natural number.
CN 2010101951262009-09-292010-05-22Alternating-current power supply LED light source drive circuit with segmented conversion inputExpired - Fee RelatedCN101827481B (en)

Priority Applications (1)

Application NumberPriority DateFiling DateTitle
CN 201010195126CN101827481B (en)2009-09-292010-05-22Alternating-current power supply LED light source drive circuit with segmented conversion input

Applications Claiming Priority (3)

Application NumberPriority DateFiling DateTitle
CN200910172323.82009-09-29
CN200910172323ACN101668373A (en)2009-09-292009-09-29LED light source driving circuit supplied by AC power
CN 201010195126CN101827481B (en)2009-09-292010-05-22Alternating-current power supply LED light source drive circuit with segmented conversion input

Publications (2)

Publication NumberPublication Date
CN101827481A CN101827481A (en)2010-09-08
CN101827481Btrue CN101827481B (en)2013-01-09

Family

ID=42691118

Family Applications (1)

Application NumberTitlePriority DateFiling Date
CN 201010195126Expired - Fee RelatedCN101827481B (en)2009-09-292010-05-22Alternating-current power supply LED light source drive circuit with segmented conversion input

Country Status (1)

CountryLink
CN (1)CN101827481B (en)

Cited By (1)

* Cited by examiner, † Cited by third party
Publication numberPriority datePublication dateAssigneeTitle
TWI730803B (en)2020-06-052021-06-11財團法人工業技術研究院Led driving circuit and method

Families Citing this family (26)

* Cited by examiner, † Cited by third party
Publication numberPriority datePublication dateAssigneeTitle
US10264637B2 (en)2009-09-242019-04-16Cree, Inc.Solid state lighting apparatus with compensation bypass circuits and methods of operation thereof
US9713211B2 (en)2009-09-242017-07-18Cree, Inc.Solid state lighting apparatus with controllable bypass circuits and methods of operation thereof
US8476836B2 (en)2010-05-072013-07-02Cree, Inc.AC driven solid state lighting apparatus with LED string including switched segments
CN102480820B (en)*2010-11-222014-07-02唯联工业有限公司Lighting device and control method thereof
CN102480818A (en)*2010-11-232012-05-30闳帆有限公司 LED driver circuit
TWI434617B (en)*2011-01-282014-04-11Analog Integrations CorpDriving circuit capable of enhancing energy conversion efficiency and driving method thereof
CN103621182B (en)*2011-06-102016-06-08皇家飞利浦有限公司Led light source
US9131561B2 (en)2011-09-162015-09-08Cree, Inc.Solid-state lighting apparatus and methods using energy storage
US8742671B2 (en)2011-07-282014-06-03Cree, Inc.Solid state lighting apparatus and methods using integrated driver circuitry
US9510413B2 (en)2011-07-282016-11-29Cree, Inc.Solid state lighting apparatus and methods of forming
US9277605B2 (en)2011-09-162016-03-01Cree, Inc.Solid-state lighting apparatus and methods using current diversion controlled by lighting device bias states
US8791641B2 (en)2011-09-162014-07-29Cree, Inc.Solid-state lighting apparatus and methods using energy storage
CN102287785B (en)*2011-09-232013-07-24付会芬Light-emitting diode (LED) device and driving method thereof
CN102573235B (en)*2012-01-112013-07-24矽力杰半导体技术(杭州)有限公司High-efficiency light-emitting diode (LED) driving circuit and driving method thereof
CN102711319B (en)*2012-05-032015-05-06李云霄LED (light emitting diode) light source subregion subsection transformation input driving control method and control circuit thereof
CN102858061A (en)*2012-08-172013-01-02王知康LED (light-emitting diode) power supply circuit controlled by multiple sections of switches
CN103068113B (en)*2012-12-212015-02-04上海欣丰电子有限公司Light emitting diode (LED) linear sectional type power supply
CN103096591B (en)*2013-01-072015-01-28浙江工业大学High voltage light-emitting diode (LED) lamp bead driving power supply controlled by sectional type negative sinusoidal current
CN103096592B (en)*2013-01-072015-01-28浙江工业大学High voltage light-emitting diode (LED) lamp bead driving power supply controlled by sectional indentation type current
CN103108456B (en)*2013-01-162014-12-24嵊州市明升照明电子有限公司High-voltage light-emitting diode (LED) lamp bead driving power supply controlled by segmented currents in random waveforms
CN103167701B (en)*2013-04-012015-09-16黄世蔚LED drive device and the method for work of series parallel structure is changed with input voltage
CN103209506B (en)*2013-04-252015-02-18合肥云杉光电科技有限公司Low-voltage bypass electricity taking method for alternating current direct driving light-emitting diode (LED) and integrated circuit
CN104918351A (en)*2014-03-142015-09-16陈权霈 LED light string driving circuit
CN104507207B (en)*2014-11-212019-03-15南京大学 High performance current mode multi-cut LED controller
US9913325B1 (en)*2017-02-032018-03-06Semiconductor Components Industries, LlcLED direct AC drive circuit
CN110969868B (en)*2019-11-282021-03-02中冶京诚工程技术有限公司Control method, device and system of traffic signal lamp

Citations (3)

* Cited by examiner, † Cited by third party
Publication numberPriority datePublication dateAssigneeTitle
US7081722B1 (en)*2005-02-042006-07-25Kimlong HuynhLight emitting diode multiphase driver circuit and method
CN101137261A (en)*2006-08-292008-03-05安华高科技Ecbuip(新加坡)私人有限公司 Device and method for driving LED
CN101668373A (en)*2009-09-292010-03-10李云霄LED light source driving circuit supplied by AC power

Patent Citations (4)

* Cited by examiner, † Cited by third party
Publication numberPriority datePublication dateAssigneeTitle
US7081722B1 (en)*2005-02-042006-07-25Kimlong HuynhLight emitting diode multiphase driver circuit and method
CN101137261A (en)*2006-08-292008-03-05安华高科技Ecbuip(新加坡)私人有限公司 Device and method for driving LED
CN101668373A (en)*2009-09-292010-03-10李云霄LED light source driving circuit supplied by AC power
CN201805584U (en)*2009-09-292011-04-20李云霄Piecewise transformation input LED light source driving circuit supplied with power by alternating-current power supply

Cited By (2)

* Cited by examiner, † Cited by third party
Publication numberPriority datePublication dateAssigneeTitle
TWI730803B (en)2020-06-052021-06-11財團法人工業技術研究院Led driving circuit and method
US11632840B2 (en)2020-06-052023-04-18Industrial Technology Research InstituteLED driving circuit and method

Also Published As

Publication numberPublication date
CN101827481A (en)2010-09-08

Similar Documents

PublicationPublication DateTitle
CN101827481B (en)Alternating-current power supply LED light source drive circuit with segmented conversion input
CN201805584U (en)Piecewise transformation input LED light source driving circuit supplied with power by alternating-current power supply
CN202759632U (en) A driving circuit and lighting device for a light-emitting diode
CN101370335A (en)Driving circuit for LED illumination
CN102711319B (en)LED (light emitting diode) light source subregion subsection transformation input driving control method and control circuit thereof
CN201509344U (en)Drive circuit of LED light source of alternating-current power supply
CN103025018B (en)Light emitting diode (LED) drive circuit controlled by parallel connection high voltage metal oxide semiconductor (MOS) tube
CN101527983B (en)White-light LED illumination driving circuit on basis of current-type charge pump
CN102932989A (en)LED (Light Emitting Diode) driving device and driving method thereof
CN101925232A (en)LED street lamp constant current control power supply
CN102196643A (en)Linear constant-current controller, chip and driving device
CN201274590Y (en)LED driving apparatus using commercial power
CN101882881B (en)Method and device for reducing capacitance value usage
CN203896538U (en)LED driving power source employing single switch tube and two Buck-Boost circuits in cascade connection
CN103152894A (en)Sectional type LED (light emitting diode) driving circuit based on AC (alternating current) power supply
CN205005309U (en)LED sectional type switches on circuit in turn based on MCU
CN103648223A (en)Multi-channel light-emitting diode (LED) linear driver
CN102791063A (en)Intelligent LED module with function of automatic voltage regulation
CN216057574U (en)Multistage switch step-down circuit and LED lamps and lanterns
CN201479415U (en)LED lamp tube circuit
CN200950682Y (en)Novel highly effective low cost constant-current driver for LED lighting lamp
CN202652650U (en)Hybrid integrated LED constant-current power circuit
CN202059653U (en)Lighting photosensitive regulating circuit
CN101795520A (en)Adjustable power inverter self-adapted to silicon-controlled voltage regulation mode
CN202172509U (en)High-energy efficiency alternating current light emitting diode (LED) lamp

Legal Events

DateCodeTitleDescription
C06Publication
PB01Publication
C10Entry into substantive examination
SE01Entry into force of request for substantive examination
C14Grant of patent or utility model
GR01Patent grant
ASSSuccession or assignment of patent right

Owner name:ZHENGZHOU NTC OPTOELECTRONICS TECHNOLOGY CO., LTD.

Free format text:FORMER OWNER: LI YUNXIAO

Effective date:20150720

C41Transfer of patent application or patent right or utility model
TR01Transfer of patent right

Effective date of registration:20150720

Address after:5F, 110 North Road, Zhengzhou economic and Technological Development Zone, Henan, China

Patentee after:Zhengzhou NTC Optoelectronics Technology Co., Ltd.

Address before:450052 Zhengzhou East Road, Henan, No. 24

Patentee before:Li Yunxiao

CF01Termination of patent right due to non-payment of annual fee
CF01Termination of patent right due to non-payment of annual fee

Granted publication date:20130109

Termination date:20180522


[8]ページ先頭

©2009-2025 Movatter.jp