Movatterモバイル変換


[0]ホーム

URL:


CN101789684A - Power factor corrector - Google Patents

Power factor corrector
Download PDF

Info

Publication number
CN101789684A
CN101789684ACN201010118773ACN201010118773ACN101789684ACN 101789684 ACN101789684 ACN 101789684ACN 201010118773 ACN201010118773 ACN 201010118773ACN 201010118773 ACN201010118773 ACN 201010118773ACN 101789684 ACN101789684 ACN 101789684A
Authority
CN
China
Prior art keywords
output
input
resistance
current
error amplifier
Prior art date
Legal status (The legal status is an assumption and is not a legal conclusion. Google has not performed a legal analysis and makes no representation as to the accuracy of the status listed.)
Granted
Application number
CN201010118773A
Other languages
Chinese (zh)
Other versions
CN101789684B (en
Inventor
于锁平
Current Assignee (The listed assignees may be inaccurate. Google has not performed a legal analysis and makes no representation or warranty as to the accuracy of the list.)
Individual
Original Assignee
Individual
Priority date (The priority date is an assumption and is not a legal conclusion. Google has not performed a legal analysis and makes no representation as to the accuracy of the date listed.)
Filing date
Publication date
Application filed by IndividualfiledCriticalIndividual
Priority to CN2010101187731ApriorityCriticalpatent/CN101789684B/en
Publication of CN101789684ApublicationCriticalpatent/CN101789684A/en
Application grantedgrantedCritical
Publication of CN101789684BpublicationCriticalpatent/CN101789684B/en
Expired - Fee Relatedlegal-statusCriticalCurrent
Anticipated expirationlegal-statusCritical

Links

Images

Classifications

Landscapes

Abstract

Translated fromChinese

本发明公开了一种功率因数校正器,包括输入交流电源Vac、整流桥、PFC电感、开关管、输出整流管、输出滤波电容、负载、连续电流模式PFC控制单元、输出电压检测电路、电流采样电阻,为了使功率因数校正器能根据输出电流大小调整工作频率,该电路还包括输出电流检测放大电路、压控振荡器,所述输出电流检测放大电路连接于负载的负极和输出滤波电容的负极之间,其输出端连接于压控振荡器的输入端,压控振荡器的输出端连接于连续电流模式PFC控制单元的频率输入端。由于该功率因数校正器的工作频率受输出电流调节从而减小了其在非满载条件下的开关损耗和容性损耗,提升了功率因数校正器的平均效率。

Figure 201010118773

The invention discloses a power factor corrector, which comprises an input AC power supply Vac, a rectifier bridge, a PFC inductor, a switch tube, an output rectifier tube, an output filter capacitor, a load, a continuous current mode PFC control unit, an output voltage detection circuit, and a current sampling Resistor, in order to enable the power factor corrector to adjust the operating frequency according to the output current, the circuit also includes an output current detection amplifier circuit and a voltage-controlled oscillator, the output current detection amplifier circuit is connected to the negative pole of the load and the negative pole of the output filter capacitor Between, its output terminal is connected to the input terminal of the voltage-controlled oscillator, and the output terminal of the voltage-controlled oscillator is connected to the frequency input terminal of the continuous current mode PFC control unit. Since the operating frequency of the power factor corrector is regulated by the output current, the switching loss and capacitive loss under non-full load conditions are reduced, and the average efficiency of the power factor corrector is improved.

Figure 201010118773

Description

A kind of power factor corrector
Technical field
The present invention relates to a kind of power factor corrector (PFC), relate in particular to the power factor corrector that a kind of frequency is regulated by output current, belong to electric and electronic technical field.
Background technology
The power supply of computer, communication apparatus adopts traditional bridge rectifier, capacitor filter can make the AC input current produce serious wave distortion, inject a large amount of high order harmonic components to electrical network, therefore the power factor of net side is lower, only have about 0.6, and can cause serious harmonic pollution and interference electrical network and other electric equipment.As far back as the beginning of the eighties, people have caused concern to the harm that higher harmonic current caused that this class device produces.The formulation of the IEC555-2 of International Electrotechnical Commission " interference that household electrical appliance and similar electric equipment produce in electric power system, part 2: harmonic wave " standard impels numerous power electronic technology workers to begin harmonic and power factor correction (PFC) Study on Technology with enforcement.Introduce pfc circuit in the electronic power supply product, just can improve greatly to the utilization ratio of electric energy and harmonic pollution and be controlled within the scope that respective standard requires.PFC has two kinds, and a kind of is passive PFC (also claiming passive PFC), and another kind is active PFC (also symmetrical active PFC).Continuous current mode power factor corrector (CCM PFC) in active PFC (Active PFC) technology under the Average Current Control has characteristics such as power factor height, peak current is little, EMI is good and is widely used.Along with various energy-saving acts require to improve constantly to average efficiency, the efficient of the CCM PFC of middle power under non-fully loaded transportation condition is badly in need of promoting, in the hope of satisfying various energy-conservation requirements.Cao Lingling, Chen Ganhong disclose the efficiency analysis and the calculating of the power factor corrector of continuous current mode of operation in the literary composition of " time variant voltage DBPFC and BOOST PFC efficiency analysis pair with contrast " (airplane power source science and technology of aviation key lab is academic, and annual meeting---APSC ' 2009).Illustrated in the document that the main loss of the power factor corrector under traditional continuous mode is made up of the conduction loss of switch module and line resistance, the switching loss of switch module, the capacitive loss of switch element parasitic capacitance, wherein switching loss accounts for its major ingredients, switching loss is directly proportional conduction loss and frequency-independent with the capacitive loss with its operating frequency.Existing continuous mode power factor corrector is all worked with the steady job frequency in full operating range, the minimum value of this operating frequency is subject to the volume of maximum output current and minimum input voltage and PFC inductance under the situation of fixing output voltage, therefore under the volume situation of identical PFC inductance, fixing caused switching loss of operating frequency and capacitive loss are had a strong impact on system's efficient under the undercapacity situation, and influence is even more serious when underloading.
Summary of the invention
The objective of the invention is to defective at existing continuous mode power factor corrector, a kind of continuous mode power factor corrector of adjusting operating frequency according to the output current size is provided, reduce its switching loss and capacitive loss under the undercapacity condition, to improve the average efficiency of power factor corrector.
Purpose of the present invention is achieved by the following technical programs:
A kind of power factor corrector comprises input ac power Vac,rectifier bridge 1, PFC inductance 2,switching tube 3,output rectifying tube 4,output filter capacitor 5,load 7, continuous current modePFC control unit 9, outputvoltage detecting circuit 10,current sampling resistor 11 compositions; Wherein the negative pole ofoutput filter capacitor 5 is defined as ground, the input of describedrectifier bridge 1 is connected in AC power Vac, one end of the output cathode series connection PFC inductance 2 ofrectifier bridge 1, the anode of the drain electrode of the other end of PFC inductance 2 and switchingtube 3 andoutput rectifying tube 4 connects same point altogether, the source ground ofswitching tube 3, the grid ofswitching tube 3 is the signal output part of continuous current-modePFC control unit 9 in succession, the negative electrode ofoutput rectifying tube 4 and the positive pole ofoutput filter capacitor 5, the positive pole ofload 7 connects, outputvoltage detecting circuit 10 is byresistance R 1, resistance R 2 is formed, one end ofresistance R 1 is connected to the negative electrode ofoutput rectifying tube 4, the other end is connected with an end of resistance R 2, resistance R 2 other end ground connection,current sampling resistor 11 is connected between the output negative terminal of the source electrode ofswitching tube 3 andrectifier bridge 1, the negative pole ofoutput filter capacitor 5 is connected to the source electrode ofswitching tube 3, the negative pole ofload 7 is connected with the negative pole ofoutput filter capacitor 5, above-mentioned PFC inductance 2 two ends, between the source electrode ofswitching tube 3 and the drain electrode, parasitic capacitance in parallel separately betweenoutput rectifying tube 4 both positive and negative polarities.Can adjust operating frequency according to the output current size in order to make power factor corrector, this circuit comprises that also output current detects amplifying circuit 6, voltage controlledoscillator 8, described output current detects between the negative pole that amplifying circuit 6 is connected in the negative pole ofload 7 andoutput filter capacitor 5, the output load current signal is detected and handles, described output current detects the input that amplifying circuit 6 outputs are connected in voltage controlledoscillator 8, export a control signal and give voltage controlledoscillator 8, voltage controlledoscillator 8 produces the sawtooth waveforms Fs of a respective frequencies, the output of voltage controlledoscillator 8 is connected in the frequency input of continuous current modePFC control unit 9, sawtooth waveforms Fs is delivered to continuous current modePFC control unit 9, thus the operating frequency ofcontrol switch pipe 3.
Purpose of the present invention can also further realize by following technical measures:
Aforementioned a kind of power factor corrector, wherein output current detection amplifying circuit 6 comprises resistance RSen2, resistance RI3, resistance RF1, capacitor CZ1, current error amplifier U1, described resistance RSen2Two ends are connected between the negative pole of the negative pole ofload 7 andoutput filter capacitor 5, described resistance RI3An end be connected in the negative pole ofoutput filter capacitor 5, the other end is connected in the input negative terminal of current error amplifier U1, the positive termination reference voltage V of the input of current error amplifier U1Ref2, the output of current error amplifier U1 is connected in the input of voltage controlledoscillator 8, described resistance RF1, capacitor CZ1Series connection, series circuit one end is connected with the input negative terminal of current error amplifier U1, and the series circuit other end is connected with the output of current error amplifier U1.
Aforementioned a kind of power factor corrector, wherein continuous current modePFC control unit 9 comprises current error amplifier U2, multiplier U3, PWM generator U4, low pass filter LPF, voltage error amplifier VEA, output driving circuit, squaring circuit X2, resistance RIAC, resistance RI2, resistance R3, resistance RF2, capacitor Cp, capacitor CZ2Described resistance RIACOne end is connected in the output cathode ofrectifier bridge 1, and the other end is connected in the input of multiplier U3 and the input of low pass filter LPF, and the output of low pass filter LPF is connected in squaring circuit X2Input, squaring circuit X2Output be connected in the input of multiplier U3; Voltage error amplifier VEAThe input negative terminal be connected betweenresistance R 1, the resistance R 2 voltage error amplifier VEAThe positive termination reference voltage V of inputRef1, its output is connected in the input of multiplier U3; Described resistance RI2An end be connected in the output negative pole ofrectifier bridge 1, the other end is connected in the output of multiplier U3, the input negative terminal of current error amplifier U2 links to each other with the output of multiplier U3, the input anode of current error amplifier U2 is connected in resistance R3An end, resistance R3Other end ground connection, resistance RF2With capacitor CZ2Series connection, series circuit and capacitor CpParallel connection, this parallel circuits one is terminated at the input negative terminal of current error amplifier U2, and the other end is connected to the output of current error amplifier U2; The input negative terminal of described PWM generator U4 links to each other with the output of current error amplifier U2, the input anode of PWM generator U4 is connected with the output of voltage controlledoscillator 8, the output of PWM generator U4 is connected in the output driving circuit input, and the output driving circuit output connects the grid ofswitching tube 3.
Compared with prior art, the invention has the beneficial effects as follows: thus because the operating frequency of power factor corrector is subjected to output current regulating to reduce switching loss and the capacitive loss of power factor corrector under the undercapacity condition, promoted the average efficiency of power factor corrector.
Description of drawings
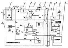
Fig. 1 is circuit theory diagrams of the present invention.
Fig. 2 is that its operating frequency is 85KHz under the traditional C CM PFC fixed frequency condition, and input voltage is respectively 100V, 160V, 264V, the efficient when output voltage is 390V and the relation curve of load.
Fig. 3 is that apparatus of the present invention are subjected under the output current adjusting pattern in frequency, and its maximum operation frequency is 85KHz, and minimum frequency of operation is 45KHz, and input voltage is respectively 100V, 160V, 264V, the efficient when output voltage is 390V and the relation curve of load.
Fig. 4 is that its operating frequency is 85KHz under the traditional C CM PFC fixed frequency condition, and output voltage is 390V, the efficient when output current is respectively 0.3A and 0.5A and the relation curve of input voltage.
Fig. 5 is that apparatus of the present invention are subjected under the output current adjusting pattern in frequency, and its maximum operation frequency is 85KHz, and minimum frequency of operation is 45KHz, and output voltage is 390V, the efficient when output current is respectively 0.3A and 0.5A and the relation curve of input voltage.
Embodiment
The invention will be further described below in conjunction with the drawings and specific embodiments.
As shown in Figure 1, the present invention includes input ac power Vac,rectifier bridge 1, PFC inductance 2,switching tube 3,output rectifying tube 4,output filter capacitor 5,load 7, continuous current modePFC control unit 9, outputvoltage detecting circuit 10,current sampling resistor 11 compositions, wherein the negative pole ofoutput filter capacitor 5 is defined as ground.The input of describedrectifier bridge 1 is connected in AC power Vac, one end of the output cathode series connection PFC inductance 2 ofrectifier bridge 1, the anode of the drain electrode of the other end of PFC inductance 2 and switchingtube 3 andoutput rectifying tube 4 connects same point altogether, the source ground ofswitching tube 3, the grid ofswitching tube 3 is the signal output part of continuous current-modePFC control unit 9 in succession, the negative electrode ofoutput rectifying tube 4 and the positive pole ofoutput filter capacitor 5, the positive pole ofload 7 connects, outputvoltage detecting circuit 10 is byresistance R 1, resistance R 2 is formed, one end ofresistance R 1 is connected to the negative electrode ofoutput rectifying tube 4, the other end is connected with an end of resistance R 2, resistance R 2 other end ground connection,current sampling resistor 11 is connected between the output negative terminal of the source electrode ofswitching tube 3 andrectifier bridge 1, the negative pole ofoutput filter capacitor 5 is connected to the source electrode ofswitching tube 3, the negative pole ofload 7 is connected with the negative pole ofoutput filter capacitor 5, above-mentioned PFC inductance 2 two ends, between the source electrode ofswitching tube 3 and the drain electrode, parasitic capacitance in parallel separately betweenoutput rectifying tube 4 both positive and negative polarities.In order to make power factor corrector adjust operating frequency according to the output current size, this circuit comprises that also output current detects amplifying circuit 6, voltage controlled oscillator 8.Described output current detects between the negative pole that amplifying circuit 6 is connected in the negative pole ofload 7 andoutput filter capacitor 5, and the output load current signal is detected and handles, and concrete output current detects amplifying circuit 6 and comprises resistance RSen2, resistance RI3, resistance RF1, capacitor CZ1, current error amplifier U1, described resistance RSen2Two ends are connected between the negative pole of the negative pole ofload 7 andoutput filter capacitor 5, described resistance RI3An end be connected in the negative pole ofoutput filter capacitor 5, the other end is connected in the input negative terminal of current error amplifier U1, the positive termination reference voltage V of the input of current error amplifier U1Ref2, the output of current error amplifier U1 is connected in the input of voltage controlledoscillator 8, described resistance RF1, capacitor CZ1Series connection, series circuit one end is connected with the input negative terminal of current error amplifier U1, and the series circuit other end is connected with the output of current error amplifier U1.
Aforesaid continuous current modePFC control unit 9 specifically comprises current error amplifier U2, multiplier U3.PWM generator U4, low pass filter LPF, voltage error amplifier VEA, output driving circuit, squaring circuit X2, resistance RIAC, resistance RI2, resistance R3, resistance RF2, capacitor Cp, capacitor CZ2Described resistance RIACOne end is connected in the output cathode ofrectifier bridge 1, and the other end is connected in the input of multiplier U3 and the input of low pass filter LPF, and the output of low pass filter LPF is connected in squaring circuit X2Input, squaring circuit X2Output be connected in the input of multiplier U3; Voltage error amplifier VEAThe input negative terminal be connected betweenresistance R 1, the resistance R 2 voltage error amplifier VEAThe positive termination reference voltage V of inputRef1, its output is connected in the input of multiplier U3; Described resistance RI2An end be connected in the output negative pole ofrectifier bridge 1, the other end is connected in the output of multiplier U3, the input negative terminal of current error amplifier U2 links to each other with the output of multiplier U3, the input anode of current error amplifier U2 is connected in resistance R3An end, resistance R3Other end ground connection, resistance RF2With capacitor CZ2Series connection, series circuit and capacitor CpParallel connection, this parallel circuits one is terminated at the input negative terminal of current error amplifier U2, and the other end is connected to the output of current error amplifier U2; The input negative terminal of described PWM generator U4 links to each other with the output of current error amplifier U2, the input anode of PWM generator U4 is connected with the output of voltage controlledoscillator 8, voltage controlledoscillator 8 is delivered to PWM generator U4 with the sawtooth waveforms Fs of its generation, the output of PWM generator U4 is connected in the output driving circuit input, the output driving circuit output connects the grid ofswitching tube 3, thus the operating frequency of removingcontrol switch pipe 3 by the generation of sawtooth waveforms Fs control PWM ripple like this.
The control strategy that the present invention adopts is certain corresponding certain switch operating frequency of load, and the corresponding relation of its frequency and output current can be linear, non-linear and other corresponding relation, and this operating frequency is not subjected to the influence of input voltage size or shape.Its working condition is identical with existing continuous mode power factor corrector under full load conditions.Confirmed following condition establishment before analyzing this circuit: (1) continuous current modePFC control unit 9 is the continuous current mode power factor correcting device of telotism, and its operating frequency is provided by the outside.(2) the current sample mode is a resistance sampling.(3) load minimum current is Imin, and corresponding minimum frequency of operation is Fs_min, and the load maximum current is Imax, and corresponding maximum operation frequency is Fs_max, and Io is a load current, Fs be the switching tube operating frequency and: Imin≤Io≤Imax; Fs_min≤Fs≤Fs_max.
Main circuit of the present invention is made up of PFC inductance 2, switchingtube 3,output rectifying tube 4,output filter capacitor 5, and its topology is the Boost circuit.Ac grid voltage Vac input is after rectification obtains commutating voltage Vin, switchingtube 3 ends earlier, after electric capacity is charged to certain value, switchingtube 3 begins according to the conducting of PWM rule and ends, storage and release with control inductance self-energy, and pass throughoutput rectifying tube 4 tooutput filter capacitor 5 chargings, and be sent to load 7, finish the function that alternating voltage is transferred to direct voltage.Control circuit is made up of the two large divisions, and a part is continuous current mode PFC control unit 9 (CCM PFC Control), and it is by voltage error amplifier VEA, current error amplifier U2, multiplier U3, PWM generator U4, low pass filter LPF compositions such as (Low pass filter); Another part is the Current Control frequency cells, and it detects amplifying circuit 6 (Current Detecting Unit) by output current and voltage controlled oscillator is formed.The outputvoltage detecting circuit 10 that Voltage loop in the closed-loop system is made up of resistor voltage divider network, voltage error amplifier VEA, multiplier U3, current error amplifier U2, compositions such as PWM generator U4.Its form is similar to the Voltage loop in the general voltage control pulse modulation technique, to reach the purpose that keeps output voltage stabilization.Electric current loop in the closed-loop system is bycurrent sampling resistor 11, current error amplifier U2,, PWM generator U4 forms.The output voltage V out sampling value and the reference voltage V ref1 of main circuit input to voltage error amplifier VEAThe detected value K of voltage Vin after the rectification and voltage error amplifier VEA output voltage V va are added to the input of multiplier U3 jointly.The output signal Vm of multiplier U3 is as the reference signal of Current Feedback Control signal, therefore current reference signal is two half-sine waves, detected value Iin * Rsen1 of it and input current Iin relatively after, be added to PWM generator U4 through current error amplifier U2 and produce pwm signal, with the break-make of switching tube in the control Boost DC/DC converter.Thereby make the waveform basically identical of the waveform of input current Iin and the voltage Vin after the rectification, and same-phase.So just make that current harmonics greatly reduces, thereby improved power factor.The frequency control loop course of work of this circuit is: output current detects amplifying circuit 6 by detection and processing to output load current, export a control signal Vo and this signal is delivered to the input of voltage controlled oscillator, voltage controlled oscillator produces the sawtooth waveforms Fs of a respective frequencies, sawtooth waveforms Fs signal send the synchronous signal input end of continuous current modePFC control unit 9, be the input anode of PWM generator U4, with the operating frequency of control switch pipe.
According to Cao Lingling, the efficiency analysis of Chen Ganhong power factor corrector of disclosed continuous current mode of operation in " time variant voltage DBPFC and BOOST PFC efficiency analysis pair with contrast " (airplane power source science and technology of aviation key lab is academic, and annual meeting---APSC ' 2009) with calculate and can know, the main loss of the power factor corrector of tradition under the continuous mode is made up of the conduction loss of switch module and line resistance and the switching loss of switch module and the capacitive loss of switch element parasitic capacitance, wherein switching loss accounts for its major ingredients, switching loss is directly proportional with its operating frequency with the capacitive loss, conduction loss and frequency-independent, relevant result calculated is as follows:
The turn-off power loss P of 1 output rectifier diodeDiode_off=K1FS_pfc
2 switching tube turn-on consumption PSw_on=K2FS_pfc
3 switching tube turn-off power loss PSw_off=K3FS_pfc
The parasitic capacitance loss P of 4 switching tubes, output diode, inductanceSw_c=K4FS_pfc
(K1, K2, K3, K4Be the coefficient relevant) with component parameters
Reduce operating frequency as shown from the above formula and will reduce overall loss, at output voltage one regularly, the setting of minimum frequency of operation is subject to the volume of maximum output current and minimum input voltage and PFC inductance, therefore under the volume situation of identical PFC inductance, fixing caused switching loss of operating frequency and capacitive loss are had a strong impact on system's efficient under the undercapacity situation, and influence is even more serious when underloading.Utilization of the present invention peak inrush current by the PFC inductance when output current reduces will reduce, the applicable AC magnetism induction of its magnetic core this moment will become big, thereby the value permission of the forward weber of inductance becomes big, under the constant situation of duty ratio, reduce its operating frequency, reduce the switching loss and the capacitive loss of system, can improve the efficient of CCM PFC power factor corrector under the undercapacity situation effectively.
The present invention carries out actual verification on the power factor corrector of 200W, and traditional C CM PFC controlling schemes efficient that obtains and the efficient that obtains with apparatus of the present invention (frequency is subjected to the power factor corrector of the continuous mode of output current adjusting) are compared.
Fig. 2 is that its operating frequency is 85KHz under the traditional C CM PFC fixed frequency condition, and input voltage is respectively 100V, 160V, 264V, the efficient when output voltage is 390V and the relation curve of load.
Fig. 3 is that apparatus of the present invention are subjected under the output current adjusting pattern in frequency, and its maximum operation frequency is 85KHz, and minimum frequency of operation is 45KHz, and input voltage is respectively 100V, 160V, 264V, the efficient when output voltage is 390V and the relation curve of load.
Fig. 4 is that its operating frequency is 85KHz under the traditional C CM PFC fixed frequency condition, and output voltage is 390V, the efficient when output current is respectively 0.3A and 0.5A and the relation curve of input voltage.
Fig. 5 is that apparatus of the present invention are subjected under the output current adjusting pattern in frequency, and its maximum operation frequency is 85KHz, and minimum frequency of operation is 45KHz, and output voltage is 390V, the efficient when output current is respectively 0.3A and 0.5A and the relation curve of input voltage.
Can find that from the contrast of contrast, Fig. 4 and Fig. 5 of Fig. 2 and Fig. 3 apparatus of the present invention can improve the average efficiency of power factor corrector under the undercapacity condition greatly.
In addition to the implementation, the present invention can also have other execution modes, and all employings are equal to the technical scheme of replacement or equivalent transformation formation, all drop in the protection range of requirement of the present invention.

Claims (3)

1. a power factor corrector comprises input ac power Vac, rectifier bridge (1), PFC inductance (2), switching tube (3), output rectifying tube (4), output filter capacitor (5), load (7), continuous current mode PFC control unit (9), output voltage detecting circuit (10), current sampling resistor (11); Wherein the negative pole of output filter capacitor (5) is defined as ground, the input of described rectifier bridge (1) is connected in AC power Vac, one end of the output cathode series connection PFC inductance (2) of rectifier bridge (1), the anode of the drain electrode of the other end of PFC inductance (2) and switching tube (3) and output rectifying tube (4) connects same point altogether, the source ground of switching tube (3), the grid of switching tube (3) is the signal output part of Discontinuous Conduction mode PFC control unit (9) in succession, the negative electrode of output rectifying tube (4) and the positive pole of output filter capacitor (5), the positive pole of load (7) connects, output voltage detecting circuit (10) is by resistance R 1, resistance R 2 is formed, one end of resistance R 1 is connected to the negative electrode of output rectifying tube (4), the other end is connected with an end of resistance R 2, resistance R 2 other end ground connection, current sampling resistor (11) is connected between the output negative terminal of the source electrode of switching tube (3) and rectifier bridge (1), the negative pole of output filter capacitor (5) is connected to the source electrode of switching tube (3), the negative pole of load (7) is connected with the negative pole of output filter capacitor (5), above-mentioned PFC inductance (2) two ends, between the source electrode of switching tube (3) and the drain electrode, parasitic capacitance in parallel separately between output rectifying tube (4) both positive and negative polarity, it is characterized in that, comprise that also output current detects amplifying circuit (6), voltage controlled oscillator (8), described output current detects between the negative pole that amplifying circuit (6) is connected in the negative pole of load (7) and output filter capacitor (5), the output load current signal is detected and handles, described output current detects the input that amplifying circuit (6) output is connected in voltage controlled oscillator (8), export a control signal and give voltage controlled oscillator (8), voltage controlled oscillator (8) produces the sawtooth waveforms Fs of a respective frequencies, the output of voltage controlled oscillator (8) is connected in the frequency input of continuous current mode PFC control unit (9), sawtooth waveforms Fs is delivered to continuous current mode PFC control unit (9), thus the operating frequency of control switch pipe (3).
2. a kind of power factor corrector as claimed in claim 1,, it is characterized in that described output current detects amplifying circuit (6) and comprises resistance RSen2, resistance RI3, resistance RF1, capacitor CZ1, current error amplifier U1, described resistance RSen2Two ends are connected between the negative pole of the negative pole of load (7) and output filter capacitor (5), described resistance RI3An end be connected in the negative pole of output filter capacitor (5), the other end is connected in the input negative terminal of current error amplifier U1, the positive termination reference voltage V of the input of current error amplifier U1Ref2, the output of current error amplifier U1 is connected in the input of voltage controlled oscillator (8), described resistance RF1, capacitor CZ1Series connection, series circuit one end is connected with the input negative terminal of current error amplifier U1, and the series circuit other end is connected with the output of current error amplifier U1.
3. a kind of power factor corrector as claimed in claim 2,, it is characterized in that described continuous current mode PFC control unit (9) comprises current error amplifier U2, multiplier U3, PWM generator U4, low pass filter LPF, voltage error amplifier VEA, output driving circuit, squaring circuit X2, resistance RIAC, resistance RI2, resistance R3, resistance RF2, capacitor Cp, capacitor CZ2Described resistance RIACOne end is connected in the output cathode of rectifier bridge (1), and the other end is connected in the input of multiplier U3 and the input of low pass filter LPF, and the output of low pass filter LPF is connected in squaring circuit X2Input, squaring circuit X2Output be connected in the input of multiplier U3; Voltage error amplifier VEAThe input negative terminal be connected between resistance R 1, the resistance R 2 voltage error amplifier VEAThe positive termination reference voltage V of inputRef1, its output is connected in the input of multiplier U3; Described resistance RI2An end be connected in the output negative pole of rectifier bridge (1), the other end is connected in the output of multiplier U3, the input negative terminal of current error amplifier U2 links to each other with the output of multiplier U3, the input anode of current error amplifier U2 is connected in resistance R3An end, resistance R3Other end ground connection, resistance RF2With capacitor CZ2Series connection, series circuit and capacitor CpParallel connection, this parallel circuits one is terminated at the input negative terminal of current error amplifier U2, and the other end is connected to the output of current error amplifier U2; The input negative terminal of described PWM generator U4 links to each other with the output of current error amplifier U2, the input anode of PWM generator U4 is connected with the output of voltage controlled oscillator (8), the output of PWM generator U4 is connected in the output driving circuit input, and the output driving circuit output connects switching tube (3) grid.
CN2010101187731A2010-03-052010-03-05Power factor correctorExpired - Fee RelatedCN101789684B (en)

Priority Applications (1)

Application NumberPriority DateFiling DateTitle
CN2010101187731ACN101789684B (en)2010-03-052010-03-05Power factor corrector

Applications Claiming Priority (1)

Application NumberPriority DateFiling DateTitle
CN2010101187731ACN101789684B (en)2010-03-052010-03-05Power factor corrector

Publications (2)

Publication NumberPublication Date
CN101789684Atrue CN101789684A (en)2010-07-28
CN101789684B CN101789684B (en)2012-06-06

Family

ID=42532779

Family Applications (1)

Application NumberTitlePriority DateFiling Date
CN2010101187731AExpired - Fee RelatedCN101789684B (en)2010-03-052010-03-05Power factor corrector

Country Status (1)

CountryLink
CN (1)CN101789684B (en)

Cited By (19)

* Cited by examiner, † Cited by third party
Publication numberPriority datePublication dateAssigneeTitle
CN101951139A (en)*2010-09-282011-01-19矽创电子股份有限公司Power factor correction circuit of power converter
CN102290972A (en)*2011-08-152011-12-21成都芯源系统有限公司Switching power supply and control circuit and control method thereof
CN102468745A (en)*2010-11-082012-05-23Nxp股份有限公司Power factor controller with error feedback, and a method of operating such
CN102594135A (en)*2012-02-292012-07-18杭州矽力杰半导体技术有限公司Boost PFC controller
CN102710157A (en)*2011-03-282012-10-03旭丽电子(广州)有限公司Power factor correction boost converter and switching frequency modulation method thereof
CN103108432A (en)*2011-11-112013-05-15欧司朗股份有限公司Light-emitting diode (LED) driver and LED illuminating device with the same
CN103166446A (en)*2011-12-132013-06-19万国半导体(开曼)股份有限公司Power factor correcting device and correcting method thereof
CN103607104A (en)*2013-11-222014-02-26乐金电子研发中心(上海)有限公司Sine wave modulation circuit and sine wave modulation method
CN103904879A (en)*2014-01-092014-07-02常州隆辉照明科技有限公司Compensating circuit and method for buck circuit power factor
CN105490542A (en)*2014-09-192016-04-13万国半导体(开曼)股份有限公司Constant on-time switching converter
CN102468745B (en)*2010-11-082016-12-14Nxp股份有限公司There is power factor controller and the operational approach thereof of error feedback
CN107911016A (en)*2017-12-072018-04-13广东美的暖通设备有限公司The control device of Boost pfc circuits, control method
CN107990505A (en)*2017-12-212018-05-04广东美的暖通设备有限公司Frequency conversion control circuit and air conditioner
CN108490483A (en)*2018-04-172018-09-04山东省科学院激光研究所Signal transmitting apparatus and system
CN111308943A (en)*2020-03-312020-06-19深圳市英威腾电源有限公司UPS control method, device, equipment and medium
CN112803753A (en)*2021-03-252021-05-14毛昭祺Power factor correction converter
CN114374311A (en)*2022-03-212022-04-19深圳市芯茂微电子有限公司Load power characterization method, system and processing module
CN115483823A (en)*2022-09-212022-12-16钰泰半导体股份有限公司Switching power factor corrector and AC/DC converter
CN119727305A (en)*2024-11-202025-03-28荣丰数字能源科技(深圳)有限公司 Mode control circuit of power factor correction circuit

Citations (2)

* Cited by examiner, † Cited by third party
Publication numberPriority datePublication dateAssigneeTitle
US6215287B1 (en)*1999-05-172001-04-10Matsushita Electric Industrial Co., Ltd.Power supply apparatus
CN1389970A (en)*2001-06-052003-01-08栢怡国际股份有限公司Power-factor correcting method for low ready power

Patent Citations (2)

* Cited by examiner, † Cited by third party
Publication numberPriority datePublication dateAssigneeTitle
US6215287B1 (en)*1999-05-172001-04-10Matsushita Electric Industrial Co., Ltd.Power supply apparatus
CN1389970A (en)*2001-06-052003-01-08栢怡国际股份有限公司Power-factor correcting method for low ready power

Cited By (33)

* Cited by examiner, † Cited by third party
Publication numberPriority datePublication dateAssigneeTitle
CN101951139A (en)*2010-09-282011-01-19矽创电子股份有限公司Power factor correction circuit of power converter
CN101951139B (en)*2010-09-282015-09-23矽创电子股份有限公司 Power Factor Correction Circuit for Power Converter
CN102468745A (en)*2010-11-082012-05-23Nxp股份有限公司Power factor controller with error feedback, and a method of operating such
US9712047B2 (en)2010-11-082017-07-18Nxp B.V.Power factor controller with error feedback, and a method of operating such a power factor controller
CN102468745B (en)*2010-11-082016-12-14Nxp股份有限公司There is power factor controller and the operational approach thereof of error feedback
CN102710157B (en)*2011-03-282015-04-01光宝电子(广州)有限公司Power factor correction boost converter
CN102710157A (en)*2011-03-282012-10-03旭丽电子(广州)有限公司Power factor correction boost converter and switching frequency modulation method thereof
US8878499B2 (en)2011-03-282014-11-04Lite-On Electronics (Guangzhou) LimitedPower factor correction boost converter and frequency switching modulation method thereof
CN102290972A (en)*2011-08-152011-12-21成都芯源系统有限公司Switching power supply and control circuit and control method thereof
CN102290972B (en)*2011-08-152014-03-19成都芯源系统有限公司Switching power supply and control circuit and control method thereof
TWI485958B (en)*2011-08-152015-05-21Monolithic Power Systems IncControl circuit for switching power supply and associated method
CN103108432B (en)*2011-11-112016-09-14欧司朗股份有限公司LED driver and the LED light device with this LED driver
CN103108432A (en)*2011-11-112013-05-15欧司朗股份有限公司Light-emitting diode (LED) driver and LED illuminating device with the same
CN103166446A (en)*2011-12-132013-06-19万国半导体(开曼)股份有限公司Power factor correcting device and correcting method thereof
CN103166446B (en)*2011-12-132015-05-13万国半导体(开曼)股份有限公司Power factor correcting device and correcting method thereof
CN102594135A (en)*2012-02-292012-07-18杭州矽力杰半导体技术有限公司Boost PFC controller
CN103607104A (en)*2013-11-222014-02-26乐金电子研发中心(上海)有限公司Sine wave modulation circuit and sine wave modulation method
CN103904879A (en)*2014-01-092014-07-02常州隆辉照明科技有限公司Compensating circuit and method for buck circuit power factor
CN105490542A (en)*2014-09-192016-04-13万国半导体(开曼)股份有限公司Constant on-time switching converter
CN107911016B (en)*2017-12-072024-05-24广东美的暖通设备有限公司Control device and control method of Boost-PFC circuit
CN107911016A (en)*2017-12-072018-04-13广东美的暖通设备有限公司The control device of Boost pfc circuits, control method
CN107990505A (en)*2017-12-212018-05-04广东美的暖通设备有限公司Frequency conversion control circuit and air conditioner
CN108490483A (en)*2018-04-172018-09-04山东省科学院激光研究所Signal transmitting apparatus and system
CN108490483B (en)*2018-04-172020-08-07山东省科学院激光研究所Signal transmission device and system
CN111308943A (en)*2020-03-312020-06-19深圳市英威腾电源有限公司UPS control method, device, equipment and medium
CN111308943B (en)*2020-03-312023-11-28深圳市英威腾电源有限公司UPS control method, device, equipment and medium
CN112803753B (en)*2021-03-252022-02-11杭州优特电源有限公司Power factor correction converter
CN112803753A (en)*2021-03-252021-05-14毛昭祺Power factor correction converter
CN114374311A (en)*2022-03-212022-04-19深圳市芯茂微电子有限公司Load power characterization method, system and processing module
CN115483823A (en)*2022-09-212022-12-16钰泰半导体股份有限公司Switching power factor corrector and AC/DC converter
CN115483823B (en)*2022-09-212024-01-19钰泰半导体股份有限公司Switching power factor corrector and AC/DC converter
CN119727305A (en)*2024-11-202025-03-28荣丰数字能源科技(深圳)有限公司 Mode control circuit of power factor correction circuit
CN119727305B (en)*2024-11-202025-09-30荣丰数字能源科技(深圳)有限公司Mode control circuit of power factor correction circuit

Also Published As

Publication numberPublication date
CN101789684B (en)2012-06-06

Similar Documents

PublicationPublication DateTitle
CN101789684B (en)Power factor corrector
CN101986542B (en)PFC (power factor correction) control method with high input power factor and control circuit thereof
AU2015100179A4 (en)A battery charger with power factor correction
CN102882378B (en)Control method and device for unit power factor flyback converter in critical continuous mode
CN203933384U (en)A kind of high power factor correction control circuit and device
CN109189140A (en)A kind of ripple current generation circuit
Guo et al.A universal variable on-time compensation to improve THD of high-frequency CRM boost PFC converter
Etz et al.Comparison between digital average current mode control and digital one cycle control for a bridgeless PFC boost converter
CN116722734A (en)Bridgeless buck PFC converter based on buck-boost conversion unit
CN104578797B (en)Method and device for controlling discontinuous mode flyback converter with high power factor and high efficiency
CN203039585U (en)Critical continuous mode unity power factor flyback converter
CN109039050A (en)A kind of source voltage-type Trans-Z active power factor correction circuit
CN116961400B (en)High-efficiency bridgeless buck PFC converter without input diode
Baharom et al.Computer simulation model and performance analysis of high power factor three-phase AC-DC current injection hybrid resonant converter
CN204290730U (en)A kind of control device of High Power Factor high efficiency anti exciting converter of discontinuous mode
CN208752488U (en)A kind of ripple current generation circuit
CN102710117B (en)High-efficiency passive power factor correction circuit
CN202160104U (en)PFC circuit and air conditioner adopting same
CN102403889A (en)High-efficiency passive power factor correction circuit
CN203039586U (en)Wide-load-range low-voltage stress flyback converter
Chen et al.On-time compensation method for CRM/DCM Boost PFC converter
CN105553242A (en)Method and method for suppressing industrial frequency harmonic disturbance of AC-DC (Alternating Current-Direct Current) power supply
CN112953189A (en)Charging device
CN204967409U (en)Electronic equipment standby power
CN202872633U (en)High-efficiency passive power factor correction circuit

Legal Events

DateCodeTitleDescription
C06Publication
PB01Publication
C10Entry into substantive examination
SE01Entry into force of request for substantive examination
C14Grant of patent or utility model
GR01Patent grant
EE01Entry into force of recordation of patent licensing contract

Application publication date:20100728

Assignee:JIANGSU LEADING ELECTRONICS Co.,Ltd.

Assignor:Yu Suoping

Contract record no.:2014320000330

Denomination of invention:Power factor corrector

Granted publication date:20120606

License type:Exclusive License

Record date:20140424

LICCEnforcement, change and cancellation of record of contracts on the licence for exploitation of a patent or utility model
CF01Termination of patent right due to non-payment of annual fee

Granted publication date:20120606

CF01Termination of patent right due to non-payment of annual fee

[8]ページ先頭

©2009-2025 Movatter.jp