




技术领域technical field
本发明涉及移动通信技术,特别涉及一种上报测量报告的方法、终端设备、网络设备和通信系统。The invention relates to mobile communication technology, in particular to a method for reporting a measurement report, terminal equipment, network equipment and a communication system.
背景技术Background technique
随着网络技术的发展,GSM/EDGE无线接入网(GSM/EDGE Radio AccessNetwork,GERAN)网络、全球陆地无线接入网(Universal Terrestrial RadioAccess Network,UTRAN)网络和演进全球陆地无线接入网(Evolved UniversalRadio Access Network,EURAN)网络之间的互操作成为势必解决的问题。2G网络能够满足语音业务的要求,3G网络和LTE网络更适合分组业务的要求,因此根据业务选择接入网可以更好地满足用户的需求。当用户发起新的业务请求时,终端当前所在的小区可能并不在需要接入的接入网内,为此网络侧需要获取邻小区的测量报告,以便为后续的重定向或重选或切换作出决策准备。例如,终端当前驻扎在GERAN网络,当终端发起一个更适合在UTRAN或EUTRAN网络承载的PS业务时,GERAN网络可以触发基于业务类型的重定向;再例如,在GERAN网络中,CS业务结束时使用信道释放消息将终端重定向到其他接入网。以上场景中,网络都希望终端能够上报其他接入网技术的邻小区的测量报告。当前GERAN的测量报告消息中,报告的是6个信号最强的GSM小区,在增强测量报告消息中,报告的优先级是:先报告与服务小区同频的GSM小区,然后是与服务小区异频的GSM小区,之后才是其他接入网RAT技术的邻小区的测量报告。With the development of network technology, GSM/EDGE Radio Access Network (GSM/EDGE Radio Access Network, GERAN) network, Global Terrestrial Radio Access Network (Universal Terrestrial Radio Access Network, UTRAN) network and Evolved Global Terrestrial Radio Access Network (Evolved The interoperability between UniversalRadio Access Network (EURAN) networks has become an inevitable problem to be solved. The 2G network can meet the requirements of the voice service, and the 3G network and LTE network are more suitable for the requirements of the packet service. Therefore, selecting the access network according to the service can better meet the needs of users. When a user initiates a new service request, the cell where the terminal is currently located may not be in the access network that needs to be accessed. For this reason, the network side needs to obtain the measurement report of the neighboring cell in order to make decisions for subsequent redirection, reselection, or handover. Decision preparation. For example, the terminal is currently camped on the GERAN network. When the terminal initiates a PS service that is more suitable for carrying on the UTRAN or EUTRAN network, the GERAN network can trigger redirection based on the service type; The Channel Release message redirects the terminal to other access networks. In the above scenarios, the network hopes that the terminal can report the measurement reports of neighboring cells of other access network technologies. In the current GERAN measurement report message, the six GSM cells with the strongest signal are reported. In the enhanced measurement report message, the priority of the report is: first report the GSM cell with the same frequency as the serving cell, and then report the GSM cell with the same frequency as the serving cell. Frequency GSM cell, followed by the measurement reports of neighboring cells of other access network RAT technologies.
发明人在实现本发明的过程中发现现有技术中至少存在如下问题:采用现有的固定的上报方法很可能上报的并不是最适合该业务的小区的测量报告。In the process of implementing the present invention, the inventor found at least the following problems in the prior art: the measurement report of the cell that is not most suitable for the service may be reported by the existing fixed reporting method.
发明内容Contents of the invention
本发明是提供一种上报测量报告的方法、终端设备、网络设备和通信系统,解决现有终端很可能上报并不合适的小区的测量报告的问题。The present invention provides a method for reporting a measurement report, a terminal device, a network device and a communication system, and solves the problem that an existing terminal may report a measurement report of an inappropriate cell.
本发明实施例提供了一种上报测量报告的方法,包括:An embodiment of the present invention provides a method for reporting a measurement report, including:
获取测量上报类型指示信息,该测量上报类型指示信息包括无线接入网、频率、及频率组中一种或多种组合的上报顺序;Obtain measurement report type indication information, where the measurement report type indication information includes a reporting order of one or more combinations of radio access network, frequency, and frequency group;
根据所述测量上报类型指示信息上报测量报告。Report a measurement report according to the measurement report type indication information.
本发明实施例还提供了一种上报测量报告的方法,包括:The embodiment of the present invention also provides a method for reporting a measurement report, including:
生成测量上报类型指示信息,该测量上报类型指示信息包括无线接入网、频率、及频率组中一种或多种组合的上报顺序;Generate measurement report type indication information, where the measurement report type indication information includes a reporting order of one or more combinations of radio access network, frequency, and frequency group;
将所述测量上报类型指示信息发送给终端设备;Send the measurement reporting type indication information to the terminal device;
接收所述终端设备根据所述测量上报类型指示信息发送的测量报告。receiving the measurement report sent by the terminal device according to the measurement report type indication information.
本发明实施例提供了一种终端设备,包括:An embodiment of the present invention provides a terminal device, including:
获取模块,用于获取测量上报类型指示信息,该测量上报类型指示信息包括无线接入网、频率、及频率组中一种或多种组合的上报顺序;An acquisition module, configured to acquire measurement report type indication information, where the measurement report type indication information includes a reporting order of one or more combinations of radio access network, frequency, and frequency group;
上报模块,用于根据所述获取模块得到的测量上报类型指示信息上报测量报告。A reporting module, configured to report a measurement report according to the measurement report type indication information obtained by the acquiring module.
本发明实施例提供了一种网络设备,包括:An embodiment of the present invention provides a network device, including:
生成模块,用于生成测量上报类型指示信息,该测量上报类型指示信息包括无线接入网、频率、及频率组中一种或多种组合的上报顺序;A generating module, configured to generate measurement report type indication information, where the measurement report type indication information includes a reporting sequence of one or more combinations of radio access network, frequency, and frequency group;
发送模块,用于将所述生成模块得到的测量上报类型指示信息发送给终端设备;A sending module, configured to send the measurement reporting type indication information obtained by the generating module to the terminal device;
接收模块,用于接收所述终端设备根据所述测量上报类型指示信息发送的测量报告。A receiving module, configured to receive a measurement report sent by the terminal device according to the measurement report type indication information.
本发明实施例提供了一种通信系统,包括:An embodiment of the present invention provides a communication system, including:
网络设备,用于生成测量上报类型指示信息,该测量上报类型指示信息包括无线接入网、频率、及频率组中一种或多种组合的上报顺序;A network device, configured to generate measurement report type indication information, where the measurement report type indication information includes a report sequence of one or more combinations of radio access network, frequency, and frequency group;
终端设备,用于接收所述网络设备生成的测量上报类型指示信息,并根据所述测量上报类型指示信息上报测量报告。The terminal device is configured to receive the measurement report type indication information generated by the network device, and report a measurement report according to the measurement report type indication information.
本发明实施例还提供了一种通信系统,包括:The embodiment of the present invention also provides a communication system, including:
网络设备,用于发送无线接入网、频率、及频率组中一种或多种组合的优先级;A network device, configured to send priorities of one or more combinations of radio access networks, frequencies, and frequency groups;
终端设备,用于接收所述网络设备发送的所述优先级,根据所述优先级得到所述测量上报类型指示信息,并根据所述测量上报类型指示信息上报测量报告。The terminal device is configured to receive the priority sent by the network device, obtain the measurement report type indication information according to the priority, and report a measurement report according to the measurement report type indication information.
由上述技术方案可知,本发明实施例通过获取上报类型指示信息,可以根据上报类型指示信息指示的顺序上报小区的测量报告,使网络获取最合适的小区的测量报告。It can be known from the above technical solutions that, by acquiring the reporting type indication information, the embodiments of the present invention can report cell measurement reports according to the order indicated by the reporting type indication information, so that the network obtains the most suitable cell measurement reports.
附图说明Description of drawings
图1为本发明第一实施例的方法流程示意图;Fig. 1 is the schematic flow chart of the method of the first embodiment of the present invention;
图2为本发明第二实施例的方法流程示意图;Fig. 2 is a schematic flow chart of the method of the second embodiment of the present invention;
图3为本发明第三实施例的方法流程示意图;3 is a schematic flow diagram of a method according to a third embodiment of the present invention;
图4为本发明第四实施例的方法流程示意图;4 is a schematic flow diagram of a method according to a fourth embodiment of the present invention;
图5为本发明第五实施例的终端设备的结构示意图;FIG. 5 is a schematic structural diagram of a terminal device according to a fifth embodiment of the present invention;
图6为本发明第六实施例的网络设备的结构示意图;FIG. 6 is a schematic structural diagram of a network device according to a sixth embodiment of the present invention;
图7为本发明第七实施例的通信系统的结构示意图。FIG. 7 is a schematic structural diagram of a communication system according to a seventh embodiment of the present invention.
具体实施方式Detailed ways
下面通过附图和实施例,对本发明的技术方案做进一步的详细描述。The technical solutions of the present invention will be described in further detail below with reference to the accompanying drawings and embodiments.
图1为本发明第一实施例的方法流程示意图,包括:Fig. 1 is a schematic flow chart of the method of the first embodiment of the present invention, including:
步骤11:终端设备获取测量上报类型指示信息,该测量上报类型指示信息包括无线接入网、频率、及频率组中一种或多种组合的上报顺序。Step 11: The terminal device obtains measurement report type indication information, and the measurement report type indication information includes a report order of one or more combinations of radio access network, frequency, and frequency group.
其中,终端设备可以为移动台(Mobile Station,MS)或用户设备(UserEquipment)等。测量上报类型指示信息可以用数值表示,每个数值对应一种终端设备上报测量报告的顺序,该顺序为无线接入网、频率、或频率组的分组上报顺序,或者组合上报顺序。即该测量上报类型指示信息可以指示按照无线接入网进行测量上报,按照频率进行测量上报,按照频率组进行测量上报,或者按照无线接入网、频率、频率组的两两组合或三者组合进行测量上报。上报类型指示信息还可以进一步包括数量指示信息,该数量指示信息指示测量报告中各无线接入网、频率、和/或频率组中上报的邻小区的最大个数。在实施例中,各个无线接入网、频率、和/或频率组中上报的邻小区的最大个数可以相同也可以不同。Wherein, the terminal device may be a mobile station (Mobile Station, MS) or a user equipment (UserEquipment), etc. The measurement reporting type indication information may be represented by a numerical value, and each numerical value corresponds to an order in which a terminal device reports a measurement report, and the order is a packet reporting order of a radio access network, a frequency, or a frequency group, or a combined reporting order. That is, the measurement reporting type indication information may indicate that measurement reporting is performed according to radio access network, measurement reporting is performed according to frequency, measurement reporting is performed according to frequency group, or a combination of two or three of radio access network, frequency, and frequency group Report the measurement. The reporting type indication information may further include quantity indication information, and the quantity indication information indicates the maximum number of neighboring cells reported in each radio access network, frequency, and/or frequency group in the measurement report. In an embodiment, the maximum number of neighbor cells reported in each radio access network, frequency, and/or frequency group may be the same or different.
其中,终端设备可以接收网络设备发送的消息,该消息中携带所述测量上报类型指示信息;或者,终端设备接收网络设备发送的消息,该消息中携带无线接入网、频率、及频率组中一种或多种组合的优先级,或者说优先级信息,终端设备根据该优先级得到所述测量上报类型指示信息。在实施例中,测量上报类型指示信息可以针对一个上报测量报告的消息。Wherein, the terminal device may receive a message sent by the network device, and the message carries the indication information of the measurement report type; or, the terminal device receives a message sent by the network device, and the message carries the wireless access network, frequency, and frequency group information. One or more combined priorities, or priority information, according to which the terminal device obtains the measurement report type indication information. In an embodiment, the measurement report type indication information may be for a message reporting a measurement report.
步骤12:终端设备根据该测量上报类型指示信息上报测量报告。Step 12: The terminal device reports a measurement report according to the measurement report type indication information.
上述从终端侧描述了测量报告的上报,从网络侧则为网络设备生成测量上报类型指示信息,该测量上报类型指示信息包括无线接入网、频率、及频率组中一种或多种组合的上报顺序;将测量所述上报类型指示信息发送给终端设备;接收所述终端设备根据所述测量上报类型指示信息发送的测量报告。The above described the reporting of the measurement report from the terminal side, and the network side generates measurement report type indication information for the network equipment, and the measurement report type indication information includes radio access network, frequency, and one or more combinations of frequency groups. Reporting sequence: sending the measurement report type indication information to the terminal device; receiving the measurement report sent by the terminal device according to the measurement report type indication information.
其中,网络设备可以根据无线接入网、频率、及频率组中一种或多种组合得到所述测量上报类型指示信息;或者,网络设备还可以确定无线接入网、频率、及频率组中一种或多种组合的优先级,根据所述优先级得到所述测量上报类型指示信息。Wherein, the network device can obtain the measurement reporting type indication information according to one or more combinations of the radio access network, frequency, and frequency group; or, the network device can also determine the radio access network, frequency, and frequency group One or more combined priorities, and the measurement report type indication information is obtained according to the priorities.
下面具体描述一下测量报告的上报方式:在GERAN与UTRAN或EUTRAN同覆盖的情况,当驻留在GERAN小区的终端要进行一个PS业务时,如果网络据该业务的业务特性(例如,带宽时延速率要求等)判决该业务更适合在UTRAN或EUTRAN网络中进行时,网络可以指示终端首先上报UTRAN或EUTRAN网络的邻小区。网络在下发包含该指示的命令之前,在邻近布署有EUTRAN网络的GSM小区的系统消息中广播可以接入的EUTRAN频率,和/或在邻近布署有UTRAN网络的GSM小区的系统消息中广播可以接入的UTRAN小区。通过后台操作管理O&M系统,网络可以知道小区周围的覆盖,并通过广播消息发送相关无线接入技术的系统消息。网络可以在系统广播消息中携带测量上报类型指示信息,指示终端在测量报告中上报的RAT小区的顺序(例如先上报UTRAN或EUTRAN小区)。或者,网络还可以在专用信令中携带测量上报类型指示信息,指示终端在测量报告中上报的RAT小区的顺序(例如先上报UTRAN或EUTRAN小区)。进一步地,当终端要进行的业务所适宜的无线接入技术的小区与广播消息中指示上报的无线接入技术测量上报类型不一致时,网络可以通过专用信令来指示该终端在测量报告中上报各RAT小区时的测量上报类型。当终端刚刚重选或重定向或切换到新的RAT的小区时在尚未来得及获取系统消息中或专用信令中的测量报告指示之前,其测量报告的测量上报类型可以采用原有的即重选或重定向或切换之前获取的测量报告的测量上报类型指示。The following describes the reporting method of the measurement report in detail: in the case of the same coverage of GERAN and UTRAN or EUTRAN, when a terminal residing in a GERAN cell wants to perform a PS service, if the network according to the service characteristics of the service (for example, bandwidth delay rate requirements, etc.) to determine that the service is more suitable for UTRAN or EUTRAN network, the network can instruct the terminal to first report to the neighboring cells of the UTRAN or EUTRAN network. Before the network issues the command containing the indication, it broadcasts the accessible EUTRAN frequency in the system message of the adjacent GSM cell deployed with the EUTRAN network, and/or broadcasts in the system message of the adjacent GSM cell deployed with the UTRAN network Accessible UTRAN cells. Through the background operation and management of the O&M system, the network can know the coverage around the cell, and send system messages related to wireless access technologies through broadcast messages. The network may carry measurement report type indication information in the system broadcast message, indicating the sequence of RAT cells reported by the terminal in the measurement report (for example, report UTRAN or EUTRAN cells first). Alternatively, the network may also carry measurement report type indication information in the dedicated signaling, indicating the sequence of RAT cells reported by the terminal in the measurement report (for example, report UTRAN or EUTRAN cells first). Further, when the cell of the radio access technology suitable for the service to be performed by the terminal is inconsistent with the radio access technology measurement reporting type indicated in the broadcast message, the network can use dedicated signaling to instruct the terminal to report the measurement report in the measurement report. Measurement report type for each RAT cell. When the terminal has just reselected or redirected or switched to a new RAT cell, before it has time to obtain the measurement report indication in the system message or in the dedicated signaling, the measurement reporting type of the measurement report can use the original ie reselection Or redirect or switch the indication of the measurement report type of the measurement report obtained before.
本实施例的方法适用于分组传输模式、专有模式、双传输模式、空闲模式(IDLE MODE)、分组空闲模式(PACKET IDLE MODE)。本实施例的方法适用于上报测量报告的终端控制模式(NC1操作模式)、网络控制模式(NC2操作模式)。本实施例的方法亦适用于无论终端作为主叫或被叫的情况。The method of this embodiment is applicable to packet transmission mode, dedicated mode, dual transmission mode, idle mode (IDLE MODE), and packet idle mode (PACKET IDLE MODE). The method of this embodiment is applicable to a terminal control mode (NC1 operation mode) and a network control mode (NC2 operation mode) for reporting measurement reports. The method of this embodiment is also applicable to the case that the terminal is the calling party or the called party.
对于分组传输模式,首选的RAT将依赖于终端进行业务的服务类型、和/或签约类型、和/或网络负载情况等。例如如果是需要更高带宽的业务将更适宜移至E-UTRAN,即需进行RAT间的切换/小区重选;而具较低带宽要求的业务更适宜于保留在GERAN内。For the packet transmission mode, the preferred RAT will depend on the service type, and/or subscription type, and/or network load conditions, etc. that the terminal conducts business. For example, services requiring higher bandwidth are more suitable to be moved to E-UTRAN, that is, inter-RAT handover/cell reselection is required; while services with lower bandwidth requirements are more suitable to be retained in GERAN.
当终端有一个正在进行的CS呼叫或PS会话,即当其在专有模式,双传输模式或分组传输模式或分组空闲模式,由于邻区数目的限制或/和测量间隙的限制终端可能不能将所有有效的邻小区全部包含在测量报告中上报给网络。因此为了让终端确定上报哪些RAT的哪些小区,需要对这些模式按照RAT进行测量上报类型的定义。网络可以广播测量上报类型设置来指示终端它应对不同的RAT测量如何进行测量上报排序,可用于IDLE模式下的驻扎小区的选择。同样的测量上报类型设置也可定义到每个RAT下频率或频率组的粒度的顺序。When a terminal has an ongoing CS call or PS session, i.e. when it is in dedicated mode, dual transfer mode or packet transfer mode or packet idle mode, the terminal may not be able to All valid neighboring cells are included in the measurement report and reported to the network. Therefore, in order for the terminal to determine which cells of which RATs to report, it is necessary to define measurement reporting types for these modes according to RATs. The network can broadcast the measurement report type setting to instruct the terminal how to perform measurement report ordering for different RAT measurements, which can be used for the selection of camping cells in IDLE mode. The same measurement reporting type setting can also define the order of the granularity of frequencies or frequency groups under each RAT.
如果采用现有技术,现有的增强测量报告(Enhanced MeasurementReport)消息中的报告优先级规则首先上报与服务小区同频的GSM小区,然后是与服务小区异频的GSM小区,再之后才是其他的RAT即EUTRAN/UTRAN小区。那么假如满足条件的GSM小区足够多占据了所有的测量报告的空间,则上报的小区中就不会包含适合业务进行的其它RAT(如EUTRAN/UTRAN)小区了。同样的,现有的测量报告(MeasurementReport)消息中通常就是上报6个最强信号的GSM邻区,这样上报的邻小区中就更少能够包含适宜业务进行的其它RAT(如EUTRAN/UTRAN)小区。由此,当网络依据业务特性判决终端进行小区重选或切换或重定向至适宜于该业务进行的其它RAT(如EUTRAN/UTRAN)时,却没有对应的该RAT小区的测量报告作为支撑。即使此时再要求终端上报测量报告,然而如果各邻小区的情况基本不变或改变很少,上报的很可能依然不是网络想要的RAT的小区,如此循环,非常浪费网络资源。If the existing technology is adopted, the report priority rules in the existing Enhanced Measurement Report (Enhanced Measurement Report) message first report the GSM cell with the same frequency as the serving cell, then the GSM cell with a different frequency with the serving cell, and then other The RAT is the EUTRAN/UTRAN cell. If enough GSM cells meeting the conditions occupy the space of all the measurement reports, the reported cells will not include other RAT (such as EUTRAN/UTRAN) cells suitable for service. Similarly, the existing Measurement Report (MeasurementReport) message usually reports the 6 GSM neighbors with the strongest signals, so that the reported neighbors are less likely to include other RAT (such as EUTRAN/UTRAN) cells that are suitable for business. . Therefore, when the network judges the terminal to perform cell reselection or handover or redirection to another RAT suitable for the service (such as EUTRAN/UTRAN) according to the service characteristics, there is no corresponding measurement report of the RAT cell as a support. Even if the terminal is required to report the measurement report again at this time, if the conditions of the neighboring cells are basically unchanged or changed little, the reported cell may still not be the RAT desired by the network. Such a cycle is very wasteful of network resources.
而本实施例提供了网络侧控制终端按照可变顺序进行邻小区测量报告的上报机制,使终端有机会先上报适宜业务进行的RAT的邻小区的测量报告。例如当终端/网络发起一个更适合在UTRAN或EUTRAN承载的业务时,网络通过广播信令或专用信令指示终端按照某一测量上报类型上报测量报告,使得终端能够先上报UTRAN或EUTRAN网络的邻小区,从而为后续的将分组业务从GERAN重定向或切换或小区重选到UTRAN或EUTRAN的流程做好铺垫。应用本实施例能够确保终端先上报最适合的测量报告,解决了多种RAT共存情况下的分组业务的测量报告的测量上报类型的问题,防止资源浪费,且更加有效的利用了测量报告,这对于解决网络间的互操作具有重要意义。However, this embodiment provides a reporting mechanism for the network side to control the terminal to perform adjacent cell measurement reports in a variable order, so that the terminal has the opportunity to first report the measurement report of the adjacent cell of the RAT suitable for the service. For example, when a terminal/network initiates a service that is more suitable to be carried in UTRAN or EUTRAN, the network instructs the terminal to report a measurement report according to a certain measurement report type through broadcast signaling or dedicated signaling, so that the terminal can first report the UTRAN or EUTRAN neighbors. Cell, so as to pave the way for the subsequent process of redirecting or switching packet services from GERAN or cell reselection to UTRAN or EUTRAN. Applying this embodiment can ensure that the terminal reports the most suitable measurement report first, solves the problem of the measurement reporting type of the measurement report of the packet service under the coexistence of multiple RATs, prevents waste of resources, and uses the measurement report more effectively. It is of great significance to solve the interoperability between networks.
下面以终端处于具体业务(终端作为主叫方或被叫方)时,说明上报测量报告的流程,但本发明实施例并不限于终端进行业务时,当终端并不作为主叫方或被叫方时,根据需要也可以采用本发明实施例的方法上报测量报告。In the following, when the terminal is in a specific service (the terminal is the calling party or the called party), the process of reporting the measurement report is described, but the embodiment of the present invention is not limited When required, the method of the embodiment of the present invention may also be used to report the measurement report.
图2为本发明第二实施例的方法流程示意图,包括:Fig. 2 is a schematic flow chart of a method according to a second embodiment of the present invention, including:
步骤21:网络设备向终端设备发送广播消息,该广播消息中包含测量上报类型指示信息。Step 21: The network device sends a broadcast message to the terminal device, and the broadcast message includes measurement report type indication information.
网络设备可以根据多种策略设定测量上报类型指示信息,如通过用户的业务类型、签约信息和当前网络的负载情况等因素确定测量上报类型指示信息。该测量上报类型可以定义到RAT的载波级顺序,或频率级顺序,或频率组级顺序或者它们的组合顺序。例如可以定义某一测量上报类型为先上报某个RAT的一个频率和/或频率组下的邻小区,然后上报该RAT的另一个频率和/或频率组下的邻小区。再例如,测量上报类型的定义还可以是:先上报某个RAT的一个频率和/或频率组下的邻小区,再上报另一RAT的一个频率和/或频率组下的邻小区,再上报再一个RAT的一个频率和/或频率组下的邻小区。总之,对于测量上报类型的定义就是为了使测量上报的邻小区的顺序可变,从而更加灵活的适应网络的策略要求。这样,使用这样定义的测量上报类型,终端就可以明确知道按照怎样的先后顺序上报哪些RAT和/或哪些频率和/或频率组的小区的测量值。在实施例中,测量上报类型指示信息针对一个上报测量报告的消息。The network device can set the measurement report type indication information according to various strategies, for example, the measurement report type indication information is determined by factors such as the user's business type, subscription information, and current network load conditions. The measurement report type can be defined to the RAT carrier level order, or frequency level order, or frequency group level order or their combined order. For example, a certain measurement report type may be defined as first reporting a frequency and/or a frequency group of a certain RAT to a neighbor cell, and then reporting another frequency of the RAT and/or a frequency group to a neighbor cell. For another example, the definition of the measurement reporting type may also be: first report a frequency of a certain RAT and/or a neighboring cell under a frequency group, then report a frequency of another RAT and/or a neighboring cell under a frequency group, and then report Neighboring cells under one frequency and/or frequency group of another RAT. In a word, the definition of the measurement report type is to make the order of the adjacent cells in the measurement report variable, so as to more flexibly adapt to the policy requirements of the network. In this way, by using the measurement report type defined in this way, the terminal can clearly know which RATs and/or which frequencies and/or frequency groups the measurement values of the cells are reported in. In an embodiment, the measurement report type indication information is for a message reporting a measurement report.
具体的该测量上报类型指示信息的定义可以有如下方式:Specifically, the definition of the measurement reporting type indication information may be as follows:
例如:某个值指示先报告EUTRAN的邻小区,再报告UTRAN的邻小区,再报告GERAN的邻小区,另一值指示先报告EUTRAN的邻小区,再报告GERAN的邻小区,再报告UTRAN的邻小区,再一值指示先报告EUTRAN或UTRAN的邻小区,再报告GERAN的邻小区,再另一值指示先报告UTRAN或GERAN的邻小区,再报告EUTRAN的邻小区。上述采用了无线接入网的分组上报顺序,还可以定义其他(如频率或频率组)的分组上报顺序。For example: a certain value indicates to report the neighbor cells of EUTRAN first, then report the neighbor cells of UTRAN, and then report the neighbor cells of GERAN; another value indicates to report the neighbor cells of EUTRAN first, then report the neighbor cells of GERAN, and then report Cell, another value indicates that EUTRAN or UTRAN neighbor cells are reported first, and then GERAN neighbor cells are reported, and another value indicates that UTRAN or GERAN neighbor cells are reported first, and then EUTRAN neighbor cells are reported. The packet reporting sequence of the wireless access network is adopted above, and other (such as frequency or frequency group) packet reporting sequences may also be defined.
再例如:某个值指示先报告EUTRAN的某个频率或某个频率组A的邻小区,再报告EUTRAN的某个频率或某个频率组B的邻小区,再报告UTRAN的某个频率或某个频率组C的邻小区,再报告GERAN的某个频率或某个频率组D的邻小区,再报告其他频率或频率组的邻小区。上述采用了无线接入网和频率或频率组的组合上报顺序,也可以定义其他的组合上报顺序。Another example: a value indicates to report a certain frequency of EUTRAN or a neighboring cell of a certain frequency group A first, then report a certain frequency of EUTRAN or a neighboring cell of a certain frequency group B, and then report a certain frequency of UTRAN or a certain A neighboring cell of a frequency group C, and then report a certain frequency of GERAN or a neighboring cell of a certain frequency group D, and then report neighboring cells of other frequencies or frequency groups. The combined reporting sequence of the radio access network and frequency or frequency group is used above, and other combined reporting sequences may also be defined.
上述是根据无线接入网的类型、频率数值、频率组数值的一种或多种组合得到的上报顺序,网络设备还可以通过定义优先级的方式得到上报顺序。例如:可以分别为各RAT的一个和/或多个频率定义一个优先级,为各RAT的一个和/或多个频率组定义一个优先级,为各RAT的所有频率定义一个优先级,为一个和/或多个RAT定义一个优先级,等等。即采用优先级方式定义。这样,网络设备可以根据优先级得到测量上报类型指示信息。或者,网络设备还可以将优先级直接发送给终端设备,终端设备根据该优先级得到上报顺序,进而得到测量上报类型指示信息,再根据该测量上报类型指示信息上报测量报告。The above is the reporting sequence obtained according to one or more combinations of the type of radio access network, the frequency value, and the frequency group value. The network device can also obtain the reporting sequence by defining priorities. For example: one priority can be defined for one and/or multiple frequencies of each RAT, one priority can be defined for one and/or multiple frequency groups of each RAT, one priority can be defined for all frequencies of each RAT, one priority can be defined for one and/or multiple RATs define a priority, etc. That is, it is defined by priority. In this way, the network device can obtain the measurement report type indication information according to the priority. Alternatively, the network device may also directly send the priority to the terminal device, and the terminal device obtains the reporting order according to the priority, and then obtains the measurement report type indication information, and then reports the measurement report according to the measurement report type indication information.
例子不一而足,总之,网络通过设置所述测量上报类型指示信息可以使终端明了应在测量报告中包含哪些RAT、哪些频率、哪些频率组的小区且报告的顺序是如何的。There are many examples. In short, by setting the measurement report type indication information, the network can make the terminal understand which RATs, which frequencies, and which frequency groups of cells should be included in the measurement report and the order of the report.
进一步地,该测量上报类型指示信息还可以包括测量结果的上报个数,即所述测量上报类型指示信息还可以包括数量指示信息,该数量指示信息指示测量报告中各无线接入网、频率、和/或频率组中上报的邻小区的最大个数,所述的各个无线接入网、频率、和/或频率组中上报的邻小区的最大个数可以相同也可以不同。测量报告中包括无线接入网、频率、和/或频率组中各邻小区的信号的测量值,该测量值可以为信号的强度或/和信号的质量。为了更有效地进行上报,测量上报类型指示信息中可以规定邻小区的最大个数,使上报的测量报告中包括的邻小区的个数不超过最大值。例如XXX_MULTIRAT_REPORTING或类似XXX_MULTIRAT_REPORTING的参数,再如用文字描述的信息指示所述包括测量结果的上报个数,等。如指示先报告EUTRAN的邻小区,再报告UTRAN的邻小区,再报告GERAN的邻小区,测量结果上报个数EUTRAN=2,UTRAN=0,GERAN=2,这样虽然UTRAN的优先级高于GERAN,但是因为UTRAN不需要上报(个数为0),所以测量报告中先上报EUTRAN的测量结果,然后是GERAN的测量结果。如果测量报告消息空间有限,优先满足排在前面的RAT和/或频率和/或频率组的邻小区测量结果的数目(即EUTRAN上报的个数),有空间再上报后面的RAT和/或频率和/或频率组的邻小区的测量结果。例如指示先报告EUTRAN/UTRAN的邻小区,再报告GERAN的邻小区,测量结果上报个数EUTRAN=4,UTRAN=4,GERAN=2,结果测量结果中满足上报条件的EUTRAN小区有3个,UTRAN小区有2个,GERAN小区有3个,则最终上报EUTRAN小区3个,UTRAN小区有2个,GERAN小区2个。当无线接入网、频率、和/或频率组中得到的邻小区的数量小于等于其相应的最大个数时,按各无线接入网、频率、和/或频率组中得到的邻小区的数量进行上报;当无线接入网、频率、和/或频率组中得到的邻小区的数量大于其相应的最大个数时,按其相应的无线接入网、频率、或频率组中邻小区的最大数目进行上报。Further, the measurement report type indication information may also include the number of measurement results to be reported, that is, the measurement report type indication information may also include quantity indication information, and the quantity indication information indicates each radio access network, frequency, and/or the maximum number of neighbor cells reported in the frequency group, the wireless access networks, frequencies, and/or the maximum number of neighbor cells reported in the frequency group may be the same or different. The measurement report includes radio access network, frequency, and/or measurement values of signals of adjacent cells in the frequency group, where the measurement values may be signal strength or/and signal quality. In order to report more effectively, the maximum number of neighboring cells may be specified in the measurement report type indication information, so that the number of neighboring cells included in the reported measurement report does not exceed the maximum value. For example, XXX_MULTIRAT_REPORTING or a parameter similar to XXX_MULTIRAT_REPORTING, and the information described in text indicates the number of reports including measurement results, etc. If it is instructed to report the neighboring cells of EUTRAN first, then the neighboring cells of UTRAN, and then the neighboring cells of GERAN, the number of measurement results to be reported is EUTRAN=2, UTRAN=0, GERAN=2, so although the priority of UTRAN is higher than that of GERAN, However, because UTRAN does not need to report (the number is 0), the measurement results of EUTRAN are reported first in the measurement report, and then the measurement results of GERAN are reported. If the measurement report message space is limited, the number of neighboring cell measurement results (that is, the number reported by EUTRAN) of the first RAT and/or frequency and/or frequency group is given priority, and there is space to report the following RAT and/or frequency and/or the measurement results of neighboring cells of the frequency group. For example, it is instructed to report the neighboring cells of EUTRAN/UTRAN first, and then the neighboring cells of GERAN. The number of measurement results to be reported is EUTRAN=4, UTRAN=4, and GERAN=2. As a result, there are 3 EUTRAN cells that meet the reporting conditions in the measurement results, and UTRAN If there are 2 cells and 3 GERAN cells, then finally report 3 EUTRAN cells, 2 UTRAN cells, and 2 GERAN cells. When the number of adjacent cells obtained in a radio access network, frequency, and/or frequency group is less than or equal to its corresponding maximum number, according to the number of adjacent cells obtained in each radio access network, frequency, and/or frequency group Report the number; when the number of adjacent cells obtained in the radio access network, frequency, and/or frequency group is greater than its corresponding maximum number, the corresponding radio access network, frequency, or adjacent cell in the frequency group The maximum number of reported.
步骤22:如果终端是被叫方,网络设备向终端设备发送寻呼消息,如果终端是主叫方,则无需该步骤。Step 22: If the terminal is the called party, the network device sends a paging message to the terminal device, and if the terminal is the calling party, this step is unnecessary.
步骤23:终端设备向网络设备发送用于发起业务的请求消息。Step 23: the terminal device sends a request message for initiating a service to the network device.
步骤24:终端设备根据广播消息中的测量上报类型指示信息,向网络设备上报相应小区的测量报告。Step 24: The terminal device reports the measurement report of the corresponding cell to the network device according to the measurement reporting type indication information in the broadcast message.
携带测量报告的消息包括但不限于测量报告(Measurement Report)消息,增强测量报告(Enhanced Measurement Report)消息,分组测量报告(Packet Measurement Report)消息,分组增强测量报告(Packet EnhancedMeasurement Report)消息。Messages carrying measurement reports include, but are not limited to, Measurement Report (Measurement Report) messages, Enhanced Measurement Report (Enhanced Measurement Report) messages, Packet Measurement Report (Packet Measurement Report) messages, and Packet Enhanced Measurement Report (Packet Enhanced Measurement Report) messages.
步骤25:当网络设备判断终端需要进行重定向/重选/切换后,根据测量报告向终端发送重定向/重选/切换命令。Step 25: After the network device judges that the terminal needs to perform redirection/reselection/handover, it sends a redirection/reselection/handover command to the terminal according to the measurement report.
携带重定向/重选/切换命令的消息包括但不限于分组小区改变命令(Packet Cell Change Order),分组测量命令(Packet Measurement Order),分组切换命令(Packet Switch Handover Command)等。Messages carrying redirection/reselection/handover commands include but are not limited to Packet Cell Change Order, Packet Measurement Order, Packet Switch Handover Command, etc.
本实施例以广播消息携带测量上报类型指示信息为例,可以使终端获取测量上报类型,进而上报合适的小区的测量报告。In this embodiment, taking the broadcast message carrying measurement report type indication information as an example, the terminal can obtain the measurement report type, and then report a measurement report of a suitable cell.
图3为本发明第三实施例的方法流程示意图,包括:Fig. 3 is a schematic flow chart of a method according to a third embodiment of the present invention, including:
步骤31:如果终端是被叫方,网络设备向终端设备发送寻呼消息,如果终端是主叫方,则无需该步骤。Step 31: If the terminal is the called party, the network device sends a paging message to the terminal device, and if the terminal is the calling party, this step is unnecessary.
步骤32:终端设备向网络设备发送用于发起业务的请求消息。Step 32: the terminal device sends a request message for initiating a service to the network device.
步骤33:网络设备向终端设备发送专用信令,该专用信令中携带测量上报类型指示信息。测量上报类型指示信息与第二实施例中的相同,不再赘述。Step 33: The network device sends dedicated signaling to the terminal device, and the dedicated signaling carries measurement reporting type indication information. The measurement report type indication information is the same as that in the second embodiment, and will not be repeated here.
专用信令可以是指派消息,也可以是用于测量控制的消息,也可以是信道释放命令等,包括但不限于立即指派(Immediate Assignment)消息,分组上行指派(Packet Uplink Assignment)消息,分组下行指派(PacketDownlink Assignment)消息,分组时隙重配(Packet TimeslotReconfiguration)消息,多TBF时隙重配(Multiple TBF TimeslotReconfiguration)消息,多TBF上行指派(Multiple TBF UplinkAssignment)消息,多TBF下行指派(Multiple TBF Downlink Assignment)消息,分组CS释放指示(Packet CS Release Indication)消息,测量信息(Measurement Information),分组测量命令(Packet Measurement Order)等。Dedicated signaling can be an assignment message, a message for measurement control, or a channel release command, including but not limited to an immediate assignment (Immediate Assignment) message, a packet uplink assignment (Packet Uplink Assignment) message, and a packet downlink Assignment (PacketDownlink Assignment) message, packet timeslot reconfiguration (Packet TimeslotReconfiguration) message, multiple TBF timeslot reconfiguration (Multiple TBF TimeslotReconfiguration) message, multiple TBF uplink assignment (Multiple TBF UplinkAssignment) message, multiple TBF downlink Assignment) message, Packet CS Release Indication (Packet CS Release Indication) message, measurement information (Measurement Information), packet measurement order (Packet Measurement Order), etc.
步骤34:终端设备根据专用信令中的测量上报类型指示信息,向网络设备上报相应小区的测量报告。携带测量报告的消息与第二实施例相同,不再赘述。Step 34: The terminal device reports the measurement report of the corresponding cell to the network device according to the measurement report type indication information in the dedicated signaling. The message carrying the measurement report is the same as that in the second embodiment, and will not be repeated here.
步骤35:当网络设备判断终端进行重定向/重选/切换后,根据测量报告向终端发送重定向/重选/切换命令。携带重定向/重选/切换命令的消息与第二实施例相同,不再赘述。Step 35: After the network device judges that the terminal performs redirection/reselection/handover, it sends a redirection/reselection/handover command to the terminal according to the measurement report. The message carrying the redirection/reselection/handover command is the same as that in the second embodiment, and will not be repeated here.
本实施例以专用信令携带测量上报类型指示信息为例,可以使终端获取测量报告的测量上报类型指示信息,进而上报合适的小区的测量报告。In this embodiment, taking the measurement report type indication information carried in dedicated signaling as an example, the terminal can obtain the measurement report type indication information of the measurement report, and then report the measurement report of a suitable cell.
图4为本发明第四实施例的方法流程示意图,包括:Fig. 4 is a schematic flow chart of a method according to a fourth embodiment of the present invention, including:
步骤41:网络设备向终端设备发送广播消息,该广播消息中包含测量上报类型指示信息。测量上报类型指示信息与第二实施例中的相同,不再赘述。Step 41: The network device sends a broadcast message to the terminal device, and the broadcast message includes measurement report type indication information. The measurement report type indication information is the same as that in the second embodiment, and will not be repeated here.
步骤42:如果终端是被叫方,网络设备向终端设备发送寻呼消息,如果终端是主叫方,则无需该步骤。Step 42: If the terminal is the called party, the network device sends a paging message to the terminal device, and if the terminal is the calling party, this step is unnecessary.
步骤43:终端设备向网络设备发送用于发起业务的请求消息。Step 43: The terminal device sends a request message for initiating a service to the network device.
步骤44:网络设备接收到该请求消息后,若发现由于发起的业务类型、网络负载或其他因素导致测量上报的测量上报类型指示信息与网络之前的通过广播消息下发的测量上报的测量上报类型指示信息不一致,则修改测量上报类型指示信息并通过专用信令发送给终端设备。专用信令与第三实施例的相同,不再赘述。Step 44: After the network device receives the request message, if it is found that due to the initiated service type, network load or other factors, the measurement report type indication information of the measurement report is different from the measurement report type of the measurement report sent by the network through a broadcast message before If the indication information is inconsistent, modify the measurement report type indication information and send it to the terminal device through dedicated signaling. The dedicated signaling is the same as that of the third embodiment, and will not be repeated here.
步骤45:终端设备根据修改后的测量上报类型指示信息,向网络设备上报相应小区的测量报告。携带测量报告的消息与第二实施例相同,不再赘述。Step 45: The terminal device reports the measurement report of the corresponding cell to the network device according to the modified measurement reporting type indication information. The message carrying the measurement report is the same as that in the second embodiment, and will not be repeated here.
步骤46:当网络设备判断终端进行重定向/重选/切换后,根据测量报告向终端发送重定向/重选/切换命令。携带重定向/重选/切换命令的消息与第二实施例相同,不再赘述。Step 46: After the network device judges that the terminal performs redirection/reselection/handover, it sends a redirection/reselection/handover command to the terminal according to the measurement report. The message carrying the redirection/reselection/handover command is the same as that in the second embodiment, and will not be repeated here.
本实施例中,当终端要进行的业务所适宜的小区与广播消息中测量上报类型指示信息不一致时,网络可以通过专用信令来携带修改后的测量上报类型指示信息,指示终端上报合适的邻小区的测量报告。In this embodiment, when the suitable cell for the service to be performed by the terminal is inconsistent with the measurement report type indication information in the broadcast message, the network can carry the modified measurement report type indication information through dedicated signaling to instruct the terminal to report the appropriate neighbor Cell measurement report.
本领域普通技术人员可以理解:实现上述方法实施例的全部或部分步骤可以通过程序指令相关的硬件来完成,前述的程序可以存储于一计算机可读取存储介质中,该程序在执行时,执行包括上述方法实施例的步骤;而前述的存储介质包括:ROM、RAM、磁碟或者光盘等各种可以存储程序代码的介质。Those of ordinary skill in the art can understand that all or part of the steps for realizing the above-mentioned method embodiments can be completed by hardware related to program instructions, and the aforementioned program can be stored in a computer-readable storage medium. When the program is executed, the It includes the steps of the above method embodiments; and the aforementioned storage medium includes: ROM, RAM, magnetic disk or optical disk and other various media that can store program codes.
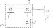
图5为本发明第五实施例的终端设备的结构示意图,包括获取模块51和上报模块52。获取模块51用于获取测量上报类型指示信息,该测量上报类型指示信息包括无线接入网、频率、及频率组中一种或多种组合的上报顺序;上报模块52用于根据所述获取模块51得到的测量上报类型指示信息上报测量报告。其中,获取模块51可以接收从网络设备发送的测量上报类型指示信息,还可以接收网络设备发送的无线接入网、频率、及频率组中一种或多种组合的优先级,根据该优先级得到测量上报类型指示信息。测量上报类型指示信息或者优先级可以携带在广播消息或/和专用信令消息中,专用信令消息可以如方法中所述。上报模块52可以将测量报告携带在测量报告消息、增强测量报告消息、分组测量报告消息或分组增强测量报告消息中。进一步地,获取模块51得到的测量上报类型指示信息中还可以包括数量指示信息,该数量指示信息指示各无线接入网、频率、或频率组中上报的邻小区的最大个数,所述的各个无线接入网、频率、和/或频率组中上报的邻小区的最大个数可以相同也可以不同。上报模块52根据数量指示信息和上报顺序上报测量报告。FIG. 5 is a schematic structural diagram of a terminal device according to a fifth embodiment of the present invention, including an acquiring module 51 and a reporting module 52 . The acquisition module 51 is used to acquire measurement report type indication information, the measurement report type indication information includes the report sequence of one or more combinations of radio access network, frequency, and frequency group; the report module 52 is used to 51 The obtained measurement report type indication information reports a measurement report. Wherein, the obtaining module 51 may receive the measurement reporting type indication information sent from the network device, and may also receive the priority of one or more combinations of radio access network, frequency, and frequency group sent by the network device, and according to the priority Obtain the measurement reporting type indication information. The measurement reporting type indication information or priority may be carried in a broadcast message or/and a dedicated signaling message, and the dedicated signaling message may be as described in the method. The reporting module 52 may carry the measurement report in a measurement report message, an enhanced measurement report message, a group measurement report message or a group enhanced measurement report message. Further, the measurement reporting type indication information obtained by the acquisition module 51 may also include quantity indication information, and the quantity indication information indicates the maximum number of neighboring cells reported in each radio access network, frequency, or frequency group, the said The maximum number of neighbor cells reported in each radio access network, frequency, and/or frequency group may be the same or different. The reporting module 52 reports the measurement report according to the quantity indication information and the reporting sequence.
本实施例通过获取测量上报类型指示信息,可以向网络设备上报最合适的小区的测量报告。In this embodiment, the measurement report of the most suitable cell can be reported to the network device by acquiring the indication information of the measurement report type.
图6为本发明第六实施例的网络设备的结构示意图,本实施例的网络设备6包括生成模块61、发送模块62和接收模块63。生成模块61用于生成测量上报类型指示信息,该测量上报类型指示信息包括无线接入网、频率、及频率组中一种或多种组合的上报顺序。生成模块61可以根据无线接入网的类型、频率的数值、及频率组的数值中一种或多种组合得到所述测量上报类型指示信息;或者,生成模块61确定无线接入网、频率、及频率组的中一种或多种组合的优先级,根据所述优先级得到所述测量上报类型指示信息。进一步地,生成模块61生成的测量上报类型指示信息还可以包括数量指示信息,该数量指示信息指示测量报告中各无线接入网、频率、或频率组中上报的邻小区的最大个数,所述的各个无线接入网、频率、和/或频率组中上报的邻小区的最大个数可以相同也可以不同。发送模块62用于将所述生成模块61得到的测量上报类型指示信息发送给终端设备。其中,测量上报类型指示信息可以采用数值的方式定义,具体定义可参见第二实施例。发送模块62可以通过广播消息或专用信令消息将测量上报类型指示信息发送给终端设备。接收模块63用于接收所述终端设备根据所述测量上报类型指示信息发送的测量报告。(为了表明上述模块之间的关系,图中还包括了终端5)。FIG. 6 is a schematic structural diagram of a network device according to a sixth embodiment of the present invention. The
本实施例通过生成测量上报类型指示信息,可以使终端设备向网络设备上报最合适的小区的测量报告。In this embodiment, by generating the measurement report type indication information, the terminal device can report the most suitable cell measurement report to the network device.
图7为本发明第七实施例的通信系统的结构示意图,包括网络设备71和终端设备72。其中,网络设备71用于生成测量上报类型指示信息,该测量上报类型指示信息包括无线接入网、频率、及频率组中一种或多种组合的上报顺序;终端设备72用于接收所述网络设备71生成的测量上报类型指示信息,并根据所述测量上报类型指示信息向网络设备71上报测量报告。或者,网络设备71用于发送无线接入网、频率、及频率组中一种或多种组合的优先级;终端设备72用于接收所述网络设备发送的所述优先级,根据所述优先级得到所述测量上报类型指示信息,并根据所述测量上报类型指示信息上报测量报告。进一步地,网络设备71发送的测量上报类型指示信息中还可以包括数量指示信息,该数量指示信息指示测量报告中各无线接入网、频率、或频率组中上报的邻小区的最大个数,所述的各个无线接入网、频率、和/或频率组中上报的邻小区的最大个数可以相同也可以不同。终端设备72根据数量指示信息和上报顺序上报测量报告。其中,测量上报类型指示信息、携带测量上报类型指示信息的消息、携带测量报告的消息与方法实施例中的相同,不再赘述。FIG. 7 is a schematic structural diagram of a communication system according to a seventh embodiment of the present invention, including a
本实施例中,网络设备向终端设备发送测量上报类型指示信息,指示终端设备上报对应的合适的小区的测量的报告,可以使终端设备向网络设备上报合适的小区的测量报告。In this embodiment, the network device sends measurement reporting type indication information to the terminal device, instructing the terminal device to report a measurement report of a corresponding suitable cell, so that the terminal device can report a measurement report of a suitable cell to the network device.
上述方法、设备、系统不仅可以应用于GERAN向UTRAN/EUTRAN转换时上报测量报告的方案中,还可以应用于GERAN向全球微波接入互操作(World Interoperability for Microwave Access,WiMax)等其它无线网络转换时上报测量报告的方案中。The above method, device, and system can not only be applied to the scheme of reporting measurement reports when converting from GERAN to UTRAN/EUTRAN, but also can be applied to converting from GERAN to other wireless networks such as World Interoperability for Microwave Access (WiMax) In the scheme of submitting the measurement report at the time.
最后应说明的是:以上实施例仅用以说明本发明的技术方案而非对其进行限制,尽管参照较佳实施例对本发明进行了详细的说明,本领域的普通技术人员应当理解:其依然可以对本发明的技术方案进行修改或者等同替换,而这些修改或者等同替换亦不能使修改后的技术方案脱离本发明技术方案的精神和范围。Finally, it should be noted that the above embodiments are only used to illustrate the technical solutions of the present invention and not to limit them. Although the present invention has been described in detail with reference to the preferred embodiments, those of ordinary skill in the art should understand that: it still Modifications or equivalent replacements can be made to the technical solutions of the present invention, and these modifications or equivalent replacements cannot make the modified technical solutions deviate from the spirit and scope of the technical solutions of the present invention.
| Application Number | Priority Date | Filing Date | Title |
|---|---|---|---|
| CN200810241192ACN101772063A (en) | 2008-12-26 | 2008-12-26 | Method for reporting measurement report, terminal device, network device and communication system |
| Application Number | Priority Date | Filing Date | Title |
|---|---|---|---|
| CN200810241192ACN101772063A (en) | 2008-12-26 | 2008-12-26 | Method for reporting measurement report, terminal device, network device and communication system |
| Publication Number | Publication Date |
|---|---|
| CN101772063Atrue CN101772063A (en) | 2010-07-07 |
| Application Number | Title | Priority Date | Filing Date |
|---|---|---|---|
| CN200810241192APendingCN101772063A (en) | 2008-12-26 | 2008-12-26 | Method for reporting measurement report, terminal device, network device and communication system |
| Country | Link |
|---|---|
| CN (1) | CN101772063A (en) |
| Publication number | Priority date | Publication date | Assignee | Title |
|---|---|---|---|---|
| CN102448109A (en)* | 2011-05-09 | 2012-05-09 | 华为技术有限公司 | Method and device for reporting neighbor cell measurement report |
| CN102457896A (en)* | 2011-02-25 | 2012-05-16 | 华为技术有限公司 | Method and apparatus for reporting measurement data |
| CN102547877A (en)* | 2010-12-31 | 2012-07-04 | 中国移动通信集团公司 | Method and device for reducing 2G (The 2nd Generation Telecommunication) network data service load |
| CN103181209A (en)* | 2010-08-13 | 2013-06-26 | 捷讯研究有限公司 | Methods and apparatus to limit reporting of neighbor cell measurements |
| CN103220714A (en)* | 2011-05-09 | 2013-07-24 | 华为技术有限公司 | Method and device for reporting neighbor cell measurement report |
| CN103222300A (en)* | 2010-11-19 | 2013-07-24 | 捷讯研究有限公司 | Multi-RAT-measurement reporting |
| CN104519521A (en)* | 2013-09-26 | 2015-04-15 | 中兴通讯股份有限公司 | Sending method and apparatus of measuring report |
| CN108810967A (en)* | 2017-05-05 | 2018-11-13 | 华为技术有限公司 | It is a kind of to measure the method and apparatus reported |
| CN109565865A (en)* | 2017-01-05 | 2019-04-02 | Oppo广东移动通信有限公司 | Communication method, terminal device and network device |
| CN109845359A (en)* | 2016-10-11 | 2019-06-04 | 华为技术有限公司 | Method and device for transmitting information |
| CN110011752A (en)* | 2018-01-04 | 2019-07-12 | 维沃移动通信有限公司 | A kind of CQI report method, terminal device and the network equipment |
| CN111050352A (en)* | 2019-12-27 | 2020-04-21 | 京信通信系统(中国)有限公司 | Terminal mobility interoperation method and network equipment |
| CN113973330A (en)* | 2020-07-24 | 2022-01-25 | 中国移动通信有限公司研究院 | Measurement or reporting method, configuration method, device, terminal and network side equipment |
| CN114902732A (en)* | 2019-10-11 | 2022-08-12 | 瑞典爱立信有限公司 | Measurement reporting for conditional handover candidates |
| WO2022205274A1 (en)* | 2021-04-01 | 2022-10-06 | Qualcomm Incorporated | Network-to-network redirection and ping-pong improvements |
| WO2024065327A1 (en)* | 2022-09-28 | 2024-04-04 | 北京小米移动软件有限公司 | Access mode reporting method and system, access mode receiving method and system, and communication apparatus and storage medium |
| Publication number | Priority date | Publication date | Assignee | Title |
|---|---|---|---|---|
| CN103181209A (en)* | 2010-08-13 | 2013-06-26 | 捷讯研究有限公司 | Methods and apparatus to limit reporting of neighbor cell measurements |
| CN103222300A (en)* | 2010-11-19 | 2013-07-24 | 捷讯研究有限公司 | Multi-RAT-measurement reporting |
| CN102547877A (en)* | 2010-12-31 | 2012-07-04 | 中国移动通信集团公司 | Method and device for reducing 2G (The 2nd Generation Telecommunication) network data service load |
| CN102457896A (en)* | 2011-02-25 | 2012-05-16 | 华为技术有限公司 | Method and apparatus for reporting measurement data |
| CN102448109A (en)* | 2011-05-09 | 2012-05-09 | 华为技术有限公司 | Method and device for reporting neighbor cell measurement report |
| CN103220714A (en)* | 2011-05-09 | 2013-07-24 | 华为技术有限公司 | Method and device for reporting neighbor cell measurement report |
| CN103220714B (en)* | 2011-05-09 | 2016-10-05 | 华为技术有限公司 | The method and apparatus reporting neighbor cell measurement report |
| CN104519521A (en)* | 2013-09-26 | 2015-04-15 | 中兴通讯股份有限公司 | Sending method and apparatus of measuring report |
| CN109845359A (en)* | 2016-10-11 | 2019-06-04 | 华为技术有限公司 | Method and device for transmitting information |
| US10880693B2 (en) | 2016-10-11 | 2020-12-29 | Huawei Technologies Co., Ltd. | Information transmission method and device |
| CN109565865A (en)* | 2017-01-05 | 2019-04-02 | Oppo广东移动通信有限公司 | Communication method, terminal device and network device |
| CN108810967B (en)* | 2017-05-05 | 2023-12-12 | 华为技术有限公司 | Method and device for reporting measurement |
| CN108810967A (en)* | 2017-05-05 | 2018-11-13 | 华为技术有限公司 | It is a kind of to measure the method and apparatus reported |
| CN110011752A (en)* | 2018-01-04 | 2019-07-12 | 维沃移动通信有限公司 | A kind of CQI report method, terminal device and the network equipment |
| CN110011752B (en)* | 2018-01-04 | 2021-10-22 | 维沃移动通信有限公司 | A CQI reporting method, terminal device and network device |
| CN114902732A (en)* | 2019-10-11 | 2022-08-12 | 瑞典爱立信有限公司 | Measurement reporting for conditional handover candidates |
| CN111050352A (en)* | 2019-12-27 | 2020-04-21 | 京信通信系统(中国)有限公司 | Terminal mobility interoperation method and network equipment |
| CN111050352B (en)* | 2019-12-27 | 2022-02-25 | 京信网络系统股份有限公司 | Method and network device for terminal mobility interoperability |
| CN113973330A (en)* | 2020-07-24 | 2022-01-25 | 中国移动通信有限公司研究院 | Measurement or reporting method, configuration method, device, terminal and network side equipment |
| CN113973330B (en)* | 2020-07-24 | 2025-05-13 | 中国移动通信有限公司研究院 | Measurement or reporting method, configuration method, device, terminal and network side equipment |
| WO2022205274A1 (en)* | 2021-04-01 | 2022-10-06 | Qualcomm Incorporated | Network-to-network redirection and ping-pong improvements |
| WO2024065327A1 (en)* | 2022-09-28 | 2024-04-04 | 北京小米移动软件有限公司 | Access mode reporting method and system, access mode receiving method and system, and communication apparatus and storage medium |
| CN118104185A (en)* | 2022-09-28 | 2024-05-28 | 北京小米移动软件有限公司 | Access mode reporting, receiving method and system, communication device and storage medium |
| Publication | Publication Date | Title |
|---|---|---|
| CN101772063A (en) | Method for reporting measurement report, terminal device, network device and communication system | |
| US12238588B2 (en) | Method for accessing a service unavailable through a network cell | |
| US11096095B2 (en) | Method for accessing a service unavailable through a network cell | |
| CA2765555C (en) | Method for accessing a service unavailable through a network cell | |
| TWI445420B (en) | Methods and ue to support continuous mbms reception | |
| JP6453341B2 (en) | LTE eMBMS service extension | |
| CA2765595C (en) | Method for accessing a service unavailable through a network cell | |
| CN102474784B (en) | Gravity treatment between RAT/handoff parameter optimization | |
| KR100949933B1 (en) | Handoff Method and System in Broadcasting Communication System | |
| FI112303B (en) | Multiband Mobile Phone System | |
| CN102833727B (en) | Method and Communication Device for Selecting Subscriber Identification Card | |
| EP1622316B1 (en) | Method and apparatus for selecting a frequency layer for connected mode UE in a MBMS mobile communication sytem | |
| US9473994B2 (en) | Method and system for selecting a target cell for handover of user equipment in a long term evolution system | |
| US20090291686A1 (en) | Autonomous connectivity between a mobile station and multiple network elements for minimizing service discontinuities during handovers in a wireless communication system | |
| US20060183482A1 (en) | Radio network controller, a mobile communication system, and a neighbor cell list filtering method | |
| US20090290555A1 (en) | Autonomous anonymous association between a mobile station and multiple network elements in a wireless communication system | |
| JP2014171250A (en) | Method and system for supporting next generation utran | |
| WO2009084146A1 (en) | Communication system, terminal device, base station, communication quality management method, and program | |
| CN101686487A (en) | Measurement report reporting and target cell information sending method, mobile terminal and base station | |
| EP2351420B1 (en) | Receiving radio access technology priority settings depending on the operation mode of a terminal | |
| CN108781479A (en) | Multicast transmission method, base station and user equipment | |
| WO2022011491A1 (en) | Cell reselection method and related communication device | |
| CN100484270C (en) | Method for implementing cell multicast service and networking method | |
| HK40068767B (en) | Method for accessing a service unavailable through a network cell | |
| CN119586214A (en) | Method, communication device and infrastructure device |
| Date | Code | Title | Description |
|---|---|---|---|
| C06 | Publication | ||
| PB01 | Publication | ||
| C10 | Entry into substantive examination | ||
| SE01 | Entry into force of request for substantive examination | ||
| C12 | Rejection of a patent application after its publication | ||
| RJ01 | Rejection of invention patent application after publication | Application publication date:20100707 |