Movatterモバイル変換


[0]ホーム

URL:


CN101673516B - Liquid crystal screen contrast adjustment circuit for monitoring equipment - Google Patents

Liquid crystal screen contrast adjustment circuit for monitoring equipment
Download PDF

Info

Publication number
CN101673516B
CN101673516BCN2008100426545ACN200810042654ACN101673516BCN 101673516 BCN101673516 BCN 101673516BCN 2008100426545 ACN2008100426545 ACN 2008100426545ACN 200810042654 ACN200810042654 ACN 200810042654ACN 101673516 BCN101673516 BCN 101673516B
Authority
CN
China
Prior art keywords
contrast adjustment
driver module
liquid crystal
resistor
module
Prior art date
Legal status (The legal status is an assumption and is not a legal conclusion. Google has not performed a legal analysis and makes no representation as to the accuracy of the status listed.)
Expired - Fee Related
Application number
CN2008100426545A
Other languages
Chinese (zh)
Other versions
CN101673516A (en
Inventor
周文华
Current Assignee (The listed assignees may be inaccurate. Google has not performed a legal analysis and makes no representation or warranty as to the accuracy of the list.)
Shanghai Municipal Electric Power Co
Original Assignee
SHANGHAI SUNRISE POWER AUTOMATION CO Ltd
Priority date (The priority date is an assumption and is not a legal conclusion. Google has not performed a legal analysis and makes no representation as to the accuracy of the date listed.)
Filing date
Publication date
Application filed by SHANGHAI SUNRISE POWER AUTOMATION CO LtdfiledCriticalSHANGHAI SUNRISE POWER AUTOMATION CO Ltd
Priority to CN2008100426545ApriorityCriticalpatent/CN101673516B/en
Publication of CN101673516ApublicationCriticalpatent/CN101673516A/en
Application grantedgrantedCritical
Publication of CN101673516BpublicationCriticalpatent/CN101673516B/en
Expired - Fee Relatedlegal-statusCriticalCurrent
Anticipated expirationlegal-statusCritical

Links

Images

Landscapes

Abstract

Translated fromChinese

一种用于监控设备的液晶屏对比度调节电路,涉及液晶显示技术领域,所解决的是现有监控设备的液晶屏对比度调节不便的技术问题。该电路包括显示驱动模块,其特征在于,还包括:按键扫描回路,用于输入对比度调节值;按键驱动模块,其输入端连接按键扫描回路;数据锁存模块,用于产生可调基准电压,其使能端一直有效,控制端接系统控制信号,输入端连接按键驱动模块的数据输出端,输出端连接一排阻,排阻的公共端串接电阻后接地;三极管,其基极连接排阻的公共端,发射极串联一上拉电阻,集电极接显示驱动模块的显示屏对比度调节端,并通过电阻连接显示驱动模块的显示屏电压输出端。本发明提供的电路,调节时不会影响设备正常运行。

Figure 200810042654

A liquid crystal screen contrast adjustment circuit for monitoring equipment relates to the technical field of liquid crystal display and solves the technical problem that the contrast adjustment of the liquid crystal screen of the existing monitoring equipment is inconvenient. The circuit includes a display driver module, which is characterized in that it also includes: a key scanning circuit for inputting a contrast adjustment value; a key driving module, whose input terminal is connected to the key scanning circuit; a data latch module, which is used for generating an adjustable reference voltage, Its enable terminal is always effective, the control terminal is connected to the system control signal, the input terminal is connected to the data output terminal of the key driver module, the output terminal is connected to a resistor, and the common terminal of the resistor is connected in series with a resistor and grounded; the base of the triode is connected to the row The emitter is connected in series with a pull-up resistor, the collector is connected to the display screen contrast adjustment terminal of the display driver module, and connected to the display screen voltage output terminal of the display driver module through a resistor. The circuit provided by the invention will not affect the normal operation of the equipment during adjustment.

Figure 200810042654

Description

A kind of liquid crystal display contrast adjustment circuit that is used for watch-dog
Technical field
The present invention relates to lcd technology, particularly relate to a kind of technology that is used for the liquid crystal display contrast adjustment circuit of watch-dog.
Background technology
In electric system; The human-computer interface system of various watch-dogs provides easy close friend's inquiry service function to the user; The user only need can get into menu through keyboard operation and inquire about various semaphores or control its operation, and through liquid crystal display its operating process and operating result is fed back to the user.Traditional watch-dog all adopts the manual adjustment potentiometer to regulate the contrast of liquid crystal display when producing, and makes it reach the best image state, regulates efficient and quality and under the situation of equipment volume production, be difficult to improve it; And various use occasion environment are different; Equipment is difficult to the contrast of its liquid crystal display of assurance and can drift about in operational process; This moment be if will need open cabinet to its adjusting, and needs the professional to regulate, and regulates extremely inconvenience; Careless slightly meeting has a strong impact on the normal operation of equipment, and production brings serious hidden danger to enterprise security.
Summary of the invention
To the defective that exists in the above-mentioned prior art; Technical matters to be solved by this invention provides a kind of contrast that can use the button on the watch-dog to regulate liquid crystal display; And also can not influence equipment when regulating and normally move, regulate liquid crystal display contrast adjustment circuit very easily.
In order to solve the problems of the technologies described above, a kind of liquid crystal display contrast adjustment circuit that is used for watch-dog provided by the present invention comprises driver module, it is characterized in that, also comprises:
The key scan loop is used to import the contrast adjustment value;
The button driver module, its input end connects the key scan loop;
The data latching module is used to produce adjustable reference voltage, its Enable Pin continuously effective, and control end welding system control signal, input end connects the data output end of button driver module, and output terminal connects an exclusion, ground connection behind the common port series resistor of exclusion;
Triode, its base stage connects the common port of exclusion, the emitter pull-up resistor of connecting, collector connects the display screen contrast adjustment end of driver module, and connects the screen voltage output terminal of driver module through resistance.
Further, said data latching module is for producing the data latching module of 9 grades of adjustable reference voltages.
Further, the display screen contrast adjustment end of said driver module parallel connection one decoupling capacitance carries out filtering.
The liquid crystal display contrast adjustment circuit that is used for watch-dog provided by the invention; Can regulate the contrast of liquid crystal display through button,, also need not the professional and regulate so when regulating, need not to open cabinet; And also can not influence equipment when regulating and normally move, it is very convenient to regulate.
Description of drawings
Fig. 1 is driver module and the circuit diagram of data latching module of the liquid crystal display contrast adjustment circuit that is used for watch-dog of the embodiment of the invention;
Fig. 2 is key scan loop and the circuit diagram of button driver module of the liquid crystal display contrast adjustment circuit that is used for watch-dog of the embodiment of the invention.
Embodiment
Below in conjunction with description of drawings embodiments of the invention are described in further detail, but present embodiment is not limited to the present invention, every employing analog structure of the present invention and similar variation thereof all should be listed protection scope of the present invention in.
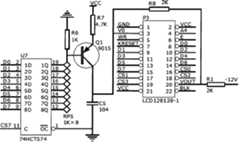
Like Fig. 1-shown in Figure 2, a kind of liquid crystal display contrast adjustment circuit that is used for watch-dog that the embodiment of the invention provided comprises driver module P3, it is characterized in that, also comprises:
The key scan loop comprises button K1-K8, is used to import the contrast adjustment value;
Button driver module U1, its input end A0-A7 (2 pin-9 pin) connects the key scan loop through exclusion RP1;
Data latching module U7; Be used to produce adjustable reference voltage; Its Enable Pin OC continuously effective (1 pin ground connection), control end C (11 pin) welding system control signal CS7 (being used to latch control),input end 1D-8D (2 pin-9 pin) connects the data output end B0-B7 (11 pin-18 pin) of load module U1;Output terminal 1Q-8Q (12 pin-19 pin) connects an exclusion RP5, ground connection behind the common port series resistor R6 of exclusion RP5;
One triode Q1; Its base stage connects the common port of exclusion RP5; The emitter pull-up resistor R7 that connects, collector meets the display screen contrast adjustment end V0 (3 pin) of driver module P3, and connects the screen voltage output terminal VOUT (20 pin) of driver module P3 throughresistance R 8.
The adjustable reference voltage that said data latching module U7 is produced has 9 grades, shows that the voltage on the triode Q1 base stage is 9 volts of 5 * (8-x) ÷, wherein x=0,1,2...8.
The display screen contrast adjustment end V0 parallel connection one decoupling capacitance C5 of said driver module P3 carries out filtering.
When regulating lcd contrast; Constantly change the benchmark digital signal (increasing or decreasing) of input through button K1-K8; Digital signal is sent to data latching module U7 after button driver module U1 handles; Data latching module U7 produces reference voltage according to the data that sent, and through changing the emitter junction voltage of triode Q1 with its pin and the exclusion RP5 that connects and theresistance R 6 that is connected in series, it acts on triode Q1 and goes up the back and produce output current; Through afterresistance R 8 dividing potential drops, end reaction is on the display screen contrast adjustment end V0 of driver module P3 again.
When transferring to optimum contrast, the input that stops key, this moment, this group benchmark digital signal promptly was stored in the system, and when switching on next time, this reference signal is directly transferred from system, makes the contrast of adjusting can not be changed.
According to the different pieces of information that button K1-K8 is imported, the exportable 9 grades of reference voltages of data latching module U7, the liquid crystal optimum contrast should be in the position, middle of 9 grades of adjustable voltages when doing material certainly.

Claims (3)

1. a liquid crystal display contrast adjustment circuit that is used for watch-dog comprises driver module, it is characterized in that, also comprises:
The key scan loop is used to import the contrast adjustment value;
The button driver module, its input end connects the key scan loop;
The data latching module is used to produce adjustable reference voltage, its Enable Pin continuously effective, and control end welding system control signal, input end connects the data output end of button driver module, and output terminal connects an exclusion, ground connection behind the common port series resistor of exclusion;
Triode, its base stage connects the common port of exclusion, the emitter pull-up resistor of connecting, collector connects the display screen contrast adjustment end of driver module, and connects the screen voltage output terminal of driver module through resistance.
2. the liquid crystal display contrast adjustment circuit that is used for watch-dog according to claim 1 is characterized in that: said data latching module is for producing the data latching module of 9 grades of adjustable reference voltages.
3. the liquid crystal display contrast adjustment circuit that is used for watch-dog according to claim 1 is characterized in that: display screen contrast adjustment end parallel connection one decoupling capacitance of said driver module carries out filtering.
CN2008100426545A2008-09-092008-09-09Liquid crystal screen contrast adjustment circuit for monitoring equipmentExpired - Fee RelatedCN101673516B (en)

Priority Applications (1)

Application NumberPriority DateFiling DateTitle
CN2008100426545ACN101673516B (en)2008-09-092008-09-09Liquid crystal screen contrast adjustment circuit for monitoring equipment

Applications Claiming Priority (1)

Application NumberPriority DateFiling DateTitle
CN2008100426545ACN101673516B (en)2008-09-092008-09-09Liquid crystal screen contrast adjustment circuit for monitoring equipment

Publications (2)

Publication NumberPublication Date
CN101673516A CN101673516A (en)2010-03-17
CN101673516Btrue CN101673516B (en)2012-06-27

Family

ID=42020717

Family Applications (1)

Application NumberTitlePriority DateFiling Date
CN2008100426545AExpired - Fee RelatedCN101673516B (en)2008-09-092008-09-09Liquid crystal screen contrast adjustment circuit for monitoring equipment

Country Status (1)

CountryLink
CN (1)CN101673516B (en)

Families Citing this family (1)

* Cited by examiner, † Cited by third party
Publication numberPriority datePublication dateAssigneeTitle
CN112242128A (en)*2020-10-162021-01-19临沂安迪电气有限公司Method for adjusting LCD contrast by key

Citations (5)

* Cited by examiner, † Cited by third party
Publication numberPriority datePublication dateAssigneeTitle
US5029982A (en)*1989-09-111991-07-09Tandy CorporationLCD contrast adjustment system
CN2627612Y (en)*2003-05-202004-07-21深圳市珊星电脑有限公司Equipment for regulating LCD contrast
CN2757279Y (en)*2004-11-302006-02-08比亚迪股份有限公司 A device for one-time programmable operation of a driver chip of a liquid crystal display module
CN101090593A (en)*2006-06-132007-12-19天利半导体(深圳)有限公司 A High Performance Current Contrast Adjustable Control Circuit
CN201247578Y (en)*2008-09-032009-05-27上海申瑞电力科技股份有限公司Circuit for Regulating liquid crystal screen contrast of monitoring device

Patent Citations (5)

* Cited by examiner, † Cited by third party
Publication numberPriority datePublication dateAssigneeTitle
US5029982A (en)*1989-09-111991-07-09Tandy CorporationLCD contrast adjustment system
CN2627612Y (en)*2003-05-202004-07-21深圳市珊星电脑有限公司Equipment for regulating LCD contrast
CN2757279Y (en)*2004-11-302006-02-08比亚迪股份有限公司 A device for one-time programmable operation of a driver chip of a liquid crystal display module
CN101090593A (en)*2006-06-132007-12-19天利半导体(深圳)有限公司 A High Performance Current Contrast Adjustable Control Circuit
CN201247578Y (en)*2008-09-032009-05-27上海申瑞电力科技股份有限公司Circuit for Regulating liquid crystal screen contrast of monitoring device

Also Published As

Publication numberPublication date
CN101673516A (en)2010-03-17

Similar Documents

PublicationPublication DateTitle
CN101387917B (en)Multicomputer switcher and multicomputer system
US20110239157A1 (en)Multi-Display Electric Devices and Operation Methods Thereof
EP3470994A1 (en)Slide playback control method and apparatus
EP2431854A2 (en)Image display apparatus, image display system, and image display method
CN103489426B (en)The changing method of monitor resolution
CN103106029B (en)Touch-screen erasing gesture recognition system
CN102830905A (en)Device and method for unlocking touch screen equipment based on clicking force
WO2015051680A1 (en)Method and apparatus for controlling virtual keyboard of mobile terminal
CN102458031A (en)Power supply system for plasma applications and/or induction heating applications
WO2011139450A2 (en)Terminal services view toolbox
CN101673516B (en)Liquid crystal screen contrast adjustment circuit for monitoring equipment
CN105591881A (en)Communication method having notice reading feedback function
CN201247578Y (en)Circuit for Regulating liquid crystal screen contrast of monitoring device
CN104535303A (en)Device and method for testing partial stroke and service life of execution mechanism
CN102033725B (en) Zoom display interface, system and method for real-time operation setting
CN102566822A (en)Automatic calibration method for touch screen
CN101860658B (en)Device for linkage between ON/OFF of set-top box and television
US20100058056A1 (en)Display system with security enhancement function
CN109117113A (en)A kind of automobile audio regulating system for realizing that onboard audio is adjusted by vehicle device
US8274476B2 (en)Computer cursor control system
CN102831083B (en)From the control system of the controllable master device of device
CN204203320U (en)The dull and stereotyped oscillograph of a kind of full touch-control
CN106253774A (en)Stepping motor control system
CN102819472B (en)Quick detecting method for laptop keyboard
CN214751816U (en)Touch control pen device with two kinds of clearing signal sources

Legal Events

DateCodeTitleDescription
C06Publication
PB01Publication
C10Entry into substantive examination
SE01Entry into force of request for substantive examination
C14Grant of patent or utility model
GR01Patent grant
ASSSuccession or assignment of patent right

Owner name:SHANGHAI SUNRISE PROTECTIVE RELAY ELECTRIC CO.,LTD

Free format text:FORMER OWNER: SHANGHAI SUNRISE POWER AUTOMATION CO., LTD.

Effective date:20130227

C41Transfer of patent application or patent right or utility model
TR01Transfer of patent right

Effective date of registration:20130227

Address after:200233 Guiping Road, Xuhui District, No. 470, building 12, building 5, building

Patentee after:Shanghai Sunrise Power Technology Co., Ltd.

Address before:200233 Shanghai City, Xuhui District Road No. 159 15 Tianzhou room unit 1301

Patentee before:Shanghai Sunrise Power Automation Co., Ltd.

CF01Termination of patent right due to non-payment of annual fee
CF01Termination of patent right due to non-payment of annual fee

Granted publication date:20120627

Termination date:20170909


[8]ページ先頭

©2009-2025 Movatter.jp