Movatterモバイル変換


[0]ホーム

URL:


CN101618244A - Implementation method of digital transfusion monitoring and alarming system - Google Patents

Implementation method of digital transfusion monitoring and alarming system
Download PDF

Info

Publication number
CN101618244A
CN101618244ACN200910158374ACN200910158374ACN101618244ACN 101618244 ACN101618244 ACN 101618244ACN 200910158374 ACN200910158374 ACN 200910158374ACN 200910158374 ACN200910158374 ACN 200910158374ACN 101618244 ACN101618244 ACN 101618244A
Authority
CN
China
Prior art keywords
transfusion
software
patient
computer
infusion bottle
Prior art date
Legal status (The legal status is an assumption and is not a legal conclusion. Google has not performed a legal analysis and makes no representation as to the accuracy of the status listed.)
Pending
Application number
CN200910158374A
Other languages
Chinese (zh)
Inventor
葛锋
Current Assignee (The listed assignees may be inaccurate. Google has not performed a legal analysis and makes no representation or warranty as to the accuracy of the list.)
Individual
Original Assignee
Individual
Priority date (The priority date is an assumption and is not a legal conclusion. Google has not performed a legal analysis and makes no representation as to the accuracy of the date listed.)
Filing date
Publication date
Application filed by IndividualfiledCriticalIndividual
Priority to CN200910158374ApriorityCriticalpatent/CN101618244A/en
Publication of CN101618244ApublicationCriticalpatent/CN101618244A/en
Priority to CN2010102168507Aprioritypatent/CN101966353B/en
Pendinglegal-statusCriticalCurrent

Links

Images

Classifications

Landscapes

Abstract

The invention relates to an implementation method of a digital transfusion monitoring and alarming system realizing online monitoring and automatic alarming through a computer network system by combining a weighting/tension sensor and a singlechip. Transfusion monitoring and alarming software is installed in a terminal computer of a network, and a graphically simulated transfusion bottle matched with each patient is set in the software and can simulate a liquid height identical to the liquid height of a practical transfusion bottle in real time according to data sent to the control software by the sensor and the singlechip so that a nurse can know the liquid height of the practical transfusion bottle of a patient by observing the liquid height of the simulated transfusion bottle of the computer. The full-automatic functional microcomputer transfusion alarming device automatically monitors the whole transfusion process and displays the transfusion speed and the remaining transfusion time in real time so that the nurse in front of the computer can see the remaining volume of medical liquid in each transfusion bottle of each patient, and the aim of online patient monitoring can be achieved without patient calls.

Description

The implementation method of digital transfusion monitoring and alarming system
Technical field
The present invention relates to a kind of medical monitoring method, relate in particular to a kind of method of utilizing computer software and the transfusion of network monitor patients.
Background technology
In today information-based, the social fast development of digital medical, lack an item of digital transfusion warning and a monitor system in the modern medical service industry.Major part is a kind of simple communication tool in the existing infusion alarm, notifies the nurse by patient by the other call button of movable bed after patient infusion finishes, and the whole process overwhelming majority of transfusion must be monitored by patient oneself or families of patients.Patient will observe the debris scale of construction of infusion bottle at set intervals in infusion process, cause blood to reflux to prevent fluid drips after intact, makes patient can not obtain truly rest like this when transfusion, and is time-consuming a tax on one's mind again; Some infusion alarm must be installed in checkout equipment on the infusion pipeline, or infusion pipeline is stuck on the checkout equipment, implements very trouble, has reduced nurse's work efficiency in the real work on the contrary; The traditional method of transfusion problem appears in patient in infusion process be to rely on patient to call out or the touring observation of nurse, and the nurse job amount is very big and efficient is not high; The nurse can only rely on range estimation to drip number when regulating liquid droping speed, and does not have the numeral of science to show; The wait that patient can only be blindly in infusion process also need not to know the liquid of how long being totally lost.
Summary of the invention
The objective of the invention is to: a kind of implementation method of digital transfusion monitoring and alarming system.Provide online monitoring of a kind of full-automatic digitized and warning system in order to allow patient when infusing, obtain real rest, to liquid whether drip off, drip speed too fast, slow excessively, stop to monitor, effectively grasp transfusion speed and infuse needed remaining time in real time, online each patient's of direct observation of nurse transfusion overall process, software is reminded and is shown the seat number that the warning patient is taken place when take place reporting to the police, and goes service before notifying the nurse; Alarm signal is sent alarm sound simultaneously by the central control system on the infusion support on the other hand, reminds patient infusion to be about to finish.
The present invention is achieved in that after a kind of implementation method step S01 pick off of digital transfusion monitoring and alarming system receives the variation of liquid bottles weight and produces analogue signal that analogue signal is transferred in the central control system by circuit.Step S02 central control system is a digital signal with analog signal conversion, and internal transmission is on the programmable single chip computer to computer processor.Computer processor calculates transfusion drip speed and infuses to finish and is presented on the touch mode display remaining time that also needs; Step S03 computer processor is transferred to digital signal in the terminal computer by CAN bus or Ethernet simultaneously by central control system; Simulate in the software module in the step S04 terminal computer and the corresponding simulation infusion bottle of actual infusion bottle, the simulation infusion bottle according to the weight signal that is transferred to software dynamically demonstrate with actual infusion bottle in identical or liquid residual capacity and liquid level that percentage ratio is identical so that the nurse carries out online monitoring to transfusion patient.Be provided with alarming line in each simulation infusion bottle in the step S05 software, removable alarming line is provided with the warning limit value.Step S06 software according to signal adopt X-Y coordinate collection of illustrative plates demonstrate the capacity/speed of corresponding infusion bottle/time/relation is so that every patient's of nurse's on-line analysis transfusion overall process, its collection of illustrative plates is presented on the touching-type monitor by network.Step S07 software writes down patient information by the nurse and swipes the card the simple data of patient is presented on the touching-type monitor by network, makes things convenient for patient to sit in the right seat.Step S08 software internal program calculates the warning limit value automatically, and patient infusion is about to finish the automatic alert notice nurse of computer-chronograph and display alarm information on touching-type monitor.
The present invention's good effect compared to existing technology is: real-time online, convenient accurate, intuitive and reliable.The nurse can observe directly each just what of the amount of infusion of transfusion patient by the simulation infusion bottle on the computer software or other mimic diagram in office, can a nurse guard the patient that all are being infused simultaneously, the automatic buzzing prompting of native system patient infusion is about to finish when transfusion finishes soon, automatically display alarm patient seat number and notify other nurses of nurse's platform before go to be service for patients, need not the patient and call out; The speed and the remaining time (how long promptly also needing infuses finishes) of the transfusion of setting/demonstration in real time make things convenient for patient to grasp transfusion progress and arrangement of time in the infusion process; Online dynamic transfusion curve helps doctor/nurse better to drip the velocity modulation joint or carry out the infusion process analysis for the patient who needs the speed control system of dripping; The computer software on-line monitoring is also write down every patient's transfusion data.
Description of drawings
Fig. 1 is a schematic flow sheet of the present invention.
Fig. 2 is digital transfusion monitoring of the present invention and alarming network system sketch map.
Fig. 3 is an internal sensor interface circuit sketch map of the present invention.
Fig. 4 is an internal reference voltage source circuit sketch map of the present invention.
Fig. 5 is an internal signal amplifier circuit sketch map of the present invention.
Fig. 6 is an internal signal converter circuit sketch map of the present invention.
Fig. 7 is an internal programmable single chip circuit sketch map of the present invention.
Fig. 8 is the inner JACK interface circuit of the present invention sketch map.
Fig. 9 is an internal reset button circuit sketch map of the present invention.
Figure 10 is the inner oscillating circuit sketch map of the present invention.
Figure 11 is an internal inductance circuit diagram of the present invention.
Figure 12 is a touch liquid crystal display curtain circuit diagram of the present invention.
Figure 13 is the inner CAN switching device interface of the present invention circuit diagram.
Figure 14 is a back panel wiring port circuit sketch map of the present invention.
Figure 15 is the inner RS232 communication interface of the present invention circuit diagram.
Figure 16 is the inner ground connection circuit diagram of the present invention.
Figure 17 is an internal alarm device circuit diagram of the present invention.
Figure 18 is an internal alarm circuit for lamp sketch map of the present invention.
Figure 19 is the inner two-way relay of the present invention output circuit sketch map.
Figure 20 is that inner one road light of the present invention is every the input circuit sketch map.
Figure 21 is the inner 15 needle serial port circuit diagrams of the present invention.
Figure 22 is the inner 3.3V power circuit of the present invention sketch map.
Figure 23 is a 12V power circuit sketch map of the present invention.
Figure 24 is the inner 5V power circuit diagram of the present invention.
Figure 25 is a power supply indicator circuit diagram of the present invention.
Figure 26 is a power interface circuit sketch map of the present invention.
The specific embodiment
Be illustrated in figure 1 as schematic flow sheet of the present invention.Pick off produces analogue signal after receiving the variation of liquid bottles weight, and analogue signal is transferred to S01 in the central control system by circuit.Central control system becomes analog signal conversion digital signal and calculates transfusion drip speed by programmable single chip computer to finish with transfusion and be presented at remaining time of also needing S02 on the touch mode display.Central control system is transferred to S03 in the terminal computer by CAN bus or Ethernet simultaneously.Be provided with corresponding module in the software in the terminal computer with each patient, be provided with the simulation infusion bottle in the module, also can be other mimic diagram, each the simulation infusion bottle according to signal dynamics simulate with actual infusion bottle in identical liquid residual capacity and liquid level so that the residual liquid quantity S04 of all transfusion patients of nurse's on-line monitoring.Be provided with alarming line in each simulation infusion bottle in the software, removable alarming line is provided with the warning limit value so that the nurse carries out special setting S05 to especial patient liquid.Software according to signal adopt X-Y coordinate collection of illustrative plates demonstrate the capacity/speed of corresponding infusion bottle/time/relation is so that every patient's of nurse's on-line analysis transfusion overall process S06, its collection of illustrative plates is presented on the touching-type monitor by network.Software writes down patient information by the nurse and swipes the card the simple data of patient is presented at S07 on the touching-type monitor by network, makes things convenient for patient to sit in the right seat.The software internal program calculates the warning limit value automatically, and patient infusion is about to finish computer-chronograph alert notice nurse S08 and display alarm on touching-type monitor.
Be illustrated in figure 2 as digital transfusion monitoring of the present invention and alarming network system sketch map.Be fixed on the dose detected pressures pick off 2 on the infusion support, be connected by thecomputer processor 7 in transmission line analog signal B and thecentral control system 1;Computer processor 7 is connected withbuzzer 8 with touch typeliquid crystal display 6 respectively by internal wiring; Be connected with CAN/USB transducer 4 by warning/communication signal transmission line A, the CAN/USB transducer is connected with terminal computer andcontrol software 3 by circuit.Power line C, D on thecentral control system 1 is connected with regulated power supply case 5.Wherein, medicinal liquid detected pressures pick off 1 model is TM-TH5, can be bought by the sensor production producer of specialty; The CAN/USB converter model is CAN/USB-1; Buzzer 3 is common piezo buzzer, and model is HYT-3015B; The touch liquid crystal display model is YM320240C, can be buied by professional monitor market.
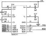
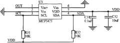
Shown in Fig. 3-6, be pick off 2 interface circuit sketch maps of the present invention, reference voltage source circuit sketch map, signal amplifier circuit sketch map, signal converter circuit sketch map.Wherein sensor interface is made up of binding post JP1 andcapacitor C 13, and its middle connecting terminal JP1 is connected with external sensor.Reference voltage source is by chip U6, capacitor C 61, and resistance R 61 is formed, and wherein U6 is a reference power supply, and model is LM185-1.2.Signal amplifier is by chip U1,capacitor C 11, C12, and resistance R 1A forms, and its chips U1 is a signal amplifier, and model is AD623.Signal adapter is by chip U3,capacitor C 31, C32, andresistance R 31, R32 form, and its chips U3 is 18 high resolution converters, and model is MCP3421.
Constitute the conversion of signals and the amplifier circuit ofcomputer processor 7 inside in thecentral control system 1 jointly by Fig. 3-6.Binding post JP1 is connected with medicinal liquid detected pressures pick off 2, and wherein 1,4 feet provide 5V power supply for pick off among the terminal JP1,2,3 feet inputs medicinal liquid press detection sensor analogue signal IN+, IN-, and 2,3 feet are connected withend foot 3,2 among the U1;End foot 6 among the U1 is connected withend foot 1 among the U3; End foot 3 (SCL) among the U3 is that the programmable single chip computerinner end foot 48,49 of C8051F047 is connected with model respectively with end foot 4 (SDA).Resistance R 61, capacitor C 61 constitute peripheral circuit with chip U6, link to each other withend foot 5 among the U1 by theend foot 8 among the U6, for chip U1 provides 1.25V reference voltage.Resistance R 61 is connected with 5V power supply in the power module.
Programmable single chip computer circuit diagram as shown in Figure 7, U8 forms by chip.Model is C8051F047, and it has mainly comprised a High Speed Microcontroller kernel, a mass storage, JTAGT debugging and boundary scan and a CAN lan controller in the sheet.JACK interface circuit sketch map shown in Figure 8 is made up of binding post JATG and resistance R 11.Be the download DLL of usefulness of programmable single chip computer.SR circuit diagram shown in Figure 9, by button key S1, capacitor C 81, C82,resistance R 9, R10 form.Wherein the S1 model is SW-PB.Oscillating circuit sketch map shown in Figure 10, by crystal oscillator Y1, capacitor C 83, C84 form.Wherein the Y1 model is 22.1184M.Internal inductance circuit diagram shown in Figure 11 is made up ofinductance L 1, and L1 is the 10uH inductance.
Constitute complete programmable single chip computer circuit in thecomputer processor 7 in thecentral control system 1 jointly by Fig. 7-11.End foot 4 (TCK) in the JACK interface, end foot 5 (TMS), end foot 6 (TDO), end foot 7 (TDI) are connected with end foot 59, end foot 58, end foot 61, theend foot 60 of programmable single chip computer C8051F047 respectively; Resistance R 10 (RST) on the SR is connected with the end foot 62 of programmable single chip computer C8051F047; XTAL1 on the oscillating circuit is connected withend foot 17, theend foot 18 of programmable single chip computer C8051F047 respectively with XTAL2; AGND in theinductance L 1 is connected with 5 with theend foot 4 of programmable single chip computer C8051F047, for single-chip microcomputer provides anti-jamming power-supply.
Touch liquid crystal display curtain circuit diagram in thecentral control system 1 as shown in figure 12 is made of binding post JP2, resistance R Y1, R17.Binding post JP2 is connected with the touch large crystal screen of external, and touch large crystal screen model is YM320240C, can be buied by the electronic market; Terminal JP2 middle-end foot 4,5,6,7,8,9,10,11,12,13,14 is connected with theend foot 32,31,30,29,28,27,26,23,22,21,20 of programmable single chip computer C8051F047 among Fig. 7 respectively, andend foot 19,20,21,22 is connected with the end foot 53,50,51,52 of programmable single chip computer C8051F047 respectively.RY1 is an adjustable resistance, is mainly used in the backlight illumination of regulating touch liquid crystal display.All transfusion operations touch by touch type liquid crystal display and realize that all infusion parameter are also dynamically shown by touch type liquid crystal display.
Inside CAN switching device interface circuit diagram as shown in figure 13, by chip U10,resistance R 12 is formed.Its chips U10 model is CTM105.Inner JP5 Wiring port circuit diagram shown in Figure 14 is a nine kinds of needles RS232 Wiring port.Inner RS232 communication interface circuit diagram shown in Figure 15, by chip U11, capacitor C 25, C26, C27, C28 form.Its chips U11 model is MAX232.Grounded circuit sketch map shown in Figure 16, bycapacitor C 30,resistance R 16 is formed.
Constitute communication module circuit in thecentral control system 1 jointly by Figure 13-16.Binding post JP5 is the interface of CAN bus and RS232 serial ports, and JP5 middle-end foot 7,2,6 is connected with theend foot 6,7,8 of chip U10 respectively;End foot 8,9 is connected with theend foot 13,14 of chip U11 respectively;End foot 6 is the transceiver ground terminal, andend foot 5 is the shielding line ground terminal; ChipU10 end foot 3,4 is connected with theend foot 2,1 of programmable single chip computer C8051F047 respectively; Theend foot 11,12 of chip U11 is connected with the end foot 55,54 of programmable single chip computer C8051F047 respectively.
Figure 17, Figure 18 constitute alarm module circuit in thecentral control system 1 jointly.Figure 17 is an internal alarm device circuit diagram, and by audion Q1,resistance R 13, R14, R18, broadcaster B1 forms.Figure 18 is an internal alarm circuit for lamp sketch map, and byred LED 2 lamps,resistance R 15 is formed.Wherein the model of audion Q1 is 9012, is used to drive broadcaster B1.Resistance R 13 is connected with the 5V power supply of power module respectively with R18, and R14 is connected with theend foot 43 of programmable single chip computer C8051F047, and R15 is connected with theend foot 42 of programmable single chip computer C8051F047.
Figure 19 is inner two-way relay output circuit sketch map, by chip U5A, U5B, U7, and resistance JR1, JR2, JR3, JR4, relay J DQ1, JDQ2 form; The model of its chips U5A and U5B is TPL521-2, and the U7 model is ULN2003.Figure 20 be inner one road light every the input circuit sketch map, JR5~JR6 forms by chip U9A resistance, also four road light are every (not shown), its composition is made up of chip U9B, U9C, U9D and resistance JR7~JR12; Its structure is identical with U9A.The model of its chips U9A, U9B, U9C, U9D is TPL521-4.Figure 21 is that inner JP4 is the serial port circuit sketch map of 15 pins, and model is DB15.
Constitute input/output module circuit in thecentral control system 1 jointly by Figure 19-21.Chip U5A is connected with theend foot 38 of programmable single chip computer C8051F047 by circuit (OUTPUT1), and U5B is connected with theend foot 37 of programmable single chip computer C8051F047 by circuit (OUTPUT2).Be mainly used in the output of alarm signal.Chip U9A, U9B, U9C, U9D are connected by theend foot 5,6,7,8 of circuit INP1, INP2, INP3, INP4 and binding post JP4 respectively, are connected with theend foot 33,34,35,36 of programmable single chip computer C8051F047 by circuit INPUT1, INPUT2, INPUT3, INPUT4.Be mainly used in external equipment, as keyboard etc., as the spare part that selects of touching-type monitor.
Constitute power module circuitry in thecentral control system 1 jointly by Figure 22-26.Wherein Figure 22 is by capacitor C 121~C125,inductance L 2, L3, the 3.3V power circuit sketch map that binding post JP3 forms; Figure 23 is by power interface Header2, the 12V power circuit sketch map that capacitor C 21~24 is formed; Figure 24 is bycapacitor C 41~49, the 5V power circuit sketch map thatresistance R 41~43 is formed; The power supply indicator circuit diagram that Figure 25 is made up of LED1 andresistance R 8; Figure 26 forms the power interface circuit sketch map by power connection Header3.3.3V power supply is mainly touching-type monitor 3.3V is provided backlight electric power.The 12V external power source becomes the 5V power supply of internal stability by a series of conversions, for single-chip microcomputer and other circuit provide the stable power support.
By the circuit theory of Fig. 3-26 as can be known in conjunction with Fig. 1.The infusion bottle hook that is installed in the R end of dosepress detection sensor 2 is subjected to the action of gravity of infusion bottle, the dosepress detection sensor 2 inner electric bridges that are fixed on infusion support interface N end are subjected to the external force effect, cause electric bridge builtin voltage imbalance, it is poor to produce weak voltage, this weak voltage difference forms analogue signal (IN+, and be transferred to the AD sampling module ofcomputer processor 7 inside in thecentral control system 1 by transmission line analog signal B IN-).In the AD sampling module, (IN+ IN-) by chip U1 (AD623) processing and amplifying, is converted into digital signal to analogue signal then in chip U3 (MCP3421), and is transferred to U8 (programmable single chip computer C8051F047) lining.U8 draws the interior capacity of current infusion bottle according to receiving signal through a series of calculation process, and goes out medicine liquid droplet speed and needed general time of the liquid of being totally lost according to the change calculations of infusion bottle weight in the unit interval.U8 is real-time transmitted to medicinal liquid current residual capacity, current speed, the liquid of being totally lost on the touching-type monitor 6 by circuit on the one hand needed remaining time, on the other hand current medicinal liquid weight and current data in real time such as speed is transferred in the communication module in the central control system 1.In the communication module ofcentral control system 1, the signal that U8 transmits is converted into the CAN received signal, is transferred on the CAN/USB transducer 4 by the CAN network.In CAN/USB transducer 4, the CAN received signal is converted into the USB received signal, andcontrol software 3 direct by USB interface and in the terminal computer is connected.
Advantages such as it is fast that the CAN network of networking has transmission speed, and networking is stable; Repacking ethernet signal transducer also can be realized directly being connected with terminal computerinner control software 3 with Ethernet in the communication module in the central control system 1.The terminal computer thatcontrol software 3 is installed is placed in the nursing station of nurses' office.The essence ofcontrol software 3 is transfusion management and monitoring controlling alarm software, be provided with corresponding module in the software, mainly contain infusion bottle analog functuion, performance graph demo function, online function and other miscellaneous function of being provided with of alarm parameters in each module with each patient.When receiving the data packet transmission that programmable single chip computer U8 sends over, computer USB interface it's time to controlsoftware 3, simulation infusion bottle in the software in the module will be drawn up liquid residual capacity and the liquid level in the infusion bottle and drip speed according to data automatic molds such as the weight that transmits, speed, thereby realize reaching by the simulation infusion bottle in each module of the online observation of nurse the purpose of every transfusion patient of online monitoring; With time is abscissa, and capacity is that vertical coordinate is formed a two-dimensional map, and each packet thatsoftware 3 receives just can form each data point on this collection of illustrative plates, each data point is connected with curve, has just formed a dynamically transfusion curve spectrum.When transfusion patient suffer from be ill with heart disease or hypertension etc. other need drip speed control system and analysis to transfusion patient, medical personnel can be by this collection of illustrative plates real-time online analysis patient's transfusion situation.On the mimic diagram infusion bottle in each module and the curve chart of dynamically infusing, all have transfusion warning capacity setting line, spur this up and down the warning limit value that line can be regulated the infusion bottle inner capacities is set.When transfusion closes to an end, when the liquid level in the mimic diagram infusion bottle is lower than transfusion warning capacity setting line, liquid height is with shown in red in the mimic diagram infusion bottle, alarm signal is on the one hand sent voice prompt by computer and is notified the nurse to go service before the corresponding patient, by the CAN network alarm signal is transferred on the programmable single chip computer U8 on the other hand, transfer signals on thebuzzer 8 by U8,buzzer 8 sends prompt tone prompting patient infusion and closes to an end.Transfusion warning capacity setting line can independent online setting, also can the online setting of colony, thus reached the online function that transfusion is reported to the police that is provided with.Incontrol software 3, in order to prevent that the nurse is to the maloperation of transfusion warning capacity setting line, software inhouse also is equipped with special alert program, when the nurse does not report to the police owing to maloperation to transfusion warning capacity setting line, software program will be analyzed according to the data that the CAN network transmits, and calculate automatically and start alert notice nurse andpatient.Control software 3 can also be to dripping the speed setting of reporting to the police, surpass or be lower than the scope that the nurse sets and will point out the nurse when dripping speed, this to trouble be ill with heart disease/hypertension or import liquid be particular matter etc. other need be extremely important concerning infusion process is dripped the patient of speed control system.
Control software 3 also has following function: 1, by the CAN network infusion process of each central processing system is controlled automatically and demonstration in real time parameters such as the transfusion speed in the itinerant monitor system infusion process and the remaining time of infusing; 2, with the host computer exchange data information, programmable single chip computer U8 issuing command and information in microcomputerized controller 10.The name of all transfusion patients, sex, age, institute's loading name claim all to record software automatically by swiping the card of patient and be presented on each touching-type monitor, and the nurse just need not carry out patient name and flow of infusate checking work like this.Patient also only need take a seat by oneself the name that shows on the display and wait the nurse.Length of stay, date and the director that also can show patient on inpatient's the touching-type monitor various needs such as notice of making the rounds of the wards are notified patient's information, and information group sending, single-shot all can; But 3 traceabilities write down each patient's infusion history, comprise transfusion time, nomenclature of drug, open Dan doctor etc., preserve and printable, provide strong evidence in the future doctor-patient dispute taking place; 4, online warning, fault diagnosis.Native system has adopted reports to the police and the dual control of monitoring, except software program is reported to the police and manual the setting the transfusion warning capacity setting line automatically, the nurse can also be before workstation computer by mimic all patients' of figure infusion bottle real-time monitoring transfusion situation, online each patient's of observation transfusion surplus, the infusion process that guarantees each patient is within security control; Touring automatically the detection also of system fixed a breakdown automatically when breaking down.
A plurality ofcentral control systems 1 that are connected on the infusion support, with dosepress detection sensor 2 that are installed in are passed through CAN bus or Ethernet, warning/communication signal transmission line A is connected tocomputer control software 3, power circuit C and D are connected topower supply box 5 simultaneously, just formed digital transfusion monitoring and alarming network system (as Fig. 2).

Claims (3)

CN200910158374A2009-07-092009-07-09Implementation method of digital transfusion monitoring and alarming systemPendingCN101618244A (en)

Priority Applications (2)

Application NumberPriority DateFiling DateTitle
CN200910158374ACN101618244A (en)2009-07-092009-07-09Implementation method of digital transfusion monitoring and alarming system
CN2010102168507ACN101966353B (en)2009-07-092010-07-05Method for implementing digitalized infusion monitoring and alarming

Applications Claiming Priority (1)

Application NumberPriority DateFiling DateTitle
CN200910158374ACN101618244A (en)2009-07-092009-07-09Implementation method of digital transfusion monitoring and alarming system

Publications (1)

Publication NumberPublication Date
CN101618244Atrue CN101618244A (en)2010-01-06

Family

ID=41511771

Family Applications (2)

Application NumberTitlePriority DateFiling Date
CN200910158374APendingCN101618244A (en)2009-07-092009-07-09Implementation method of digital transfusion monitoring and alarming system
CN2010102168507AExpired - Fee RelatedCN101966353B (en)2009-07-092010-07-05Method for implementing digitalized infusion monitoring and alarming

Family Applications After (1)

Application NumberTitlePriority DateFiling Date
CN2010102168507AExpired - Fee RelatedCN101966353B (en)2009-07-092010-07-05Method for implementing digitalized infusion monitoring and alarming

Country Status (1)

CountryLink
CN (2)CN101618244A (en)

Cited By (20)

* Cited by examiner, † Cited by third party
Publication numberPriority datePublication dateAssigneeTitle
CN101837154A (en)*2010-05-212010-09-22南宁同展拓电子科技有限责任公司Transfusion monitoring system based on ZigBee technology
CN101843935A (en)*2010-04-072010-09-29南京信息工程大学Medical transfusion wireless alarm system based on weighing principle
CN102247632A (en)*2011-04-132011-11-23王冠华 An automatic warning system for transfusion
CN102430170A (en)*2011-10-122012-05-02中国计量学院Weight measuring intelligent transfusion monitoring system
CN102614559A (en)*2012-04-012012-08-01黄石李时珍药业集团武汉李时珍药业有限公司Automatic drug delivery system and drug delivery method for hydroxylcamptothecin injection
CN102847203A (en)*2012-03-262013-01-02张飞Warning system and warning method for infusion device
CN102895716A (en)*2012-10-082013-01-30南京航空航天大学Safety infusion support
CN103203053A (en)*2012-01-112013-07-17张玉坤Remote monitoring method and alarming system of liquid levels of plurality of infusion bottles
CN103598874A (en)*2013-10-112014-02-26深圳市深迈医疗设备有限公司Vital sign and infusion state monitoring system
CN103785080A (en)*2013-11-272014-05-14葛锋Method for implementing multifunctional infusion monitor and software related to multifunctional infusion monitor
CN104491954A (en)*2014-12-242015-04-08东华大学Intelligent control system capable of reflecting injection remaining time of medical infusion apparatus
CN104922766A (en)*2015-06-262015-09-23上海齐森投资管理有限公司Intelligent medical infusion terminal control system
CN105233368A (en)*2015-10-152016-01-13中国人民解放军第四军医大学Infusion alarm and control method thereof
CN107397994A (en)*2017-07-212017-11-28芜湖拓达电子科技有限公司A kind of infusion electronic monitoring system
CN107412907A (en)*2017-08-302017-12-01派凡科技(上海)有限公司A kind of transfusion system and method with the long-range monitoring of nurse station and patient-monitoring
CN107497014A (en)*2017-09-112017-12-22派凡科技(上海)有限公司There is one kind allergies record to remind transfusion system and method
CN108578830A (en)*2018-05-222018-09-28上海市浦东新区人民医院A kind of automatic system of Emergency call infusion real time monitoring and alarm based on Arduino platforms
CN109481784A (en)*2018-09-132019-03-19壹妙芯(厦门)科技有限公司A kind of drop remaining time detection device and system
CN110404140A (en)*2013-01-292019-11-05赛诺菲-安万特德国有限公司 Electronic modules and drug delivery devices
CN117100945A (en)*2023-08-152023-11-24陕西中医药大学第二附属医院 Infusion monitoring system and monitoring method

Families Citing this family (9)

* Cited by examiner, † Cited by third party
Publication numberPriority datePublication dateAssigneeTitle
CN103816582A (en)*2012-10-102014-05-28葛锋Integrated digital transfusion apparatus and transfusion monitoring and management method thereof
CN104083814A (en)*2014-07-292014-10-08深圳市奥生科技有限公司Intelligent transfusion system with drug identification and drug incompatibility
CN105664297A (en)*2016-03-142016-06-15英华达(南京)科技有限公司Infusion monitoring method, system and device
CN106022004A (en)*2016-05-202016-10-12北京千安哲信息技术有限公司Method and system for detecting mixed drug conflict
CN106039473A (en)*2016-07-262016-10-26刘晓琳Novel gravity venous transfusion nursing management apparatus
CN106924840A (en)*2017-04-252017-07-07盐城工学院A kind of medical monitoring device and system
CN110780612A (en)*2018-07-302020-02-11农业部南京农业机械化研究所 A monitoring system for the harmless treatment of fully isolated sick and dead livestock and poultry
CN112750517A (en)*2021-01-262021-05-04佛山市第一人民医院(中山大学附属佛山医院)Vein treatment informatization tracking method and system thereof
CN114664424B (en)*2022-04-152025-06-27昂科信息技术(上海)股份有限公司 Infusion management method, system and medium

Family Cites Families (6)

* Cited by examiner, † Cited by third party
Publication numberPriority datePublication dateAssigneeTitle
US5100380A (en)*1984-02-081992-03-31Abbott LaboratoriesRemotely programmable infusion system
CN1586643A (en)*2004-08-272005-03-02古群Central control transfusion method and transfusion monitoring and managing system
CN2808160Y (en)*2005-07-062006-08-23重庆邮电学院Transfusion-monitoring device
US20070253021A1 (en)*2006-04-282007-11-01Medtronic Minimed, Inc.Identification of devices in a medical device network and wireless data communication techniques utilizing device identifiers
CN200966805Y (en)*2006-11-152007-10-31葛锋Full-automatic multifunctional micro-computer transfusion alarm
EP2084633A2 (en)*2006-11-212009-08-05Baxter International Inc.System and method for remote monitoring and/or management of infusion therapies

Cited By (26)

* Cited by examiner, † Cited by third party
Publication numberPriority datePublication dateAssigneeTitle
CN101843935A (en)*2010-04-072010-09-29南京信息工程大学Medical transfusion wireless alarm system based on weighing principle
CN101837154B (en)*2010-05-212012-12-19南宁同展拓电子科技有限责任公司Transfusion monitoring system based on ZigBee technology
CN101837154A (en)*2010-05-212010-09-22南宁同展拓电子科技有限责任公司Transfusion monitoring system based on ZigBee technology
CN102247632A (en)*2011-04-132011-11-23王冠华 An automatic warning system for transfusion
CN102430170A (en)*2011-10-122012-05-02中国计量学院Weight measuring intelligent transfusion monitoring system
CN103203053A (en)*2012-01-112013-07-17张玉坤Remote monitoring method and alarming system of liquid levels of plurality of infusion bottles
CN103203053B (en)*2012-01-112015-01-07张玉坤Remote monitoring method and alarming system of liquid levels of plurality of infusion bottles
CN102847203A (en)*2012-03-262013-01-02张飞Warning system and warning method for infusion device
CN102614559A (en)*2012-04-012012-08-01黄石李时珍药业集团武汉李时珍药业有限公司Automatic drug delivery system and drug delivery method for hydroxylcamptothecin injection
CN102895716A (en)*2012-10-082013-01-30南京航空航天大学Safety infusion support
CN110404140A (en)*2013-01-292019-11-05赛诺菲-安万特德国有限公司 Electronic modules and drug delivery devices
US11707573B2 (en)2013-01-292023-07-25Sanofi-Aventis Deutschland GmbhElectronic module and drug delivery device
CN110404140B (en)*2013-01-292022-09-30赛诺菲-安万特德国有限公司Electronic module and drug delivery device
US11324892B2 (en)2013-01-292022-05-10Sanofi-Aventis Deutschland GmbhElectronic module and drug delivery device
CN103598874A (en)*2013-10-112014-02-26深圳市深迈医疗设备有限公司Vital sign and infusion state monitoring system
CN103785080A (en)*2013-11-272014-05-14葛锋Method for implementing multifunctional infusion monitor and software related to multifunctional infusion monitor
CN104491954A (en)*2014-12-242015-04-08东华大学Intelligent control system capable of reflecting injection remaining time of medical infusion apparatus
CN104922766A (en)*2015-06-262015-09-23上海齐森投资管理有限公司Intelligent medical infusion terminal control system
CN105233368B (en)*2015-10-152019-04-26中国人民解放军第四军医大学 A kind of infusion alarm and control method thereof
CN105233368A (en)*2015-10-152016-01-13中国人民解放军第四军医大学Infusion alarm and control method thereof
CN107397994A (en)*2017-07-212017-11-28芜湖拓达电子科技有限公司A kind of infusion electronic monitoring system
CN107412907A (en)*2017-08-302017-12-01派凡科技(上海)有限公司A kind of transfusion system and method with the long-range monitoring of nurse station and patient-monitoring
CN107497014A (en)*2017-09-112017-12-22派凡科技(上海)有限公司There is one kind allergies record to remind transfusion system and method
CN108578830A (en)*2018-05-222018-09-28上海市浦东新区人民医院A kind of automatic system of Emergency call infusion real time monitoring and alarm based on Arduino platforms
CN109481784A (en)*2018-09-132019-03-19壹妙芯(厦门)科技有限公司A kind of drop remaining time detection device and system
CN117100945A (en)*2023-08-152023-11-24陕西中医药大学第二附属医院 Infusion monitoring system and monitoring method

Also Published As

Publication numberPublication date
CN101966353A (en)2011-02-09
CN101966353B (en)2013-01-09

Similar Documents

PublicationPublication DateTitle
CN101618244A (en)Implementation method of digital transfusion monitoring and alarming system
CN103054559B (en)Urine volume monitor
CN200966805Y (en)Full-automatic multifunctional micro-computer transfusion alarm
CN201492414U (en)Automatic urine meter
CN202537515U (en)Urine flow monitor
CN201974808U (en)Self-help health service and management integrated machine terminal used in public place
CN205095149U (en)Venous transfusion monitors appearance
CN106897567A (en)A kind of medical big health supervision and the implementation method of service system
CN103111000A (en)Infusion alarming device based on cantilever beam force sensor and method thereof
CN219700693U (en)Intelligent transfusion system
CN107368684A (en)The method and platform of service provided are examined using Cold Chain Logistics and internet as basic unit
Jezewski et al.Centralised fetal monitoring system with hardware-based data flow control
CN203263374U (en)Wireless integrated monitoring device
CN206805540U (en)A kind of household self-service Physical Examination System and the bracelet for the system
CN202342593U (en)Intelligent infusion monitoring device
CN2479985Y (en)Transfusion alarm
JP3242048U (en) Liquid volume input/output metering device
CN209575346U (en) Drainage liquid volume alarm and automatic alarm drainage container including the same
CN202386783U (en) Physiological detection module health monitoring dual machine system
CN206063143U (en)A kind of differential lung function system of Internet of Things PM2.5
CN209216202U (en)A kind of computer based medical treatment chemicals dosing plant
CN114129140A (en)Danger early warning system for monitoring room
CN111789602A (en)Medical waste liquid collecting and metering device
CN201930313U (en)Medical automatic drip alarm and communication system
CN207075998U (en)The measuring equipment of Fluid Volume in a kind of automatic monitoring art

Legal Events

DateCodeTitleDescription
C06Publication
PB01Publication
C10Entry into substantive examination
SE01Entry into force of request for substantive examination
C02Deemed withdrawal of patent application after publication (patent law 2001)
WD01Invention patent application deemed withdrawn after publication

Open date:20100106


[8]ページ先頭

©2009-2025 Movatter.jp