Movatterモバイル変換


[0]ホーム

URL:


CN101577493B - Power supply circuit - Google Patents

Power supply circuit
Download PDF

Info

Publication number
CN101577493B
CN101577493BCN2008100671000ACN200810067100ACN101577493BCN 101577493 BCN101577493 BCN 101577493BCN 2008100671000 ACN2008100671000 ACN 2008100671000ACN 200810067100 ACN200810067100 ACN 200810067100ACN 101577493 BCN101577493 BCN 101577493B
Authority
CN
China
Prior art keywords
transistor
utmost point
circuit
output
metal oxide
Prior art date
Legal status (The legal status is an assumption and is not a legal conclusion. Google has not performed a legal analysis and makes no representation as to the accuracy of the status listed.)
Expired - Fee Related
Application number
CN2008100671000A
Other languages
Chinese (zh)
Other versions
CN101577493A (en
Inventor
周和康
周通
Current Assignee (The listed assignees may be inaccurate. Google has not performed a legal analysis and makes no representation or warranty as to the accuracy of the list.)
Innolux Shenzhen Co Ltd
Chi Mei Optoelectronics Corp
Original Assignee
Innolux Shenzhen Co Ltd
Chi Mei Optoelectronics Corp
Priority date (The priority date is an assumption and is not a legal conclusion. Google has not performed a legal analysis and makes no representation as to the accuracy of the date listed.)
Filing date
Publication date
Application filed by Innolux Shenzhen Co Ltd, Chi Mei Optoelectronics CorpfiledCriticalInnolux Shenzhen Co Ltd
Priority to CN2008100671000ApriorityCriticalpatent/CN101577493B/en
Publication of CN101577493ApublicationCriticalpatent/CN101577493A/en
Application grantedgrantedCritical
Publication of CN101577493BpublicationCriticalpatent/CN101577493B/en
Expired - Fee Relatedlegal-statusCriticalCurrent
Anticipated expirationlegal-statusCritical

Links

Images

Landscapes

Abstract

The invention provides a power supply circuit which comprises an AC-DC converting circuit, a pulse width modulating controller, a switching transistor, a transformer, a rectifying and filtering circuit and a slow start circuit, wherein under the control of the pulse width modulating controller and the switching transistor, exterior AC voltage is converted into DC voltage sequentially through the AC-DC converting circuit, the transformer and the rectifying and filtering circuit; and the slow start circuit is arranged between the rectifying and filtering circuit and a load. The power supply circuit still can normally work under the condition that the load is arranged firstly and then is electrified.

Description

Power circuit
Technical field
The present invention relates to a kind of power circuit.
Background technology
See also Fig. 1, it is a kind of circuit diagram of power circuit of prior art.Thispower circuit 10 mainly comprises an AC-DC (AC-DC) change-overcircuit 11, aPDM keyer 12, a switching transistor 13, a transformer 14, a current rectifying and wave filtering circuit 15, afeedback circuit 16 and a current-limiting resistance 19.This current rectifying and wave filtering circuit 15 comprises onefirst output 151 and one second output 152.This AC-DC change-overcircuit 11 is converted to direct voltage with extraneous alternating voltage, thisfeedback circuit 16 feeds back to thisPDM keyer 12 with the output voltage of this current rectifying and wave filtering circuit 15, and this switching transistor 13 is opened or closed to thisPDM keyer 12 according to the feedback signal of its reception.Under the control of thisPDM keyer 12 and this switching transistor 13, extraneous alternating voltage changes a 5V direct voltage and a 16V direct voltage into by this AC-DC change-overcircuit 11, this transformer 14 and this current rectifying and wave filtering circuit 15 successively, and respectively from thisfirst output 151 and 152 outputs of this second output.When the electric current in thispower circuit 10 surpasses a set point (i.e. the mistake flow point of this power circuit 10); the corresponding voltage reference value that surpasses thisPDM keyer 12 of the voltage of this current-limiting resistance 19; thisPDM keyer 12 just quits work, and this process is called overcurrent protection.Can change the mistake flow point of thispower circuit 10 by the resistance value of setting this current-limiting resistance 19.
But, set higherly if will cross flow point, when thesepower circuit 10 output abnormalities, do not have the effect of overcurrent protection so, very big potential safety hazard is arranged.If will cross flow point sets lower; when starting under the situation that thispower circuit 10 is formerly switched on behind the bringing onto load; electric capacity in this load and this current rectifying and wave filtering circuit 15 (indicating) is relation in parallel; therefore the all-in resistance of thesepower circuit 10 outlet sides is very little; electric current in thispower circuit 10 can be very big; this electric current is crossed flow point in case surpass it, and thispower circuit 10 promptly enters the overcurrent protection state.The problem that therefore can occur cisco unity malfunction under the situation that thispower circuit 10 is formerly switched on behind the bringing onto load.
Summary of the invention
Electric current can be very big, this electric current is crossed flow point in case surpass it, thispower circuit 10 promptly enters the overcurrent protection state.The problem that therefore can occur cisco unity malfunction under the situation that thispower circuit 10 is formerly switched on behind the bringing onto load.
In order to solve the problem of cisco unity malfunction under the situation that power circuit in the prior art formerly switches on behind the bringing onto load, the invention provides under a kind of situation that has low flow point and formerly switch on behind the bringing onto load can operate as normal power circuit.
A kind of power circuit, it comprises an AC-DC change-over circuit, one PDM keyer, one switching transistor, one transformer, one current rectifying and wave filtering circuit and a soft-start circuit, under the control of this PDM keyer and this switching transistor, extraneous alternating voltage is successively by this AC-DC change-over circuit, this transformer and this current rectifying and wave filtering circuit change direct voltage into, this soft-start circuit is arranged between this current rectifying and wave filtering circuit and the load, this current rectifying and wave filtering circuit comprises one first output and one second output, this soft-start circuit comprises one first resistance, one second resistance, one the 3rd resistance, one electric capacity, one the first transistor, one transistor seconds, one the 3rd transistor, one first output and one second output, this first resistance and this second resistance string are connected between first output and ground of this current rectifying and wave filtering circuit, this electric capacity is in parallel with this first resistance, the control utmost point of this first transistor is by this first grounding through resistance, the first conduction utmost point ground connection of this first transistor, the second conduction utmost point of this first transistor is connected with the control utmost point of this transistor seconds, the control utmost point of this transistor seconds is connected with first output of this current rectifying and wave filtering circuit by the 3rd resistance, the first conduction utmost point of this transistor seconds is connected with first output of this current rectifying and wave filtering circuit, the second conduction utmost point of this transistor seconds is connected with first output of this soft-start circuit, the 3rd transistorized control utmost point is connected with the control utmost point of this transistor seconds, the 3rd transistorized first conduction utmost point is connected with second output of this current rectifying and wave filtering circuit, and the 3rd transistorized second conduction utmost point is connected with second output of this soft-start circuit.
Description of drawings
Compared with prior art, power circuit of the present invention is because adopted this soft-start circuit, this soft-start circuit to be arranged between the current rectifying and wave filtering circuit and load of this power circuit.When this power circuit have low flow point and the situation of formerly switching on behind the bringing onto load under when starting, this soft-start circuit is equivalent to a switch.This soft-start circuit at first is in closed condition, at this moment, but this power circuit operate as normal.This soft-start circuit conducting then, this power circuit begins to power to the load by this soft-start circuit.Therefore still can operate as normal under this power circuit situation of formerly switching on behind the bringing onto load.
Fig. 1 is a kind of circuit diagram of power circuit of prior art.
Fig. 2 is the circuit diagram of first execution mode of power circuit of the present invention.
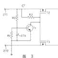
Fig. 3 is the circuit diagram of soft-start circuit shown in Figure 2.
Embodiment
Fig. 4 is the circuit diagram of soft-start circuit of second execution mode of power circuit of the present invention.
See also Fig. 2, it is the circuit diagram of first execution mode of power circuit of the present invention.Thispower circuit 20 mainly comprises an AC-DC change-overcircuit 21, a PDM keyer 22, a switching transistor 23, a transformer 24, a current rectifying and wave filtering circuit 25, a feedback circuit 26 and a soft-start circuit 27.This current rectifying and wave filtering circuit 25 comprises onefirst output 251 and one second output 252.This AC-DC change-overcircuit 21 is converted to direct voltage with extraneous alternating voltage, this feedback circuit 26 feeds back to this PDM keyer 22 with the output voltage of this current rectifying and wave filtering circuit 25, and this switching transistor 23 is opened or closed to this PDM keyer 22 according to the feedback signal of its reception.Under the control of this PDM keyer 22 and this switching transistor 23, extraneous alternating voltage changes a 5V direct voltage and a 16V direct voltage into by this AC-DC change-overcircuit 21, this transformer 24 and this current rectifying and wave filtering circuit 25 successively, and respectively from thisfirst output 251 and 252 outputs of this second output.
See also Fig. 3, it is the circuit diagram of soft-start circuit shown in Figure 2.This soft-start circuit 27 comprises onefirst resistance R 1, onesecond resistance R 2, one the 3rd resistance R 3, anelectric capacity 270, a first transistor T1, a transistor seconds T2, one the 3rd transistor T 3, onefirst output 271 and one second output 272.This first transistor T1 is a npn type bipolar transistor, and this transistor seconds T2 and the 3rd transistor T 3 are the P-channel metal-oxide-semiconductor field-effect transistor.
Thisfirst resistance R 1 and thissecond resistance R 2 are serially connected betweenfirst output 251 and ground of this current rectifying and wave filtering circuit 25.Thiselectric capacity 270 is in parallel with this first resistance R 1.The base stage of this first transistor T1 is passed through this first resistance R, 1 ground connection, its grounded emitter, and its collector electrode is connected with the grid of this transistor seconds T2.The grid of this transistor seconds T2 is connected withfirst output 251 of this current rectifying and wave filtering circuit 25 by the 3rd resistance R 3, its source electrode is connected withfirst output 251 of this current rectifying and wave filtering circuit 25, and its drain electrode is connected withsecond output 271 of this soft-start circuit 27.The grid of the 3rd transistor T 3 is connected with the grid of this transistor seconds T2, and its source electrode is connected with second output 252 of this current rectifying and wave filtering circuit 25, and its drain electrode is connected withsecond output 272 of this soft-start circuit 27 by afuse 28.
When starting working under the situation that thispower circuit 20 is formerly switched on behind the bringing onto load, first output, 251 outputs, the one 16V direct voltage of this current rectifying and wave filtering circuit 25, its second output, 252 outputs, one 5V direct voltage.This 16V direct voltage charges to thiselectric capacity 270 by this second resistance R 2.This moment, the base stage of this first transistor T1 was a low level, and this first transistor T1 is in cut-off state.The grid of this transistor seconds T2 and the 3rd transistor T 3 is high level, and this transistor seconds T2 and the 3rd transistor T 3 are in cut-off state.When theseelectric capacity 270 chargings finished, the base stage of this first transistor T1 was a high level, this first transistor T1 conducting.The grid of this transistor seconds T2 and the 3rd transistor T 3 all by drop-down be low level, this transistor seconds T2 and the 3rd transistor T 3 are in conducting state, first output, 271 beginnings of this soft-start circuit 27 are to load (figure does not show) output 16V direct voltage, and its second output, 272 beginnings are to load output 5V direct voltage.
Compared with prior art,power circuit 20 of the present invention is because adopted this soft-start circuit 27, this soft-start circuit 27 to be arranged between the current rectifying and wave filtering circuit 25 and load of this power circuit 20.When thispower circuit 20 have low flow point and the situation of formerly switching on behind the bringing onto load under when starting, this soft-start circuit 27 is equivalent to a switch.This soft-start circuit 27 at first is in closed condition, at this moment, but thesepower circuit 20 operate as normal.These soft-start circuit 27 conductings then, thispower circuit 20 begins to power to the load by this soft-start circuit 27.Therefore still can operate as normal under thispower circuit 20 situation of formerly switching on behind the bringing onto load.
See also Fig. 4, it is the circuit diagram of soft-start circuit of second execution mode of power circuit of the present invention.This soft-start circuit 37 is roughly the same with the circuit structure of this soft-start circuit 27, its difference is: this first transistor M1 is a N NMOS N-channel MOS N field-effect transistor, its grid is by these first resistance R, 11 ground connection, its source ground, its drain electrode is connected with the grid of this transistor seconds M2.
In first and second execution mode of thispower circuit 20, this transistor seconds T2, M2 and the 3rd transistor T 3, M3 also can be the positive-negative-positive bipolar transistors.In this manual, the base stage of bipolar transistor or the grid of metal oxide semiconductcor field effect transistor are referred to as the control utmost point, the emitter of bipolar transistor or the source electrode of metal oxide semiconductcor field effect transistor are referred to as the first conduction utmost point, and the collector electrode of bipolar transistor or the drain electrode of metal oxide semiconductcor field effect transistor are referred to as the second conduction utmost point.

Claims (9)

1. power circuit, it comprises an AC-DC change-over circuit, one PDM keyer, one switching transistor, one transformer and a current rectifying and wave filtering circuit, under the control of this PDM keyer and this switching transistor, extraneous alternating voltage is successively by this AC-DC change-over circuit, this transformer and this current rectifying and wave filtering circuit change direct voltage into, it is characterized in that: this power circuit also comprises a soft-start circuit, this soft-start circuit is arranged between this current rectifying and wave filtering circuit and the load, this current rectifying and wave filtering circuit comprises one first output and one second output, this soft-start circuit comprises one first resistance, one second resistance, one the 3rd resistance, one electric capacity, one the first transistor, one transistor seconds, one the 3rd transistor, one first output and one second output, this first resistance and this second resistance string are connected between first output and ground of this current rectifying and wave filtering circuit, this electric capacity is in parallel with this first resistance, the control utmost point of this first transistor is by this first grounding through resistance, the first conduction utmost point ground connection of this first transistor, the second conduction utmost point of this first transistor is connected with the control utmost point of this transistor seconds, the control utmost point of this transistor seconds is connected with first output of this current rectifying and wave filtering circuit by the 3rd resistance, the first conduction utmost point of this transistor seconds is connected with first output of this current rectifying and wave filtering circuit, the second conduction utmost point of this transistor seconds is connected with first output of this soft-start circuit, the 3rd transistorized control utmost point is connected with the control utmost point of this transistor seconds, the 3rd transistorized first conduction utmost point is connected with second output of this current rectifying and wave filtering circuit, and the 3rd transistorized second conduction utmost point is connected with second output of this soft-start circuit.
CN2008100671000A2008-05-072008-05-07Power supply circuitExpired - Fee RelatedCN101577493B (en)

Priority Applications (1)

Application NumberPriority DateFiling DateTitle
CN2008100671000ACN101577493B (en)2008-05-072008-05-07Power supply circuit

Applications Claiming Priority (1)

Application NumberPriority DateFiling DateTitle
CN2008100671000ACN101577493B (en)2008-05-072008-05-07Power supply circuit

Publications (2)

Publication NumberPublication Date
CN101577493A CN101577493A (en)2009-11-11
CN101577493Btrue CN101577493B (en)2011-06-15

Family

ID=41272314

Family Applications (1)

Application NumberTitlePriority DateFiling Date
CN2008100671000AExpired - Fee RelatedCN101577493B (en)2008-05-072008-05-07Power supply circuit

Country Status (1)

CountryLink
CN (1)CN101577493B (en)

Families Citing this family (1)

* Cited by examiner, † Cited by third party
Publication numberPriority datePublication dateAssigneeTitle
CN103973093A (en)*2014-05-222014-08-06深圳东科半导体有限公司Nondestructive starting circuit of switching converter

Citations (5)

* Cited by examiner, † Cited by third party
Publication numberPriority datePublication dateAssigneeTitle
US4794508A (en)*1987-12-231988-12-27Dci TechnologyPWM control circuit for a non-symmetrical switching power supply
US5267133A (en)*1990-12-101993-11-30Nec CorporationSwitching power source
CN2240226Y (en)*1995-02-181996-11-13严波Electronic dimming ballast for fluorescent lamp
US5946200A (en)*1995-12-021999-08-31Korea Electrotechnology Research InstituteCirculating current free type high frequency soft switching pulsewidth modulated full bridge DC/DC converter
CN101154881A (en)*2006-09-292008-04-02群康科技(深圳)有限公司Switch power circuit

Patent Citations (5)

* Cited by examiner, † Cited by third party
Publication numberPriority datePublication dateAssigneeTitle
US4794508A (en)*1987-12-231988-12-27Dci TechnologyPWM control circuit for a non-symmetrical switching power supply
US5267133A (en)*1990-12-101993-11-30Nec CorporationSwitching power source
CN2240226Y (en)*1995-02-181996-11-13严波Electronic dimming ballast for fluorescent lamp
US5946200A (en)*1995-12-021999-08-31Korea Electrotechnology Research InstituteCirculating current free type high frequency soft switching pulsewidth modulated full bridge DC/DC converter
CN101154881A (en)*2006-09-292008-04-02群康科技(深圳)有限公司Switch power circuit

Also Published As

Publication numberPublication date
CN101577493A (en)2009-11-11

Similar Documents

PublicationPublication DateTitle
CN104466914B (en)Short-circuit protection circuit and switching power supply and protection method thereof
CN103259514B (en)Gate driver circuit
CN102256087B (en)A kind of low-power consumption standby circuit and television set
CN103178694B (en)Insulated gate bipolar transistor gate driving push-pull circuit
CN102013802B (en)BOOST circuit with short circuit protection function
TWI450491B (en)Motor driving device for protecting inrush current
CN106533144B (en)Anti-reverse and current flowing backwards circuit
CN103379698A (en)LED constant current drive circuit with short-circuit protection
CN103326315B (en)A kind of under-voltage protecting circuit and high voltage integrated circuit
CN105610122A (en)Overvoltage, undervoltage and power-off protection circuit formed by MOS transistor
CN1874133A (en)Full wave bridge type circuit of synchronous rectification
CN208572049U (en) An IGBT control drive protection module
CN103023004A (en)Surge suppression circuit
CN110798199A (en)MOS tube driving circuit
CN101577493B (en)Power supply circuit
CN116545257A (en)Control method of switching circuit and switching circuit
CN105591542B (en)A kind of Buck converters and its reflux control circuit
CN109921615A (en)Instantaneous negative pressure switch-off power metal-oxide-semiconductor driving circuit and driving method
CN203135735U (en)Continuous current plant
CN106849926B (en)Wide-voltage NMOS switch control circuit
JP6137723B1 (en) Non-voltage drop type power supply circuit and its application circuit
CN206041626U (en) a power circuit
CN212695707U (en)MOSFET surge protection circuit
CN205160837U (en)Driver chip and LED constant current drive control circuit
CN211405863U (en)DC-DC conversion circuit

Legal Events

DateCodeTitleDescription
C06Publication
PB01Publication
C10Entry into substantive examination
SE01Entry into force of request for substantive examination
C14Grant of patent or utility model
GR01Patent grant
CF01Termination of patent right due to non-payment of annual fee
CF01Termination of patent right due to non-payment of annual fee

Granted publication date:20110615

Termination date:20210507


[8]ページ先頭

©2009-2025 Movatter.jp