Movatterモバイル変換


[0]ホーム

URL:


CN101498928B - Equipment controlling system and controlling method thereof - Google Patents

Equipment controlling system and controlling method thereof
Download PDF

Info

Publication number
CN101498928B
CN101498928BCN2008101291174ACN200810129117ACN101498928BCN 101498928 BCN101498928 BCN 101498928BCN 2008101291174 ACN2008101291174 ACN 2008101291174ACN 200810129117 ACN200810129117 ACN 200810129117ACN 101498928 BCN101498928 BCN 101498928B
Authority
CN
China
Prior art keywords
controller
control
telepilot
equipment
emergent
Prior art date
Legal status (The legal status is an assumption and is not a legal conclusion. Google has not performed a legal analysis and makes no representation as to the accuracy of the status listed.)
Expired - Fee Related
Application number
CN2008101291174A
Other languages
Chinese (zh)
Other versions
CN101498928A (en
Inventor
金法来
金种旭
Current Assignee (The listed assignees may be inaccurate. Google has not performed a legal analysis and makes no representation or warranty as to the accuracy of the list.)
LG Electronics Inc
Original Assignee
LG Electronics Inc
Priority date (The priority date is an assumption and is not a legal conclusion. Google has not performed a legal analysis and makes no representation as to the accuracy of the date listed.)
Filing date
Publication date
Priority claimed from KR1020080011802Aexternal-prioritypatent/KR101418511B1/en
Application filed by LG Electronics IncfiledCriticalLG Electronics Inc
Publication of CN101498928ApublicationCriticalpatent/CN101498928A/en
Application grantedgrantedCritical
Publication of CN101498928BpublicationCriticalpatent/CN101498928B/en
Expired - Fee Relatedlegal-statusCriticalCurrent
Anticipated expirationlegal-statusCritical

Links

Images

Classifications

Landscapes

Abstract

An equipment controlling system and a controlling method thereof are disclosed. The system includes a first controller connected to equipments of a first group to monitor and control operations of the equipments; and a second controller connected to equipments of a second group to monitor and control operations of the equipments; the first controller emergently controlling the equipments of the second group when the second controller malfunctions, and storing controlled records on all the control operations performed during the emergency control, the first controller transmitting the controlled records to the second controller when the second controller normally works, and the second controller performing the delayed control operations which are not processed on the basis of the received controlled records, and the second controller emergently controlling the equipments of the second group when the first controller malfunctions. When control problem of equipments such as indoor and outdoor unit due to malfunction of a controller is solved, a systemic and consistent control are enabled by consistently controlling the equipments so that control efficiency is enhanced and the equipments are kept in operating to provide a comfortable condition and an improved convenience to a user.

Description

Apparatus control system and control method thereof
Technical field
The present invention relates to apparatus control system and control method thereof, relate more specifically to be used for when the controller that is used to control a plurality of equipment breaks down the apparatus control system and the control method thereof of coming opertaing device by other controllers or the emergency controller that separates.
Background technology
Usually, provide air governor among the equipment that is installed in desired region or the buildings to carry out cooling, heating or air purification, and install air governor with cold air or exhaust of hot air to indoor and purify the air of a room, so that establishment makes the more comfortable indoor environment of people.Air governor work, control has the indoor unit and the outdoor unit with compressor and heat exchanger of heat exchanger respectively thus, and controls the electric power that will be provided to compressor and heat exchanger.
In air governor, a plurality of outdoor units can be connected to a plurality of indoor units.Drive in the outdoor unit at least one corresponding to the number of the indoor unit that drives,, make air governor in refrigerating mode or heating mode, work to provide cold-producing medium to indoor unit based on the necessary operations pattern.
In air governor, when telepilot broke down, the equipment that is connected to telepilot can not be worked according to objective plan table (schedule), and further, equipment is not worked, and makes the user may run into inconvenience.
Especially, under situation about the power consumption of equipment being controlled by telepilot, when telepilot because fault and can not opertaing device the time, power consumption can surpass target power consumption.
In apparatus control system, air governor comprises the controller that is used for controlling from central authorities a plurality of indoor units and outdoor unit, and comes opertaing device integrally by controller.When controller breaks down in this system, described equipment cisco unity malfunction or can not make the user may run into inconvenience according to objective plan table work.
Summary of the invention
The purpose of this invention is to provide a kind of air governor and control method thereof, this air governor uses the controller of a plurality of groupings to control to comprise respectively a plurality of equipment of indoor unit and outdoor unit, use another controller to come opertaing device on a crash basis when having the controller that breaks down, and described control device regulator also comprise the emergency controller that is used for opertaing device on a crash basis so that can carry out steady and consistent control and arrestment not to equipment with box lunch.
The invention provides a kind of apparatus control system, it comprises first controller, is connected to first group of equipment to monitor and to control the operation of these equipment; And second controller, be connected to second group of equipment to monitor and to control the operation of these equipment; First controller is controlled second group of equipment on a crash basis when second controller breaks down, and the controlled recording of all control operations of the emergent control period execution of storage, when the second controller operate as normal, first controller is sent to second controller with controlled recording, and second controller is carried out not processed and control operation that postpone based on the controlled recording that receives, and second controller is controlled first group of equipment on a crash basis when first controller breaks down.
The invention provides a kind of emergency control method of apparatus control system, it comprises the fault that is identified for controlling second controller of second group of equipment by first controller that is used to control first group of equipment; Emergent control data based on storage is controlled second group of equipment on a crash basis; Storage is about the controlled recording of all control operations of the emergent control period execution of second group of equipment; And described controlled recording is sent to described second controller from described first controller, and remove emergent control to the equipment of described second controller in the described second controller normal work period.
According to apparatus control system of the present invention and control method thereof, when in a plurality of controllers any one breaks down, other controllers or emergency controller are controlled the equipment of the controller that breaks down on a crash basis to prevent by the caused damage of this fault, to make it possible to carry out system and consistent control by opertaing device as one man, make control efficiency be enhanced and equipment maintenance work so that the comfortable condition and the convenience of improvement to be provided to the user.
Description of drawings
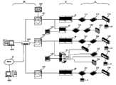
Accompanying drawing is included to provide to further understanding of the present invention, and accompanying drawing is merged in the application and constitutes the application's a part, its diagram embodiments of the invention, and be used for explaining principle of the present invention with instructions.In the accompanying drawings:
Fig. 1 is the system diagram that illustrates according to the apparatus control system of the embodiment of the invention;
Fig. 2 is the system diagram that illustrates according to the emergent operation circuit of the apparatus control system of the first embodiment of the present invention;
Fig. 3 is the system diagram that the emergent operation circuit of apparatus control system according to a second embodiment of the present invention is shown;
Fig. 4 is the system diagram of emergent operation circuit that the apparatus control system of a third embodiment in accordance with the invention is shown;
Fig. 5 is the block diagram that illustrates according to the configuration of the telepilot of first to the 3rd embodiment of the present invention;
Fig. 6 is the block diagram that the outdoor unit among the present invention is shown;
Fig. 7 is the system diagram that the apparatus control system of a fourth embodiment in accordance with the invention is shown;
Fig. 8 is the system diagram that apparatus control system according to a fifth embodiment of the invention is shown;
Fig. 9 is the system diagram that apparatus control system according to a sixth embodiment of the invention is shown;
Figure 10 illustrates according to the telepilot of the 4th to the 6th embodiment of the present invention and the block diagram of emergency controller;
Figure 11 is the process flow diagram that illustrates according to the fault self-diagnosis method of the telepilot in the apparatus control system of first to the 3rd embodiment of the present invention;
Figure 12 is the process flow diagram that illustrates according to the emergency control method of the telepilot in the apparatus control system of first to the 3rd embodiment of the present invention;
Figure 13 is the process flow diagram that illustrates according to another emergency control method of the telepilot in the apparatus control system of first to the 3rd embodiment of the present invention;
Figure 14 is the process flow diagram that illustrates according to the method for operating of the emergency controller of the 4th to the 6th embodiment of the present invention; And
Figure 15 is the process flow diagram that illustrates according to the operation start method of the telepilot after the fault recovery of the telepilot in the apparatus control system of the 4th to the 6th embodiment of the present invention.
Embodiment
Describe embodiments of the invention in detail below with reference to accompanying drawing.
Fig. 1 is the system diagram that illustrates according to the apparatus control system of the embodiment of the invention.
As shown in Figure 1, comprise at least one the outdoor unit O that is installed at least one indoor indoor unit I and is connected to indoor unit I according to the apparatus control system of the embodiment of the invention, wherein this outdoor unit O comprises compressor and heat exchanger.In addition, apparatus control system also comprises and is connected to outdoor unit O or indoor unit I to monitor the controller of its mode of operation.At this, controller comprises local controller LRC, telepilot RC and telechiric device R.Where necessary, controller can comprise the divider that is installed between outdoor unit O and the indoor unit I.
In addition, apparatus control system can also comprise other equipment, and as ventilating system, humidifier, air purifier, well heater etc., it is integrally controlled by controller.Yet by considering indoor unit and outdoor unit are connected to the situation of controller, the present invention will be illustrated as the example of equipment with indoor unit I and outdoor unit O, but the present invention can be applied to additionally connect the situation of such equipment.
Outdoor unit O comprises: compressor receives and compressed refrigerant; Outdoor heat converter carries out heat interchange between cold-producing medium and surrounding air; Accumulator (accumulator) is extracted gas refrigerant so that gas refrigerant is supplied to compressor from the cold-producing medium of supplying with; And four-way valve, select the path of cold-producing medium according to heating mode.Outdoor unit O comprises: high pressure sensor, measure the pressure of the cold-producing medium that goes out from compressor discharge; And low pressure sensor, measurement will be fed into the pressure of the cold-producing medium of compressor.In addition, outdoor unit O also comprises a plurality of sensors, valve and oil skimmer, but has omitted the explanation to them.
Indoor unit I comprises expansion valve and a plurality of sensor that indoor heat converter, indoor fan, the cold-producing medium of supplying with from outdoor unit O expand therein.
At least one indoor unit I can be installed in indoor, and the requirement according at least one indoor unit I drives one or more outdoor unit O, and the number of outdoor unit O changes the indoor unit I that drives with response with the number that is installed in the compressor among the outdoor unit O along with the change of cooling ability.At this, corresponding to the capacity of the compressor of the number of the indoor unit that stops and installation, the number of outdoor unit can change according to the ability of cooling and/or heating.
Outdoor unit O and indoor unit I are connected to each other via refrigerant pipe, carry out cooling or heating operation when flowing between outdoor unit O and indoor unit I with convenient cold-producing medium and transmit and receive data mutually with the communication mode of expecting.
Telepilot RC is connected to indoor unit I and outdoor unit O.Telepilot RC transmits and receives data with the communication mode of expectation and creates control command so that control command is sent to indoor unit and outdoor unit with the operation that monitors indoor unit I and outdoor unit O and in response to user command, makes the operation of indoor unit and outdoor unit performing expectation.At this, telepilot RC comprises the converter or the gateway of the data that are used to change different agreement.
In this case, a plurality of telepilot RC can be connected to indoor unit I and outdoor unit O, make telepilot RC be connected to each other to transmit and to receive data and shared data, so that control indoor unit and outdoor unit.
At this, first to the 3rd telepilot RC1 to RC3 is connected respectively to the group of indoor unit and outdoor unit, is connected to each other by specific sharing means H13, and is connected to the 4th telepilot RC10 by sharing means H13.
The first telepilot RC1 is connected to first to the 6th indoor unit I11 to I13 and the I21 to I23 and first and second outdoor unit O1 and the O2, and the second telepilot RC2 is connected to the 7th to the 13 indoor unit I31 to I33 and the I41 to I44 and third and fourth outdoor unit O3 and the O4.The 3rd telepilot RC3 is connected to the 15 to the 17 indoor unit I51 to I53 and the 5th outdoor unit O5.
As mentioned above, first to the 3rd telepilot RC1 to RC3 is connected to indoor unit and outdoor unit with the mode of operation that monitors each equipment and control each equipment.
In this case, the 4th telepilot RC10 monitors the information of from first to the 3rd telepilot RC1 to RC3 equipment that receive, that be connected to each telepilot, and controls these equipment by first to the 3rd telepilot RC1 to RC3.At this, the 4th telepilot RC10 integrally controls all devices.The 4th telepilot RC10 integrally is operatively connected to all devices of first to the 3rd telepilot RC1 to RC3.
Telechiric device R is connected to indoor unit and controls indoor unit with the mode of operation of the indoor unit of demonstration connection and according to user's order.Telechiric device R is connected to the wired remote control device of indoor unit with the execution two-way communication with Wireline, or control command is input to the wireless remote controller of indoor unit with the radiolink of expectation.
Telechiric device R is connected to single indoor unit or a plurality of indoor unit.Be connected under the situation of a plurality of indoor units, telechiric device shows any one mode of operation in a plurality of indoor units and identical control command is sent to a plurality of indoor units of connection.
Local controller LRC and telechiric device are connected to a plurality of indoor units and outdoor unit with control these a plurality of indoor units and outdoor unit and monitor its mode of operation.In this case, be equal to or less than can be by the number of the indoor unit of telepilot control for the number of local controller LRC.Where necessary, the local controller indoor unit of control linkage only.
Below, similar or identical Reference numeral is given similar or identical assembly with term allocation, and omits the explanation to them.
Fig. 2 is the system diagram that illustrates according to the emergent operation circuit of the apparatus control system of the first embodiment of the present invention.
With reference to figure 2, Pei Zhi apparatus control system is connected to and other the different telepilots of telepilot that are connected to each indoor unit and each outdoor unit by emergent operation circuit L11 to L13 as shown in Figure 1.
Be connected to first to the 6th indoor unit I11 to I13 of the first telepilot RC1 and I21 to I23 and the first and second outdoor unit O1 and O2 and be connected to the second telepilot RC2 by the second emergent operation circuit L12.In addition, the 3rd telepilot RC3 is connected to the 7th to the 13 indoor unit I31 to I33 and the I41 to I44 and the third and fourth outdoor unit O3 and the O4 of second telepilot by the 3rd emergent operation circuit L13.The first telepilot RC1 is connected to the equipment that is connected with the 3rd telepilot RC3, i.e. the 14 to the 16 indoor unit I51 to I53 and the 5th outdoor unit O5 by the first emergent operation circuit L11.At this, the order of connection by emergent operation circuit between each telepilot illustrated in the accompanying drawings and indoor unit and the outdoor unit is illustrative example, and can make amendment where necessary, and the first telepilot RC1 can be connected to the equipment of second telepilot.
In this case, first to the 3rd emergent operation circuit L11 to L13 can be the identical communications cable of the communications cable with the outdoor unit that is connected to telepilot by it.
At this, other telepilots are assigned to each telepilot that is connected to apparatus control system except specific telepilot, and for example when first telepilot broke down, emergent control of an execution or the 4th telepilot in second telepilot and the 3rd telepilot can be carried out emergent control where necessary.
First to the 3rd telepilot RC1 to RC3 and indoor unit that is connected substantially and outdoor unit communicate monitoring and the operation of control indoor unit and outdoor unit, and control indoor unit and the outdoor unit that is attached thereto on a crash basis by the operation circuit of meeting an urgent need when needing emergent control.
In other words, first telepilot RC1 control first to the 6th indoor unit I11 to I13 and the I21 to I23 and first and second outdoor unit O1 and the O2, and break down and equipment is controlled the 14 to 16 indoor unit I51 to I53 and the 5th outdoor unit O5 on a crash basis by the first emergent operation circuit L11 can not Be Controlled the time as the 3rd telepilot RC3 simultaneously.In addition, the second telepilot RC2 is operatively connected to the equipment of the first telepilot RC1 on a crash basis by the second emergent operation circuit L12 when the first telepilot RC1 breaks down.
At this, first to the 3rd telepilot RC1 to RC3 is connected to each other and intercoms periodically to carry out mutually, and disconnects when continuing Preset Time by determining that corresponding telepilot breaks down opertaing device on a crash basis when communicating by letter.
In addition, when by emergent operation circuit when outdoor unit or indoor unit receive emergent control request, first to the 3rd telepilot RC1 to RC3 determines that corresponding telepilot breaks down to carry out emergent control.
When existence was connected to the 4th high-rise telepilot RC10, first to the 3rd telepilot RC1 to RC3 controlled the equipment of respective remote control when receiving the information of the telepilot that breaks down from the 4th telepilot RC10.
In this case, when carrying out emergent control, first to the 3rd telepilot RC1 to RC3 storage is about the controlling recording of relevant device, and when the telepilot operate as normal that breaks down the transmission controlling recording.At this, the controlling recording of emergent control can be sent to the 4th telepilot RC10.
Fig. 3 is the system diagram that the emergent operation circuit of apparatus control system according to a second embodiment of the present invention is shown.
As shown in Figure 3, in apparatus control system, because a plurality of outdoor units, indoor unit and telepilot are connected to each other by emergent operation circuit L21 to L23, so when in the telepilot any one breaks down, control the equipment of respective remote control on a crash basis by other telepilots.First to the 3rd telepilot RC1 to RC3 is connected to each other by specific sharing means H13.
Be connected to first to the 6th indoor unit I11 to I13 of the first telepilot RC1 and I21 to I23 and the first and second outdoor unit O1 and O2 and be connected to sharing means H13 by the 4th emergent operation circuit L21.In addition, the the 7th to the 13 indoor unit I31 to I33 of second telepilot and I41 to I 44 and the third and fourth indoor unit O3 and O4 are connected to sharing means by the 5th emergent operation circuit L22, and the 14 to the 16 indoor unit I51 to I53 and the 5th outdoor unit O5 that are connected to the 3rd telepilot RC3 are connected to sharing means H13 by the 6th emergent operation circuit L23.
In this case, when each outdoor unit was connected to sharing means, the gateway of expectation can also be connected to each emergent operation circuit.In addition, gateway can be built in the sharing means.
At this, carry out data communication with reference to figure 2 described first to the 3rd telepilot RC1 to RC3 with telepilot above, the emergent control of request outdoor unit or indoor unit, determine the telepilot that breaks down according to the information of the 4th telepilot RC10, and the equipment of the telepilot that breaks down is carried out emergent control.In addition, the 4th telepilot RC10 can receive the request from outdoor unit or indoor unit, and the information of the telepilot that breaks down can be sent to normal telepilot.
In this case, first to the 3rd telepilot RC1 to RC3 uses each emergent operation circuit to control indoor unit and outdoor unit on a crash basis by sharing means H13.Where necessary, the 4th telepilot RC10 can control the equipment of the telepilot that breaks down on a crash basis.
At this, when among first to the 3rd telepilot RC1 to RC3 any one breaks down can not Be Controlled the time, any one in the telepilot of operate as normal controlled the equipment of the telepilot that breaks down on a crash basis.
In this case, the less normal remote control device of controlled load is carried out emergent control according to the quantity of controlled load among first to the 3rd telepilot RC1 to RC3.In addition, arbitrary telepilot can be carried out emergent control with particular order, and perhaps the telepilot that is distributed by the 4th telepilot RC10 can be carried out emergent control.The basis that selection is used for the telepilot of emergent control can change according to predetermined rule.
Fig. 4 is the system diagram of emergent operation circuit that the apparatus control system of a third embodiment in accordance with the invention is shown.
Be connected to each other by emergent operation circuit with reference to figure 4, the first to the 3rd telepilot RC1 to RC3, and control equipment such as indoor unit and outdoor unit by each emergent operation circuit.
The first telepilot RC1 is connected to the 3rd telepilot RC3 by the 7th emergent operation circuit L31, and is connected to the second telepilot RC2 by the 8th emergent operation circuit L32.The second telepilot RC2 is connected to the 3rd telepilot RC3 by the 3rd emergent operation circuit L33.
By doing like this, when the first telepilot RC1 broke down, the second telepilot RC2 or the 3rd telepilot RC3 were operatively connected to first to the 6th indoor unit I11 to I13 and the I21 to I23 and first and second outdoor unit O1 and the O2 of the first telepilot RC1 on a crash basis.In this case,, carry out the telepilot of emergent control and select with reference to as described in the figure 3 as top by pre-defined rule., can not connect the first emergent operation circuit L31 therebetween, and in this case, under the situation that the first telepilot RC1 breaks down, carry out emergent control by the second telepilot RC2.
At this, first to the 3rd telepilot RC1 to RC3 comprises the coupling arrangement of expectation so that the operation circuit of will meeting an urgent need is connected to the communication line of indoor unit and outdoor unit.Because the communication line of indoor unit and outdoor unit is electrically connected to emergent operation circuit, so when the emergent control of needs, enable communication.In this case, if between the agreement of communication line that is used for indoor unit and outdoor unit and emergent operation circuit, there are differences, then communication line is connected to emergent control line by converter or the gateway that provides in the telepilot, and data-switching is become to be suitable for agreement so that transmit.
Fig. 5 is the block diagram that illustrates according to the configuration of the telepilot of first to the 3rd embodiment of the present invention.
As shown in Figure 5, the telepilot RC according to first to the 3rd embodiment of the present invention comprisesdata cell 60,input block 10,output unit 20,control module 40,communication unit 30,emergent control module 50,fault determining unit 70,emergency data unit 60 andinterface 90.
The configuration of telepilot can be applied to first to the 3rd telepilot RC1 to RC3, in case of necessity even can be applied to the 4th telepilot RC10.
Data cell 60 storage about the controlled data of the indoor unit that connects and controlled data, planning chart data and the power-controlled data of outdoor unit and other equipment, the preset data that drives telepilot RC, telepilot RC and be used for to indoor unit and outdoor unit transmit data and from its receive data address date and will to indoor unit and outdoor unit transmits and will be from the data of its reception.In addition,data cell 60 storages form data and sound effect data from the screen ofoutput unit 20 outputs.
On the other hand,emergency data unit 80 storage is from the emergency data that another telepilot receives, and promptly is used to control the data of the equipment of another telepilot.Emergency data unit 80 is stored in the priority data of the control operation that at first will be performed when carrying out emergent control together.In this case, be updated periodicallyemergency data unit 80 by communicating with other telepilots.Emergency data unit 80 is distinguished according to each telepilot and the emergent control data of storage, and is used for the address information that communicates by emergent operation circuit and indoor unit and outdoor unit.
Input block 10 comprises at least one data input device, so that import data by pushing or touching, andinput block 10 will be imported data and be applied to controlmodule 40.
Output unit 20 comprises display device and show the mode of operation of indoor unit I or outdoor unit O on screen.In this case,output unit 20 can also be loudspeaker or lamp, so that export alarm song or sound effect during operation or come show state so that turn on and off lamp.
Communication unit 30 comprises the communication module that is used at least one agreement, data being sent to indoor unit and outdoor unit and receiving data from indoor unit and outdoor unit, and the external reference handled by the Internet of communication unit 30.Communication unit 30 receives data the control command ofcontrol module 10 is sent to equipment such as indoor unit and outdoor unit and other telepilots by data being sent to equipment and slave unit, andcommunication unit 30 receives the operational state data of each equipment.
In this case,communication unit 30 can transmit and receive the data of different agreement during carrying out data communication and external reference with indoor unit or outdoor unit, ventilating system or air purifier, andcommunication unit 30 can also comprise and is used for the converter of translation data or gateway between different agreement in case of necessity.
In addition,communication unit 30 also comprises interface, communication line splicing ear and the emergent operation circuit splicing ear with digital input and output terminal.In this case,communication unit 30 comprises that also coupling arrangement is to switch the electrical connection between communication line splicing ear and the emergent operation circuit splicing ear.Communication line is connected to the communication line splicing ear from indoor unit and outdoor unit, and emergent operation circuit is connected to emergent operation circuit splicing ear.If be different from communication with communicating by letter of indoor unit and outdoor unit, then can realize connecting by converter or gateway by emergent operation circuit.In this case, communication line splicing ear and emergent operation circuit splicing ear are connected to each other by the switching of coupling arrangement.
Fault determiningunit 70 is determined the fault of other telepilots according to any one data that receive from indoor unit or outdoor unit, other telepilots and the 4th telepilot.In this case,fault determining unit 70 determine by as Fig. 2 extremely the emergent operation circuit of connection shown in Figure 4 break down from the corresponding telepilot that indoor unit, outdoor unit and other telepilots receive its emergent control request signal, and the result is sent to control module 40.In addition, when failure message that receives other telepilots from the 4th telepilot RC10 or emergent control command,fault determining unit 70 determines that corresponding telepilot breaks down.
Fault determiningunit 70 is carried out the fault self-diagnosis of telepilot according to the data that transmit and receive by communication unit 30.In other words, when the specific communications mouth that provides in bycommunication unit 30 did not transmit and do not receive data yet and continue a Preset Time,fault determining unit 70 can determine that spontaneously telepilot breaks down.When fault be confirmed as self diagnosis as a result the time,fault determining unit 70 is sent toemergent control module 50 with the signal of indication fault.
At this, itself determining fault byfault determining unit 70 or receiving under the situation of other telepilot out of order signals of indication, though when telepilot because when the defective of telepilot or unusual and cisco unity malfunction and the fault that when telepilot operate as normal the problem owing to the communication line that is connected to indoor unit or outdoor unit of communicating by letter disconnects, can determine telepilot.In other words, when existence between the first telepilot RC1 and the first outdoor unit O1 can not be carried out mutual data transmission about the problem of connecting line is feasible, because the first telepilot RC1 can not control the first outdoor unit O1, so even also can carry out emergent control by other telepilots in this case.
Control module 40 is handled bycommunication unit 30 data that transmit and that receive, input and output byinput block 10 andoutput unit 20 control datas are with the equipment of control such as indoor unit and outdoor unit, and show the mode of operation of each equipment by output unit20.Control module 40 is in response to creating control command by the user command ofinput block 10 inputs, make each equipment carry out predetermined operations, transmit control commands bycommunication unit 30, and will be about the recording storage of the data that will be transmitted and receive indata cell 60.
Control module 40 is controlledemergent control module 50 in response to definite result offault determining unit 70, carries out emergent control with the equipment to the telepilot that breaks down.In this case,control module 40control output units 20 are to be presented at the operational state data that emergent control period receives from emergent control module 50.In addition,control module 40 is sent to the 4th telepilot RC10 to notify emergent control with operational state data.
In addition, the emergent control data that controlmodule 40 controlemergency data unit 80 periodically receive from other telepilots bycommunication unit 30 with storage, if and break down then create emergent control data about the control that will be performed, control data is sent to other telepilots meeting an urgent need.
Emergent control module 50 is carried out emergent control in response to the control command ofcontrol module 40 by emergent operation circuit.Indoor unit and outdoor unit thatemergent control module 50 uses the emergency data that is stored in theemergency data unit 80 and address information to control the telepilot that breaks down on a crash basis, at first carry out the high priority control operation of a plurality of control operations, and carry out the low priority control operation subsequently.Emergent control module 50 controlemergency data unit 80 are to store the controlled recording about all control operations of carrying out at emergent control period.Emergent control module 50 is stored in the data that emergent control period receives from indoor unit and outdoor unit, and the operational state data that receives is applied to controlmodule 40, makes to be output byoutput unit 20 by the indoor unit of emergent control and the mode of operation of outdoor unit.
When the telepilot that breaks down is resumed and during operate as normal,emergent control module 50 removes emergent control and the controlled recording of control store inemergency data unit 80 is sent to corresponding telepilot.
In addition, when the self diagnosis result asfault determining unit 70 had determined that telepilot breaks down,emergent control module 50 self was carried out emergent control or is asked other telepilots to carry out emergent control.When having determined fault by self diagnosis,emergent control module 50control output units 20 are with the message or the alarm song of output expectation.
Fig. 6 is the block diagram that the outdoor unit among the present invention is shown.
With reference to figure 6, with reference to figure 1 described outdoor unit O comprise be used for cold-producing medium be provided to indoor unit outdoor heat converter and compressor, be used for that data are sent to indoor unit and telepilot and receiveoutdoor communication unit 230, be used for controlling theoutdoor control unit 220 of compressor and outdoor heat converter and being used to store the control compressor and theoutdoor data unit 240 of the control data that heat exchanger is required based on data from the data of indoor unit and telepilot.
Outdoor communication unit 230 comprises: communication terminal, and communication line is connected to described communication terminal from the telepilot that connects; And emergent operation circuit communication terminal, emergent operation circuit is connected to described emergent operation circuit communication terminal.Emergent operation circuit communication terminal is not used in the common slave mode, and is used for communicating at emergent control period and other telepilots.
In addition, outdoor unit O comprises unusual determiningunit 210, is used for determining in response to the data that transmit and receive byoutdoor communication unit 230 fault of telepilot.This configuration can be applied to indoor unit I.
When not receiving response when continuing Preset Time from telepilot RC; unusual determiningunit 210 is determined the unusual of telepilots or because the fault that the problem of communication line produces, and operational state data is sent to telepilot RC byoutdoor communication unit 230 and from telepilot RC reception control command simultaneously.
At this, when unusual determiningunit 210 determined that telepilots break down,outdoor control unit 220 was sent to other telepilots by the emergent operation circuit control request signal of will meeting an urgent need.At this, in the above under the connection status with reference to figure 3 described emergent operation circuits, theoutdoor control unit 220 control request signal of will meeting an urgent need is sent to the 4th telepilot.
After emergent control request,outdoor control unit 220 is according to controlling outdoor unit by emergent operation circuit from the response of the telepilot that connects.
Fig. 7 is the system diagram that the apparatus control system of a fourth embodiment in accordance with the invention is shown.
With reference to figure 7,, comprise at least one indoor unit I, at least one outdoor unit O and controller according to the apparatus control system of fourth embodiment of the invention with top similar described in first to the 3rd embodiment.At this, controller comprises local controller LRC, telepilot RC and telechiric device R.Apparatus control system also comprises emergency controller SC, and it is connected to controller to control indoor unit I and outdoor unit O on a crash basis when controller breaks down.
In the 4th embodiment, shown in Fig. 7 A and 7B, the first telepilot RC1 is connected to the first and second outdoor unit O1 and O2 and first to the 6th indoor unit I11 to I13 and I21 to I23 to monitor and to control them.
Therebetween, shown in Fig. 7 A, emergency controller SC is connected to the first telepilot RC1 periodically data are sent to the first telepilot RC1 and the reception data from the first telepilot RC1, and when the first telepilot RC owing to unusually breaking down, emergency controller SC is operatively connected to first to the 6th indoor unit I11 to I13 and the I21 to I23 and first and second outdoor unit O1 and the O2 of the first telepilot RC1.
In this case, emergency controller SC is connected to outdoor unit O and indoor unit I by the splicing ear that provides among the first telepilot RC1.Emergency controller SC can be connected to outdoor unit O and indoor unit I by the coupling arrangement that provides among the telepilot RC and switch according to the mode of operation of the first telepilot RC1.
In other words, when the emergent control of needs, the communication line between indoor unit I and the outdoor unit O is electrically connected to the communication line between the emergency controller SC and the first telepilot RC1, makes the communication that is used for emergent control be activated.In this case, when the agreement between indoor unit and the outdoor unit is different from agreement between the emergency controller SC and the first telepilot RC1, communication line is connected to each other by converter or the gateway that provides in the emergency controller SC or the first telepilot RC1, and comes translation data so that transmit according to agreement.
Shown in Fig. 7 B, emergency controller SC can be connected between the first telepilot RC1 and indoor unit I and the outdoor unit O.In this case, emergency controller SC can comprise other communication terminal that are used for the communication terminal that communicates with indoor unit I and outdoor unit O and are used for communicating with the first telepilot RC1, and also can comprise the converter or the gateway of the data that are used to change different agreement in case of necessity.
As mentioned above, emergency controller SC can be directly connected to the first telepilot RC1 or be connected indoor unit I and outdoor unit O between.
Fig. 8 is the system diagram that apparatus control system according to a fifth embodiment of the invention is shown.
As shown in Figure 8, in apparatus control system, when a plurality of telepilot RC1 to RC3 were connected, emergency controller SC2 was connected to any one among the telepilot RC.The assembly of describing among other assemblies and the 4th embodiment with reference to figure 7 is identical and therefore omit explanation.
At this, as described in first to the 3rd embodiment, first to the 3rd telepilot RC1 to RC3 is connected to the group of indoor unit and outdoor unit, and the sharing means H13 by expectation is connected to each other, and is connected to the 4th telepilot RC10 by sharing means H13.First to the 3rd telepilot RC1 to RC3 is connected to indoor unit or mode of operation and the operation of outdoor unit to monitor each equipment as mentioned above.
In addition, apparatus control system can also comprise that the 4th telepilot RC10 that is connected to first to the 3rd telepilot RC1 to RC3 is so that control integrally perhaps can comprise the 5th telepilot RC20 that is attached thereto by the Internet where necessary.At this, the 4th telepilot RC10 integrally is operatively connected to all devices of first to the 3rd telepilot RC1 to RC3.The the 4th and the 5th telepilot RC10 and RC20 are by first to the 3rd telepilot RC1 to the RC3 opertaing device.
On the other hand, emergency controller SC2 is connected to the first telepilot RC1 the equipment in first group is carried out emergent control.
At this, emergency controller SC2 can be connected to other telepilots that are different from the first telepilot RC1, and be connected to second to the 5th telepilot RC2, RC3, RC10 and RC20, and emergency controller SC2 can use the equipment of controlling other telepilots on a crash basis that interconnects between first to the 3rd telepilot RC1 to RC3.
In other words, emergency controller SC2 can use the connection between the first telepilot RC1 and the second telepilot RC2 to control second group of equipment on a crash basis during the second telepilot RC2 breaks down.In this case, emergency controller SC2 can be according to from the emergent control request of the 4th or the 5th telepilot RC10 or RC20, come operational outfit from the emergent control request of equipment with from the emergent control request of the first telepilot RC1.
Fig. 9 is the system diagram that apparatus control system according to a sixth embodiment of the invention is shown.
As shown in Figure 9, apparatus control system can comprise the emergency controller SC3 that is connected to first to the 3rd telepilot RC1 to RC3 by sharing means H13.The assembly of describing among other assemblies and the 6th and the 7th embodiment with reference to figure 7 and Fig. 8 is identical, and omits their explanation.
As mentioned above, first to the 3rd telepilot RC1 to RC3 is connected to each other by sharing means H13 and is connected to emergency controller SC3 by same sharing means.In this case, first to the 3rd group the equipment that is connected to first to the 3rd telepilot RC1 to RC3 is connected to emergency controller SC3 by emergent operation circuit L61 to L63.
First group of equipment, promptly be connected to first to the 6th indoor unit I11 to I13 of the first telepilot RC1 and I21 to I23 and the first and second outdoor unit O1 and O2 and be connected to emergency controller SC3 by the first emergent operation circuit L61, and second group of equipment promptly is connected to the 7th to the 13 indoor unit I31 to I33 of second telepilot and I41 to I44 and the third and fourth outdoor unit O3 and O4 and is connected to emergency controller SC3 by the second emergent operation circuit L62.The 3rd group equipment, the 14 to the 16 indoor unit I51 to I53 and the 5th outdoor unit O5 that promptly are connected to the 3rd telepilot RC3 are connected to the 3rd emergency controller SC3 by the 3rd emergent operation circuit L63.At this, the emergent order of connection of operation circuit between each equipment and emergency controller of passing through as shown in the figure only is an individual example, and can change along with the change of environment.
First to the 3rd emergent operation circuit L61 to L63 can use the communication line identical with the communication line that connects devices to telepilot.
When in the equipment at least one need be controlled on a crash basis, emergency controller SC3 controlled indoor unit and the outdoor unit that is attached thereto by emergent operation circuit on a crash basis.In this case, emergency controller SC3 is independent of each telepilot and works, the data that storage is distinguished and separated according to each telepilot, and, use emergent operation circuit that equipment is carried out emergent control according to emergent control request from the 4th or the 5th telepilot RC10 or RC20, each equipment and each telepilot RC1 to RC3.
In addition, emergency controller SC3 can be sent to high-rise telepilot with the controlled recording of control period that equipment is met an urgent need and the operational state under the emergent control, i.e. the 4th or the 5th telepilot RC10 or RC20.
Figure 10 illustrates according to the telepilot of the 4th to the 6th embodiment of the present invention and the block diagram of emergency controller.
With reference to Figure 10, comprisedata cell 60,input block 10,output unit 20,control module 40,communication unit 30 andinterface 90 according to the telepilot RC of the 4th to the 6th embodiment of the present invention.This configuration can be applied among first to the 3rd telepilot RC1 to RC3.This configuration can be applied among the 4th telepilot RC10 where necessary.In this case because identical term and Reference numeral be assigned to Fig. 5 in the identical assembly of assembly of telepilot, so omit their explanation.Yet Figure 10 illustrates the example of the emergency controller that connects as shown in Figure 7 and Figure 8.
Communication unit 30 comprises the communication module relevant with at least one communication, and transmits data and receive data from it to other telepilots (i.e. first to the 3rd telepilot RC1 to RC3 or the 4th and the 5th telepilot RC10 and RC20).In this case,communication unit 30 processing are by the external reference of the Internet.In other words, the communication unit of first to fourth telepilot RC1 to RC3 and RC10 is handled the visit of passing through the Internet of the 5th telepilot RC20.In addition,communication unit 30 receives data to the equipment transmission data that comprises indoor unit and outdoor unit with from it, so that send from the control command of controllingunit 40, andcommunication unit 30 receives the mode of operation of each equipment.
Interface 90 comprises digital input and output terminal, communication line splicing ear and emergency wiring splicing ear.In case of necessity,interface 90 can be included in the communication unit.
The 4th described such when being connected emergency controller SC when in conjunction with reference to figure 7 and Fig. 8 with the 5th embodiment,interface 90 comprises and is used for communication line being connected to the communication line splicing ear of outdoor unit and indoor unit and being used for emergent operation circuit is connected to the emergent operation circuit splicing ear of emergency controller SC, and comprises the coupling arrangement that is used for coming by switching the electrical connection between the switched terminal.In this case, the communication line splicing ear is connected to the communication line of indoor unit and outdoor unit, and emergent operation circuit splicing ear is connected to the communication line of emergency controller SC.If be different from and the communicating by letter of emergency controller with communicating by letter of indoor unit and outdoor unit, then terminal can be connected to each other by converter or gateway.In this case, communication line splicing ear and emergent operation circuit splicing ear are connected to each other according to the switching of coupling arrangement.
Control module 40 is handled the data that transmit or receive bycommunication unit 30, control is by the data input and output ofinput block 10 andoutput unit 20, such as the operation of the equipment of indoor unit and/or outdoor unit, andcontrol output unit 20 shows its modes of operation.
In addition,control module 40 is created the emergent control data about the control operation that will be performed between the emergence period in fault, and the emergent control data of being created is sent to emergency controller SC.When described such when being connected emergency controller SC with reference to figure 7 and Fig. 8,control module 40 transmits emergent control data byinterface 90, and periodically transmits and receive data according to connection status.
When connecting emergency controller as shown in Figure 9,control module 40 is sent to emergency controller SC bycommunication unit 30 control data of will meeting an urgent need.Where necessary, after data were sent to the 4th telepilot RC10, data can be sent to emergency controller SC by the 4th telepilot RC10.
In this case, emergent control data comprises the control operation that will be performed, be used for the address information, planning chart data and the power control information that communicate with outdoor unit O and indoor unit I, particularly about the high priority control operation that at first will be performed and the priority data of low priority control operation.
Therebetween, emergency controller SC comprises theinterface 110 that is connected to telepilot RC,emergent control module 120,emergency data unit 130 andcommunication unit 140.
In this case, as shown in Figure 7 and Figure 8, theinterface 110 of emergency controller SC is connected to the situation of telepilot corresponding to emergency controller SC, and theinterface 90 that is connected to telepilot RC is periodically to transmit and to receive data.
Therebetween, connecting under the situation of emergency controller SC in as shown in Figure 9 mode,interface 110 is connected to telepilot RC by communication unit 140.Thecommunication unit 140 of emergency controller SC is connected to each equipment by emergent operation circuit.
Emergent control module 120 periodically communicates with the emergent control data of reception from telepilot RC with telepilot RC byinterface 110 orcommunication unit 140, and the control data of will meeting an urgent need is stored in the emergency data unit 130.During communicating with a plurality of telepilots shown in Fig. 8 or 9, emergency controller SC distinguishes and stores emergent control data according to each telepilot.
Emergent control module 120 is determined the fault of telepilot RC according to the communications status ofinterface 110 orcommunication unit 140, and the equipment that is attached thereto is carried out emergent control.During periodically communicating with telepilot RC, when not receiving response when continuing Preset Time from telepilot RC, when receiving emergent control request from equipment such as outdoor unit and indoor unit, when receiving emergent control request from other controllers that are connected to high-rise telepilot RC, perhaps when receiving emergent control request from telepilot RC,emergent control module 120 is determined that telepilot RC break down and is comprised the equipment of indoor unit and outdoor unit with control on a crash basis.
In other words, under situation as Fig. 7 connection extremely shown in Figure 9, when with do not receive response when continuing Preset Time during the telepilot that is connected periodically communicates from the first telepilot RC1,emergent control module 120 determines that telepilot RC1 breaks down to control the equipment of this telepilot on a crash basis, as first to the 6th indoor unit I11 to I13 and the I21 to I23 and first and second outdoor unit O1 and the O2.
In addition,emergent control module 120 is carried out the emergent control of relevant device according to the emergent control request that receives viacommunication unit 140 from first to the 3rd telepilot RC1 to RC3, the 4th or the 5th telepilot RC10 or RC20 or equipment.When connecting emergency controller as shown in Figure 9, can receive emergent control request via emergent operation circuit slave unit, and via emergent operation circuit opertaing device on a crash basis.
At this, not only as telepilot RC because when the fault of telepilot or unusual and malfunction, and when communication because and the problem of the communication line of indoor unit or the communication line between indoor unit and the outdoor unit disconnect and no matter telepilot RC whether during normal running, can determine that telepilot RC breaks down.
Emergent control module 120 is controlled each equipment on a crash basis based on the emergent control data of storage, at first carries out the high priority control operation, and carries out the low priority control operation subsequently.Emergent control module 120 will be stored in about the controlled recording of each control operation in the emergency data unit 130.When not carrying out the low priority control operation,emergent control module 120 storages comprise the controlled recording about the information of unenforced control operation.In addition,emergent control module 120 is stored in the data that emergent control period receives from indoor unit and outdoor unit, and the service data state that receives is sent to other telepilots bycommunication unit 140, andfeasible output unit 20 by telepilot shows will be by the mode of operation of the equipment of emergent control.
Emergent control module 120 is resumed and removes emergent control during operate as normal at the telepilot that breaks down, and the controlled data that will be stored in theemergency data unit 130 is sent to corresponding telepilot.
At this, when during receiving control command, not receiving response when continuing Preset Time from telepilot RC to telepilot RC transfer operation state with from telepilot RC, each equipment, for example indoor unit is determined the unusual fault that produces owing to telepilot or transmission line.In this case, when having determined that telepilot breaks down, indoor unit will ask the signal of emergent control to be sent to emergency controller by emergent operation circuit.Emergent operation circuit communication terminal is not used in the common slave mode, and is used for communicating at emergent control period and emergency controller SC.
Operation according to the apparatus control system of the embodiment of the invention will be described below.
Hereinafter, based on first to the 3rd embodiment, by being that example is described apparatus control system with first telepilot in first to fourth telepilot.
Figure 11 is the process flow diagram that illustrates according to the fault self-diagnosis method of the telepilot in the apparatus control system of first to the 3rd embodiment of the present invention.
As shown in figure 11, planning chart or control command that the first telepilot RC will operate control are sent to first to the 6th indoor unit I11 to I13 and the I21 to I23 and first and second outdoor unit O1 and the O2, and periodically or in real time receive operational state data (S310) from outdoor unit and indoor unit.In addition, the first telepilot RC1 periodically carries out and the communicating by letter of the second telepilot RC2 or the 3rd telepilot RC3.In this case, the first telepilot RC1 creates emergent control data and sends it among second to the 4th telepilot RC2 to RC10 at least one.
When not receiving response when continuing Preset Time (S320) from outdoor unit and indoor unit, the first telepilot RC1 determines whether to exist by self diagnosis because the fault (S340) that produces unusually.Normal or provisional communication mistake takes place but when recovering immediately, carries out normal running (S330) when communication.
When owing to unusually having determined fault, determine whether be activated (S360) from emergent control, pattern is switched to from emergent control model (S370), and carries out emergent control (S380) by emergent control module 50.When owing to self determined fault unusually with the response of communication period when irrelevant, the first telepilot RC1 carries out or the emergent control of request.Yet, in this case, with outdoor unit or indoor unit to communicate by letter in emergent control model must be possible.
Therebetween, when meeting an urgent need the control not enabled certainly, the request emergent control (S390) of the first telepilot RC1 in second to the 4th telepilot RC2 to RC10.
For example, when not when outdoor unit and indoor unit receive response, the first telepilot RC1 determines these controls whether because garble and not enabled byfault determining unit 70, and the emergent control of a request in second to the 4th telepilot RC2 to RC10.
At this moment, when operation circuit was met an urgent need in connection as shown in Figure 2, the first controller RC1 was to the emergent control of second telepilot RC2 request.When such shown in Fig. 3 or 4 connected emergent operation circuit, the first telepilot RC1 was to the emergent control of second to the 4th telepilot RC2 to RC10 request.This can change according to the connection status of emergent operation circuit or the communications status of communication telepilot.When operation circuit was met an urgent need in connection as shown in Figure 4,emergent control module 50 control linkage devices made the communication line of outdoor unit and indoor unit be connected to emergent operation circuit.
Figure 12 is the process flow diagram that illustrates according to the telepilot emergency control method in the apparatus control system of first to the 3rd embodiment of the present invention.
With reference to Figure 12, as described in conjunction with Figure 12, when the first telepilot RC1 and second to the 4th telepilot RC2 to RC10 communicate (S410), among second to the 4th telepilot RC2 to RC10 which the first telepilot RC1 can identify based on the response that whether has them and break down.As from second to the 4th telepilot RC2 to RC10 or when the indoor unit that connects by emergent operation circuit and outdoor unit receive emergent control request (S420), the first telepilot RC1 determines that telepilot breaks down.
For example, when not when the 3rd telepilot receives response, the first telepilot RC1 determines that the 3rd telepilot RC3 breaks down.In addition, when receiving emergent control request from the second telepilot RC2, the 4th telepilot RC10 or the 14 to the 16 indoor unit I51 to I53 or the 5th outdoor unit O5, the first telepilot RC1 determines that the 3rd telepilot RC3 breaks down.
After this, the first telepilot RC1 equipment (that is, the 14 to the 16 indoor unit I51 to I53 and the 5th outdoor unit O5) attempting being connected to the 3rd telepilot RC3 by emergent operation circuit (S430).If successfully carried out connecting (S440), then the first telepilot RC1 starts emergent control (S450) by emergent operation circuit L11, L23 and L31.
The first telepilot RC1 reads the emergent control data that is associated with the 3rd telepilot RC3 fromemergency data unit 80, and comes the 14 to the 16 indoor unit I51 to I53 and the 5th outdoor unit O5 are carried out emergent control based on the emergent control data that is read.
At this moment, the first telepilot RC1 carries out a plurality of control operations with the order of control operation priority, and stores their controlled recording.The first telepilot RC1 also stores the operational state data (S460) that receives from the 14 to the 16 indoor unit I 51 to I the 53 and the 5th outdoor unit O5 by emergent operation circuit.In case of necessity, the first telepilot RC1 sends to the 4th telepilot RC10 (S470) with operational state data.
Under the situation of the 3rd telepilot RC3 operate as normal, to the meet an urgent need current operation status of controlling recording and the 14 to the 16 indoor unit I 51 to I the 53 and the 5th outdoor unit O5 of the first telepilot RC1 sends to the 3rd telepilot RC3, and removes emergent control.
The control operation that the 3rd telepilot RC3 of operate as normal carries out delay based on the controlling recording that receives from the first telepilot RC1 and operational state data switches to normal operating conditions then.
Figure 13 is the process flow diagram that illustrates according to another emergency control method of the telepilot in the apparatus control system of first to the 3rd embodiment of the present invention.
With reference to Figure 13, the 4th telepilot RC10 periodically transmits data and receives data (S510) from it to first to the 3rd telepilot RC1 to RC3.Then, when not from a telepilot promptly the 3rd telepilot RC3 receive any response and continue scheduled time slot (S420 and S520), perhaps during the emergent control of indoor unit, outdoor unit and another controller request, determine the 3rd telepilot RC3 make a mistake (S540).
The 4th telepilot RC10 operate as normal, and the indication that will make a mistake about the fault owing to the 3rd telepilot RC3 is sent to first to the second telepilot RC1 and RC2 (S550).The 4th telepilot RC10 will be sent to the telepilot of low control load from the indicating fault of the first and second telepilot RC1 and RC2, and transmit indicating fault according to the connection status of emergent operation circuit.That is, when operation circuit was met an urgent need in connection as shown in Figure 2, the 4th telepilot RC10 was sent to the first telepilot RC1 with indicating fault.
If start the emergent control by the first telepilot RC1, then the 4th telepilot RC10 receives operational state data about the 14 to the 16 indoor unit I51 to I53 and output function state from the first telepilot RC1 and the 5th outdoor unit O5.
Hereinafter, will the first telepilot RC1 and emergency controller is connected to each other and the first telepilot RC1 breaks down situation exemplarily be described based on the 4th to the 6th embodiment.
Figure 14 is the process flow diagram that illustrates according to the method for operating of the emergency controller of the 4th to the 6th embodiment of the present invention.
As shown in figure 14, emergency controller SC periodically communicates by letter (S610) with the first telepilot RC1, and receives emergent control data to upgrade emergent control data (S630) from the first telepilot RC1.
Then, when emergency controller SC does not receive when especially continuing scheduled time slot (S640) from any response (S620) of the first telepilot RC1, determine in the first telepilot RC1, to make a mistake and the first telepilot RC1 break down (S650).At this, eliminating provisional communication mistake from the determining of fault.If do not receive that response continues scheduled time slot and, then determine because the unusual fault that causes of communication and telepilot generation itself according to preset frequency.Therebetween, as Fig. 8 and shown in Figure 9, the emergent control request that emergency controller SC receives according to slave unit or second to the 5th telepilot is determined the fault of the first telepilot RC1.
Emergency controller SC reads from the emergency data unit from first telepilot and receives and stored data (S660), and emergency controller SC is connected to the equipment that is connected with the first telepilot SC, and promptly first to the 6th indoor unit I11 to I13 and I21 to I23 and the first and second outdoor unit O1 and O2 are to carry out emergent control (S670).
Then, emergency controller SC comes equipment executivecontrol function (S680) according to default control priority based on emergent control data.At first carry out the control operation of high priority, and carry out the control operation of lower priority subsequently.
Emergency controller SC will be stored as controlled recording (S690) about all control operations of equipment, and storage is about also being untreated but the information of delayed control operation.In addition, emergency controller SC also stores the operational state data of the equipment that is subjected to emergent control.At this,, can be sent to the 4th telepilot RC10 (S700) about the operational state data and the controlled recording data of the equipment that is subjected to emergent control as the 4th telepilot RC10 such as Fig. 8 and shown in Figure 9 when existing with high priority.
When in the emergent control period first telepilot RC1 operate as normal (S710), emergency controller SC is sent to the operational state data of equipment the first telepilot RC1 and stops emergent control (S730).
Figure 15 is the process flow diagram that is illustrated in according to the operation start method of the telepilot after the fault recovery of the telepilot in the apparatus control system of the 4th to the 6th embodiment of the present invention.
As shown in Figure 7, the telepilot of the first telepilot RC1 and high priority, promptly the 4th telepilot RC10 communicates, and receives the control command of the 4th telepilot RC10, and transmits the operational state data (S810) about first group of equipment.The first telepilot RC and first to the 6th indoor unit I11 to I13 and I21 to I23 and the first and second outdoor unit O1 and O2 are periodically and communicate in real time, to transmit control command at planning chart or operation control, and control them according to the control command that receives from the 4th telepilot RC10, and receive the operational state data (S820) of indoor unit and outdoor unit.
The first telepilot RC1 and emergency controller SC periodically communicate to transmit emergent control data (S830 and S840).At this, can be changed according to the order of the communication between the 4th telepilot RC10, equipment and the emergency controller SC.
Then, as shown in figure 14, when determining because the first remote control RC1 itself makes a mistake or when causing fault with the termination of communicating by letter of equipment, emergency controller SC is opertaing device on a crash basis.
Therebetween, if the first telepilot RC1 is resumed and operate as normal (S850), then the first controller RC1 is restarted and the communicating by letter of emergency controller SC, and from emergency controller SC receiving slave record data (S860).
The first telepilot RC1 is restarted communicate by letter (S870) with the equipment that comprises indoor unit and outdoor unit, and the mode of operation of receiving equipment is carried out the control operation of delay and opertaing device (S880) based on controlled recording.In addition, the first telepilot RC1 is restarted and the communicating by letter to transmit and to receive data of the telepilot of high priority.
By using a plurality of telepilots or increase emergency controller, according to apparatus control system of the present invention and control method thereof can be when telepilot breaks down opertaing device.Therefore, can come operating equipment, and the control of this equipment by the electric power set prevents that electric power from surpassing setting value, thereby solve because the control problem that fault caused of telepilot based on the planning chart of setting.
Though the embodiment has with reference to the accompanying drawings described according to apparatus control system of the present invention and control method thereof, but these embodiment only are illustrative, and those skilled in the art should understand that other embodiment of various modification of the present invention and equivalence are possible.Therefore, real technical protection scope of the present invention must be determined based on the technical spirit of claims.

Claims (14)

CN2008101291174A2008-01-282008-06-23Equipment controlling system and controlling method thereofExpired - Fee RelatedCN101498928B (en)

Applications Claiming Priority (6)

Application NumberPriority DateFiling DateTitle
KR10-2008-00086532008-01-28
KR10200800086532008-01-28
KR1020080008653AKR101400399B1 (en)2008-01-282008-01-28Device controlling system and emergency controlling method thereof
KR1020080011802AKR101418511B1 (en)2008-02-052008-02-05Device controlling system and controlling method thereof
KR10200800118022008-02-05
KR10-2008-00118022008-02-05

Publications (2)

Publication NumberPublication Date
CN101498928A CN101498928A (en)2009-08-05
CN101498928Btrue CN101498928B (en)2011-12-28

Family

ID=40946032

Family Applications (1)

Application NumberTitlePriority DateFiling Date
CN2008101291174AExpired - Fee RelatedCN101498928B (en)2008-01-282008-06-23Equipment controlling system and controlling method thereof

Country Status (2)

CountryLink
KR (1)KR101400399B1 (en)
CN (1)CN101498928B (en)

Families Citing this family (8)

* Cited by examiner, † Cited by third party
Publication numberPriority datePublication dateAssigneeTitle
DE102010002468A1 (en)*2010-03-012011-09-01Robert Bosch GmbhMethod for stopping functional unit operated by controller in motor vehicle, involves operating functional unit by internal output circuit of controller
CN103517302B (en)*2012-06-252017-11-03中兴通讯股份有限公司Microwave transport equipment and its rebooting method and device
CN103206366A (en)*2013-04-242013-07-17陈晓英Control system of high-pressure variable-frequency air compressor
CN103399564B (en)*2013-08-152016-02-24莱芜钢铁集团电子有限公司The control method of equipment and device
CN104748285B (en)*2013-12-252017-10-31珠海格力电器股份有限公司Data synchronous processing method and system based on air conditioning system
CN107678891B (en)*2017-10-132021-06-29郑州云海信息技术有限公司 A dual-control method, device and readable storage medium for a storage system
KR20200027252A (en)*2018-09-042020-03-12농업회사법인 만나씨이에이 주식회사Distributed Control Smart Farm
CN114488825B (en)*2021-12-232024-08-23海尔优家智能科技(北京)有限公司Method and system for setting accessory equipment, storage medium and electronic device

Citations (4)

* Cited by examiner, † Cited by third party
Publication numberPriority datePublication dateAssigneeTitle
US4141066A (en)*1977-09-131979-02-20Honeywell Inc.Process control system with backup process controller
US5796936A (en)*1993-03-011998-08-18Hitachi, Ltd.Distributed control system in which individual controllers executed by sharing loads
CN2419561Y (en)*2000-05-112001-02-14李根长Intellectual controller for smoke eliminating and dust collecting for industrial funnace
CN101109956A (en)*2000-06-142008-01-23大金工业株式会社 Equipment control method, equipment control device, and equipment repair system

Family Cites Families (3)

* Cited by examiner, † Cited by third party
Publication numberPriority datePublication dateAssigneeTitle
JPH06274222A (en)*1993-03-181994-09-30Matsushita Electric Ind Co LtdDisplay device for failure inspection priority order
JP2004362133A (en)*2003-06-032004-12-24Omron CorpPlc system and backup method therefor
JP4799166B2 (en)*2005-12-192011-10-26株式会社東芝 Redundant control system and method for updating control program of control device

Patent Citations (4)

* Cited by examiner, † Cited by third party
Publication numberPriority datePublication dateAssigneeTitle
US4141066A (en)*1977-09-131979-02-20Honeywell Inc.Process control system with backup process controller
US5796936A (en)*1993-03-011998-08-18Hitachi, Ltd.Distributed control system in which individual controllers executed by sharing loads
CN2419561Y (en)*2000-05-112001-02-14李根长Intellectual controller for smoke eliminating and dust collecting for industrial funnace
CN101109956A (en)*2000-06-142008-01-23大金工业株式会社 Equipment control method, equipment control device, and equipment repair system

Non-Patent Citations (1)

* Cited by examiner, † Cited by third party
Title
JP特开平7-30979A 1995.01.31

Also Published As

Publication numberPublication date
KR101400399B1 (en)2014-06-27
KR20090082727A (en)2009-07-31
CN101498928A (en)2009-08-05

Similar Documents

PublicationPublication DateTitle
CN101498928B (en)Equipment controlling system and controlling method thereof
EP2085842B1 (en)Equipment controlling system and controlling method thereof
CN101424424A (en)Air conditioner and operating method thereof
CN103398450B (en)Support the system and method for multi-mobile-terminal Long-distance Control central air-conditioning
JPH06241544A (en)Air-conditioning control system
US20110145395A1 (en)Air conditioning system
CN106403080B (en)Central air-conditioning cold station system and control method
CN107634581A (en) Intelligent Power Distribution System
JP2009204185A (en)Air conditioning system
JP2010032073A (en)Air-conditioning system
KR20090058988A (en) Multi air conditioner control method and device using stand-alone type air conditioner controller
JP2000111128A (en)Air conditioner
JP5752016B2 (en) Air conditioner
JP5295309B2 (en) Air conditioning system
JP5401194B2 (en) Supervisory control device
KR20120101856A (en)Air conditioner and method
CN105091216A (en)Air conditioning unit control system
CN216526870U (en)Terminal controller and communication control system
JP2002031391A (en)Communication device between different models of centralized control system
KR102159944B1 (en)A isothermal-isohumidity controler with multi-extensible funtion
US11954054B2 (en)Communication system, slave unit used for communication system, and communication method
KR101917616B1 (en)Iot system using lora network
JP2012198841A (en)Field network system
KR101418511B1 (en)Device controlling system and controlling method thereof
KR101844792B1 (en)Heating and cooling system using power saving 2-wire type

Legal Events

DateCodeTitleDescription
C06Publication
PB01Publication
C10Entry into substantive examination
SE01Entry into force of request for substantive examination
C14Grant of patent or utility model
GR01Patent grant
CF01Termination of patent right due to non-payment of annual fee

Granted publication date:20111228

Termination date:20190623

CF01Termination of patent right due to non-payment of annual fee

[8]ページ先頭

©2009-2025 Movatter.jp