Movatterモバイル変換


[0]ホーム

URL:


CN101478453A - Handhold portable CANOPEN network data analyzer and controlling method thereof - Google Patents

Handhold portable CANOPEN network data analyzer and controlling method thereof
Download PDF

Info

Publication number
CN101478453A
CN101478453ACNA2009100101980ACN200910010198ACN101478453ACN 101478453 ACN101478453 ACN 101478453ACN A2009100101980 ACNA2009100101980 ACN A2009100101980ACN 200910010198 ACN200910010198 ACN 200910010198ACN 101478453 ACN101478453 ACN 101478453A
Authority
CN
China
Prior art keywords
data
main controller
controller module
signal
control unit
Prior art date
Legal status (The legal status is an assumption and is not a legal conclusion. Google has not performed a legal analysis and makes no representation as to the accuracy of the status listed.)
Pending
Application number
CNA2009100101980A
Other languages
Chinese (zh)
Inventor
董笑辰
马晨普
田雅华
Current Assignee (The listed assignees may be inaccurate. Google has not performed a legal analysis and makes no representation or warranty as to the accuracy of the list.)
CRRC Dalian R&D Co Ltd
Original Assignee
CNR Dalian Electric Traction R& D Center Co Ltd
Priority date (The priority date is an assumption and is not a legal conclusion. Google has not performed a legal analysis and makes no representation as to the accuracy of the date listed.)
Filing date
Publication date
Application filed by CNR Dalian Electric Traction R& D Center Co LtdfiledCriticalCNR Dalian Electric Traction R& D Center Co Ltd
Priority to CNA2009100101980ApriorityCriticalpatent/CN101478453A/en
Publication of CN101478453ApublicationCriticalpatent/CN101478453A/en
Pendinglegal-statusCriticalCurrent

Links

Images

Landscapes

Abstract

The invention discloses a locomotive hand-held portable CANOPEN network data analyzer based on a CAN network and a control method thereof. The analyzer comprises a main controller module, a CAN signal acquisition module, a data display control unit and a power supply unit. The CAN signal is received by the CAN signal acquisition module, resolved, processes and stored by the main controller module, and sent to the data display control unit in form of 8-bit parallel data. The CANOPEN data can be analyzed and recorded by only accessing equipment into a CAN standard network. The analyzer has the advantages of convenient installation, simple operation and reliable use; and is a novel product for train networking control.

Description

Handhold portable CANOPEN network data analyzer and control method thereof
Technical field
The present invention relates to network system uses.
Background technology
CAN standard network bus is a kind of network system that can be used for railway territory, because its reliability, flexibility and adopted by more and more countries in the world.
The CAN network has only defined physical layer and link layer, present widely used CANOPEN standard definition the application layer protocol of CAN network, but because the CANOPEN network is professional very strong, and present means of testing and tester are also seldom, especially are suitable for the on-the-spot portable CANOPEN analytical equipment of using blank out especially.
The locomotive of this patent design just is being based on network system---the DAF of CAN standard network bus of railway territory with handhold portable CANOPEN network data analyzer.Be applicable in the locomotive with CAN bus network.
Summary of the invention
In view of existing problem in the above-mentioned prior art, the objective of the invention is research and design a kind of novel handhold portable CANOPEN network data analyzer and control method thereof, thus solve the present means of testing of CANOPEN network and tester also seldom problem filled up the blank of the portable CANOPEN analytical equipment of on-the-spot use.Handhold portable CANOPEN network data analyzer of the present invention is made up of main controller module, CAN signal gathering unit, data indicative control unit and power supply unit.Described CAN signal gathering unit is connected to bus cable by two bus termination CANH and the CANL with differential transmission and receiving function, and CAN transceiver interface CANRX, the CANTX built-in by special purpose interface TXD, RXD and main controller module link to each other; Described main controller module links to each other with the CAN signal gathering unit with the CANTX pin by CANRX, link to each other with the Data Input Interface D0-D7 of data indicative control unit by the D01-D08 data wire, switch controlling signal S1-S5 links to each other with the display screen control pin S1-S5 of data indicative control unit; Described power supply unit produces+and 5V voltage delivers to the VCC pin of CAN signal gathering unit and data indicative control unit, the 3.3V voltage that produces is delivered to the power pins of main controller module, the reference ground output GND of power supply unit then links to each other with all GND signals in the plate, constitutes the loop with positive voltage; The signal that transmits on the CAN bus is input to main controller module by the CAN signal interface unit, and data are resolved in main controller module, handle, stored, and the form with 8 parallel port data sends to the data indicative control unit at last.Main controller module of the present invention by AT91SAM7A3 constitute, the CAN signal gathering unit is made of PCA82C250, power supply unit comprises power conversion chip AS1117M3-3.3 and MIC5207, and isolating chip BO505T; Described data indicative control unit comprises LCM12864ZK type LCDs and LCDs supervisory keyboard.
A kind of handhold portable CANOPEN network data analyzer of the present invention and control method thereof, its control procedure comprise system initialization and the initialized step of CAN mailbox, it is characterized in that also comprising the steps:
A, CANOPEN parameter configuration;
B, whether main controller module received the CAN data judge, and in following step, select:
C, do not receive the CAN signal, return initialization;
D, receive the CAN signal, then it is handled;
E, data processing;
F, send data and retrieval system initialization to data indicative control unit module.
CAN, full name are " Controller Area Network ", i.e. controller local area network is one of most widely used fieldbus in the world.CAN can provide the message transmission rate up to 1Mbit/s, and this makes real-time control become very easy.In addition, the mistake of hardware calibrating characteristic has also strengthened the anti-electromagnetic interference capability of CAN.
CAN is a kind of serial communication bus of many master modes, and basic design specification requires that high bit rate is arranged, high anti-electromagnetic interference, and can detect any mistake of generation.When signal transmission distance reached 10Km, CAN still can provide the message transmission rate up to 50Kbit/s.Because the CAN bus has very high real-time performance, therefore, CAN has obtained extensive use in fields such as auto industry, aircraft industry, Industry Control, security protection.
The CAN communications protocol is mainly described the mode of intelligence transmission between the equipment.The definition of CAN layer is consistent with Open Systems Interconnect, has defined the bottom two-layer of model: physical layer and data link layer.
The CANopen agreement is one of standard of CAN-in-Automation (CiA) definition.It is the application layer protocol of CAN.Most of important device types, for example the numeral and the simulation input/output module, driving arrangement, operating equipment, controller, Programmable Logic Controller or encoder all are described in the agreement that is called " subset of devices ".Subset of devices has defined dissimilar standard devices and function corresponding thereof.Rely on the support of CANopen protocol suite, can the equipment of different vendor be configured and system reconfiguration by bus.
Handhold portable CANOPEN network data analyzer of the present invention just is being based on CAN standard network bus and is using.This data analyzer is at problem set forth above, can carry out analytic record to the CANOPEN data, just can finish data analysis work as long as equipment inserted in the CAN standard network, easy for installation, simple to operate, using reliably, is the new product that arises at the historic moment under the overall situation of Train Control networking.
Because the CAN network technology is the industry spot network technology that many in the world major companies adopt, the scope of application is extensive further, and the analysis of network data is to an important job in train debugging, maintenance, the maintenance, therefore not only comply with development trend but also have very strong practicality based on the locomotive of CAN network with handhold portable CANOPEN network data analyzer, filled up this instrument design blank at home.
The purpose of this invention is to provide a kind of CANOPEN interface based on the CAN network system.Handhold portable CANOPEN network data analyzer of the present invention and control method thereof, whole system comprises hardware and software two parts.
The effect of hardware mainly provides physical connection, is responsible for the work of control CAN transceiver, reads CAN bus related data, the data demonstration of liquid crystal display screen is provided and finishes controlled function, also will be responsible for providing of working power etc. simultaneously.
The effect of software is to the control module initialization, disposes various related datas, requires the CAN data to be handled in main control module, stored and data are sent into indicative control unit according to The field.
Description of drawings
The present invention has seven width of cloth accompanying drawings, wherein:
Fig. 1 is a structured flowchart of the present invention;
Fig. 2 is a circuit structure diagram of the present invention;
Fig. 3 is a main controller module circuit diagram of the present invention;
Fig. 4 is a CAN signal gathering unit circuit diagram of the present invention;
Fig. 5 is a data indicative control unit circuit diagram of the present invention;
Fig. 6 is a power supply unit circuit diagram of the present invention;
Fig. 7 is a software control flow chart of the present invention.
Among the figure: 1, CANsignal gathering unit 2,main controller module 3, dataindicative control unit 4, power supply unit.
Embodiment
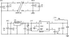
Specific embodiments of the invention as shown in drawings, accompanyingdrawing 1 is depicted as structured flowchart of the present invention, is made up of CANsignal gathering unit 1,main controller module 2, dataindicative control unit 3,power supply unit 4 four parts.Accompanyingdrawing 2 is a circuit structure diagram of the present invention, handhold portable CANOPEN network data analyzer of the present invention, 6,7 pins by CANsignal gathering unit 1 receive the CAN signal, after level conversion, be sent tomain controller module 2 by 57,58 pin, after the processing and conversion ofmain controller module 2, link to each other with the 9-16 pin of dataindicative control unit 3 by 34-37,41-44 pin, send data message, 21-24,32 pin link to each other as the S1-S5 of operating key line with dataindicative control unit 3.
Because the CAN controller of processor inside is a protocol controller just, can not provide physical layer to drive, so also need add the CAN bus transceiver in use, CAN bus transceiver commonly used has the PCA82C250 transceiver of Philips company, high speed TJA1050 transceiver etc.Used herein is the PCA82C250 transceiver, and it can improve the differential transmission and the receiving ability of bus.It and ISO11898 standard are compatible fully, and three kinds of different working methods are arranged, and promptly high speed, slope control and standby can be selected according to actual conditions.
Protocol controller is connected to transceiver by serial data output line TX and serial data incoming line RX.Be connected to bus cable (seeing accompanying drawing 4) by two bus termination CANH and the CANL that differential transmission and receiving function are arranged.Input Rs is used for pattern control reference voltage.The output voltage of output VREF is 0.5 times of specified VCC, and wherein the rated supply voltage of transceiver is 5V.The transmission data of a serial of protocol controller output flow to the TxD pin of transceiver.Draw function that logic high is arranged in the TxD input on inner, that is to say that bus output driver acquiescence is passive in recessive state, CANH and CANL input are the receiver fan-in networks of 17k by the typical internal impedance, be biased to the rated voltage of 2.5V, in addition, if TxD is a logic low, the output stage of bus will be activated, and produce the signal level of a dominance on bus cable.Output driver is made up of a source output stage and a drop-down output stage.CANH is connected to the source output stage, and CANL is connected to drop-down output stage.In dominance condition, the rated voltage of CAN_H is 3.5V, and CAN_L is 1.5V.
Accompanying drawing 3 is the circuit diagram ofmain controller module 2 of the present invention, and themain controller module 2 that AT91SAM7A3 constitutes is cores of entire equipment, has finished the function control of data analysis.AT91SAM7A3 is 32 a member in the ARM7 Series of MCU, is integrated with the CAN controller.256K byte high speed Flash and 32K byte SRAM and a complete set of ancillary equipment are arranged on the sheet, comprise two 2.0B CAN controllers, and a whole set of makes the functional unit of peripheral device component minimum number.The Flash memory can have programming in the JTAG-ICE interface system in the sheet in this microprocessor.Built-in locking bit can be protected firmware, prevents that it from being covered by mistake.The Flash module is totally 1024 pages in the sheet of AT91SAM7A3, every page 256 byte.Have 65536 32 words altogether.The Flash module comprises the buffer memory of writing of one 256 byte, can be by 32 interface accessing.(read or write visit) when Flash does not use, it will enter standby automatically.Inner CAN controling appliance has following characteristics:
● complete compatible CAN2.0B dynamic controller;
● Bit Transmission Rate is 1Mbit/s;
● have 16 OO mailboxes, CAN2.0A and 2.0B are able to programme concerning each message; Configurable object is for receiving or sending; When sending or receive message, use 16 bit time labels; Can programme to the reception buffer storage length of a plurality of mailbox objects.
Accompanyingdrawing 5 is the circuit diagram of dataindicative control unit 3 of the present invention, and the font ROM of the LCM12864ZK type LCDs of dataindicative control unit 3 inside includes the letter character font of character type and 128 16*8 half-breadths in 8192 16*16 points; Power operation wide ranges (2.7V to5.5V), low power dissipation design can satisfy the power saving requirement of product; Simultaneously with the connection interface of micro controller such as single-chip microcomputer (three kinds of patterns: parallel 8/4, serial 3 lines/2 lines) flexibly.On piece has/down/left side/order that moves right current display screen and clear screen.
Accompanying drawing 6 is circuit diagrams ofpower supply unit 4, comprises the power supply chip and the protective circuit of several grades, is responsible for the power supply of whole system.The electric pressure that produces comprise isolation+5V voltage ,+3.3V voltage and+2.5V voltage.
Accompanyingdrawing 7 is a software control flow chart of the present invention.

Claims (3)

1, a kind of handhold portable CANOPEN network data analyzer and control method thereof, it is characterized in that comprising main controller module (2), CAN signal gathering unit (1), data indicative control unit (3) and power supply unit (4), described CAN signal gathering unit (1) is connected to bus cable by two bus termination CANH and the CANL with differential transmission and receiving function, and CAN transceiver interface CANRX, the CANTX built-in by special purpose interface TXD, RXD and main controller module (2) link to each other; Described main controller module (2) links to each other with CAN signal gathering unit (1) with the CANTX pin by CANRX, link to each other with the Data Input Interface D0-D7 of data indicative control unit by the D01-D08 data wire, switch controlling signal S1-S5 links to each other with the display screen control pin S1-S5 of data indicative control unit (3); Described power supply unit (4) produces+and 5V voltage delivers to the VCC pin of CAN signal gathering unit (1) and data indicative control unit (3), the 3.3V voltage that produces is delivered to the power pins of main controller module (2), the reference ground output GND of power supply unit (4) then links to each other with all GND signals in the plate, constitutes the loop with positive voltage; The signal that transmits on the CAN bus is input to main controller module (2) by CAN signal interface unit (1), data are resolved, handle, are stored in main controller module (2), and the form with 8 parallel port data sends to data indicative control unit (3) at last.
CNA2009100101980A2009-01-192009-01-19Handhold portable CANOPEN network data analyzer and controlling method thereofPendingCN101478453A (en)

Priority Applications (1)

Application NumberPriority DateFiling DateTitle
CNA2009100101980ACN101478453A (en)2009-01-192009-01-19Handhold portable CANOPEN network data analyzer and controlling method thereof

Applications Claiming Priority (1)

Application NumberPriority DateFiling DateTitle
CNA2009100101980ACN101478453A (en)2009-01-192009-01-19Handhold portable CANOPEN network data analyzer and controlling method thereof

Publications (1)

Publication NumberPublication Date
CN101478453Atrue CN101478453A (en)2009-07-08

Family

ID=40839088

Family Applications (1)

Application NumberTitlePriority DateFiling Date
CNA2009100101980APendingCN101478453A (en)2009-01-192009-01-19Handhold portable CANOPEN network data analyzer and controlling method thereof

Country Status (1)

CountryLink
CN (1)CN101478453A (en)

Cited By (6)

* Cited by examiner, † Cited by third party
Publication numberPriority datePublication dateAssigneeTitle
CN101976069A (en)*2010-09-212011-02-16中国北车股份有限公司大连电力牵引研发中心CANOPEN (Controller Area Network Open) data recording unit for locomotive and working method thereof
CN102564776A (en)*2010-12-212012-07-11中国北车集团大连机车研究所有限公司Test system for engine driver display unit
CN102759648A (en)*2011-04-282012-10-31上海博泰悦臻电子设备制造有限公司Method and system for testing power panel
CN104102160A (en)*2014-07-242014-10-15上海采埃孚转向系统有限公司Controller area network (CAN) bus signal transceiving analysis tool
CN104460643A (en)*2013-09-242015-03-25上海联影医疗科技有限公司Testing method, device and system for bus control unit of control local area network
CN116112411A (en)*2022-12-232023-05-12郑州煤机智能工作面科技有限公司Automatic equipment testing method and system and electronic equipment

Cited By (7)

* Cited by examiner, † Cited by third party
Publication numberPriority datePublication dateAssigneeTitle
CN101976069A (en)*2010-09-212011-02-16中国北车股份有限公司大连电力牵引研发中心CANOPEN (Controller Area Network Open) data recording unit for locomotive and working method thereof
CN102564776A (en)*2010-12-212012-07-11中国北车集团大连机车研究所有限公司Test system for engine driver display unit
CN102564776B (en)*2010-12-212015-04-15中国北车集团大连机车研究所有限公司Test system for engine driver display unit
CN102759648A (en)*2011-04-282012-10-31上海博泰悦臻电子设备制造有限公司Method and system for testing power panel
CN104460643A (en)*2013-09-242015-03-25上海联影医疗科技有限公司Testing method, device and system for bus control unit of control local area network
CN104102160A (en)*2014-07-242014-10-15上海采埃孚转向系统有限公司Controller area network (CAN) bus signal transceiving analysis tool
CN116112411A (en)*2022-12-232023-05-12郑州煤机智能工作面科技有限公司Automatic equipment testing method and system and electronic equipment

Similar Documents

PublicationPublication DateTitle
CN105223944B (en)One kind being used for vehicular data acquisition equipment
CN101345629B (en) A Dual Fieldbus Interface Converter
CN101478453A (en)Handhold portable CANOPEN network data analyzer and controlling method thereof
CN100386754C (en)Device and method for operating USB interface device
CN102081585A (en)RS485 dual-bus communication method used for test satellite
CN1949734B (en)Power supply two-line system real-time bus communication method
CN201341145Y (en)Hand-held portable canopen network data analyzer
CN201341148Y (en)PCI interface type CANOPEN network data analyzer
CN202661873U (en)Intelligent phone-based automobile diagnosing system
CN101662369B (en)Universal network adapter
CN101478451A (en)PCI interface type CANOPEN network data analyzer and control method thereof
CN201828970U (en)Train operation data recorder based on CAN (Controller Area Network) interface
CN101488891B (en)Handhold portable MVB network data analysis instrument for locomotive and control method thereof
CN103941127B (en)Driving remote control test device
CN102621950A (en)Pure electric vehicle carload controller refreshing instrument and refreshing method
CN203217563U (en) CAN bus control transceiver system with high isolation performance
CN103376369B (en)Communication load testing method and device
CN102868583B (en)FlexRay bus joint with fault diagnosis function
CN214954608U (en)Communication control device of unit and unit
CN201341149Y (en)Hand-held portable MVB network data analyzer for locomotive
CN101957616B (en)Train operation data recording analyzing system based on CAN network
CN107153376A (en)A kind of electronic controller
CN207706195U (en)A kind of automatic off-line type half-duplex communication circuit
CN113867247A (en)Bus type switching value acquisition system and method
CN202856782U (en)Automatic receiving/transmitting and converting device for HART communication signals

Legal Events

DateCodeTitleDescription
C06Publication
PB01Publication
C10Entry into substantive examination
SE01Entry into force of request for substantive examination
C12Rejection of a patent application after its publication
RJ01Rejection of invention patent application after publication

Open date:20090708


[8]ページ先頭

©2009-2025 Movatter.jp