
技术领域technical field
本发明属于光学技术领域,涉及一种光强分布检测装置,特别是一种光学焦点区域三维光强分布检测装置。主要用于光学性质评估,光学信息传播特性研究,聚焦光学系统特性检测,以及光存储、光刻技术、显微成像等领域。The invention belongs to the field of optical technology, and relates to a light intensity distribution detection device, in particular to a three-dimensional light intensity distribution detection device in an optical focus area. It is mainly used in the evaluation of optical properties, the research of optical information transmission characteristics, the detection of the characteristics of focusing optical systems, and the fields of optical storage, lithography technology, and microscopic imaging.
技术背景technical background
对光学焦点区域进行三维光强分布检测的需求广泛存在于光学性质评估,光学信息传播特性研究,聚焦光学系统特性检测,以及光存储、光刻技术、显微成像等领域。例如,在光存储领域中,光盘物镜的聚焦特性直接影响信息存储密度和存储质量,对光盘物镜焦点光强分布进行研究必不可少,检测焦点三维光强分布可以直接给出物镜质量评价水平,对光存储光学系统构建提供实验基础。在先技术中有一种可以光学焦点区域光强分布的装置,(参见中国发明专利“检测光盘物镜小光斑的装置”,专利号:ZL00127831.2)。该检测系统具有相当的优点,但是,仍然存在一些不足:1)装置在使用工作中聚焦物镜不能产生位移,由压电陶瓷扫描器带动光纤探针进行探测扫描,与并同时专利权利要求1中要求物镜置于物镜焦斑落在光纤探针的探针尖上的位置上,由于压电陶瓷扫描器存在有限扫描范围,所以,以上技术方案导致此检测装置扫描位置定位调节难度大,调节使用不便利;2)光纤探针在轴向位置调节是通过与压电陶瓷扫描器连接的手动或电动调整架进行调解,两个可移动部件联接,并且,手动或电动调整架的机械定位特性不如压电陶瓷扫描器,在压电陶瓷扫描器时,手动或电动调整架机械定位特性对测量精度有重要影响,相当于高精度扫描机构的扫描参考基准是建立在低精度调整架上,对装置测量精度有很大影响,降低了光强分布测量精度;3)此检测装置对系统结构的机械加工定位要求高、结构复杂、器件要求高,例如,在专利权利要求1中要求分光镜与激光光源光轴成45°角、分光镜反射面中心点与光纤探针针尖连线为垂直于激光光源光轴的垂直线、用于检测的分光镜为半反半透分光镜、半反半透分光镜的反射面要与入射光线成45°角、装置要包含有带有监视器的摄像机等一系列结构要求和器件要求均增加了检测装置实现难度,限制了检测应用范围。The demand for three-dimensional light intensity distribution detection in the optical focal area widely exists in the evaluation of optical properties, the study of optical information propagation characteristics, the detection of characteristics of focusing optical systems, and the fields of optical storage, lithography, and microscopic imaging. For example, in the field of optical storage, the focusing characteristics of the optical disc objective lens directly affect the information storage density and storage quality. It is necessary to study the optical intensity distribution of the optical disc objective lens focus. The detection of the three-dimensional optical intensity distribution of the focal point can directly give the quality evaluation level of the objective lens. Provide an experimental basis for the construction of an optical storage optical system. In the prior art, there is a device that can distribute light intensity in the optical focus area (see Chinese invention patent "A device for detecting small light spots of optical disc objective lens", patent number: ZL00127831.2). This detection system has considerable advantages, but there are still some deficiencies: 1) The focusing objective lens cannot be displaced during the operation of the device, and the optical fiber probe is driven by the piezoelectric ceramic scanner to perform detection and scanning, and at the same time the patent claim 1 The objective lens is required to be placed at the position where the focal spot of the objective lens falls on the probe tip of the fiber optic probe. Due to the limited scanning range of the piezoelectric ceramic scanner, the above technical scheme makes it difficult to adjust the scanning position of the detection device. Inconvenient; 2) The axial position adjustment of the fiber optic probe is mediated through a manual or electric adjustment frame connected to the piezoelectric ceramic scanner. Two movable parts are connected, and the mechanical positioning characteristics of the manual or electric adjustment frame are not as good as Piezoelectric ceramic scanners, in piezoelectric ceramic scanners, the mechanical positioning characteristics of manual or electric adjustment frames have an important impact on the measurement accuracy, which is equivalent to the scanning reference of high-precision scanning mechanisms is established on low-precision adjustment frames The measurement accuracy has a great influence, which reduces the measurement accuracy of the light intensity distribution; 3) This detection device has high requirements for the mechanical processing and positioning of the system structure, complex structure, and high device requirements. For example, in patent claim 1, it is required The optical axis of the light source is at an angle of 45°, and the line connecting the center point of the reflective surface of the beam splitter and the tip of the fiber optic probe is a vertical line perpendicular to the optical axis of the laser light source. A series of structural requirements and device requirements, such as the reflective surface of the beam splitter and the incident light at an angle of 45°, and the device must include a camera with a monitor, all increase the difficulty of the detection device and limit the scope of detection applications.
发明内容Contents of the invention
本发明的目的在于针对上述在先技术的不足,提供一种光学焦点区域三维光强分布检测装置,具有三维光强分布检测功能,装置定位扫描难度小,调节使用便利,光强分布测量精度高,结构要求和器件要求低,装置实现难度低,应用范围广泛等特点。The object of the present invention is to address the shortcomings of the above-mentioned prior art, to provide a three-dimensional light intensity distribution detection device in the optical focus area, which has a three-dimensional light intensity distribution detection function, the device is less difficult to locate and scan, easy to adjust and use, and has high light intensity distribution measurement accuracy , low structural requirements and device requirements, low difficulty in device realization, and wide application range.
本发明的基本构思是:光源经过光束整形器整形后通过物镜聚焦形成被测焦点,一维移动平台带动物镜实现轴向移动进行测试粗定位,三维移动平台带动光纤探针进行在焦点区域进行三维扫描实现三维光强分布检测,由监视光源、分光镜和图像采集器构成的监视光路通过光谱分光镜耦合到被测光路中对装置调节和测试过程进行监视,分析控制单元对整个测试过程和结果进行分析控制协调。The basic idea of the present invention is: after the light source is shaped by the beam shaper, it is focused by the objective lens to form the measured focus; Scanning realizes the detection of three-dimensional light intensity distribution. The monitoring optical path composed of monitoring light source, beam splitter and image collector is coupled to the measured optical path through the spectral beam splitter to monitor the device adjustment and testing process. The analysis control unit monitors the entire testing process and The results are analyzed for control coordination.
本发明的技术解决方案为:包括系统光源、光束整形器、光谱分光镜、物镜、光纤探针、光电传感器、分析控制单元、一维移动平台、三维移动平台、监视光源、分光镜和图像采集器。光束整形器、光谱分光镜、物镜依次设置在系统光源出射光束的光路上,光纤探针的针尖端对应物镜光束出射方向设置,光纤探针的光能出射端与光电传感器连接。一维移动平台与物镜固定连接,三维移动平台与光纤探针的针尖端连接。监视光源的出射光束方向上设置有分光镜,监视光源的出射光束经过分光镜反射后射入光谱分光镜的分光面,其在光谱分光镜分光面上的射入点与系统光源在光谱分光镜分光面上的射入点重合,并且光谱分光镜的分光面设置在监视光源经过分光镜分光面反射后的光束的光路与系统光源出射光路的角平分线上。图像采集器设置在监视光源经过分光镜分光面反射后光束的反向延长线上。一维移动平台、三维移动平台、光电传感器、图像采集器分别与分析控制单元信号连接。The technical solution of the present invention is: including system light source, beam shaper, spectral beam splitter, objective lens, optical fiber probe, photoelectric sensor, analysis control unit, one-dimensional mobile platform, three-dimensional mobile platform, monitoring light source, beam splitter and image acquisition device. The beam shaper, spectroscopic beam splitter, and objective lens are sequentially arranged on the optical path of the system light source output beam, the needle tip of the fiber probe is set corresponding to the beam output direction of the objective lens, and the light energy output end of the fiber probe is connected to the photoelectric sensor. The one-dimensional mobile platform is fixedly connected with the objective lens, and the three-dimensional mobile platform is connected with the needle tip of the fiber optic probe. A beam splitter is set in the direction of the outgoing beam of the monitoring light source. The outgoing beam of the monitoring light source is reflected by the beam splitter and then enters the beam splitting surface of the spectrum beam splitter. The incident points on the beam-splitting planes coincide, and the beam-splitting plane of the spectral beamsplitter is set on the angle bisector between the light path of the light beam reflected by the monitoring light source through the beam-splitting plane of the beam-splitting mirror and the outgoing light path of the system light source. The image collector is arranged on the reverse extension line of the light beam after the monitoring light source is reflected by the light splitting surface of the beam splitter. The one-dimensional mobile platform, the three-dimensional mobile platform, the photoelectric sensor, and the image collector are respectively connected with the analysis control unit for signals.
所述的系统光源为半导体激光器、固体激光器、气体激光器、液体激光器中的一种。The system light source is one of semiconductor lasers, solid lasers, gas lasers and liquid lasers.
所述光谱分光镜对系统光源出射光束的透过率大于85%,并且对监视光源出射光束的反射率的大于85%。The transmittance of the spectrum beam splitter to the light beam emitted by the system light source is greater than 85%, and the reflectivity of the light beam emitted by the monitoring light source is greater than 85%.
所述的光束整形器是扩束器、光束波前整形器、光强分布调节器中的一种。The beam shaper is one of a beam expander, a beam wavefront shaper, and a light intensity distribution adjuster.
所述的光电传感器为光电二极管、雪崩管、光电倍增管中的一种。The photoelectric sensor is one of photodiode, avalanche tube and photomultiplier tube.
所述的一维移动平台为步进电机、压电陶瓷位移器、纳米位移元件中的一种。The one-dimensional moving platform is one of a stepping motor, a piezoelectric ceramic displacement device, and a nanometer displacement element.
所述的三维移动平台为步进电机、压电陶瓷位移器、纳米位移元件中的一种。The three-dimensional mobile platform is one of a stepping motor, a piezoelectric ceramic displacement device, and a nanometer displacement element.
所述的图像采集器为面阵电荷耦合器件、面阵互补型金属氧物半导体晶体管、光学微通道板器件的一种。The image acquisition device is one of an area array charge-coupled device, an area array complementary metal-oxide-semiconductor transistor, and an optical microchannel plate device.
本发明装置的工作过程为系统光源发射出光束,经过光束整形器进行扩束和整形后射向光谱分光镜,光谱分光镜对于系统光源射出光束高透过率,光谱分光镜的透射光束经过物镜聚会形成被测焦点区域。光纤探针的针尖设置在物镜光束出射方向一侧,光纤探针的光能出射一端与光电传感器相连接,光纤探针将针尖处光能收集传输到光电传感器,实现光电转化,形成与光纤探针针尖处光强对应的电信号,并且传给分析控制单元;一维移动平台与物镜和分析控制单元相连接,分析控制单元控制一维移动平台带动物镜在物镜入射光方向上移动,三维移动平台与分析控制单元和光纤探针的针尖一端相连接,分析控制单元控制三维移动平台带动光纤探针针尖实现三维移动,测试时一维移动平台首先带动物镜移动,当光纤探针的针尖在物镜焦点区域附近时,一维移动平台停止移动,由三维移动平台带动光纤探针针尖实现三维移动扫描,每个光纤探针针尖位置上都检测到一个与光纤探针针尖处光强信号,并传给分析控制单元,分析控制单元对光纤探针三维扫描的各点光强信号进行重构处理,得到物镜光学焦点区域三维光强分布。在测量过程中,监视光源发射光束经过分光镜反射后再被光谱分光镜反射,经过物镜聚焦照射到焦点区域,焦点区域反射光束依次经过物镜、光谱分光镜反射、分光镜透射后被图像采集器接收,将焦点区域情况成像并传输给分析控制单元,对测量过程进行实时监控,便于装置使用。The working process of the device of the present invention is that the system light source emits a light beam, which is expanded and shaped by the beam shaper and then directed to the spectrum beam splitter. The spectrum beam splitter has a high transmittance for the beam emitted by the system light source. The gathering forms the focal region being measured. The needle tip of the fiber optic probe is set on one side of the beam exit direction of the objective lens, and the light energy exit end of the fiber optic probe is connected to the photoelectric sensor. The electrical signal corresponding to the light intensity at the needle tip is transmitted to the analysis control unit; the one-dimensional mobile platform is connected with the objective lens and the analysis control unit, and the analysis control unit controls the one-dimensional mobile platform to drive the objective lens to move in the direction of the incident light of the objective lens, and the three-dimensional movement The platform is connected with the analysis control unit and the tip end of the fiber probe. The analysis control unit controls the three-dimensional mobile platform to drive the fiber probe tip to move in three dimensions. During the test, the one-dimensional mobile platform first drives the objective lens to move. When the focus area is near, the one-dimensional mobile platform stops moving, and the three-dimensional mobile platform drives the tip of the fiber optic probe to realize three-dimensional mobile scanning. A signal with the light intensity at the tip of the fiber probe is detected at each tip of the fiber probe, and transmitted The analysis control unit reconstructs the light intensity signals of each point in the three-dimensional scanning of the fiber probe to obtain the three-dimensional light intensity distribution in the optical focus area of the objective lens. During the measurement process, the beam emitted by the monitoring light source is reflected by the spectroscopic mirror and then reflected by the spectroscopic spectroscope. After being focused by the objective lens, it is irradiated to the focus area. Receive, image the situation of the focus area and transmit it to the analysis and control unit, and monitor the measurement process in real time, which is convenient for the use of the device.
本发明装置中通过分析控制单元控制一维移动平台、三维移动平台,以及光电传感器和图像采集器将探测信号发送给分析控制单元进行处理,这些都是成熟技术。本发明的发明点在于提供一种光学焦点区域三维光强分布检测装置的光路结构。In the device of the present invention, the one-dimensional mobile platform and the three-dimensional mobile platform are controlled by the analysis control unit, and the photoelectric sensor and the image collector send detection signals to the analysis control unit for processing, all of which are mature technologies. The inventive point of the present invention is to provide an optical path structure of a three-dimensional light intensity distribution detection device in an optical focus area.
与现有技术相比,本发明的优点:Compared with prior art, the advantages of the present invention:
1)一维移动平台带动物镜实现轴向移动进行测试粗定位,三维移动平台带动光纤探针进行在焦点区域进行三维扫描实现三维光强分布检测,检测装置扫描位置定位调节难度低,调节使用便利;1) The one-dimensional mobile platform drives the objective mirror to achieve axial movement for rough positioning of the test, and the three-dimensional mobile platform drives the fiber optic probe to perform three-dimensional scanning in the focus area to achieve three-dimensional light intensity distribution detection. The scanning position of the detection device is easy to adjust and easy to adjust. ;
2)光纤探针在轴向位置粗调节是通过一维移动平台带动物镜实现,光纤探针三维扫描是通过维移动平台实现的,两个可移动部件彼此分离,互不影响,故一维移动平台粗调节对装置测量精度影响很小,提高了光强分布测量精度;2) The coarse adjustment of the axial position of the fiber optic probe is realized by driving the objective lens through the one-dimensional moving platform, and the three-dimensional scanning of the fiber optic probe is realized through the one-dimensional moving platform. The rough adjustment of the platform has little effect on the measurement accuracy of the device, which improves the measurement accuracy of light intensity distribution;
3)此检测装置对系统结构的机械加工定位要求低、结构简单、器件要求低;3) The detection device has low requirements for mechanical processing and positioning of the system structure, simple structure, and low requirements for components;
4)由监视光源、分光镜和图像采集器构成的监视光路通过光谱分光镜耦合到被测光路中,可以对装置调节和测试过程进行监视。4) The monitoring light path composed of the monitoring light source, beam splitter and image collector is coupled to the measured light path through the spectrum beam splitter, which can monitor the device adjustment and testing process.
附图说明Description of drawings
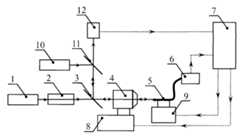
图1为本发明的结构示意图。Fig. 1 is a structural schematic diagram of the present invention.
具体实施方式Detailed ways
下面结合附图和实施例对本发明作进一步说明。The present invention will be further described below in conjunction with drawings and embodiments.
如图1,光学焦点区域三维光强分布检测装置包括系统光源1、光束整形器2、光谱分光镜3、物镜4、光纤探针5、光电传感器6、分析控制单元7、一维移动平台8、三维移动平台9、监视光源10、分光镜11和图像采集器12。光束整形器2、光谱分光镜3、物镜4依次设置在系统光源1出射光束的光路上,光纤探针5的针尖端对应物镜4光束出射方向设置,光纤探针5的光能出射端与光电传感器6连接。一维移动平台8与物镜4固定连接,三维移动平台9与光纤探针5的针尖端连接。监视光源10的出射光束方向上设置有分光镜11,监视光源10的出射光束经过分光镜11反射后射入光谱分光镜3的分光面,其在光谱分光镜3分光面上的射入点与系统光源1在光谱分光镜3分光面上的射入点重合,并且光谱分光镜3的分光面设置在监视光源10经过分光镜11分光面反射后的光束的光路与系统光源1出射光路的角平分线上。图像采集器12设置在监视光源10经过分光镜11分光面反射后光束的反向延长线上。分析控制单元7与一维移动平台8、三维移动平台9、光电传感器6、图像采集器12信号连接。As shown in Figure 1, the three-dimensional light intensity distribution detection device in the optical focus area includes a system light source 1, a
系统光源1为氩离子气体激光器,光束整形器2是扩束倍率可调的光束扩束光学部件,分析控制单元7为工控机,光电传感器6为光电倍增管,光纤探针5采用近场光学显微镜上通用的不待音叉光纤探针,图像采集器12为面阵电荷耦合器件,一维移动平台8为步进电机,三维移动平台9为压电陶瓷位移器,物镜4采用Nikon平常消色差物镜。The system light source 1 is an argon ion gas laser, the
本发明装置的工作过程为系统光源1发射出光束,经过光束整形器2进行扩束和整形后射向光谱分光镜3,光谱分光镜3对于系统光源1射出光束高透过率,光谱分光镜3的透射光束经过物镜4聚会形成被测焦点区域。光纤探针5的针尖设置在物镜4光束出射方向一侧,光纤探针5的光能出射一端与光电传感器6相连接,光纤探针5将针尖处光能收集传输到光电传感器6,实现光电转化,形成与光纤探针5针尖处光强对应的电信号,并且传给分析控制单元7;一维移动平台8与物镜4和分析控制单元7相连接,分析控制单元7控制一维移动平台8带动物镜4在物镜4入射光方向上移动,三维移动平台9与分析控制单元7和光纤探针5的针尖一端相连接,分析控制单元7控制三维移动平台9带动光纤探针针5尖实现三维移动,测试时一维移动平台8首先带动物镜4移动,当光纤探针5的针尖在物镜4焦点区域附近时,一维移动平台8停止移动,由三维移动平台9带动光纤探针5针尖实现三维移动扫描,每个光纤探针5针尖位置上都检测到一个与光纤探针5针尖处光强信号,并传给分析控制单元7,分析控制单元7对光纤探针5三维扫描的各点光强信号进行重构处理,得到物镜4光学焦点区域三维光强分布。在测量过程中,监视光源10发射光束经过分光镜11反射后再被光谱分光镜3反射,经过物镜4聚焦照射到焦点区域,焦点区域反射光束依次经过物镜4、光谱分光镜反射3、分光镜11透射后被图像采集器12接收,将焦点区域情况成像并传输给分析控制单元7,对测量过程进行实时监控,便于装置使用。本实施例成功地对Nikon平常消色差物镜实现了光学焦点区域三维光强分布检测。The working process of the device of the present invention is that the system light source 1 emits a beam, which is expanded and shaped by the
| Application Number | Priority Date | Filing Date | Title |
|---|---|---|---|
| CNA2009100954894ACN101476935A (en) | 2009-01-19 | 2009-01-19 | Three-dimensional light distribution detection apparatus for optical focus area |
| Application Number | Priority Date | Filing Date | Title |
|---|---|---|---|
| CNA2009100954894ACN101476935A (en) | 2009-01-19 | 2009-01-19 | Three-dimensional light distribution detection apparatus for optical focus area |
| Publication Number | Publication Date |
|---|---|
| CN101476935Atrue CN101476935A (en) | 2009-07-08 |
| Application Number | Title | Priority Date | Filing Date |
|---|---|---|---|
| CNA2009100954894APendingCN101476935A (en) | 2009-01-19 | 2009-01-19 | Three-dimensional light distribution detection apparatus for optical focus area |
| Country | Link |
|---|---|
| CN (1) | CN101476935A (en) |
| Publication number | Priority date | Publication date | Assignee | Title |
|---|---|---|---|---|
| CN103454278A (en)* | 2013-08-22 | 2013-12-18 | 杭州电子科技大学 | Microparticle swarm fuel micro-combustion system based on digital holographic optical tweezers |
| CN103454185A (en)* | 2013-08-22 | 2013-12-18 | 杭州电子科技大学 | Single particle fuel micro-combustion, gasification suspension, ignition, imaging and detection system |
| CN106970049A (en)* | 2017-05-15 | 2017-07-21 | 中国工程物理研究院激光聚变研究中心 | Transmissivity distribution measurement system and method |
| CN107870511A (en)* | 2017-12-04 | 2018-04-03 | 江苏维普光电科技有限公司 | Quick scanning means based on double light path and apply its scan method |
| CN108593102A (en)* | 2018-05-23 | 2018-09-28 | 广州大学 | A kind of light intensity test device |
| CN110161843A (en)* | 2019-06-14 | 2019-08-23 | 广东工业大学 | A kind of control method and relevant apparatus of Piezoelectric Driving nanopositioning stage |
| CN110726919A (en)* | 2019-10-25 | 2020-01-24 | 中国电子科技集团公司第四十四研究所 | Array APD photoelectric parameter testing system |
| Publication number | Priority date | Publication date | Assignee | Title |
|---|---|---|---|---|
| CN103454278A (en)* | 2013-08-22 | 2013-12-18 | 杭州电子科技大学 | Microparticle swarm fuel micro-combustion system based on digital holographic optical tweezers |
| CN103454185A (en)* | 2013-08-22 | 2013-12-18 | 杭州电子科技大学 | Single particle fuel micro-combustion, gasification suspension, ignition, imaging and detection system |
| CN103454185B (en)* | 2013-08-22 | 2015-07-22 | 杭州电子科技大学 | Single particle fuel micro-combustion, gasification suspension, ignition, imaging and detection system |
| CN103454278B (en)* | 2013-08-22 | 2015-12-23 | 杭州电子科技大学 | Based on the microparticle swarm fuel micro-combustion system of digital hologram light tweezer |
| CN106970049A (en)* | 2017-05-15 | 2017-07-21 | 中国工程物理研究院激光聚变研究中心 | Transmissivity distribution measurement system and method |
| CN106970049B (en)* | 2017-05-15 | 2024-01-02 | 中国工程物理研究院激光聚变研究中心 | Transmission distribution measuring system and method |
| CN107870511B (en)* | 2017-12-04 | 2021-07-20 | 江苏维普光电科技有限公司 | Double-optical-path-based rapid scanning device and scanning method using same |
| CN107870511A (en)* | 2017-12-04 | 2018-04-03 | 江苏维普光电科技有限公司 | Quick scanning means based on double light path and apply its scan method |
| CN108593102A (en)* | 2018-05-23 | 2018-09-28 | 广州大学 | A kind of light intensity test device |
| CN108593102B (en)* | 2018-05-23 | 2023-07-07 | 广州大学 | A light intensity detection device |
| CN110161843A (en)* | 2019-06-14 | 2019-08-23 | 广东工业大学 | A kind of control method and relevant apparatus of Piezoelectric Driving nanopositioning stage |
| CN110726919A (en)* | 2019-10-25 | 2020-01-24 | 中国电子科技集团公司第四十四研究所 | Array APD photoelectric parameter testing system |
| CN110726919B (en)* | 2019-10-25 | 2021-10-26 | 中国电子科技集团公司第四十四研究所 | Array APD photoelectric parameter testing system |
| Publication | Publication Date | Title |
|---|---|---|
| CN104316506B (en) | Raman probe and Raman signal detection system and method capable of focusing automatically | |
| CN108827172B (en) | Non-contact laser thickness measuring device and method based on solid zoom lens | |
| JP5377738B2 (en) | Flexible non-linear laser scanning microscope for non-invasive 3D detection | |
| CN101476935A (en) | Three-dimensional light distribution detection apparatus for optical focus area | |
| CN116183496B (en) | Ultra-fast pumping detection transient absorption imaging system based on area array CMOS camera | |
| CN106568762A (en) | Scanning type laser induced spectrum surface range analysis and detection system | |
| CN104316507B (en) | Raman signal detection system and method | |
| CN104224117B (en) | It is a kind of optical spectrum encoded confocal imaging method and system to be cooperateed with optical coherence tomography | |
| CN104482881B (en) | Laser stimulated emission loss three-dimensional super-resolution differential confocal imaging method and device | |
| CN102566048A (en) | Astigmatism-based sample axial drift compensating method and device | |
| US20220178750A1 (en) | Coherent anti-stokes raman scattering microscope imaging apparatus | |
| CN105588847B (en) | A large depth OCT scanning device and method for near transparent minerals | |
| CN107765426A (en) | Self-focusing laser scanning projection device based on symmetrical defocus double detector | |
| WO2021180013A1 (en) | Optical apparatus and method for achieving autofocusing | |
| CN101884524A (en) | Wide field of view optical coherence tomographic instrument based on adaptive optical technology | |
| CN103399413B (en) | Double helix light beam-based sample axial drift detection and compensation method and device | |
| JP3670071B2 (en) | Electric field measuring device | |
| CN113589506A (en) | Biological microscopic vision pre-focusing device and method based on spectrum confocal principle | |
| CN118465351A (en) | Micro-area global collaborative characterization photocurrent mapping test system and method | |
| CN211014821U (en) | Microscope | |
| CN115826214A (en) | Confocal light path pixel difference-based focal plane detection method and device | |
| CN115876082A (en) | Measurement method of zero-crossing monitoring based on differential confocal characteristic curve | |
| CN101493376A (en) | Pentaprism combination ultralong focal-length measurement method and apparatus | |
| CN112629680B (en) | Aerial camera focusing device and method based on Shack-Hartmann wavefront sensing | |
| CN201331380Y (en) | Three-dimensional light intensity distribution detection device |
| Date | Code | Title | Description |
|---|---|---|---|
| C06 | Publication | ||
| PB01 | Publication | ||
| C10 | Entry into substantive examination | ||
| SE01 | Entry into force of request for substantive examination | ||
| C12 | Rejection of a patent application after its publication | ||
| RJ01 | Rejection of invention patent application after publication | Application publication date:20090708 |