Movatterモバイル変換


[0]ホーム

URL:


CN101349339A - Drive shaft structure - Google Patents

Drive shaft structure
Download PDF

Info

Publication number
CN101349339A
CN101349339ACNA2007101305806ACN200710130580ACN101349339ACN 101349339 ACN101349339 ACN 101349339ACN A2007101305806 ACNA2007101305806 ACN A2007101305806ACN 200710130580 ACN200710130580 ACN 200710130580ACN 101349339 ACN101349339 ACN 101349339A
Authority
CN
China
Prior art keywords
platform
shaft structure
screw
structure according
nut
Prior art date
Legal status (The legal status is an assumption and is not a legal conclusion. Google has not performed a legal analysis and makes no representation as to the accuracy of the status listed.)
Pending
Application number
CNA2007101305806A
Other languages
Chinese (zh)
Inventor
杨天德
廖洪佐
陈鸿杰
Current Assignee (The listed assignees may be inaccurate. Google has not performed a legal analysis and makes no representation or warranty as to the accuracy of the list.)
MJC Probe Inc
Original Assignee
MJC Probe Inc
Priority date (The priority date is an assumption and is not a legal conclusion. Google has not performed a legal analysis and makes no representation as to the accuracy of the date listed.)
Filing date
Publication date
Application filed by MJC Probe IncfiledCriticalMJC Probe Inc
Priority to CNA2007101305806ApriorityCriticalpatent/CN101349339A/en
Publication of CN101349339ApublicationCriticalpatent/CN101349339A/en
Pendinglegal-statusCriticalCurrent

Links

Images

Landscapes

Abstract

The invention relates to a transmission shaft structure, which comprises a screw and a sliding part coaxially arranged with the screw, wherein the sliding part is arranged in a sleeve in a penetrating way, the screw is driven by a motor to rotate and can perform linear displacement parallel to the axial direction of the screw, and can synchronously drive the sliding part to rotate and linearly displace in the sleeve parallel to the axial direction of the sliding part, one end of the sliding part is connected with a platform which can be driven by the sliding part to move, the sliding part replaces the structure of a traditional sliding seat and a sliding rail, and the sliding part is coaxially and integrally arranged with the screw, so the concentricity of the sliding part and the screw can be ensured, the precision is high, the assembly, the maintenance, the adjustment or the part replacement is easy, and the occupied space can be reduced.

Description

Transmission shaft structure
Technical field
The present invention relates to a kind of transmission shaft structure, be meant a kind of transmission shaft especially slider and the one-body molded setting of screw coaxial.
Background technique
Generally be used for controlling the driving mechanism of machine table or detection platform linear displacement, mainly be by drive motor, screw rod and slide rail constitute, see also TaiWan, China application for a patent for invention case shown in Figure 1 number No. 93110783 " IC detection device (two) ", described IC detection device has an elevator mechanism, it is atsupport 46, a side of 56 is provided with two vertical slides 462,562 and one swivel nut 463,563, to be assembled invertical slide rail 47 respectively, 57 withlongitudinal screw 48, on 58, andlongitudinal screw 48,58 by belt (among the figure not label) respectively bymotor 49,59 drive, when describedmotor 49,59 drive describedlongitudinal screw 48, during 58 rotations, can drive and be installed in describedsupport 46,56 with vertical slide 462,562 atslide rail 47, make the shift reciprocately of Z direction (being Vertical direction) on 57, the described IC detection device traversing structure of arranging in pairs or groups in addition, its member is to make flowing mode similar to described elevator mechanism, different place only is that its screw rod and slide rail direction are horizontal-extending (vertical with the direction of aforementioned elevator mechanism), will not describe in detail at this.
See also shown in Figure 2 again, TaiWan, China application for a patent for invention case number No. 88117649 " flat display board machines ", this case discloses the driving mechanism of another kind of detection platform linear displacement, itsboard 20 has apedestal 21, on describedpedestal 21, be provided with a workingplatform 30, described workingplatform 30 comprises twoX-axis slide rails 311, on described twoX-axis slide rails 311, be provided with anX-axis substrate 31, describedX-axis substrate 31 bottoms are provided with ajoint seat 314, and be linked in anX-axis ball screw 313 by aball nut 315, describedX-axis ball screw 313 is to drive rotatable by amotor 312, so drive describedworking platform 30 and do the X-axis displacement, and drive the driving mechanism that describedworking platform 30 does the Y-axis displacement is by two Y-axis slide rails 321, one Y-axis substrate 32, onejoint seat 324, oneball nut 325, one Y-axis ball screw 323, and themotor 322 that drives described Y-axis ball screw 323 constitutes, so drive describedworking platform 30 and do the Y-axis displacement, making the device that the Z axle moves as for being used for driving describedworking platform 30, then is to adopt the pneumatic cylinder (not shown).
More above-mentioned two existing structures as can be known, can pass through belt, transmission component such as chain or gear links the pto and the screw rod (structure as shown in Figure 1) of drive motor, also can be with screw rod and the coaxial setting of motor power output shaft (structure as shown in Figure 2), also as seen screw thread is set on the market at the motor power output shaft, with direct conduction power, suitably reduction volume and institute thereof take up space, right aforementioned structure all is the relations at motor and screw rod, and screw rod is always two independent components that separate setting with slide rail, therefore, when adjustment platform displacement validity, screw rod and slide rail are organized in adjustment simultaneously more, and with the slide of slide rail collocation, slide block, members such as joint seat, especially the parallelism of screw rod and slide rail, its adjustment mode is difficult for, and must expend a large amount of artificial and times, and because of its member complexity, not only take up space, and it is difficult with maintenance to change spare part.
Mandatory declaration is in addition, existing structure shown in Figure 2 is to adopt pneumatic cylinder to control describedworking platform 30 to do the upper and lower displacement of Z axle, though this driving mode is habitually practised by general dealer, and described pneumatic cylinder can oil hydraulic cylinder replaces, so the shortcoming with air pressure or oil pressure actuated is that its start speed is slow, the phenomenon that distant control often has terminal pressure to reduce, and oil pressure is easily because of the ambient temperature effect leakage of oil, cause energy dissipation, in addition, its topmost drawback is, can't accurately locate in the neutral position, therefore, at non-section type height adjuster or equipment, the mode that must adopt aforementioned screw rod to cooperate still with slide rail.
Summary of the invention
Because the disappearance of prior art; main purpose of the present invention is to propose a kind of transmission shaft structure, with slider and the one-body molded setting of screw coaxial, is replaced the structure of traditional slide and slide rail by described slider; can guarantee slider and screw rod concentricity, improve the precision height.
Secondary objective of the present invention is to propose a kind of transmission shaft structure, and it is simple in structure, be easy to assembling, maintenance, adjustment or renewal part, and can reduce institute and take up space.
For achieving the above object, the present invention proposes a kind of transmission shaft structure, and it includes:
One screw rod, it is rotatable by motor driven, and can make to be parallel to the linear displacement of described screw axial; And a slider, it is and described screw coaxial setting, and described screw rod and described slider be one-body molded, described slider is to be located in the external member; So, when screw rod rotates, can drive synchronously that described slider rotates and parallel its axially in the displacement of described external member internal linear.
Preferably, described slider is the rectangular cylindrical body with certain-length, and described external member is a sliding sleeve.
Preferably, described sliding sleeve is to be positioned on the board.
Preferably, described screw rod outer cover is provided with a nut, described nut is that the pto by driving component and described motor is connected, described motor outputs power and drives described nut rotation via described driving component, drives described screw rod by described nut again and rotates and can do to be parallel to its axial linear displacement.
Preferably, described nut is a ball nut.
Preferably, described nut is to be positioned on the board.
Preferably, described driving component can be belt, chain one of them or its combination.
Preferably, it more comprises a platform, and it has the supporting plane of a loaded object, and described platform is that the end with described slider is connected, and the supporting plane that axially is perpendicular to described platform of described screw rod.
Preferably, described platform and described slider are mutual pivot joints, and described platform can't be rotated with described slider.
Preferably, be provided with bearing between described platform and the described slider.
For achieving the above object, the technical solution used in the present invention also comprises:
A kind of platform with transmission shaft structure is characterized in that it includes: a platform, and it has a supporting plane and is used for loaded object; One transmission shaft structure is arranged on described platform bottom, and it comprises: at least one screw rod, and it axially is perpendicular to the supporting plane of described platform, and described screw rod is rotatable by a motor driven, and can make to be parallel to the linear displacement of described screw axial; And at least one slider, it is and described screw coaxial setting, and described screw rod and described slider be one-body molded, described slider is to be located in the external member, and an end of described slider is and described platform bottom links.
Preferably, described slider is the rectangular cylindrical body with certain-length, and described external member is a sliding sleeve.
Preferably, described sliding sleeve is to be positioned on the board.
Preferably, described screw rod outside has screwed togather a nut, described nut is that the pto by driving component and described motor is connected, described motor outputs power and drives described nut rotation via described driving component, drives described screw rod by described nut again and rotates and can do to be parallel to its axial linear displacement.
Preferably, described nut is a ball nut.
Preferably, described nut is to be positioned on the board.
Preferably, described driving component is one of them or its combination of belt, chain.
Preferably, described platform and described slider are mutual pivot joints.
Preferably, be provided with bearing between described platform and the described slider.
Compared with prior art; the beneficial effect that the present invention has is: the structure that is replaced traditional slide and slide rail by described slider; can guarantee the concentricity of slider and screw rod; the precision height; be easy to assembling, maintenance, adjustment or renewal part; and can reduce institute and take up space, be useful in the machine table of linear displacement or detection platform and use and make association area, be particularly suited for driving the macrotype platform linear displacement
Description of drawings
Fig. 1 and Fig. 2 are the structural representations of existing two kinds of driving mechanisms;
Fig. 3 is the structural representation of a preferred embodiment of the present invention;
Fig. 4 is the structural representation of another preferred embodiment of the present invention.
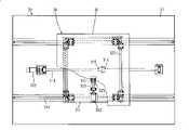
Description of reference numerals: 10-transmission shaft structure; The 11-screw rod; The 12-slider; The 13-ball nut; The 131-belt; The 14-drive motor; The 141-pto; The 15-external member; The 151-ball; The 20-platform; The 21-supporting plane; The 22-bearing; The 30-board; 31,32-location piece; The Lc-axis.
Embodiment
See also shown in Figure 3,transmission shaft structure 10 proposed by the invention, it mainly comprises ascrew rod 11 and aslider 12, describedscrew rod 11 is provided with in vertical direction, describedslider 12 is the one-body molded tops that are arranged on describedscrew rod 11 of coaxial line Lc, the top of describedslider 12 is to be articulated with aplatform 20, describedplatform 20 has a supportingplane 21 that is used for loaded object, the axis Lc of describedscrew rod 11,slider 12 is perpendicular to described supportingplane 21, also promptly, described supportingplane 21 is to be horizontally disposed with; Secondly, outside describedscrew rod 11, screwed togather aball nut 13, describedball nut 13 is to be positioned on theboard 30 bylocation piece 31, and be connected with thepto 141 of adrive motor 14 by abelt 131, as well known to the skilled person, describedbelt 131 also can be chain or other have the driving component of identical transmission agency.
When describeddrive motor 14 rotates, power can be driven describedbelt 131 by describedpto 141 outputs rotates, and then drive describedball nut 13 and rotate, because describedball nut 13 is to screw togather with describedscrew rod 11, and describedball nut 13 is to be positioned on theboard 30, therefore can drive that describedscrew rod 11 rotates and in describedball nut 13 along axis Lc linear displacement, at the same time, describedscrew rod 11 can drive that describedslider 12 rotates and along axis Lc linear displacement, again because describedslider 12 is to be connected with describedplatform 20, therefore can drive describedplatform 20 moves up and down, mandatory declaration be, between describedslider 12 and describedplatform 20, be provided withbearing 22, therefore, describedplatform 20 can not rotate along with the rotation of describedslider 20, if but described bearing 22 is not set, and when one group oftransmission shaft structure 10 only is set, as shown in Figure 4, then can drive describedplatform 20 rotation and upper and lower displacements, the motor of the describedscrew rod 11 of display driver not in Fig. 4 is can determine portion of setting within it or outside according to the size ofboard 30 because of motor.
Moreover, as shown in Figure 3, be provided with anexternal member 15 in describedslider 12 outer cover, describedexternal member 15 is to be positioned on the describedboard 30 bylocation piece 32,12 of described sliders are located in the describedexternal member 15, describedexternal member 15 can be diagram inside and has the sliding sleeve form ofball 151, its role is to support describedslider 12, the stability that provides it to move, as for the fit system of describedslider 12 with describedexternal member 15, with general habitual form, describedslider 12 is the rectangular cylindrical bodys with certain-length, and describedexternal member 15 then is cylindric.
In sum; transmission shaft structure provided by the invention; it is characterized in thatslider 12 andscrew rod 11 coaxial one-body molded settings, replace the structure of traditional slide and slide rail, can guarantee the concentricity ofslider 12 andscrew rod 11 by described slider; the precision height; especially be applied in the driving macrotype platform, for example during the detection platform of large scale liquid crystal display device, in the platform bottom many groups be set simultaneously; not only be easy to assembling, maintenance, adjustment parallelism or renewal part, and can reduce the institute take up space.
More than explanation is just illustrative for the purpose of the present invention, and it is nonrestrictive, those of ordinary skills understand, under the situation of the spirit and scope that do not break away from claim and limited, can make many modifications, variation or equivalence, but but all will fall within the claim restricted portion of the present invention.

Claims (19)

Translated fromChinese
1.一种传动轴结构,其特征在于,其包含有:1. A drive shaft structure, characterized in that it comprises:一螺杆,其是通过马达驱动可转动,且可作平行于所述的螺杆轴向的线性位移;以及a screw, which is driven by a motor to be rotatable and capable of linear displacement parallel to the axial direction of said screw; and一滑动件,其是与所述的螺杆同轴设置,且所述的螺杆与所述的滑动件是一体成型,所述的滑动件是穿设在一套件内。A sliding piece is arranged coaxially with the screw rod, and the screw rod and the sliding piece are integrally formed, and the sliding piece is passed through a sleeve.2.根据权利要求1所述的传动轴结构,其特征在于:所述的滑动件是长条圆柱体,所述的套件是一滑套。2. The drive shaft structure according to claim 1, characterized in that: the sliding member is a long cylinder, and the sleeve is a sliding sleeve.3.根据权利要求2所述的传动轴结构,其特征在于:所述的滑套是定位于一机台上。3. The transmission shaft structure according to claim 2, wherein the sliding sleeve is positioned on a machine table.4.根据权利要求1所述的传动轴结构,其特征在于:所述的螺杆外部螺合有一螺帽,所述的螺帽是通过传动件与所述的马达的动力输出轴相连结,所述的马达将动力输出经由所述的传动件驱动所述的螺帽转动,再由所述的螺帽驱动所述的螺杆转动且可作平行于其轴向的线性位移。4. The transmission shaft structure according to claim 1, characterized in that: said screw is screwed with a nut outside, and said nut is connected with the power output shaft of said motor through a transmission member, so The motor outputs power through the transmission member to drive the nut to rotate, and then the nut drives the screw to rotate and can perform a linear displacement parallel to its axial direction.5.根据权利要求4所述的传动轴结构,其特征在于:所述的螺帽是一滚珠螺帽。5. The drive shaft structure according to claim 4, wherein the nut is a ball nut.6.根据权利要求4所述的传动轴结构,其特征在于:所述的螺帽是定位于---机台上。6. The transmission shaft structure according to claim 4, characterized in that: said nut is positioned on --- machine.7.根据权利要求4所述的传动轴结构,其特征在于:所述的传动件是皮带、链条其中之一或其组合。7. The transmission shaft structure according to claim 4, characterized in that: said transmission member is one of a belt, a chain or a combination thereof.8.根据权利要求1所述的传动轴结构,其特征在于:更包括一平台,其具有一承载物件的承载面,所述的平台是与所述的滑动件的一端相连结,且所述的螺杆的轴向是垂直于所述的平台的承载面。8. The transmission shaft structure according to claim 1, further comprising a platform, which has a bearing surface for carrying objects, said platform is connected with one end of said slider, and said The axial direction of the screw is perpendicular to the bearing surface of the platform.9.根据权利要求8所述的传动轴结构,其特征在于:所述的平台与所述的滑动件是相互枢接。9. The transmission shaft structure according to claim 8, wherein the platform and the sliding member are pivotally connected to each other.10.根据权利要求9所述的传动轴结构,其特征在于:所述的平台与所述的滑动件之间设有轴承。10. The transmission shaft structure according to claim 9, characterized in that: a bearing is provided between the platform and the sliding member.11.一种具有传动轴结构的平台,其特征在于,其包含有:11. A platform with a drive shaft structure, characterized in that it comprises:一平台,其具有一承载面用来承载物件;A platform, which has a carrying surface for carrying objects;一传动轴结构,是设置在所述的平台底部,其包括:A transmission shaft structure is arranged at the bottom of the platform, which includes:至少一螺杆,其轴向是垂直于所述的平台的承载面,所述的螺杆是由一马达驱动可转动,且可作平行于所述的螺杆轴向的线性位移;以及at least one screw, the axial direction of which is perpendicular to the bearing surface of the platform, the screw is rotatable driven by a motor, and can be linearly displaced parallel to the axial direction of the screw; and至少一滑动件,其是与所述的螺杆同轴设置,且所述的螺杆与所述的滑动件是一体成型,所述的滑动件是穿设在一套件内,且所述的滑动件的一端是与所述的平台底部连结。At least one sliding piece is arranged coaxially with the screw rod, and the screw rod and the sliding piece are integrally formed, the sliding piece is passed through a sleeve, and the sliding piece One end is connected with the bottom of the platform.12.根据权利要求11所述的具有传动轴结构的平台,其特征在于:所述的滑动件是长条圆柱体,所述的套件是一滑套。12. The platform with transmission shaft structure according to claim 11, characterized in that: said sliding member is a long cylinder, and said sleeve is a sliding sleeve.13.根据权利要求12所述的具有传动轴结构的平台,其特征在于:所述的滑套是定位于一机台上。13. The platform with a drive shaft structure according to claim 12, wherein the sliding sleeve is positioned on a machine table.14.根据权利要求11所述的具有传动轴结构的平台,其特征在于:所述的螺杆外部螺合有一螺帽,所述的螺帽是通过传动件与所述的马达的动力输出轴相连结,所述的马达将动力输出经由所述的传动件驱动所述的螺帽转动,再由所述的螺帽驱动所述的螺杆转动且可作平行于其轴向的线性位移。14. The platform with transmission shaft structure according to claim 11, characterized in that: said screw is screwed with a nut outside, and said nut is connected with the power output shaft of said motor through a transmission member. connected, the motor outputs power to drive the nut to rotate through the transmission member, and then the nut drives the screw to rotate and can perform a linear displacement parallel to its axial direction.15.根据权利要求14所述的具有传动轴结构的平台,其特征在于:所述的螺帽是一滚珠螺帽。15. The platform with a transmission shaft structure according to claim 14, wherein said nut is a ball nut.16.根据权利要求14所述的具有传动轴结构的平台,其特征在于:所述的螺帽是定位于一机台上。16. The platform with transmission shaft structure according to claim 14, characterized in that: said nut is positioned on a machine table.17.根据权利要求14所述的具有传动轴结构的平台,其特征在于:所述的传动件是皮带、链条其中之一或其组合。17. The platform with transmission shaft structure according to claim 14, characterized in that: said transmission member is one of a belt, a chain or a combination thereof.18.根据权利要求11所述的具有传动轴结构的平台,其特征在于:所述的平台与所述的滑动件是相互枢接。18. The platform with transmission shaft structure according to claim 11, characterized in that: said platform and said sliding member are pivotally connected to each other.19.根据权利要求18所述的具有传动轴结构的平台,其特征在于:所述的平台与所述的滑动件之间设有轴承。19. The platform with transmission shaft structure according to claim 18, characterized in that: a bearing is provided between the platform and the sliding member.
CNA2007101305806A2007-07-182007-07-18 Drive shaft structurePendingCN101349339A (en)

Priority Applications (1)

Application NumberPriority DateFiling DateTitle
CNA2007101305806ACN101349339A (en)2007-07-182007-07-18 Drive shaft structure

Applications Claiming Priority (1)

Application NumberPriority DateFiling DateTitle
CNA2007101305806ACN101349339A (en)2007-07-182007-07-18 Drive shaft structure

Publications (1)

Publication NumberPublication Date
CN101349339Atrue CN101349339A (en)2009-01-21

Family

ID=40268241

Family Applications (1)

Application NumberTitlePriority DateFiling Date
CNA2007101305806APendingCN101349339A (en)2007-07-182007-07-18 Drive shaft structure

Country Status (1)

CountryLink
CN (1)CN101349339A (en)

Cited By (12)

* Cited by examiner, † Cited by third party
Publication numberPriority datePublication dateAssigneeTitle
CN103246060A (en)*2012-12-282013-08-14清华大学Deformation mirror
CN103548708A (en)*2013-11-212014-02-05黄娟娟Triangular feed supply device with internal spline rings and limiting nuts
CN103548706A (en)*2013-11-212014-02-05孟姣姣Square feed supply device with screw caps and limiting nuts
CN103548707A (en)*2013-11-212014-02-05范爱苏Worm-type feed supply device with screw caps and position sensors
CN103548705A (en)*2013-11-212014-02-05俞群涛Square feed supply device with screw caps and position sensors
CN103548704A (en)*2013-11-212014-02-05黄三甦Rectangular feed supply device with internal spline rings and limiting nuts
CN103563762A (en)*2013-11-212014-02-12范爱苏Rectangular feed supplying device provided with screw caps and position sensors
CN103563761A (en)*2013-11-212014-02-12张霞Triangular feed supplying device provided with inner spline rings and position sensors
CN103583393A (en)*2013-11-212014-02-19孙旭东Square fodder feeding device with internal spline ring and position sensor
CN103583392A (en)*2013-11-212014-02-19范盛林Oblong fodder feeding device with internal spline rings and position sensors
CN103583386A (en)*2013-11-212014-02-19俞升洋Worm type fodder feeding device with internal spline ring and limiting nut
CN103598109A (en)*2013-11-212014-02-26孟祖钢Triangular fodder feeder with threaded nuts and limit nuts

Cited By (15)

* Cited by examiner, † Cited by third party
Publication numberPriority datePublication dateAssigneeTitle
CN103246060A (en)*2012-12-282013-08-14清华大学Deformation mirror
CN103548708A (en)*2013-11-212014-02-05黄娟娟Triangular feed supply device with internal spline rings and limiting nuts
CN103548706A (en)*2013-11-212014-02-05孟姣姣Square feed supply device with screw caps and limiting nuts
CN103548707A (en)*2013-11-212014-02-05范爱苏Worm-type feed supply device with screw caps and position sensors
CN103548705A (en)*2013-11-212014-02-05俞群涛Square feed supply device with screw caps and position sensors
CN103548704A (en)*2013-11-212014-02-05黄三甦Rectangular feed supply device with internal spline rings and limiting nuts
CN103563762A (en)*2013-11-212014-02-12范爱苏Rectangular feed supplying device provided with screw caps and position sensors
CN103563761A (en)*2013-11-212014-02-12张霞Triangular feed supplying device provided with inner spline rings and position sensors
CN103583393A (en)*2013-11-212014-02-19孙旭东Square fodder feeding device with internal spline ring and position sensor
CN103583392A (en)*2013-11-212014-02-19范盛林Oblong fodder feeding device with internal spline rings and position sensors
CN103583386A (en)*2013-11-212014-02-19俞升洋Worm type fodder feeding device with internal spline ring and limiting nut
CN103598109A (en)*2013-11-212014-02-26孟祖钢Triangular fodder feeder with threaded nuts and limit nuts
CN103548707B (en)*2013-11-212014-11-12嵊州市百恩贸易有限公司Worm-type feed supply device with screw caps and position sensors
CN103563761B (en)*2013-11-212014-12-10张霞Triangular feed supplying device provided with inner spline rings and position sensors
CN103583386B (en)*2013-11-212015-01-21俞升洋Worm type fodder feeding device with internal spline ring and limiting nut

Similar Documents

PublicationPublication DateTitle
CN101349339A (en) Drive shaft structure
CN101017129B (en)Multifunctional micro friction wear testing machine
CN101696904B (en)Rotor system simulation test bed of variable rigidity bearing
CN101575013A (en)Intelligent three dimensional microgravity air feet
CN100540214C (en)stop module
CN110763453A (en) A multifunctional test bench for testing the performance of automobile steering gear
CN101347921A (en)Double cutting feed rotating seal main shaft of honing machine
JP2020506054A (en) Air injection edge bending machine
CN206200500U (en)A kind of speed changer follower press-loading device
JP2020506055A (en) Air injection edge bending machine
CN209064965U (en) Lifting and turning mechanism
CN203164594U (en)PCB (printed circuit board) exposure machine and rectification mechanism thereof
CN206200501U (en)A kind of speed changer planetary ring gear, the assembly equipment of bearing
CN108343826A (en)A kind of Three Degree Of Freedom Manual medical mobile platform
CN204964180U (en)Shifting fork fatigue testing machine
CN101105273A (en)Multiple angle automatic regulation device of vehicle lamp for lighting
CN216326041U (en)Smooth transmission sliding table robot
CN104575227A (en)Three-degree-of-freedom six-bar variable input link mechanism experiment table
CN201024280Y (en)Yarn moving regulation device for computerized flat knitting machine
CN103217875A (en)PCB (printed circuit board) exposure machine and correction mechanism thereof
MY164351A (en)Invert mechanism for a glassware forming machine
CN206767105U (en)A kind of hot stamping inker material transfer device
CN204565205U (en)A kind of hydraulic-driven with automatically detect the slide unit unit head combined
CN105093702A (en)Friction device and using method thereof
CN206457609U (en)Knee leans on sensor

Legal Events

DateCodeTitleDescription
C06Publication
PB01Publication
C10Entry into substantive examination
SE01Entry into force of request for substantive examination
C02Deemed withdrawal of patent application after publication (patent law 2001)
WD01Invention patent application deemed withdrawn after publication

Open date:20090121


[8]ページ先頭

©2009-2025 Movatter.jp