Movatterモバイル変換


[0]ホーム

URL:


CN101262513A - Miniature scanner shooting mobile phone - Google Patents

Miniature scanner shooting mobile phone
Download PDF

Info

Publication number
CN101262513A
CN101262513ACNA2008100942464ACN200810094246ACN101262513ACN 101262513 ACN101262513 ACN 101262513ACN A2008100942464 ACNA2008100942464 ACN A2008100942464ACN 200810094246 ACN200810094246 ACN 200810094246ACN 101262513 ACN101262513 ACN 101262513A
Authority
CN
China
Prior art keywords
mobile phone
shooting mobile
miniscanning instrument
photo
shooting
Prior art date
Legal status (The legal status is an assumption and is not a legal conclusion. Google has not performed a legal analysis and makes no representation as to the accuracy of the status listed.)
Pending
Application number
CNA2008100942464A
Other languages
Chinese (zh)
Inventor
陶建新
Current Assignee (The listed assignees may be inaccurate. Google has not performed a legal analysis and makes no representation or warranty as to the accuracy of the list.)
Individual
Original Assignee
Individual
Priority date (The priority date is an assumption and is not a legal conclusion. Google has not performed a legal analysis and makes no representation as to the accuracy of the date listed.)
Filing date
Publication date
Application filed by IndividualfiledCriticalIndividual
Priority to CNA2008100942464ApriorityCriticalpatent/CN101262513A/en
Publication of CN101262513ApublicationCriticalpatent/CN101262513A/en
Pendinglegal-statusCriticalCurrent

Links

Images

Landscapes

Abstract

The invention relates to a photo mobile phone provided with a micro scanner, which is provided with a photo mobile phone with a built-in digital camera. The photo mobile phone is provided with the micro scanner adopting modularized design; the working power of the micro scanner is provided by a power circuit of the photo mobile phone and an input end of a DSP of the built-in digital camera is provided with a multiplexer; a multimedia menu of the photo mobile phone is provided with a scanner submenu and a security setting menu is provided with a fingerprint submenu; a software system of the photo mobile phone is provided with an OCR software, a plain text format procedure and a fingerprint recognition unit software. The photo mobile phone keeps all functions of the existing photo mobile phone as well as conveniently scans and extracts the information of partial content; the scanned information can be displayed, consulted and modified on a screen of the photo mobile phone, which greatly improves the noting efficiency of reading books and information, is practical and convenient and broadens the application range of the photo mobile phone; the photo mobile phone can also substitute fingerprint authentication for code to open and close a phone lock and a card lock, which has easy operation and promotes the use safety of mobile phones.

Description

The shooting mobile phone that the miniscanning instrument is arranged
Technical field
The present invention relates to a kind of shooting mobile phone that the miniscanning instrument is installed.
Background technology
The shooting mobile phone that built in digital camera is arranged is the main product of existing mobile phone consumption market, and have 1,300,000 above high-pixel cameras several leading is the standard configuration of present shooting mobile phone, existing high pixel shooting mobile phone removes can clap the scene (comprising autos heterodyne) of getting in the life at any time to obtain information or abundant the life, the scanner of more in working and learning, can " having substituted ", can be anywhere directly to magazine, books etc. (comprise invoice, contract, file, proof) whole page of data " scanning " (promptly taking pictures), by the data transmission interface between mobile phone and computer the whole page or leaf data of shooting mobile phone " scanning " is transferred to computer afterwards, these data can picture mode be kept in the computer, also can use the software systems that are provided with in the computer picture is processed into revisable plain text format, in use can't realize the interested local content data of institute in the whole page or leaf data is scanned extracts conveniently but have shooting mobile phone now, and the data that will scan shows on the shooting mobile phone screen, consult, revise.
The structure of existing mobile phone, making mobile phone keying of phone lock and kayser in security set is to carry out with pin mode is set, and can't realize controlling with fingerprint the keying of mobile phone phone lock and kayser.
Summary of the invention
The technical problem to be solved in the present invention provides a kind of in the existing shooting mobile phone repertoire while of maintenance, can reading see in the data process realize whole page or leaf data in interested local content data whip to scan extracts, and the scanning data can show on the shooting mobile phone screen, consults, revise; Can also control the shooting mobile phone that the miniscanning instrument is arranged of the keying of mobile phone phone lock and kayser with fingerprint.
For this reason, the invention provides a kind of shooting mobile phone that the miniscanning instrument is arranged, it comprises the shooting mobile phone with built in digital camera, and described built in digital camera can have one or more cameras; Shooting mobile phone is equipped with a miniscanning instrument of being made up of light source, lens pillar, linear imaging sensor and A/D (mould/number) transducer, and the miniscanning instrument adopts modularized design to be integrated in one; The power for operation of miniscanning instrument is provided by the power circuit in the shooting mobile phone; The data input pin of built in digital camera DSP (image processor) is provided with a multiplexer, CPU by shooting mobile phone carries out work order, and control miniscanning instrument DID output or the output of built in digital camera camera is sent into DSP through multiplexer; Be provided with the scanner submenu in the multimedia menu of shooting mobile phone, select the scanner submenu during application operating and press corresponding programmable button on the shooting mobile phone, shooting mobile phone just enters the scanner operating state, the scanning head of miniscanning instrument is slipped over above the interested local content data gently near institute in the data, the corresponding topical content material that is slipped over just deposits in the shooting mobile phone, be provided with OCR (optical character identification) software and plain text format program in the software systems of shooting mobile phone, the plain text format program has word at least, execl, among the ppt one, shooting mobile phone can make whole page or leaf data of " scanning " (promptly taking pictures) and local content data that scanning is taken passages show on the shooting mobile phone screen, consult, revise; Be provided with in the software systems of shooting mobile phone can register fingerprint and can with the phone lock of mobile phone and the integrated Fingerprint Identification Unit software of kayser cryptographic association, be provided with the fingerprint submenu in the security set menu of shooting mobile phone, the scanning head that to point under the guiding of fingerprint submenu at the miniscanning instrument slips over registration or the operation of finishing on mobile phone of editor's fingerprint gently, finger slips over gently at scanning head during normal the use, just realized substituting with finger print identifying the keying of cryptographic session machine lock and kayser, simple and safe avoid mobile phone and card are illegally used.
Described linear imaging sensor is the photosensory assembly of one dimension, 6 to 200 millimeters of length, and image sensor devices is CIS (contact-type image sensor) or CCD (charge coupled device) or CMOS (complementary metal oxide semiconductors (CMOS)).
Described installation can be that the miniscanning instrument directly is fixedly installed in the shooting mobile phone maybe can be to peg graft with miniscanning instrument USB interface plug and shooting mobile phone USB interface jack that the miniscanning instrument is installed on shooting mobile phone maybe can be with miniscanning instrument and the connection of shooting mobile phone usefulness usb data transmission line outward.
Of the present invention have the shooting mobile phone of miniscanning instrument keeping existing shooting mobile phone repertoire, comprise because of it and have built in digital camera, can conveniently realize simultaneously " scanning " of whole page or leaf data, because the miniscanning instrument is installed, a can whip to scan and take passages interested local content data in the data, thereby has increased substantially the efficient of taking down notes when data is seen in reading; Be provided with OCR software and plain text format program in the software systems of b shooting mobile phone, the whole page or leaf or the local data of scanning can show on the shooting mobile phone screen, consult, revise, and be practical and convenient; Be provided with integrated Fingerprint Identification Unit software in the software systems of c shooting mobile phone, substitute the keying that password is realized dialogue machine lock and kayser, processing ease with finger print identifying; D miniscanning instrument employing modularized design is integrated in one and is suitable for large-scale production, and cost is low, has widened the shooting mobile phone range of application and has improved the fail safe that mobile phone uses.
Description of drawings
Below in conjunction with accompanying drawing three kinds of execution modes of the present invention are described further.
Fig. 1 is the schematic diagram that the present invention has first kind of execution mode of shooting mobile phone of miniscanning instrument.
Fig. 2 is the schematic diagram that the present invention has second kind of execution mode of shooting mobile phone of miniscanning instrument.
Fig. 3 is the schematic diagram that the present invention has the third execution mode of shooting mobile phone of miniscanning instrument.
Fig. 4 is existing shooting mobile phone " scanning " logic diagram.
Fig. 5 is the shooting mobile phone scanning logic figure that the present invention has the miniscanning instrument.
Fig. 6 is that the present invention has the shooting mobile phone of miniscanning instrument to be electrically connected schematic diagram.
Embodiment
Accompanyingdrawing 1 in conjunction with the accompanyingdrawings 5 and accompanyingdrawing 6 provided first kind of execution mode of the shooting mobile phone that the miniscanning instrument is arranged,miniscanning instrument 1 directly is fixedly installed in the shootingmobile phone 3, have on the housing of shootingmobile phone 3 and the suitable through hole of the scanninghead 101 ofminiscanning instrument 1, it makes the work light ofminiscanning instrument 1 unimpeded; When in the multimedia menu of shootingmobile phone 3, selecting the scanner submenu and pressing correspondingprogrammable button 2 on the shootingmobile phone 3, shooting mobile phone just enters the scanner operating state, the position that hand-held shootingmobile phone 3 will be arranged in scanninghead 101 slips over above the interested local content data 7 gently near data institute, and the corresponding topical content material 7 that is slipped over is just deposited in thememory 303 of shootingmobile phone 3; By the width of the local content data 7 of effective scanning is the length of linear imaging sensor 105, and linear imaging sensor 105 length are preferably at 6 to 24 millimeters, preferred CIS of image sensor devices or CCD; 5 pairs of whole page orleaf data 6 of camera with shootingmobile phone 3 built in digital camera are carried out " scanning " (promptly taking pictures), and the whole page or leaf data of obtaining 6 is also deposited in thememory 303 of shootingmobile phone 3; Use the OCR software and the plain text format program software that are provided with in the shootingmobile phone 3, can immediately whole page orleaf data 6, the local content data 7 that scans be shown, consult, revise on thescreen 4 of shootingmobile phone 3; Be provided with Fingerprint Identification Unit software in the software systems of shooting mobile phone, in the security set menu of shooting mobile phone, select the fingerprint submenu, local content data 7 with finger under the guiding of fingerprint submenu slips over registration or the operation of finishing on mobile phone of editor's fingerprint gently at thescanning head 101 ofminiscanning instrument 1, local content data 7 with finger when using slips over gently at scanninghead 101, has just realized that finger print identifying substitutes the keying of cryptographic session machine lock and kayser.
Accompanyingdrawing 2 in conjunction with the accompanyingdrawings 5 and accompanyingdrawing 6 provided second kind of execution mode of the shooting mobile phone that the miniscanning instrument is arranged, shootingmobile phone 3 is provided withUSB interface jack 301,miniscanning instrument 1 connects aUSB interface plug 102, the root ofminiscanning instrument 1 andUSB interface plug 102 is fixed in the housing, have on this housing and the suitable through hole of thescanning head 101 ofminiscanning instrument 1, it makes the work light ofminiscanning instrument 1 unimpeded, and pegging graft with shooting mobile phoneUSB interface jack 301 with miniscanning instrumentUSB interface plug 102 is installed onminiscanning instrument 1 outside the shooting mobile phone 3.Linear imaging sensor 105 length are preferably at 18 to 60 millimeters, preferred CIS of image sensor devices and CMOS.The power for operation ofminiscanning instrument 1 is provided byUSB interface jack 301 by the power circuit in the shootingmobile phone 3 305.
Accompanyingdrawing 3 in conjunction with the accompanyingdrawings 5 and accompanyingdrawing 6 provided the third execution mode of the shooting mobile phone that the miniscanning instrument is arranged, shootingmobile phone 3 is provided withUSB interface jack 301, one termination of usbdata transmission line 107 hasUSB interface plug 102, the other end is connected inminiscanning instrument 1 and together is fixed in the housing withminiscanning instrument 1, have on this housing and the suitable through hole of thescanning head 101 ofminiscanning instrument 1, it makes the work light ofminiscanning instrument 1 unimpeded,USB interface plug 102 is inserted shooting mobile phoneUSB interface jack 301,miniscanning instrument 1 and 107 connections of shootingmobile phone 3 usefulness usb data transmission lines.Linear imaging sensor 105 length are preferably at 120 to 200 millimeters, the preferred CCD of image sensor devices.The power for operation ofminiscanning instrument 1 is provided byUSB interface jack 301 by the power circuit in the shootingmobile phone 3 305.
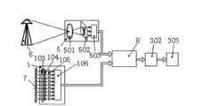
Fig. 4 is existing shooting mobile phone " scanning " logic diagram, being dwindled into optical imagery byconvex lens 501 focusing of the light of the whole page orleaf data 6 of " scanning " (taking pictures) bycamera 5 projects on dotmatrix image transducer 502 surfaces of camera, be converted to analog electrical signal then, convert data image signal to through camera A/D (mould/number)transducer 503, deliver in theimage processor 302 and to be stored in thememory 303 of shooting mobile phone after handling.
Fig. 5 is the shooting mobile phone scanning logic figure that the present invention has the miniscanning instrument, the light of thelight source 103 ofminiscanning instrument 1 shines on local content data 7 original copys, produce the reverberation (reflection original text) of chart as feature, project on linear imaging sensor 105 surfaces with the reflection original text that the scan manuscript width equates through lens pillar 104, be converted to analog electrical signal then, convert data image signal to through scanner A/D (mould/number)transducer 106; Select control bymultiplexer 8, determine the data image signal that scanner A/D (mould/number)transducer 106 is that change out or camera A/D (mould/number)transducer 503 is changed out, send into and be stored in thememory 303 of shooting mobile phone after handling in theimage processor 302.
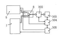
Fig. 6 is that the present invention has the shooting mobile phone of miniscanning instrument to be electrically connected schematic diagram, CPU304 by shootingmobile phone 3 finishes explanation and the execution in interior work order ofminiscanning instrument 1,camera 5,multiplexer 8,image processor 302,memory 303 andpower circuit 305, and thepower circuit 305 in the shootingmobile phone 3 provides power for operation to miniscanninginstrument 1 andcamera 5.

Claims (3)

1, a kind of shooting mobile phone that the miniscanning instrument is arranged, comprise shooting mobile phone (3) with built in digital camera, described built in digital camera can have one or more cameras (5), it is characterized in that: shooting mobile phone (3) is equipped with a miniscanning instrument (1) of being made up of light source (103), lens pillar (104), linear imaging sensor (105) and A/D converter (106), and miniscanning instrument (1) adopts modularized design to be integrated in one; The power for operation of miniscanning instrument (1) is provided by the power circuit (305) in the shooting mobile phone (3); The data input pin of built in digital camera image processor (302) is provided with a DID multiplexer (8) control miniscanning instrument (1) output or built in digital camera camera (5) output and sends into image processor (302); Be provided with the scanner submenu in the multimedia menu of shooting mobile phone (3), be provided with the fingerprint submenu in the security set menu; Be provided with OCR software, plain text format program and integrated Fingerprint Identification Unit software in the software systems of shooting mobile phone (3).
CNA2008100942464A2008-04-242008-04-24Miniature scanner shooting mobile phonePendingCN101262513A (en)

Priority Applications (1)

Application NumberPriority DateFiling DateTitle
CNA2008100942464ACN101262513A (en)2008-04-242008-04-24Miniature scanner shooting mobile phone

Applications Claiming Priority (1)

Application NumberPriority DateFiling DateTitle
CNA2008100942464ACN101262513A (en)2008-04-242008-04-24Miniature scanner shooting mobile phone

Publications (1)

Publication NumberPublication Date
CN101262513Atrue CN101262513A (en)2008-09-10

Family

ID=39962711

Family Applications (1)

Application NumberTitlePriority DateFiling Date
CNA2008100942464APendingCN101262513A (en)2008-04-242008-04-24Miniature scanner shooting mobile phone

Country Status (1)

CountryLink
CN (1)CN101262513A (en)

Cited By (7)

* Cited by examiner, † Cited by third party
Publication numberPriority datePublication dateAssigneeTitle
CN102244720A (en)*2011-07-082011-11-16杨鹏Scanner camera
CN102364926A (en)*2011-10-212012-02-29镇江科大船苑计算机网络工程有限公司Android-based intelligent information conversion method
CN103678434A (en)*2012-09-062014-03-26虹光精密工业股份有限公司Method for automatically converting format of scanned image document
CN105791615A (en)*2014-12-242016-07-20株式会社理光Scanning device and scanning system
CN107147786A (en)*2017-05-052017-09-08广东小天才科技有限公司Image acquisition control method and device for intelligent terminal
WO2018171560A1 (en)*2017-03-202018-09-27北京金山办公软件股份有限公司Method and device for quickly inserting recognized word
CN110751113A (en)*2019-10-242020-02-04维沃移动通信有限公司Scanning method and electronic equipment

Cited By (10)

* Cited by examiner, † Cited by third party
Publication numberPriority datePublication dateAssigneeTitle
CN102244720A (en)*2011-07-082011-11-16杨鹏Scanner camera
CN102364926A (en)*2011-10-212012-02-29镇江科大船苑计算机网络工程有限公司Android-based intelligent information conversion method
CN103678434A (en)*2012-09-062014-03-26虹光精密工业股份有限公司Method for automatically converting format of scanned image document
CN105791615A (en)*2014-12-242016-07-20株式会社理光Scanning device and scanning system
CN105791615B (en)*2014-12-242019-04-16株式会社理光Scanning means and scanning system
WO2018171560A1 (en)*2017-03-202018-09-27北京金山办公软件股份有限公司Method and device for quickly inserting recognized word
CN108628814A (en)*2017-03-202018-10-09珠海金山办公软件有限公司A kind of method and device of quick insertion identification word
CN107147786A (en)*2017-05-052017-09-08广东小天才科技有限公司Image acquisition control method and device for intelligent terminal
CN110751113A (en)*2019-10-242020-02-04维沃移动通信有限公司Scanning method and electronic equipment
CN110751113B (en)*2019-10-242023-01-13维沃移动通信有限公司Scanning method and electronic equipment

Similar Documents

PublicationPublication DateTitle
CN101262513A (en)Miniature scanner shooting mobile phone
JP2002366941A (en)Palm office assistant
US20060103893A1 (en)Cellular telephone based document scanner
TWI239754B (en)Mobile phone system with card character recognition function
WO1994022371A2 (en)Portable fingerprint scanning apparatus for identification verification
CN105893997A (en)Image and text scanning pen and scanning method for area-of-interest for users
US6637663B2 (en)Scanning apparatus with the appearance of pen
US20030146903A1 (en)Wired keyboard with built-in web camera
JPH099014A (en) Image processing device with area image sensor
CN110807501A (en)Portable two-dimensional code projection equipment
JP4648042B2 (en) Image processing system
CN202798910U (en)Scanner capable of being controlled by speeches
US10438043B2 (en)Method and system for identifying fingerprint
CN203104611U (en)Multifunctional integrated-type multi-camera fully-informationalized office equipment
CN111788568A (en) Method and apparatus for generating multiple pieces of information by sensing multiple wavelength bandwidths with a camera
US20120229821A1 (en)Integrated contact image sensor module and image scanning system
US20150229795A1 (en)Scanner having address management function
JP3082825U (en) Wireless transmission CMOS image sensor scanner
US20090135454A1 (en)Digital Tracing Device for Digitizing and Displaying a Document
CN219392691U (en)AI (analog to digital) point reading pen of point reading integrated machine
CN208890892U (en)A kind of Novel scanner
US20040022450A1 (en)Image correction method able to avoid error image
US20050117911A1 (en)Multifunctional optical device
KR200383899Y1 (en)Digital camera with Optical Character Recognition (OCR) function
US20040165222A1 (en)Image device combined with scanning device and video device

Legal Events

DateCodeTitleDescription
C06Publication
PB01Publication
C10Entry into substantive examination
SE01Entry into force of request for substantive examination
C12Rejection of a patent application after its publication
RJ01Rejection of invention patent application after publication

Open date:20080910


[8]ページ先頭

©2009-2025 Movatter.jp