Movatterモバイル変換


[0]ホーム

URL:


CN101207255B - An audio signal switching device - Google Patents

An audio signal switching device
Download PDF

Info

Publication number
CN101207255B
CN101207255BCN2006102013270ACN200610201327ACN101207255BCN 101207255 BCN101207255 BCN 101207255BCN 2006102013270 ACN2006102013270 ACN 2006102013270ACN 200610201327 ACN200610201327 ACN 200610201327ACN 101207255 BCN101207255 BCN 101207255B
Authority
CN
China
Prior art keywords
audio signal
usb
plug
audio
transmission line
Prior art date
Legal status (The legal status is an assumption and is not a legal conclusion. Google has not performed a legal analysis and makes no representation as to the accuracy of the status listed.)
Expired - Fee Related
Application number
CN2006102013270A
Other languages
Chinese (zh)
Other versions
CN101207255A (en
Inventor
钟新鸿
李晓光
谢冠宏
Current Assignee (The listed assignees may be inaccurate. Google has not performed a legal analysis and makes no representation or warranty as to the accuracy of the list.)
Hongfujin Precision Industry Shenzhen Co Ltd
Hon Hai Precision Industry Co Ltd
Original Assignee
Hongfujin Precision Industry Shenzhen Co Ltd
Hon Hai Precision Industry Co Ltd
Priority date (The priority date is an assumption and is not a legal conclusion. Google has not performed a legal analysis and makes no representation as to the accuracy of the date listed.)
Filing date
Publication date
Application filed by Hongfujin Precision Industry Shenzhen Co Ltd, Hon Hai Precision Industry Co LtdfiledCriticalHongfujin Precision Industry Shenzhen Co Ltd
Priority to CN2006102013270ApriorityCriticalpatent/CN101207255B/en
Publication of CN101207255ApublicationCriticalpatent/CN101207255A/en
Application grantedgrantedCritical
Publication of CN101207255BpublicationCriticalpatent/CN101207255B/en
Expired - Fee Relatedlegal-statusCriticalCurrent
Anticipated expirationlegal-statusCritical

Links

Images

Landscapes

Abstract

The invention provides an audio signal switching device, which comprises a first switching sub-device and a secondary switching sub-device. The first switching sub-device comprises an audio connecting plug and a first USB connecting structure, which obtains the audio signal from the audio player and transfers the audio signal to the USB transmission line. The secondary switching sub-device comprises an audio socket and a secondary USB connecting structure, and transfers the audio signal on the USB transmission line to the earphones and the loudspeaker cabinets and other equipment. The switching device enhances the function of the USB transmission line, and improves the utilization ratio of the device.

Description

A kind of audio signal switching device
Technical field
The present invention relates to a kind of audio signal switching device, particularly about a kind of audio switching device that can share USB (USB).
Background technology
The various portable mobile electronic products that are widely current in the market, as mobile phone, music player etc.Because portable mobile electronic product volume microminiaturization need play sound by earphone, therefore above-mentioned electronic product more and more need be worn earphone, and all designs very long in order to make the user obtain bigger degree of freedom earphone cord.The USB transmission line is used in these electronic products and the data of external equipment and the transmission of data simultaneously more.In the use of portable mobile electron, earphone and the USB transmission line element that all is absolutely necessary, therefore the user often need prepare USB transmission line and earphone simultaneously, and earphone cord, USB transmission line all have very long transmission line, like this to the user to the management of earphone and USB transmission line with carry and all bring very big inconvenience, and cause the waste of circuit.
Summary of the invention
Therefore the invention provides a kind of audio signal switching device, use this switching device and to be transferred on the equipment such as earphone by USB transmission line audio signal.
Described audio signal switching device comprises:
The sub-device of one first switching, it comprises an audio frequency attachment plug and a USB syndeton.This audio frequency attachment plug is divided into left channel audio signal link, right channel audio signal link, power connector end and audio frequency ground link, the one USB syndeton and USB transmission line are coupled and left channel audio signal link, right channel audio signal link, power connector end are connected to one to one correction data line, negative data line and the power line of USB transmission line, audio frequency ground link are connected to the earth connection of USB transmission line.The sub-device of this first switching reaches the USB transmission line with audio signal.
The sub-device of one second switching, it comprises an audio socket and the 2nd USB syndeton.This audio socket is divided into left channel audio signal link, right channel audio signal link, power connector end and audio frequency ground link, the 2nd USB syndeton and USB transmission line are coupled and left channel audio signal link, right channel audio signal link, power connector end are connected to one to one correction data line, negative data line and the power line of USB transmission line, audio frequency ground link are connected to the earth connection of USB transmission line.The sub-device of this second switching obtains the audio signal that described audio frequency attachment plug transmits by the USB transmission line.
Described audio signal switching device also can include: an audio socket and a USB syndeton, this audio socket is divided into left channel audio signal link, right channel audio signal link, power connector end and audio frequency ground link, described USB syndeton and USB transmission line are coupled and left channel audio signal link, right channel audio signal link, power connector end are connected to one to one correction data line, negative data line and the power line of USB transmission line, audio frequency ground link are connected to the earth connection of USB transmission line.
Audio switching device provided by the invention can improve the utilance of USB transmission line, reaches the purpose of thin device.
Description of drawings
Fig. 1 is the structural representation of audio signal switching device of the present invention.
Fig. 2 is the internal electric connection diagram of the sub-device of first switching.
Fig. 3 is the internal electric connection diagram of the sub-device of second switching.
Embodiment
Consulting Fig. 1, is the structural representation of audio signal switching device of the present invention.Described switching device comprises onefirst sub-device 3 of switching and thesub-device 4 of one second switching, connects the plug (calling first plug 1 andsecond plug 2 in the following text) at aUSB transmission line 5 two ends respectively.Sub-device 3 one ends of described first switching are audiofrequency attachment plug 31, and this audiofrequency attachment plug 31 can be 3.5 millimeters audio jack of standard.Described audiofrequency attachment plug 31 can be connected to the audio output interface of equipment such as MP3 player, notebook computer and PC.The other end of thesub-device 3 of this first switching is aUSB syndeton 32 that can be connected with USB transmission line first plug 1.Sub-device 4 one ends of described second switching are the2nd USB syndeton 41 that is connected with USB transmission linesecond plug 2, and the other end is anaudio socket 42, and thisaudio socket 42 can be 3.5 millimeters audio sockets of standard, can connect other audio output apparatus.
Consulting Fig. 2, is the internal electric connection diagram of thesub-device 3 of first switching.A describedUSB syndeton 32 comprises correction data line (Data+) terminal, negative data line (Data-) terminal, power line (Vcc) terminal and earth connection (GND) terminal.The audiofrequency attachment plug 31 of thesub-device 3 of described first switching is divided into electric independently four sections: be followed successively by left channel audio signal link A, right channel audio signal link B, power connector end C and audio frequency ground link D, be connected with correction data line (Data+) terminal, negative data line (Data-) terminal, power line (Vcc) terminal and earth connection (GND) terminal of aUSB syndeton 32 respectively.
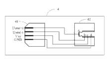
Consulting Fig. 3, is the internal electric connection diagram of thesub-device 4 of second switching.Described the2nd USB syndeton 42 comprises correction data line (Data+) terminal, negative data line (Data-) terminal, power line (Vcc) terminal and earth connection (GND) terminal.Theaudio socket 42 of thesub-device 4 of described second switching is divided into electric independently four sections: be followed successively by left channel audio signal link a, right channel audio signal link b, power connector end c and audio frequency ground link d, be connected with correction data line (Data+) terminal, negative data line (Data-) terminal, power line (Vcc) terminal and earth connection (GND) terminal of the2nd USB syndeton 41 respectively.
Please consult Fig. 1 once more, when thefirst switching sub-device 3 was connected with first plug 1 ofUSB transmission line 5 by aUSB syndeton 32, first plug, the 1 corresponding terminal (scheming not show) of correction data line (Data+) terminal of aUSB syndeton 32, negative data line (Data-) terminal, power line (Vcc) terminal and earth connection (GND) terminal andUSB transmission line 5 was coupled.That is correction data line (Data+) terminal of aUSB syndeton 32 correction data line (Data+) terminal of first plug 1 that is coupled; Be coupled negative data line (Data-) terminal of first plug 1 of negative data line (Data-) terminal of the oneUSB syndeton 32; Be coupled power line (Vcc) terminal of first plug 1 of the power line of the one USB syndeton 32 (Vcc) terminal; Be coupled earth connection (GND) terminal of first plug 1 of the earth connection of the one USB syndeton 32 (GND) terminal.
Equally, when thesecond switching sub-device 4 was connected withsecond plug 2 ofUSB transmission line 5 by the2nd USB syndeton 41, second plug, the 2 corresponding terminals (scheming not show) of correction data line (Data+) terminal of the2nd USB syndeton 41, negative data line (Data-) terminal, power line (Vcc) terminal and earth connection (GND) terminal andUSB transmission line 5 were coupled.
Switching device is electrically connected and is not limited to aforesaid way.Left channel audio signal link A, right channel audio signal link B, the power connector end C of the audiofrequency attachment plug 31 of thesub-device 3 of first switching can be connected one to one with correction data line (Data+) terminal, negative data line (Data-) terminal and power line (Vcc) terminal of aUSB syndeton 32, and its annexation is not limited to the described situation of Fig. 2.And the audio frequency ground link of audiofrequency attachment plug 31 is connected in earth connection (GND) terminal of a USB syndeton 31.Audio socket 42 each link (left channel audio signal link a, right channel audio signal link b, power connector end c) of thesub-device 4 of second switching are identical with each terminal annexation of the annexation of the2nd USB syndeton 41 each terminal and audiofrequency attachment plug 31 each link and aUSB syndeton 32.
For example, negative data line (Data-) terminal, power connector end C that the left channel audio signal link A of audiofrequency attachment plug 31 connects aUSB syndeton 32 are connected in power line (Vcc) terminal, and right channel audio signal link B is connected in correction data line (Data+) terminal; Signal for audiofrequency attachment plug 31 can sendaudio socket 42 to byUSB transmission line 5 so, negative data line (Data-) terminal, power connector end c that the left channel audio signal link a ofaudio socket 42 connects the2nd USB syndeton 32 are connected in power line (Vcc) terminal, and right channel audio signal link b is connected in correction data line (Data+) terminal.
When the audio frequency attachment plug 31 of thesub-device 3 of described first switching was connected to the audio output interface of equipment such as MP3 player, notebook computer and PC, audio signal can be transferred to theaudio socket 42 of thesub-device 4 of second switching byUSB transmission line 5 from the audiofrequency attachment plug 31 of thesub-device 3 of first switching again.
Three kinds of modes when below exemplifying switching device and specifically using:
One: the audiofrequency attachment plug 31 of thesub-device 3 of first switching is inserted audio-frequence player device (for example mp3 player) and is obtained audio signal.A describedUSB syndeton 32 is a recessed structure, and its first plug 1 with the USB transmission line is coupled, and this first plug 1 is a USB transmission line standard A type plug.Audio signal reaches the USB transmission line by thesub-device 3 of this first switching.The2nd USB syndeton 41 is one to be convexly equipped with structure, second plug, 2 couplings of itself and USB transmission line, and thissecond plug 2 is a USB transmission line standard Type B plug.Equipment such as earphone, audio amplifier inserts theaudio socket 42 of thesub-device 4 of second switching, and audio signal reaches earphone, audio amplifier etc. by thesub-device 4 of this second switching.
The audiofrequency attachment plug 31 of its two: thefirst sub-devices 3 of switching is inserted audio-frequence player device (for example mp3 player) and can be obtained audio signal.A describedUSB syndeton 32 is one to be convexly equipped with structure, first plug, 1 coupling of itself and USB transmission line, and this first plug 1 is a USB transmission line standard Type B plug.Audio signal reaches the USB transmission line by thesub-device 3 of this first switching.Described the2nd USB syndeton 41 is a recessed structure, and itssecond plug 2 with the USB transmission line is coupled, and thissecond plug 2 is a USB transmission line standard A type plug.Equipment such as earphone, audio amplifier inserts theaudio socket 42 of thesub-device 4 of second switching, and audio signal reaches earphone, audio amplifier etc. by thesub-device 4 of this second switching.
Its three: then can omit thesub-device 3 of first switching for audio-frequence player device, directly first plug 1 of USB transmission line be inserted audio frequency apparatus and obtain audio signal by the USB port output audio signal.The2nd USB syndeton 41 of thesub-device 4 of second switching is one to be convexly equipped with structure, and itssecond plug 2 with the USB transmission line is coupled, and thissecond plug 2 is a USB transmission line standard B plug.Equipment such as earphone, audio amplifier inserts theaudio socket 42 of thesub-device 4 of second switching, and audio signal reaches earphone, audio amplifier etc. by thesub-device 4 of this second switching.

Claims (6)

The sub-device of one second switching, it comprises an audio socket and the 2nd USB syndeton, this audio socket is divided into the left channel audio signal link, the right channel audio signal link, power connector end and audio frequency ground link, second plug coupling of the 2nd USB syndeton and USB transmission line is with the left channel audio signal link, the right channel audio signal link, power connector end is connected to the correction data line of second plug of USB transmission line one to one, the negative data line, power line, audio frequency ground link is connected to the earth connection of USB transmission line, and second plug of the sub-device of this second switching by the USB transmission line obtains the audio signal that transmits from the audio frequency attachment plug of the sub-device of described first switching.
CN2006102013270A2006-12-192006-12-19 An audio signal switching deviceExpired - Fee RelatedCN101207255B (en)

Priority Applications (1)

Application NumberPriority DateFiling DateTitle
CN2006102013270ACN101207255B (en)2006-12-192006-12-19 An audio signal switching device

Applications Claiming Priority (1)

Application NumberPriority DateFiling DateTitle
CN2006102013270ACN101207255B (en)2006-12-192006-12-19 An audio signal switching device

Publications (2)

Publication NumberPublication Date
CN101207255A CN101207255A (en)2008-06-25
CN101207255Btrue CN101207255B (en)2010-09-29

Family

ID=39567229

Family Applications (1)

Application NumberTitlePriority DateFiling Date
CN2006102013270AExpired - Fee RelatedCN101207255B (en)2006-12-192006-12-19 An audio signal switching device

Country Status (1)

CountryLink
CN (1)CN101207255B (en)

Families Citing this family (3)

* Cited by examiner, † Cited by third party
Publication numberPriority datePublication dateAssigneeTitle
CN101217225B (en)*2007-01-052011-07-27鸿富锦精密工业(深圳)有限公司 An audio signal switching device
CN101800375B (en)*2009-02-072012-06-20富士康(昆山)电脑接插件有限公司Socket connector and plug connector matched with same
CN102201827B (en)*2011-06-152014-02-19天地融科技股份有限公司Audio signal receiving and switching device and audio signal transmission system

Citations (4)

* Cited by examiner, † Cited by third party
Publication numberPriority datePublication dateAssigneeTitle
CN1215237A (en)*1997-10-161999-04-28夏普公司Plug-socket type transmission device and plug-socket type photo/electricity transmission device
CN2716898Y (en)*2004-04-192005-08-10郭明波A USB interface conversion device
CN2750527Y (en)*2004-10-272006-01-04唐勇Switching interface
CN1832631A (en)*2005-03-112006-09-13台均科技(深圳)有限公司Earphone with USB plug

Patent Citations (4)

* Cited by examiner, † Cited by third party
Publication numberPriority datePublication dateAssigneeTitle
CN1215237A (en)*1997-10-161999-04-28夏普公司Plug-socket type transmission device and plug-socket type photo/electricity transmission device
CN2716898Y (en)*2004-04-192005-08-10郭明波A USB interface conversion device
CN2750527Y (en)*2004-10-272006-01-04唐勇Switching interface
CN1832631A (en)*2005-03-112006-09-13台均科技(深圳)有限公司Earphone with USB plug

Also Published As

Publication numberPublication date
CN101207255A (en)2008-06-25

Similar Documents

PublicationPublication DateTitle
CN101217225B (en) An audio signal switching device
CN101207256B (en) An audio signal switching device
US10483599B2 (en)Magnetically attached battery pack with audio interface
CN100576656C (en)Portable consumer electronic device and method for reducing number of external connecting pieces required by same
US7544089B2 (en)Adapter for USB and audio interface
CN105867874A (en)A user device
CN102201826B (en)Audio signal switching and receiving device and audio signal transmission system
US9924260B2 (en)Audio accessory including a headphone with separate sockets
CN106785699A (en)Adapter
US9357297B2 (en)Audio signal adapter device and system for transmitting audio signal
US11146882B2 (en)Earphone
CN101207255B (en) An audio signal switching device
CN101419484B (en)Composite audio interface cabinet
CN206759673U (en)Earphone
CN204498316U (en)Earphone socket and electronic equipment
CN218734880U (en)Earphone switching circuit compatible with single-ended and balanced output
CN222691055U (en) A conversion cable for converting a three-pole audio plug to a four-pole audio jack
CN218482499U (en)One-to-two audio converter
CN218549017U (en)Switchable USB circuit
CN106937192A (en)Earphone
GB2562237A (en)An audio kit with earphones or headphones
TW200833151A (en)An audio connector
CN206742616U (en) Adapter cable
JP2013122698A (en)Audio equipment
CN204810500U (en)Earphone transmission device

Legal Events

DateCodeTitleDescription
C06Publication
PB01Publication
C10Entry into substantive examination
SE01Entry into force of request for substantive examination
C14Grant of patent or utility model
GR01Patent grant
C17Cessation of patent right
CF01Termination of patent right due to non-payment of annual fee

Granted publication date:20100929

Termination date:20131219


[8]ページ先頭

©2009-2025 Movatter.jp