Movatterモバイル変換


[0]ホーム

URL:


CN101124772B - Communications cable powered system with mechanism for determining the resistance of the communications cable - Google Patents

Communications cable powered system with mechanism for determining the resistance of the communications cable
Download PDF

Info

Publication number
CN101124772B
CN101124772BCN2006800054698ACN200680005469ACN101124772BCN 101124772 BCN101124772 BCN 101124772BCN 2006800054698 ACN2006800054698 ACN 2006800054698ACN 200680005469 ACN200680005469 ACN 200680005469ACN 101124772 BCN101124772 BCN 101124772B
Authority
CN
China
Prior art keywords
circuit
voltage
resistance
lead
magnitude
Prior art date
Legal status (The legal status is an assumption and is not a legal conclusion. Google has not performed a legal analysis and makes no representation as to the accuracy of the status listed.)
Expired - Fee Related
Application number
CN2006800054698A
Other languages
Chinese (zh)
Other versions
CN101124772A (en
Inventor
J·赫博尔德
Current Assignee (The listed assignees may be inaccurate. Google has not performed a legal analysis and makes no representation or warranty as to the accuracy of the list.)
Analog Devices International ULC
Linear Technology LLC
Original Assignee
LINEAR TECHN Inc
Priority date (The priority date is an assumption and is not a legal conclusion. Google has not performed a legal analysis and makes no representation as to the accuracy of the date listed.)
Filing date
Publication date
Priority claimed from US11/334,456external-prioritypatent/US7511515B2/en
Application filed by LINEAR TECHN IncfiledCriticalLINEAR TECHN Inc
Publication of CN101124772ApublicationCriticalpatent/CN101124772A/en
Application grantedgrantedCritical
Publication of CN101124772BpublicationCriticalpatent/CN101124772B/en
Expired - Fee Relatedlegal-statusCriticalCurrent
Anticipated expirationlegal-statusCritical

Links

Images

Classifications

Landscapes

Abstract

Translated fromChinese

一种新型的系统和方法,用于确定通信电缆中导线的电阻,所述通信电缆具有至少两对导线用于从供电设备向用电设备供电。测量机构可以在供电设备向通信电缆供电之前确定导线的DC电阻。

Figure 200680005469

A novel system and method for determining the resistance of conductors in a communications cable having at least two pairs of conductors for powering a powered device from a power sourcing device to a powered device. The measurement agency can determine the DC resistance of the wire before the power supply equipment supplies power to the communication cable.

Figure 200680005469

Description

The system that passes through the telecommunication cable power supply with the mechanism that is used for definite telecommunication cable resistance
The application requires U.S. Provisional Patent Application number 60/646; 509 priority; The applying date of this application is on January 25th, 2005, and denomination of invention is " system and method (SYSTEM AND METHOD FOR SUPPORTING ADVANCED POWER OVERETHERNET SYSTEM) of supporting advanced POE system ".
Technical field
The present invention relates to electric power system, more particularly, relate to the circuit and the method for the resistance that is used for confirming the system's telecommunication cable through the telecommunication cable power supply.
Background technology
In several years, Ethernet has become the most frequently used method of LAN in the past.802.3 groups of IEEE, the promoter of ethernet standard had developed the extension form of this standard already, was called IEEE 802.3af, and definition is through the Ethernet cable power supply.Said IEEE 802.3af standard definition POE (PoE) system, the twisted-pair feeder that this system relates to through non-shielding is transferred to the power consumption equipment (PD) that is positioned at the link opposite side with electric power from power supply unit (PSE).Traditionally, the network equipment is such as IP phone, and Wireless LAN access point, personal computer need two with web camera and be connected: one is connected to LAN, and another is connected to electric power system.Said PoE system has been eliminated needs extra socket and wiring, to supply power to the network equipment.The substitute is, through being used for the Ethernet cable power supply of transfer of data.
As defined in the IEEE 802.3af standard, PSE and PD are non-data entities, allow the network equipment to use cable power supply similar with being used for transfer of data and acquisition electric power.PSE is the equipment that is electrically connected to cable at physical point of attachment, and it is supplied power to link.PSE usually and Ethernet switch, router, hub or other network switching equipment or in stride power supply unit and link to each other.PD is the equipment that obtains power supply or request power supply.PD can with such as digital IP phone, wireless network access point, PDA or notebook computer docking station, charger for mobile phone links to each other with equipment such as HVAC thermostats.
The major function of PSE is the PD search link for request power supply, alternatively PD is carried out classification, if detect PD then to said link power supply, and the power supply on the monitoring link, and cut off the electricity supply in request no longer or when needing.PD participates in the PD testing process through appearing by the PoE detection signal of IEEE802.3af standard definition.
If said detection signal is effective, PD can select to present graded signal to PSE, can extract how many electric energy when powering on to be illustrated in.Really define the level not according to PD, PSE provides the electric power that needs to PD.
IEEE 802.3af standard to describe through using in the CAT-5 cable common-mode voltage between 2 groups of twisted-pair feeders, come through the Ethernet distribution.At present, said regulation requires through the power of 4 distribution in 8 leads that contain usually in unshielded twisted pair (UTP) the CAT-5 cable up to 13W.But, can increase distribution through cable.Because security regulations, it is difficult increasing the voltage of carrying through cable.Therefore, must electric current be increased on the existing 350mA maximum.When electric current increased, the resistance in the CAT-5 distribution absorbed more multipotency.This possibly cause the cable heating or reduce the power that cable termination can be used for consuming.
Can reduce cable resistance through using all leads in the CAT-5 cable.It is half that this should make cable resistance reduce.If use all above-mentioned leads to transmit electricity, guarantee that the connectedness of all 8 leads in the cable and conductibility just become of crucial importance.
In order to reduce the power loss in the cable and to guarantee that said cable can transmit electric power, hope to create measuring mechanism, to confirm the conductor resistance in the cable.
The PoE system will be connected to the couple of conductor of identical transformer coil and be used as single conductor.Therefore, need to measure the right DC resistance of each said lead.
In addition, the PoE system links together two leads through transformer coil.Therefore, lead is with to connecting, and coil forms the DC short circuit between them.If the resistance of one of them lead is higher than other leads far away, transformer will be saturated, stops the Ethernet data transmission.Therefore, hope to confirm independently of one another the independent resistance of every lead in the cable.
Summary of the invention
The invention provides a kind of novel system and method, be used for confirming the resistance of telecommunication cable lead, said telecommunication cable has at least two pairs of leads and is used for supplying power to power consumption equipment from power supply unit.
For example, measuring mechanism of the present invention can be arranged on and be used for through the system of Ethernet cable to the power consumption equipment power supply.
Specifically, said measuring mechanism can be confirmed the DC resistance that lead is right.Said resistance can be confirmed before the telecommunication cable power supply at power supply unit.
According to an aspect of the present invention, the said measuring mechanism resistance that can be independent of second pair of lead is confirmed the resistance of first pair of lead.
According to a further aspect in the invention, said measuring mechanism can be independent of the resistance that the resistance of other leads in the cable is confirmed a lead in the telecommunication cable.
According to one embodiment of present invention, said telecommunication cable can comprise first and second groups of leads, is made up of two pairs of leads for every group.
Said measuring mechanism can have signal circuit, is used to provide index signal, begins to the powered device process of measurement.Said power consumption equipment can activate shunt regulator and respond said index signal.
In addition, said measuring mechanism can comprise the electric current lock-on circuit, and being used for provides scheduled current at first group of lead.In order to respond this electric current, shunt regulator can produce the input voltage value of power consumption equipment.
Said measuring mechanism can comprise tension measuring circuit, is used to measure first magnitude of voltage and second magnitude of voltage of second group of lead on first group of lead.Second magnitude of voltage can corresponding power consumption equipment input voltage value.
Said measuring mechanism can be confirmed the resistance of first group of lead according to difference and predetermined current value between first magnitude of voltage and second magnitude of voltage.
In addition, said measuring mechanism can be confirmed the resistance of any two pairs of leads in the telecommunication cable, confirms the independent resistance of couple of conductor to be independent of other right resistance.
According to another embodiment of the invention, said measuring mechanism can comprise the electric current lock-on circuit, and being used for provides scheduled current in first and second pairs of leads of the cable of being made up of two pairs of leads.Tension measuring circuit can be measured first magnitude of voltage of first and second pairs of leads of power supply unit side cross-over connection of cable, responds scheduled current.
In addition, between first and second pairs of leads, apply the input voltage of power consumption equipment, respond scheduled current.Sampling and holding circuit can provide the sampling and the maintenance of input voltage, with sampling and the retention value that produces said input voltage.
When scheduled current was cut off, said tension measuring circuit can be measured second magnitude of voltage of first and second pairs of leads of power supply unit side cross-over connection of cable.The sampling and the retention value of the corresponding said input voltage of said second magnitude of voltage.
Can confirm the resistance that first and second leads are right according to difference and predetermined current value between first magnitude of voltage and second magnitude of voltage.
According to another embodiment of the invention, the electric current lock-on circuit provides scheduled current in first and second pairs of leads.In order to respond said scheduled current, between first and second pairs of leads, apply input voltage value with the proportional power consumption equipment of reference voltage level.
First magnitude of voltage that tension measuring circuit is measured between first and second pairs of leads of power supply unit side responds said scheduled current, and when said scheduled current is cut off second magnitude of voltage between first and second pairs of leads of measurement power supply unit side.The corresponding said reference voltage level of second magnitude of voltage.
The resistance of first and second pairs of leads according to first magnitude of voltage and and the proportional input voltage value of second magnitude of voltage between poor, and predetermined current value.
According to another embodiment of the invention, the system that is used to supply power can comprise the transformer with tapped coil, and the lead that is used for power supply unit is connected to telecommunication cable is right.Each tapped coil is connected to a right lead of lead.Can capacity cell be provided between tapped coil, be used to prevent that the DC between the tapped coil from connecting.As a result, can not rely on the resistance that the resistance of other leads in the cable is confirmed a lead.
According to another aspect of the present invention, local area network (LAN) can comprise at least one pair of network node, hub and have at least the first and second leads and to being used for said network node is connected to hub so that the telecommunication cable of data communication to be provided.Said hub has power supply unit, is used for powering to the load through telecommunication cable.Said network comprises measuring mechanism, is used for confirming the resistance of lead.
Through following detailed description, those skilled in the art can understand other advantages of the present invention and aspect more easily, wherein, illustrate and disclosed embodiments of the invention, and the form that only is used for the best mode of embodiment of the present invention with explanation provides.As what disclosed, the present invention can be with other implement with various embodiment, and its some details can improve with various conspicuous modes, and all these improve and do not depart from spirit of the present invention.Therefore, accompanying drawing and explanation are regarded as illustrative, rather than restrictive.
Description of drawings
Below can access best understanding to the detailed description of the embodiment of the invention through combining following accompanying drawing, wherein, characteristic is not necessarily to draw in proportion, but draws with form that can the best illustrated correlated characteristic, wherein:
Fig. 1 is the sketch map that PoE of the present invention system is shown.
Fig. 2 is the sketch map that the present invention's first exemplary embodiment is shown.
Fig. 3 a is the sketch map that second exemplary embodiment of the present invention is shown.
Fig. 3 b is the sketch map that the 3rd exemplary embodiment of the present invention is shown.
Fig. 3 c is the sketch map that the 4th exemplary embodiment of the present invention is shown.
Fig. 4 is the sketch map that the 5th exemplary embodiment of the present invention is shown.
Fig. 5 is the sketch map that the 6th exemplary embodiment of the present invention is shown.
Fig. 6 is the sketch map that the 7th exemplary embodiment of the present invention is shown.
Fig. 7 is the sketch map that the 8th exemplary embodiment of the present invention is shown.
Fig. 8 is the sketch map that the 9th exemplary embodiment of the present invention is shown.
Embodiment
The present invention is used for confirming that with utilization the measuring mechanism of PoE system cable resistance describes for example.But, obvious, the design that this paper disclosed can be applicable to any system through cable power supply.For example, system of the present invention can be used for Local Area Network, and said local area network (LAN) has a plurality of nodes, hub and node is connected to the telecommunication cable that hub is used to provide data communication.Said hub can comprise power supply unit, is used for powering to the load through telecommunication cable.Measuring mechanism of the present invention can be used for confirming the resistance of telecommunication cable.
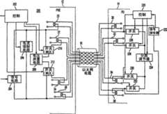
Fig. 1 illustrates simplified block diagram; POE (PoE) system 10 is shown comprises power supply unit (PSE) 12; Have a plurality of port ones-4, the link through separately can be connected to power consumption equipment 14 (PD1-PD4), and each link can provide with 2 or 4 groups of twisted-pair feeders in the Ethernet cable 16.Although Fig. 1 shows four ports ofPSE 12, those of skill in the art will recognize that the port that any amount can be provided.
PSE 12 can interact according to IEEE 802.3af standard and each PD.Specifically,PSE 12 and PD participate in the PD trace routine, and during this period,PSE 12 detects link to detect PD.If detect PD,PSE 12 inspection PD detection signals are effectively or invalid to confirm it.Effective and invalid detection signal defines in IEEE 802.3af standard.Effectively the PD detection signal representes that PD is in the state that can accept power supply, and invalid PD detection signal representes that PD is in the state that can not accept to supply power.
If said signal is effective, PD can select to present graded signal to PSE, can extract how much electric power when powering on to be illustrated in.For example, can PD be classified into rank 0-rank 4.Really define the level not according to PD, PSE provides required electric power to PD.
As shown in Figure 2, can be connected to 4 twisted-pair feeder power supplies of the Ethernetcable 16 ofPD 14 separately through each port with PSE 12.PSE 12 can utilize thetransformer 20,22,24 and 26 that is connected between corresponding twisted-pair feeder and ethernet physical layer (PHY) equipment to be connected to 4 twisted-pair feeders in thecable 16, is provided in ethernet network, providing data communication.In the PD side, PD14 can utilize thetransformer 30,32,34 and 36 that is connected between corresponding twisted-pair feeder and the Ethernet PHY equipment to be connected to 4 twisted-pair feeders in the cable 16.The PoE interface that in IEEE 802.3af standard, defines can be used toPSE 12 andPD 14 are connected on the Ethernetcable 16.
To the PoE interface ofcable 16 and the casing electric insulation of PD and PSE, and therefore insulate with the earth.Therefore, provide electric current to relate to transmission and backward channel throughcable 16 through cable.Usually, use two twisted-pair feeders to be used for jointly transmitting passage fromPSE 12 to-one conduct ofPD 14 power supplies, another is as backward channel.
PSE 12 can comprise themeasuring mechanism 200 of the DC resistance that is used fordefinite cable 16, comprisescontrol circuit 202,signal circuit 204, electric current lock-oncircuit 206,tension measuring circuit 208 andmulticircuit switch 210 and 212.Circuit 204 and 206 can be connected between thetransformer 20 and 26 that links to each other with outer twistedpairs.Variable connector 210 can be connected to thetransformer 20 and 26 that links to each other with outer twisted pairs withtension measuring circuit 208 with 212, or on thetransformer 22 and 24 that links to each other with inner twisted pairs.
In order to support cable resistance measurement procedure,PD 14 can comprisecontrol circuit 220,signal receiver 222,shunt regulator 224 and switch 226,228,230 and 232.Signal receiver 222 can be connected to thetransformer 30 and 36 that links to each other with outer twisted pairs.Switch 226,228,230 and 232 can be connected totransformer 30,32 withshunt regulator 224 respectively, on 34 and 36.For example, can be with MOSFET as switch 226-232.
Control circuit 202 and 220 can be controlled the PSE and the PD circuit of participating in cable resistance measurement procedure respectively.Specifically,control circuit 202 can controlsignal circuit 204, and to produce index signal, notice PD has begun cable resistance measurement procedure.Said index signal is received bysignal receiver 222, and it provides corresponding signal to control circuit 220.In order to respond said index signal,control circuit 220 close switch 226,228,230 and 232 are to be connected to corresponding twisted-pair feeder throughtransformer 30,32,34 and 36 withshunt regulator 224.
After producing index signal,control circuit 202 Control current lock-oncircuits 206 are to force the electric current of predetermined value I on measured twisted-pair feeder.For example, Fig. 1 illustrates said situation, has wherein confirmed to be connected to the DC resistance of the outer twisted pairs oftransformer 20 and 26.Therefore, scheduled current I is forced on the outer twisted pairs.Discuss in more detail as following, measuring mechanism 100 can confirm twisted-pair feeder the DC resistance that might make up, confirm the resistance of each twisted-pair feeder with the resistance that is independent of other twisted-pair feeders.
Force scheduled current I to cause electric current to flow throughshunt regulator 224, between the outer twisted pairs of PD side, produce stable input voltage VINBecause all switch 226-232 are closed, between the inner twisted pairs that is connected totransformer 32 and 34, also produce input voltage VIN
Control circuit 202control variable connectors 210 and 212 are so thattension measuring circuit 208 can be measured the voltage V between the PSE side outer twisted pairs1And the voltage V between the PSE side inner twisted pairs2Voltage V2Equal the voltage V that produces between the PD side inner twisted pairsIN
According to said voltage measurement,control circuit 202 can confirm that the round DC resistance R of outer twisted pairs is: R=(V1-V2)/I.
Can improve the structure of Fig. 2, to confirm the DC resistance of any twisted-pair feeder in the cable 16.Specifically, Fig. 3 a illustrates one embodiment of the present of invention, wherein except element shown in Figure 2; Themeasuring mechanism 300 that is used for the DC resistance ofdefinite cable 16 also comprises 4multicircuit switches 302; 304,306 and 308, each has 1 input and 4 outputs.Each multicircuit switch 302,304,306 and 308 can be throughcontrol circuit 202 control, with confirm twisted-pair feeder the round DC resistance that might make up.
As above combine Fig. 2 and discussed, in order to confirm the round DC resistance of outer twisted pairs, electric current lock-oncircuit 206 can be connected to thetransformer 20 and 26 of corresponding outer twisted pairs throughvariable connector 302 and 308.As a result, can activated current lock-oncircuit 206, scheduled current I is forced externally on the twisted-pair feeder.In addition, in order to measure the voltage V between the twisted-pair feeder of forcing scheduled current above that1,tension measuring circuit 208 can be connected to the outer twisted pairs that is connected withtransformer 20 throughswitch 210 and 302, and is connected to the outer twisted pairs that is connected withtransformer 26 throughswitch 212 and 308.In order to measure the input voltage V ofcorresponding PD 14INVoltage V2,tension measuring circuit 208 can be connected to the inner twisted pairs that is connected withtransformer 22 throughswitch 210 and 304, and is connected to the inner twisted pairs that is connected withtransformer 24 throughswitch 212 and 306.
In a similar manner, electric current lock-oncircuit 206 can be connected to measured any two twisted-pair feeders, and so that scheduled current is imposed on it, andtension measuring circuit 208 can be connected to two identical twisted-pair feeders, to confirm the voltage V between them1, and be connected to two other twisted-pair feeder, to confirm the voltage V between them2
Correspondingly, for by twisted-pair feeder A, B, the cable that C and D form, measuringmechanism 300 can be confirmed line A and B in the above described manner, line A and C, line A and D, line B and C, the round DC resistance R of line B and D and line C and D.According to said round resistance,control circuit 202 can be independent of in the cable resistance of other twisted-pair feeders and confirm the twisted-pair feeder A that each is independent, B, the DC resistance of C or D.
Fig. 3 b illustrates the structure that is similar to Fig. 3 a.But, PD14 usesdiode bridge 312 and 314 to come place of switches element 226,228,230 and 232.Usingdiode bridge 312 and 314 is common in the PD of 802.3af.Because the polarity of diode in the bridge circuit,PD 14 can not be with the input voltage V of measured twisted-pair feederINCopy on the not measured twisted-pair feeder.For this is compensated,PSE 12 comprises the second electric current lock-oncircuit 316 now.This circuit applies very little electric current, can not on not measured twisted-pair feeder, cause the big voltage drop of jumper cable.The diode of this little electric current forward bias electric bridge is so that with VINCopy on the not measured twisted-pair feeder at present.In every other mode, measure and carry out according to Fig. 3 a is said.
Increase diode bridge 312 and 314 and increased the complexity that cable resistance is measured.This forward voltage with the diode two ends of diode bridge is relevant, and for silicon diode, this voltage is generally about 0.6V, but with variations in temperature.If the physical distance that said diode is placed is approaching, they can have roughly the same temperature, and therefore have roughly the same voltage drop.Unique difference of the voltage drop at diode two ends can be owing to flow through their electric current difference.Therefore, diode resistance can be bonded in the cable resistance of measurement.
Should be understood that; In all cable resistance measurement methods as herein described, although in PD not shown diode bridge, and in PSE not shown little current source; The increase of these elements can make above-mentioned any method repeat the voltage from PD, it otherwise can be stopped by the polarity of diode among the PD.
The another kind of version of Fig. 3 a method of measurement that PSE possibly adopt is between the smaller value that design is fallen with the minimum voltage that produces jumper cable with big value and the design than the big voltage drop that produce jumper cable, to change the electric current of its electric current lock-oncircuit.PSE 12 shown in Fig. 3 c comprises the scalable electric current lock-oncircuit 320 that is used for this purpose.Should be pointed out that 12 each of PSE need be connected to two pairs of leads.Therefore, in the structure of Fig. 3 c,PSE 12 includes only 2switches 322 and 324, and does not expect 4 switches 302,304,306 and 308 shown in 3a and the 3b.The voltage that measurement has the PSE outlet side of these two different electric currents has effect same as described above.The voltage of high electric current is V1, and the voltage of low current is V2R=(the V that above-mentioned value substitution is identical1-V2)/I formula obtains cable resistance.As stated, the resistance of diode also is included in the resulting resistance R among thePD 14.
The accuracy of above-mentioned process of measurement depends on by the direct measured voltage V of the circuit among the PSE1And V2This has been avoided any dependence to the parameter of the specific PD that is connected to PSE.But, V1And V2The time measurement used all leads in the Ethernet cable; And, reliable and construct switch 226-232 economically so that the needed voltage and current of this measurement through being difficult.Use the diode bridge among Fig. 3 b and the 3c to solve switch problem.When regulating the impressed current of PSE (Fig. 3 c), the needs that use all leads have simultaneously been eliminated.
Fig. 4 illustrates measuringmechanism 400, is used for the DC resistance that service routine is confirmed 16 2 twisted-pair feeders of Ethernet cable, and whereinPD 14 is with voltage V2Send back PSE 12.This has eliminated the needs to switch 226-232, and uses all leads in the Ethernet cable simultaneously.For example, Fig. 4 shows to measure and is connected to thetransformer 22 and 24 of PSE side, and is connected to thetransformer 32 of PD side and the DC resistance of 34 twisted-pairfeeder.Measuring mechanism 400 among the PSE12 can comprisecontrol circuit 402, the electric current lock-oncircuit 404 andtension measuring circuit 406 of its control connection betweentransformer 22 and 24.In order to support said measurement, PD14 can comprisecontrol circuit 410, theload circuit 412 of its control connection betweentransformer 32 and 34, sampling and holdingcircuit 414, and drivecircuit 416.
Said process of measurement is started bycontrol circuit 402, and this control circuit Control current lock-oncircuit 404 to produce scheduled current I, is forced on twisted-pair feeder through the terminal of PSE 12.Flow to the scheduled current I of theload circuit 412 that is connected between the PD14 terminal, cause the input voltage V between the terminalINFor example,load circuit 412 can be a resistance, or between the terminal ofPD 14, produces any other circuit of impedance.
As input voltage VINWhen stablizing,control circuit 410 control sampling and holdingcircuits 414 are to catch this voltage.Simultaneously, thetension measuring circuit 406 ofcontrol circuit 402 control connections betweenPSE 12 terminals is to measure the voltage V between the said terminal1
Then,control circuit 402 cuts off electric current lock-oncircuit 404, flows throughcable 16 to stop electric current I.As response,control circuit 410control Driver Circuit 416 are with the voltage V that will sample and holdingcircuit 414 capturesINBe driven on the cable 16.Switching circuit, for example the MOSFET circuit can be used asdrive circuit 416.
In the PSE side,tension measuring circuit 406 is measured corresponding voltage VINVoltage V2, and the round DC resistance R that controlcircuit 402 calculates twisted-pair feeder is: R=(V1-V2)/I.
Can improve structure shown in Figure 4, confirm the independent DC resistance of any twisted-pair feeder with the resistance that is independent of another twisted-pair feeder.Specifically, Fig. 5 illustrates one embodiment of the present of invention, and wherein, except element shown in Figure 4, themeasuring mechanism 500 that is used for confirming the DC resistance ofcable 16 also comprises twovariable connectors 502 and 504 of PSE side.In addition, can twovariable connectors 512 and 514 be provided in the PD side.Each variable connector 502,504,512 and 514 can have 1 input and 4outputs.Variable connector 502 and 504 can be controlled throughcontrol circuit 402, andvariable connector 512 and 514 can be throughcontrol circuit 410 controls.
Correspondent control circuits can control switch 502,504,512 and 514, withconfirm 4 twisted-pair feeders in thecable 16 the resistance that might make up.Although Fig. 5 does not illustrate the connection of 4 twisted-pair feeders,, those of skill in the art will recognize that the mode that twisted-pair feeder can be similar to structure shown in Figure 2 is connected toPSE 12 and PD14 to keep the clarity of accompanying drawing.
In order to confirm to comprise twisted-pair feeder A, B, the round DC resistance of two selected twisted-pair feeder A and B in the cable of C and D,control circuit 402 control switchs 502 and 504 are to connect electric current lock-oncircuit 404 and thetension measuring circuit 406 of selected twisted-pair feeder A of cross-over connection and B.In addition,switch 512 and 514 can be connected theload circuit 412 of identical selected twisted-pair feeder A of cross-over connection and B, sampling and holdingcircuit 414 and drive circuit 416.The round DC resistance of selected twisted-pair feeder A and B can combine the described mode of Fig. 4 to confirm.
Then, control circuit can control switch, connecting cross-over connection twisted-pair feeder A and C in succession, and twisted-pair feeder A and D, twisted-pair feeder B and C, twisted-pair feeder B and D, and the respective element of twisted-pair feeder C and D are to confirm the round DC resistance of above-mentioned each twisted-pair feeder by the way.According to said round resistance,control circuit 402 can be independent of in the cable resistance of other twisted-pair feeders and confirm each independent twisted-pair feeder A, B, the DC resistance of C or D.
Fig. 6 illustrates another exemplary embodiment of mechanism, is used for confirming the DC resistance of 16 2 twisted-pair feeders of Ethernet cable.For example, twisted-pair feeder shown in Figure 6 is connected to thetransformer 22 and 24 of PSE side, and is connected to thetransformer 32 and 34 of PDside.Measuring mechanism 600 among thePSE 12 can comprisecontrol circuit 602, the electric current lock-oncircuit 604 andtension measuring circuit 606 of its control connection betweentransformer 22 and 24.In order to support said measurement,PD 14 can comprisecontrol circuit 610, and it controlsprecision divider 612,shunt regulator 614,reference circuit 616 and drivecircuit 618.
Said process of measurement is started bycontrol circuit 602, and this circuit Control current lock-oncircuit 404 to produce scheduled current I, is forced on twisted-pair feeder through the terminal of PSE 12.In order to respond said impressed current I, controlcircuit 620control precision divider 612 are with the input voltage V that produces between the PD side twisted-pair feeder that is provided atcable 16INPredetermined portions 1/N.
Shunt regulator 614 compriseserror amplifier 620 and output mos fet driver 622.Error amplifier 620 will be by the voltage V ofprecision divider 612 generationsINThe preset reference voltage V that the output of/N andreference circuit 616 providesREFMake comparisons.As a result, the output atshunt regulator 614 has produced input voltage VIN=N * VREF
Control circuit 602 controltension measuring circuits 606 are with the voltage V of the PSE side of measuringcable 161During this was measured,shunt regulator 614 was at its output sustaining voltage VIN=N * VREFMeanwhile,PD 14 can use some electric current that flows through it, to offer the energy storage circuit (not shown).
Then,control circuit 602 cuts off electric current lock-oncircuit 604, flows throughcable 16 to stop electric current I.As response,control circuit 610 cuts offshunt regulator 614.
Then,control circuit 610 is provided at the electric power that gathers in the energy storage circuit toreference circuit 616 and drive circuit 618.Drive circuit 618 can be a switching circuit, like the MOSFET circuit, with reference voltage VREFBe applied on the twisted-pair feeder.
Control circuit 602 controltension measuring circuits 606 are to measure the voltage between the PSE side twisted-pair feeder.This voltage equals reference voltage VREFWhen this measured end,control circuit 602 confirmed that the round resistance R of twisted-pair feeders is: R=(V1-VREF* N)/I.
Can improve structure shown in Figure 6, so that be independent of the independent DC resistance that the resistance of another twisted-pair feeder is confirmed any twisted-pair feeder.Specifically, Fig. 7 illustrates one embodiment of the present of invention, and wherein, except element shown in Figure 6, themeasuring mechanism 700 that is used for confirming the DC resistance ofcable 16 also comprises twomulticircuit switches 702 and 704 of PSE side.In addition, can twomulticircuit switches 712 and 714 be provided in the PD side.Each multicircuit switch 702,704,712 and 714 can have 1 input and 4outputs.Multicircuit switch 702 and 704 can be controlled throughcontrol circuit 602, andmulticircuit switch 712 and 714 can be throughcontrol circuit 610 controls.
Correspondent control circuits can control switch 702,704,712 and 714, withconfirm 4 twisted-pair feeders in thecable 16 the resistance that might make up.Although Fig. 7 does not illustrate the connection of 4 twisted-pair feeders,, those of skill in the art will recognize that said twisted-pair feeder can be similar to mode shown in Figure 2 and be connected toPSE 12 andPD 14 to keep the definition of accompanying drawing.
In order to confirm to comprise twisted-pair feeder A, B, the round DC resistance of 2 selected twisted-pair feeder A and B in the cable of C and D,control circuit 602 control switchs 702 and 704 are to connect electric current lock-oncircuit 604 and thetension measuring circuit 606 of selected twisted-pair feeder A of cross-over connection and B.In addition,switch 712 and 714 can be connected the PD cable measuring circuit of identical selected twisted-pair feeder A of cross-over connection and B.The round DC resistance of selected twisted-pair feeder A and B can combine preceding text mode shown in Figure 6 to confirm.
Then, control circuit can control switch, to connect cross-over connection twisted-pair feeder A and C in succession; Twisted-pair feeder A and D, twisted-pair feeder B and C, twisted-pair feeder B and D; With corresponding PSE and the PD cable measuring circuit of twisted-pair feeder C and D, to confirm the round DC resistance of each said twisted-pair feeder by the way.According to said round resistance,control circuit 602 can not rely on the resistance of other twisted-pair feeders in the cable and confirm each independent twisted-pair feeder A, B, the DC resistance of C or D.
In addition, can improve, to measure the DC resistance of each lead in the 8-leader cable the structure of Fig. 2-7.As shown in Figure 8, each transformer that is used forstube cable 16 twisted-pair feeders can be divided into two coils, two leads in the corresponding twisted-pair feeder.In order to keep the definition of accompanying drawing, only show thetransformer 22 of PSE side and thetransformer 32 of PD side.But, those of skill in the art will recognize that other transformers shown in Figure 2 can settle in an identical manner.
Can connect capacitor C between the tapped coil of each transformer,, but stop the DC electric current to flow through coil so that for Ethernet data provides AC passage.Therefore, the lead in each twisted-pair feeder no longer is that DC connects each other.Correspondingly, can measure the DC resistance of each lead individually.
Throughtransformer 80 and 82,transformer 22 and 32 can be connected to the output ofmulticircuit switch 84 and 86.Eachmulticircuit switch 84 and 86 respectively has 1 input and 8 outputs, is used for PSE cable measuring circuit and PD cable measuring circuit are connected to the selected lead of 8 leads of cable 16.Can provide another to similar multicircuit switch (not shown), so that PSE cable measuring circuit and PD cable measuring circuit are connected on another selected lead.
The control circuit ofPSE 12 can be controlled each multicircuit switch of PSE; And the control circuit ofPD 14 can be controlled each multicircuit switch of PD; In succession corresponding PSE and PD cable measuring circuit being connected on each lead of cable, so that confirm the round DC resistance of each combination of lead to be similar to mode that preceding text combine the said any cable process of measurement of Fig. 2-7.As a result, the cable measuring mechanism of the present invention resistance that can be independent of other leads is confirmed the DC resistance of each lead.As what one skilled in the art will realize that, improvement shown in Figure 8 may be used on any cable resistance measurement structure, for example, is applied to Fig. 2, the structure shown in 4 and 6.
Above interpretation with disclosed various aspects of the present invention.In addition, shown content with disclosure only is a preferred embodiment, but as mentioned above; Should be appreciated that the present invention can use various other combinations, improve; And environment; And can in the inventive concept scope that this paper embodied, change or improve, with above-mentioned instruction, and/or the skills or knowledge of association area coupling.
The foregoing description also can be used for explaining the best mode that becomes known for embodiment of the present invention, and makes that those skilled in the art can be with the form utilization of above-mentioned or other embodiments, and carries out various improvement according to the requirement of concrete application of the present invention or purposes.
Therefore, this specification is not to limit the invention to the form that this paper discloses.In addition, hope appended claims is understood to include optional embodiment.

Claims (11)

1. the system of the telecommunication cable power supply through having first group of lead and second group of lead, each free two pairs of lead of said first and second groups of leads are formed, and said system comprises:
Power supply unit, be used for through telecommunication cable to power consumption equipment supply power and
Measuring mechanism is set for the resistance of confirming first group of lead and has the electric current lock-on circuit, said electric current lock-on circuit be used for scheduled current force measured couple of conductor and
Tension measuring circuit, it is used to measure first magnitude of voltage and second magnitude of voltage on second group of lead on first group of lead, the input voltage value of the corresponding power consumption equipment of said second magnitude of voltage,
Wherein, the said measuring mechanism difference that is configured to the resistance of first group of lead is confirmed as first magnitude of voltage and second magnitude of voltage is divided by predetermined current value.
2. system according to claim 1, wherein, said measuring mechanism comprises signal circuit, said signal circuit is used to provide index signal to be activated to said powered device process of measurement.
3. system according to claim 2, wherein, said power consumption equipment is set for the activation shunt regulator and responds said index signal.
4. system according to claim 3, wherein, said electric current lock-on circuit is used at first group of lead scheduled current being provided.
5. system according to claim 4, wherein, said shunt regulator is set for the input voltage value that said power consumption equipment is provided.
6. system according to claim 4, wherein, said electric current lock-on circuit is set for provides multiple different current strength.
7. system according to claim 6, wherein, said tension measuring circuit is used to measure the magnitude of voltage on the lead, the corresponding different electric intensity of flow that is produced by the electric current lock-on circuit.
8. system according to claim 1, wherein, said measuring mechanism is set for the resistance of confirming any two pairs of leads in the telecommunication cable, so that be independent of the independent resistance that other resistance to lead are confirmed couple of conductor.
9. the system of the telecommunication cable power supply through having at least the first and second pairs of leads comprises:
Power supply unit, be used for through telecommunication cable to power consumption equipment supply power and
Measuring mechanism is used for confirming the resistance of first and second pairs of leads,
Wherein telecommunication cable is made up of first pair of lead and second pair of lead,
Said measuring mechanism comprises the electric current lock-on circuit; Said electric current lock-on circuit is used at first and second pairs of leads scheduled current being provided; And tension measuring circuit, first magnitude of voltage that said tension measuring circuit is used to measure cross-over connection power supply unit end responds said scheduled current
Said power consumption equipment is arranged between first and second pairs of leads, providing the input voltage of power consumption equipment to respond scheduled current; And be used for said input voltage is sampled and kept said input voltage; So that produce the sampling and the retention value of said input voltage
Said resistance is confirmed as the difference of first magnitude of voltage and input voltage value divided by predetermined current value.
10. system according to claim 9; Wherein, Said tension measuring circuit is set for second magnitude of voltage of when said scheduled current is disconnected, measuring the said power supply unit end of cross-over connection, the sampling and the retention value of the corresponding said input voltage of said second magnitude of voltage.
11. a system of supplying power through the telecommunication cable with at least the first and second pairs of leads comprises:
Power supply unit, be used for through telecommunication cable to power consumption equipment supply power and
Measuring mechanism is used for confirming the resistance of first and second pairs of leads, and said measuring mechanism has the electric current lock-on circuit, said electric current lock-on circuit be used for scheduled current force measured lead to,
Wherein, said telecommunication cable is made up of first pair of lead and second pair of lead,
In order to respond scheduled current, power consumption equipment is set for to be provided and the proportional input voltage value of reference voltage level,
Said measuring mechanism also comprises tension measuring circuit, said tension measuring circuit be used to measure first magnitude of voltage between first and second pairs of leads of power supply unit output respond scheduled current and
Said tension measuring circuit is set for second magnitude of voltage between first and second pairs of leads when said scheduled current is disconnected, measuring said power supply unit output, the corresponding reference voltage level of said second magnitude of voltage,
Said resistance is confirmed divided by predetermined current value according to the difference of first magnitude of voltage and input voltage value.
CN2006800054698A2005-01-252006-01-23 Communications cable powered system with mechanism for determining the resistance of the communications cableExpired - Fee RelatedCN101124772B (en)

Applications Claiming Priority (5)

Application NumberPriority DateFiling DateTitle
US64650905P2005-01-252005-01-25
US60/646,5092005-01-25
US11/334,456US7511515B2 (en)2005-01-252006-01-19System for providing power over communication cable having mechanism for determining resistance of communication cable
US11/334,4562006-01-19
PCT/US2006/002242WO2006081167A2 (en)2005-01-252006-01-23System for providing power over communication cable having mechanism for determining resistance of communication cable

Publications (2)

Publication NumberPublication Date
CN101124772A CN101124772A (en)2008-02-13
CN101124772Btrue CN101124772B (en)2012-09-19

Family

ID=39023514

Family Applications (13)

Application NumberTitlePriority DateFiling Date
CNA2006800054630APendingCN101124771A (en)2005-01-252006-01-09 Power supply equipment with an auto-zeroing circuit for determining and controlling the output current
CN2006800031925AExpired - Fee RelatedCN101112042B (en)2005-01-252006-01-09System and method for distinguishing short circuit state of network interface card and power over ethernet system
CN200680005472.XAExpired - Fee RelatedCN101124775B (en)2005-01-252006-01-09Dual mode detection of powered devices in a power over ethernet system
CN2006800093508AExpired - Fee RelatedCN101156355B (en)2005-01-252006-01-09Detecting legacy powered devices in a power over ethernet system
CN2006800093495AExpired - Fee RelatedCN101147357B (en)2005-01-252006-01-09 High Power Foldback Mechanisms in Systems Powered Over Communication Links
CN200680003200.6AActiveCN101116285B (en)2005-01-252006-01-13System, method and local area network for supplying power over a communication link
CN2006800093423AActiveCN101147355B (en)2005-01-252006-01-13Adjusting current limit thresholds based on power requirements of powered devices in a system supplying power over a communication link
CNA200680003193XAPendingCN101129019A (en)2005-01-252006-01-13 Combination of high-side and low-side current sensing in systems powered over a communication link
CNA2006800054715APendingCN101124774A (en)2005-01-252006-01-19Utilizing power delivered to powered devices during detection and classification modes
CNA2006800054700APendingCN101124773A (en)2005-01-252006-01-19Providing data communication between a power supply device and a powered device in a system supplying power over a communication link
CN2006800031997AExpired - Fee RelatedCN101112043B (en)2005-01-252006-01-23System, method and local area network for controlling power distribution between multiple conductors in a communication cable
CN2006800054698AExpired - Fee RelatedCN101124772B (en)2005-01-252006-01-23 Communications cable powered system with mechanism for determining the resistance of the communications cable
CNA2006800093438APendingCN101147356A (en)2005-01-252006-01-24 Power is supplied through four pairs of conductors in the communication cable

Family Applications Before (11)

Application NumberTitlePriority DateFiling Date
CNA2006800054630APendingCN101124771A (en)2005-01-252006-01-09 Power supply equipment with an auto-zeroing circuit for determining and controlling the output current
CN2006800031925AExpired - Fee RelatedCN101112042B (en)2005-01-252006-01-09System and method for distinguishing short circuit state of network interface card and power over ethernet system
CN200680005472.XAExpired - Fee RelatedCN101124775B (en)2005-01-252006-01-09Dual mode detection of powered devices in a power over ethernet system
CN2006800093508AExpired - Fee RelatedCN101156355B (en)2005-01-252006-01-09Detecting legacy powered devices in a power over ethernet system
CN2006800093495AExpired - Fee RelatedCN101147357B (en)2005-01-252006-01-09 High Power Foldback Mechanisms in Systems Powered Over Communication Links
CN200680003200.6AActiveCN101116285B (en)2005-01-252006-01-13System, method and local area network for supplying power over a communication link
CN2006800093423AActiveCN101147355B (en)2005-01-252006-01-13Adjusting current limit thresholds based on power requirements of powered devices in a system supplying power over a communication link
CNA200680003193XAPendingCN101129019A (en)2005-01-252006-01-13 Combination of high-side and low-side current sensing in systems powered over a communication link
CNA2006800054715APendingCN101124774A (en)2005-01-252006-01-19Utilizing power delivered to powered devices during detection and classification modes
CNA2006800054700APendingCN101124773A (en)2005-01-252006-01-19Providing data communication between a power supply device and a powered device in a system supplying power over a communication link
CN2006800031997AExpired - Fee RelatedCN101112043B (en)2005-01-252006-01-23System, method and local area network for controlling power distribution between multiple conductors in a communication cable

Family Applications After (1)

Application NumberTitlePriority DateFiling Date
CNA2006800093438APendingCN101147356A (en)2005-01-252006-01-24 Power is supplied through four pairs of conductors in the communication cable

Country Status (1)

CountryLink
CN (13)CN101124771A (en)

Families Citing this family (71)

* Cited by examiner, † Cited by third party
Publication numberPriority datePublication dateAssigneeTitle
CN101252448B (en)*2008-03-312010-12-22杭州华三通信技术有限公司Method and system for detecting current failure of power receiving equipment as well as power supply equipment
CN101625389B (en)*2009-08-062011-12-28中国电力科学研究院Method for analyzing stability of power system by considering change characteristic of load
CN102111019B (en)*2009-12-252014-01-29智邦科技股份有限公司 Network power-taking device and power-taking method thereof
US8797011B2 (en)2010-01-082014-08-05General Electric CompanyVariable current limiter for regulator
CN102075331B (en)*2010-11-042014-12-31中兴通讯股份有限公司Ethernet power supply end equipment as well as system and method thereof for realizing power supply
CN102025511A (en)*2010-12-082011-04-20中兴通讯股份有限公司Method and device for supplying power to terminal equipment
AU2012267611B2 (en)2011-06-092016-11-17Commscope Technologies LlcDistributed antenna system using power-over-ethernet
EP2734906B1 (en)2011-07-182018-12-05Hewlett-Packard Development Company, L.P.Power consumption limit associated with power over ethernet (poe) computing system
US8823402B2 (en)*2011-11-232014-09-02Broadcom CorporationCable resistance determination in high-power PoE networks
EP2773063B1 (en)*2011-12-152015-12-09Huawei Technologies Co., Ltd.Power supply method, current sharing module and power supply system
CN103595542B (en)*2012-08-132017-02-15中国电信股份有限公司A power supply terminal device, a power supply system and a power supply method
WO2014033575A1 (en)*2012-08-292014-03-06Koninklijke Philips N.V.Method and apparatus for multiplexed power and data supply via a two-wire data communication cable
EP2712083B1 (en)*2012-09-202015-02-25Infineon Technologies AGSemiconductor device including short-circuit protection depending on an under-voltage detection
US20140136874A1 (en)*2012-11-152014-05-15Broadcom CorporationLow latency discovery for power over ethernet
CN103067182B (en)*2012-12-262015-09-23上海华为技术有限公司A kind of method of constrained feed and power supply unit
CN104062996B (en)*2013-03-202016-12-28鸿富锦精密工业(深圳)有限公司Current regulating circuit, POE system and method
CN104247330B (en)2013-04-172017-09-22柏思科技有限公司 Method and system for supplying and receiving power over ethernet
CN104243175B (en)*2013-06-112017-07-28鸿富锦精密工业(深圳)有限公司Power backup circuit, POE system and method
TW201448519A (en)2013-06-112014-12-16Hon Hai Prec Ind Co LtdPower supply redundant circuit, power over Ethernet system and method
CN104348631B (en)*2013-07-262018-09-18明泰科技股份有限公司Power receiving device, power supply system and operation mode selection method
US10411504B2 (en)2013-07-312019-09-10Texas Instruments IncorporatedSystem and method for controlling power delivered to a powered device through a communication cable
US10313138B2 (en)*2013-08-082019-06-04Signify Holding B.V.Powered device and power distribution system comprising the powered device
US20150042243A1 (en)*2013-08-092015-02-12Texas Instruments IncorporatedPOWER-OVER-ETHERNET (PoE) CONTROL SYSTEM
CN104426707B (en)*2013-08-202018-10-19华为技术有限公司Detect the method and power supply unit of Power over Ethernet
US9897981B2 (en)2013-10-012018-02-20Linear Technology CorporationDetection and classification scheme for power over ethernet system
TWI544761B (en)*2014-06-052016-08-01智邦科技股份有限公司Power source equipment and power supply method thereof
WO2016005256A1 (en)*2014-07-082016-01-14Koninklijke Philips N.V.Powered device and power distribution system comprising the powered device
US10364998B2 (en)2014-09-302019-07-30Siemens Schweiz AgThermostat having over current management
US9967104B2 (en)*2014-11-192018-05-08Linear Technology CorporationDetecting ground isolation fault in ethernet PoDL system
US10090666B2 (en)*2014-12-012018-10-02Linear Technology CorporationCircuit architectures for protecting against PoDL wire faults
CN107210921B (en)*2015-02-172020-12-29美高森美Poe有限公司 POE power utilization device and method
US9973343B2 (en)2015-04-092018-05-15Sercomm CorporationPower supply system, power sourcing equipment, and ethernet Y cable
CN104901813B (en)*2015-04-092018-05-22中磊电子(苏州)有限公司For electric installation and electric power system
DE102015211478A1 (en)*2015-06-222016-12-22Siemens Aktiengesellschaft Interface extension device for a network device and method for operating an interface extension device
WO2017001179A1 (en)2015-06-302017-01-05Philips Lighting Holding B.V.Power providing device and method, power receiving device
CN104991143B (en)*2015-07-102018-01-23博为科技有限公司Power apparatus detection circuit, the method and power apparatus for detecting power apparatus
CN105048439B (en)*2015-08-102018-10-12福建星网锐捷网络有限公司A kind of method for controlling power supply and device
JP2018533327A (en)*2015-10-272018-11-08センター フォー ディベロップメント オブ テレマティックスCentre For Development Of Telematics Real-time distributed engine framework for Ethernet virtual connectivity
CN106936598A (en)*2015-12-312017-07-07华为技术有限公司POE method and power supply unit and power receiving equipment
CN106026056A (en)*2016-05-182016-10-12浙江大华技术股份有限公司Anti-impact circuit for power supply equipment, power supply equipment, and Ethernet power supply system
CN109085434A (en)*2016-07-082018-12-25蓝龙飞A kind of electric system detection communication system
CN106130742A (en)*2016-08-302016-11-16杭州华三通信技术有限公司Equipment method of supplying power to based on POE system and device
CN107888386B (en)*2016-09-292020-08-14九旸电子股份有限公司 Electrical equipment detection device and method for Ethernet power supply system
CN108111316B (en)2016-11-252020-02-11新华三技术有限公司PSE (Power supply Environment)
US11293662B2 (en)2016-12-082022-04-05Belimo Holding AgHVAC actuator
WO2018179504A1 (en)*2017-03-272018-10-04オリンパス株式会社Image pickup device
CN107147503B (en)*2017-04-282020-06-02华为技术有限公司 Powered equipment and POE systems
CN107271876A (en)*2017-07-272017-10-20深圳市和为顺网络技术有限公司PD detects circuit
CN107547210B (en)*2017-08-252021-06-18锐捷网络股份有限公司Non-standard power supply equipment, powered equipment and system
TWI649982B (en)2017-12-082019-02-01和碩聯合科技股份有限公司 Ethernet power supply
CN109962607B (en)*2017-12-262020-10-02维谛公司 A kind of current limiting control adjustment method and device
CN108132411B (en)*2017-12-292023-10-27重庆市灵龙自动化设备有限公司Efficient detector for docking station
CN110098941A (en)*2018-01-312019-08-06杭州海康威视数字技术股份有限公司A kind of method for controlling power supply and its device
CN108318741B (en)*2018-03-142020-04-07维沃移动通信有限公司Impedance detection circuit and detection method
US10958471B2 (en)*2018-04-052021-03-23Cisco Technology, Inc.Method and apparatus for detecting wire fault and electrical imbalance for power over communications cabling
CN109038692B (en)*2018-06-272021-11-16浙江大华技术股份有限公司Power supply device
CN111092445B (en)*2018-10-242021-10-26华为技术有限公司Signal reliability detection method, PSE chip, CPU chip and PoE device
CN111175589A (en)*2018-11-122020-05-19华为技术有限公司 A kind of communication equipment and validity detection method
CN113228581B (en)*2018-12-112024-02-02三菱电机株式会社 Network systems, power supply devices and powered equipment
CN111398652A (en)*2019-01-022020-07-10禾普股份有限公司Test device and power test system
CN110798324B (en)*2019-09-192022-11-15浙江大华技术股份有限公司Ethernet power supply method, system, power supply end equipment and readable storage medium
CN110677264B (en)*2019-09-302021-11-12新华三信息安全技术有限公司Method and device for processing power supply fault
CN113777522B (en)*2020-06-102022-10-04华为技术有限公司 A power supply detection device, method and computer program product thereof
CN112684383B (en)*2020-11-182024-07-19杭州士兰微电子股份有限公司Load connection detection method and power supply device in Ethernet power supply system
CN112564739B (en)*2020-11-272021-06-22珠海格力电器股份有限公司Power line carrier communication system
TWI777571B (en)*2021-05-242022-09-11九暘電子股份有限公司Power over ethernet system having multiple power source devices and power-good inspection device thereof
CN116073658A (en)*2021-11-022023-05-05瑞昱半导体股份有限公司 Power supply device and method with power limiting mechanism
CN114153206A (en)*2021-11-292022-03-08中兴耀维科技江苏有限公司AGV system for improving working efficiency of unmanned aerial vehicle robot
CN113885638B (en)*2021-12-082022-02-11杭州杰为科技有限公司Pd circuit for increasing mps function and method for increasing mps function on pd circuit
CN119966386A (en)*2024-11-292025-05-09无锡市稳先微电子有限公司 Intelligent electronic switches, chips, chip products and electromechanical devices that reduce power
CN119717984B (en)*2025-02-272025-06-17苏州贝克微电子股份有限公司 A power supply circuit with controllable output power

Citations (1)

* Cited by examiner, † Cited by third party
Publication numberPriority datePublication dateAssigneeTitle
CN1364026A (en)*2001-01-082002-08-14阿尔卡塔尔公司Device for providing distance power feed in long distance communication network

Family Cites Families (8)

* Cited by examiner, † Cited by third party
Publication numberPriority datePublication dateAssigneeTitle
US4792745A (en)*1987-10-281988-12-20Linear Technology CorporationDual transistor output stage
WO1998013999A2 (en)*1996-09-261998-04-02Philips Electronics N.V.Power supply circuit, telecommunication device and method for multiple dc slope power management
JP3383590B2 (en)*1998-08-192003-03-04沖電気工業株式会社 Power supply system for LAN compatible telephone terminals
US6473608B1 (en)*1999-01-122002-10-29Powerdsine Ltd.Structure cabling system
ATE458326T1 (en)*1999-11-042010-03-15Alcatel Lucent METHOD FOR REMOTELY POWERING A TERMINAL DEVICE IN A LOCAL NETWORK
US6778921B2 (en)*2001-04-062004-08-17Eni Technology, Inc.Modular architecture for industrial power delivery system
CN1202639C (en)*2001-10-222005-05-18浙江中控技术有限公司Ethernet hub able to implement redundent power supply of network
TW200501551A (en)*2003-04-232005-01-01Rohm Co LtdAudio signal amplifier circuit and electronic apparatus having the same

Patent Citations (1)

* Cited by examiner, † Cited by third party
Publication numberPriority datePublication dateAssigneeTitle
CN1364026A (en)*2001-01-082002-08-14阿尔卡塔尔公司Device for providing distance power feed in long distance communication network

Non-Patent Citations (2)

* Cited by examiner, † Cited by third party
Title
孙少鹏,杨咏剑,王志刚,欧阳雪松.IEEE802.3af以太网网线供电新技术.无线电通信技术30 4.2004,30(4),29-31.
孙少鹏,杨咏剑,王志刚,欧阳雪松.IEEE802.3af以太网网线供电新技术.无线电通信技术30 4.2004,30(4),29-31.*

Also Published As

Publication numberPublication date
CN101112042A (en)2008-01-23
CN101116285B (en)2015-06-17
CN101124771A (en)2008-02-13
CN101124775B (en)2014-11-26
CN101147356A (en)2008-03-19
CN101156355A (en)2008-04-02
CN101112043B (en)2010-10-13
CN101129019A (en)2008-02-20
CN101124775A (en)2008-02-13
CN101112043A (en)2008-01-23
CN101112042B (en)2012-01-04
CN101147357B (en)2010-10-13
CN101156355B (en)2011-05-25
CN101147357A (en)2008-03-19
CN101124774A (en)2008-02-13
CN101116285A (en)2008-01-30
CN101124773A (en)2008-02-13
CN101147355A (en)2008-03-19
CN101147355B (en)2011-05-18
CN101124772A (en)2008-02-13

Similar Documents

PublicationPublication DateTitle
CN101124772B (en) Communications cable powered system with mechanism for determining the resistance of the communications cable
JP4718562B2 (en) System for providing power through a communication cable having a mechanism for determining the resistance of the communication cable
EP1859566B1 (en)Controlling power distribution among multiple wires in communication cable
CN101208903B (en)Classification mechanism in system for supplying power over communication link
JP4454665B2 (en) Common-mode data transmission for Power over Ethernet systems
CN103066683B (en)Conductor in POE system is to switching
US20060164098A1 (en)Utilization of power delivered to powered device during detection and classification mode
US20070278857A1 (en)Mid-Link Powered Device for Power over Ethernet
GB2448971A (en)Measuring the resistance of data cable conductors used for supplying power
US20110219244A1 (en)Power extracting system and a splitter
CN221261050U (en)POE receives electricity test fixture
CN104426677B (en)Reverse Power over Ethernet system and method and load sharing device and power receiving equipment
CN113777522A (en)Power supply detection device and method and computer program product thereof
CN106053985A (en)Ethernet power supply testing device

Legal Events

DateCodeTitleDescription
C06Publication
PB01Publication
C10Entry into substantive examination
SE01Entry into force of request for substantive examination
C14Grant of patent or utility model
GR01Patent grant
CP01Change in the name or title of a patent holder
CP01Change in the name or title of a patent holder

Address after:California, USA

Patentee after:LINEAR TECHNOLOGY Corp.

Address before:California, USA

Patentee before:LINEAR TECHNOLOGY Corp.

TR01Transfer of patent right
TR01Transfer of patent right

Effective date of registration:20211228

Address after:Limerick

Patentee after:ANALOG DEVICES INTERNATIONAL UNLIMITED Co.

Address before:California, USA

Patentee before:LINEAR TECHNOLOGY Corp.

CF01Termination of patent right due to non-payment of annual fee
CF01Termination of patent right due to non-payment of annual fee

Granted publication date:20120919


[8]ページ先頭

©2009-2025 Movatter.jp